Numerical simulation of dynamic processes in transmission of vehicle
- Authors: Hoodorozhkov S.I.1, Krasilnikov A.А.1
-
Affiliations:
- Peter the Great St. Petersburg Polytechnic University
- Issue: Vol 15, No 1 (2021)
- Pages: 38-45
- Section: Articles
- URL: https://journals.eco-vector.com/2074-0530/article/view/87353
- DOI: https://doi.org/10.31992/2074-0530-2021-47-1-38-45
- ID: 87353
Cite item
Abstract
The article considers the issues of digital modeling of dynamic processes in the transmissions of transport vehicles. The purpose of this research was to develop an algorithm for numerical mathematical modeling of dynamic processes in the transmissions of transport vehicles using modern digital software packages. The method includes a systematic approach to the study of dynamic processes during switching, based on modeling the operation of the gearbox together with the internal combustion engine (taking into account its dynamic, speed and load characteristics). The order of application of the MATLab – Simulink, Simscape software packages for numerical simulation of dynamic processes is considered. Using the fundamental blocks of these applications, models of physical components are created: the internal combustion engine, friction clutches, gearboxes, elastic shafts, damping devices, and tractor power transmission control systems. A digital model of the tractor transmission is created, its design scheme is given, and the initial characteristics are set. It was used to simulate dynamic processes in the tractor gearbox. The main attention in this paper is paid to the application of the proposed method for calculating the dynamic processes in the gearbox during gear changes under load with forward and reverse switching, including the simultaneous use of several friction clutches.
Full Text
Introduction
Dynamic processes in vehicle transmissions, particularly when shifting gears in a change gearbox (CG), are complex owing to the presence of inertial elastic links, such as flexible shafts, gears, and engine flywheels. This is particularly true in tractor transmissions, where gear shifting occurs under load, necessitating the absence of a power flow break in the machine transmission during gear changes.
In this context, the analysis of the gear shifting process is one of the most complicated types of transient processes in transport and traction machine transmissions [1–5]. Gear shifting is performed in the CG under consideration using frictional control elements (disc friction clutches). When shifting gears, several friction clutches may work simultaneously. The current calculation methods do not fully reflect the dynamic processes in the CG while switching stages under load with the simultaneous use of several friction clutches [6–9].
The difficulties of analyzing working processes in automotive vehicle transmissions and gear shifting control have been addressed in previous studies [10–13]. The use of modern software tools for engineering calculations, such as the MATLAB package, which includes Simulink and Simscape, can ease the implementation of dynamic power transmission calculations.
This study is aimed at developing an algorithm for numerical mathematical modeling of dynamic processes in vehicle transmissions based on a systematic approach to the study of dynamic processes when gear shifting in a CG.
Problem-solving method
Modern software tools for engineering calculations proposed for digital modeling of dynamic processes in vehicle transmissions in this work include the MATLAB package applications, Simulink and Simscape [14, 15]. The dynamic calculations of power transmissions can be significantly simplified as a result. The MATLAB packages, Simulink and Simscape, provide fundamental blocks for modeling physical components, such as an internal combustion engine, control friction clutch, gear reducer, resilient shafts, dampers, and other power transmission components. Simscape automatically deduces differential equations that characterize system behavior from a model that is similar in appearance to a kinematic diagram.
The method and procedure for using the MATLAB package for analyzing dynamic processes in transport vehicle transmission are considered in the example of modeling the operation of the gearbox of an agricultural tractor (Kirovets K-744).
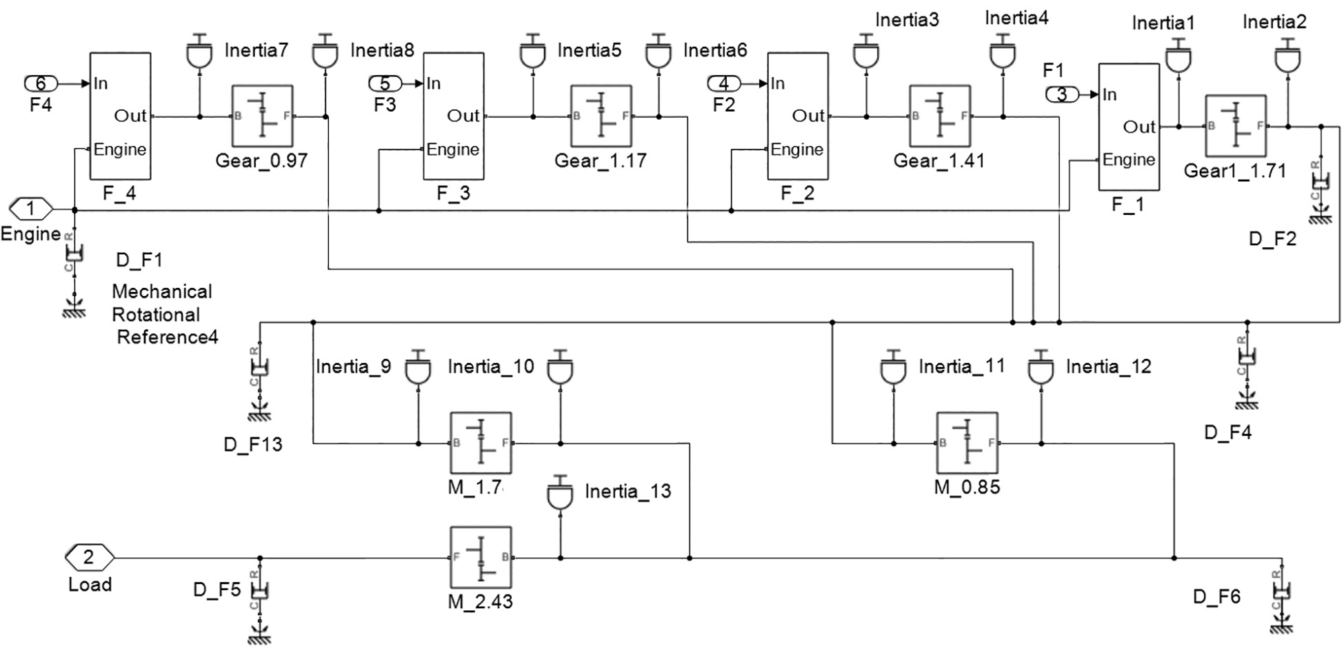
Based on the known kinematic, inertial elastic, and damping parameters of the gearbox, a Simscape model for simulating dynamic processes was developed. Figure 1 depicts the CG model.
Fig. 1. Simscape model of the mechanical gearbox system
In Figure 1, the gearbox shafts are presented as standard library blocks. The inertia of the driving and driven masses of friction clutches, and gears fixed on the shafts, are characterized by the flexible shaft, which describes the elastic-damping and inertial properties of the sections at the connection points of the inertia blocks.
The input shaft of the gearbox is represented by sections connected at the input to the engine port and at the output to the subsystems F, which represent friction units.
Four Gear blocks and two M blocks are used to specify the gear properties. Shaft bearings supports are represented by blocks with D pivot bearings.
The transfer shaft is represented by a section connected to the load outlet port.
“Friction unit” F subsystems represent block diagrams of the same type, corresponding to Figure 2.
Fig. 2. Friction unit subsystem
The following basic typical blocks are included in CG Simscape models:
A typical disk friction clutch block is a friction clutch with sets of friction discs. The clutch is bi-directional, allowing it to slide in both positive and negative directions. The block provides a physical signal input port for applied pressure to the friction discs. The window of the block parameters is presented in Figure 3.
Fig. 3. Disk Friction Clutch block parameters window
Typical block inertia is an ideal mechanical rotational inertia, in which the parameter window comprises the moments of inertia values of the gearbox rotating masses, as used in the model in Figure 1 (Table 1).
Table 1.
Moments of inertia of the gearbox rotating masses
Seq No | Designation of mass | Moment of inertia, kg·m2 |
1 | Inertia_1 | 0,25 |
2 | Inertia_2 | 0,10 |
3 | Inertia_3 | 0,25 |
4 | Inertia_4 | 0,10 |
5 | Inertia_5 | 0,25 |
6 | Inertia_6 | 0,10 |
7 | Inertia_7 | 0,25 |
8 | Inertia_8 | 0,10 |
9 | Inertia_9 | 0,15 |
10 | Inertia_10 | 0,25 |
11 | Inertia_11 | 0,15 |
12 | Inertia_12 | 0,20 |
13 | Inertia_13 | 0,15 |
A typical simple gear block represents a gear set with a fixed gear ratio. The gear ratio is calculated as the ratio of the number of teeth on the driven wheel (port F) to the number of teeth on the driving wheel (port B) – (NF/NB). Gear ratios are entered in the parameter window of the block (Table 2).
Table 2.
Gear ratios
Seq No | Designation of a pair of toothed wheels | Gear ratio |
1 | Gear_1.71 | 1,71 |
2 | Gear_1.41 | 1,41 |
3 | Gear_1.17 | 1,17 |
4 | Gear_0.97 | 0,97 |
5 | M_0.83 | 0,85 |
6 | M_1.74 | 1,70 |
7 | M_2.43 | 2,43 |
The Simscape blocks connected in series, namely the control block, the engine block, the transmission block, the load block, and the monitor block of the calculation results visualization, are represented by the generalized transmission model of a tractor with an engine.
Figure 4 depicts the control subsystem is. The signal builder block in the subsystem generates control actions for the friction units F_1, F_2, F_3, and F_4 of the gearbox and the fuel supply to the throttle engine cylinders. The gain blocks convert friction clutch control movements into pressure with a maximum value of 0.9 MPa and fuel supply as a percentage of the maximum value (100%).
Fig. 4. Control subsystem
Figure 5 presents the subsystem engine, which includes the 2-D lookup table block.
Fig. 5. Engine subsytem
The 2-D lookup table block matches the input data with the output value by searching or interpolating a table of values provided by the block parameters. The parameters of the external and regulatory characteristics of the engine are represented in the matrix of the 2-D lookup table block.
The load subsystem uses the signal builder block to generate loads on the transmission output shaft in the mode of constant resistance torque or constant power.
Results and discussion
The following are the results of applying this model to numerically simulate dynamic processes in the CG during gear shifting. Control commands are sent to the CG friction control elements at certain points in time to turn on/off the corresponding friction clutches to calculate the gear shifting process.
Figure 6 illustrates the type of control actions used in a numerical simulation of starting a tractor from a standstill and acceleration with upshifting from the first to fourth gear.
Fig. 6. Signals of control actions to automatic transmission clutches (F1, F2, F3, F4) and fuel supply to the engine (T) when simulating the shift process from 1st to 4th gear
Figure 7 presents the curves of changes in engine revolutions (upper curve) and torque Mengine (lower curve) derived by calculations during sequential shifting from first to fourth gear when starting the tractor from a standstill.
Fig. 7. Calculated curves of changes in engine speed with sequential gear shifting (from 1st to 4th)
At the beginning of the machine movement process, the friction clutch F1 is activated according to a linear law of increment from zero to 0.9 MPa for 0.45 seconds. This takes into account the joint operation of the engine and transmission. At this time, the friction moment of the F1 clutch is the resistance moment for the crankshaft and the driving moment for the CG input shaft. The engine speed decreases slightly (due to the increase in the frictional moment of the friction clutch F1) as the engine torque increases.
Subsequently, using two friction clutches, the CG switched from first to second gear (the F1 clutch, which implements the first gear mode, is turned off, and the second gear clutch F2 is turned on).
An essential parameter influencing gear shifting dynamics is the duration of the overlap of the joint work of the two friction clutches.
The overlap in the operation of the friction clutches refers to the period when one friction clutch (F1) is deactivated and the other friction clutch (F2) is activated. The overlap duration is determined by the command issuing algorithm of the CG control system, which controls the friction clutch activation/deactivation (Figure 6).
The proposed mathematical Simscape model of the CG allows for computational studies of transmission dynamics under various control laws by varying the moments and time intervals of activation of the frictional control elements, overlapping, and delays during their joint operation.
Figure 8 depicts the graphs of the dynamic processes that occur in the CG when shifting gears.
Fig. 8. Calculated curves on the input shaft when shifting from 1st to 2nd gear
It presents the graphs of the change in revolutions and torques of the main CG links when the second gear is engaged with overlapping friction clutches 1 and 2 for about 0.15 seconds. As shown in the graphs, the torque M1, which is transmitted by the deactivating clutch F1, first decreases linearly to zero in the process of shifting from first to second gear. Simultaneously, the torque M2, which is transmitted by clutch F2 and engaged to implement the second gear in the CG, starts to increase linearly.
The torque of the activated friction clutch F2 tends to overcome the moment of resistance and continues to increase until it reaches the maximum value, accelerating the rotation of the driven clutch masses under the action of the free excess torque until the driving and driven discs of the activated friction clutch F2 are synchronized. The friction clutch skids as a result. The disengagement of clutch F1 does not reduce the speed of the output shaft. Therefore, a further joint operation of the two transmissions becomes impractical from the standpoint of ensuring the continuity of the power flow. An increase in the overlap time in the operation of the clutches will induce power circulation and clutch skidding. With optimal regulation of friction clutch activation/deactivation, power is transmitted in two parallel flows during gear shifting in the CG with no power circulation. This mathematical model allows a computational simulation of this process to be performed.
Following the completion of the revolution synchronization of the driven and driving parts, the torque in the activated friction clutch rapidly decreases to the value of the reduced moment of resistance.
Qualitatively similar processes occur when switching from the second to third gear, the third to the fourth gear, etc.
The nature of the change and peak values of the torques on the main links, the change in the revolutions of the links, and the time of the dynamic processes can all be accessed using mathematical modeling of this gear shifting process. The results of the analysis provide information on the parameters of friction clutch skidding, the occurrence of power circulation, etc.
Conclusion
- Using the MATLAB Simscape software package, a method for numerical simulation of dynamic processes in transport vehicle transmissions is proposed.
- A mathematical model of a wheeled tractor gearbox was created using the typical blocks of the MATLAB library (Simulink and Simscape), which provides a contemporary interface for receiving, processing, and visualizing calculation results in the process of simulating the work of the sample under consideration.
- The proposed calculation technique enables effective virtual modeling of dynamic systems of vehicle transmissions, simulation of CG operation using several frictional control elements in different operating modes, with different time characteristics of control commands, and determination of the optimal algorithms for the CG control system.
About the authors
S. I. Hoodorozhkov
Peter the Great St. Petersburg Polytechnic University
Author for correspondence.
Email: xcu-55@mail.ru
DSc in Engineering
Russian Federation, St. PetersburgA. А. Krasilnikov
Peter the Great St. Petersburg Polytechnic University
Email: a_kr36@mail.ru
PhD in Engineering
Russian Federation, St. PetersburgReferences
- Transmissii traktorov [Tractors transmissions]. Moscow, Mashinostroyeniye Publ., 1976, 280 p.
- Boykov A.V., Shuvalov YE.A., Dobryakov B.A. Teoriya i raschet traktora «KiroveTS» [Theory and calculation of the Kirovets tractor]. Pod obshch. red. A.V. Boykova. Leningrad: Mashinostroyeniye Publ., 1980. 208 p.
- Sharipov V.M. Konstruirovaniye i raschet traktorov [Design and calculation of tractors]: Uchebnik dlya studentov vuzov. 2-e izd. Moscow: Mashinostroyeniye Publ., 2009. 752 p.
- Tarasik V.P. Friktsionn·yye mufty avtomobil’nykh gidromekhanicheskikh peredach [Friction clutches of automotive hydromechanical transmissions]. Minsk, «Nauka i tekhnikA» Publ., 1973.
- Kochnev A.M. Rabochiye rezhimy otechestvennykh kolesnykh trelevochnykh traktorov [Operating modes of domestic wheeled skidders]. S.Peterburg: Izdatel’stvo Politekhnicheskogo universiteta Publ., 2008. 520 p.
- S. Kuwahara, H. Kubonoya, H. Mizuno, M. Kaigawa, and K. Kono, “Toyota’s New Integrated Drive Power Con-trol System,” SAE Paper No. 2007-01- 1306, SAE International, Warrendale, PA, 2007.
- S. Bai, D. Brennan, D. Dusenberry, X. Tao, Z. Zhang, “Integrated Powertrain Control,” SAE Paper No. 2010-01-0368, SAE International, Warrendale, PA, 2010.
- D. Kim, H. Peng, S. Bai, J. Maguire, “Control of Integrated Powertrain With Electronic Throttle and Automatic Transmission,” IEEE Transactions on Control System Technology, May 2007, Volume 15, Issue 3, P474-482.
- Kondo M., Hasegawa Y., Takanami Y., Arai K., Tanaka M., Kinoshita M., “Toyota A80E 8-speed Automatic transmission with Novel Powertrain Control System”, SAE Paper No. 2007-01-1311, Detroit, 2007.
- Bukashkin A., Galyshev Yu., Dobretsov R., “Split Transmission of Tractor with Automatic Gearbox”, Procedia Engineering Vol. 206 (2017). pp 1728-1734. doi.org/10.1016/j.proeng.2017. 10.705.
- Didikov R., ect., “Power Distribution Control in Perspective Wheeled Tractor Transmission” Procedia Engineering, Vol. 206 (2017), pp. 1735–1740. doi.org/10.15866/ireme.v12i9.15646
- Dobretsov R., Galyshev Yu., Porshnev G., Didikov R., Telyatnikov D., Komarov I. Transmission of the Perspective Wheel Tractor with Automatic Gearbox // International Review of Mechanical Engineering (IREME), Vol 12, No 9. (2018). Pp. 790-796. DOI: https://doi.org/10.15866/ireme.v12i9.15646.
- Deur J., Asgari J., Hrovat D., “Modeling and analysis of automatic transmission engagement dynamics – Linear case”, ASME, J. Dyn. Syst. Meas. Control, vol. 128, pp. 263-277, 2006.
- Simscape™ User’s Guide. COPYRIGHT 2007–2013 by The MathWorks, Inc. p. 203.
- Using SIMULINK (December 1996). COPYRIGHT 1990–1996 by The MathWorks, Inc. p. 473.
Supplementary files










