Comparative tests of diesel injectors with current and upgraded nozzles
- Authors: Bolotokov A.L.1, Troyanovskaya I.P.2,3, Voinash S.A.4
-
Affiliations:
- Kabardino-Balkarian State Agrarian University
- South Ural State University
- South Ural State Agrarian University
- Kazan Federal University
- Issue: Vol 91, No 2 (2024)
- Pages: 243-250
- Section: Quality, reliability
- Submitted: 27.10.2023
- Accepted: 04.06.2024
- Published: 19.07.2024
- URL: https://journals.eco-vector.com/0321-4443/article/view/622766
- DOI: https://doi.org/10.17816/0321-4443-622766
- ID: 622766
Cite item
Abstract
BACKGROUND: More than 60% of agricultural tractor failures are due to diesel engine failure. Half of diesel engine failures relate to the fuel supply system, which is mainly dependent on the service life of diesel injectors’ nozzles.
AIM: Increasing the durability of the nozzle by means of upgrading the nozzle needle.
METHODS: To increase the working life of the diesel injector nozzle, a new technical solution, the idea of which is applying a screw channel to the bearing surface of the needle, was proposed. The presence of the screw channel leads to axisymmetric pressure on the needle, which gives it increased stability and prevents the possibility of skewing and freezing. The Russian patent has been received for this invention. To confirm the expected effect, comparative laboratory tests were carried out with current and upgraded nozzle design. To carry out accelerated tests, the “dusty” fuel, obtained by adding quartz sand abrasive, was used. During the tests, the following were assessed: atomization quality, sealing cone tightness, hydraulic density, needle stroke and effective flow area. The assessment of wear of the mating surfaces of the nozzle depends on the value of the hydraulic density.
RESULTS: As a result of the experiment, it was found that the limiting value of hydraulic density for the current injectors occurs after 2500 operating hours and is characterized by a violation of tightness. For the upgraded injectors, the hydraulic density limit occurs after 4300 operating hours.
CONCLUSION: Applying a screw channel on the bearing surface of the needle helps to increase the service life of the diesel injector by 23%.
Full Text
ВВЕДЕНИЕ
При производстве любой сельскохозяйственной продукции большая часть затрат приходится на энергетические тракторные средства. Эффективность любого машинно-тракторного агрегата во многом определяется работой его двигателя. Более 60% отказов сельскохозяйственных тракторов связано с отказом дизельного двигателя.
При пахоте загруженность тракторного двигателя составляет около 75–89%. В таком режиме двигатель работает почти 60% времени технологического цикла.
На работу дизелей значительное влияние оказывает надежность топливной аппаратуры. Она является наиболее ответственной и, при этом, наименее надежной системой дизельного двигателя. Половина отказов дизельных двигателей происходит именно по причине отказа топливной аппаратуры.
Отклонение топливоподачи от оптимальных значений приводит к снижению топливной экономичности двигателя сельскохозяйственной техники. Неравномерность подачи топлива порой достигает 20%, что приводит не только к повышенному расходу топлива, но и способствует падению мощности двигателя [1–3].
Основная доля неисправностей системы топливоподачи приходится на распылители форсунок. Их ресурс составляет всего 2500–3000 моточасов, что в несколько раз ниже ресурса плунжерных пар топливных насосов высокого давления и двигателя в целом [4].
Самыми распространенными неисправностями форсунки являются проблемы пары «игла – корпус распылителя» [5]:
- нарушение герметичности запирающего конуса,
- «закоксовывание» распылительных отверстий,
- зависание и износ иглы.
Потеря герметичности распылителей дизелей может достигать 90% всех отказов форсунок [6]. Зависание иглы чаще всего происходит в начальный период работы и связано с низким качеством изготовления [7].
ЦЕЛЬ РАБОТЫ
В связи с вышесказанным была сформулирована цель исследования: увеличение долговечности форсунки путем модернизации иглы распылителя.
МЕТОДЫ
Проверка долговечности дизельных форсунок проводилась посредством ускоренных лабораторных испытаний на серийных и модернизированных форсунках ФД-22 для дизельного двигателя 4Ч11/12,5 сельскохозяйственного трактора МТЗ-80/82. Параметры форсунок следующие:
- ход иглы от 0,2 мм до 0,32 мм;
- зазор в цилиндрической части распылителя от 1,0 до 5,0 мкм;
- эффективное проходное сечение от 0,28 мм2 до 0,32 мм2.
МОДЕРНИЗАЦИЯ КОНСТРУКЦИИ РАСПЫЛИТЕЛЯ ДИЗЕЛЬНОЙ ФОРСУНКИ
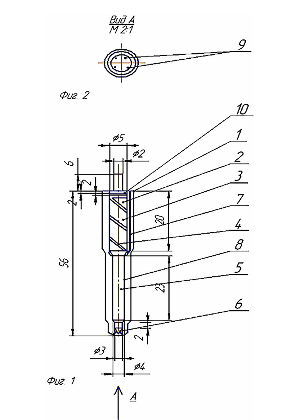
Для повышения долговечности распылителя дизельных форсунок и снижения износа было предложено осуществлять модернизацию [8] форсунки путем нанесения винтовой канавки под углом на направляющей части иглы (рис. 1).
Рис. 1. Топливная форсунка с винтовым каналом иглы: 1 — корпус; 2 — игла; 3 — направляющая часть иглы; 4 — винтовая канавка; 5 — несущая часть иглы; 6 — запорная часть иглы; 7 — топливоподающий канал; 8 — внутренняя полость корпуса; 9 — сопловые отверстия; 10 — кольцевая канавка.
Fig. 1. The fuel injector with a screw channel of a needle: 1 — a body; 2 — a needle; 3 — a needle guide; 4 — a helical groove; 5 — a bearing part of the needle; 6 — a locking part of the needle; 7 — a fuel supply channel; 8 — an internal cavity of the body; 9 — nozzle holes; 10 — аn annular groove.
Более высокое давление в области винтовых каналах заставляет топливо перетекать в зазор между корпусом и направляющей частью иглы. Это создает осесимметричное давление на иглу и закручивает ее. Все это приводит к смягчению удара иглы о седло корпуса. Наличие топлива в винтовом канале дополнительно обеспечивает смазку.
Разница давлений способствует центровке иглы и уменьшает ее перекос по всей длине направляющей. Принудительное перемещение иглы придает ей дополнительную устойчивость. Модернизация иглы распылителя топливной форсунки снизила вероятность перекоса, «прихватывания» и зависания иглы.
Модернизация форсунки способствует: повышению ее надежности, улучшению качества распыления и обеспечению равномерного износа рабочих поверхностей, увеличивая тем самым долговечность. Новое техническое решение защищено патентом Российской Федерации [9]. На основе нового технического решения были изготовлены 3 комплекта (12 штук) опытных образцов модернизированной форсунки, участвующие в экспериментальных исследованиях (рис. 2).
Рис. 2. Распылители форсунки ФД-22 с (a) модернизированной и (b) серийной иглой.
Fig. 2. The FD-22 injector nozzles with (a) the upgraded and (b) the current needle.
МЕТОДИКА ЭКСПЕРИМЕНТА И ИСПОЛЬЗУЕМОЕ ОБОРУДОВАНИЕ
Характеристики впрыска топливной системы проводили на безмоторной установке, где регистрация параметров осуществлялась с помощью осциллографа. Осциллограф был подключен к персональному компьютеру, что позволило в автоматическом режиме проводить обработку полученных результатов (рис. 3).
Рис. 3. Тензометрическая станция УТС1-ВТ-12/35 для замеров подачи топлива.
Fig. 3. The UTS1-VT-12/35 strain gauge station for fuel supply measuring.
Перед началом всех этапов испытаний обязательно регулировалось давление впрыскивания МПа (погрешность манометра МПа). Расход топлива определялся весовым способом. Масса навески г (погрешность весов г), время наполнения составило с (погрешность секундомера с). В качестве рабочей жидкости использовалось дизельное топливо массовой плотностью г/см3 [11]. Все опыты проводились с трехкратной повторностью.
Топливные насосы высокого давления были отрегулированы на номинальные подачу. Согласно заводской инструкции угол опережения впрыскивания составлял 24°. Частота вращения кулачкового вала топливного насоса высокого давления контролировалась тахометром СК ТИЦ-751. Для исключения накапливания топлива в топливосборочных камерах датчиков в направляющих втулках корпусов датчиков были прорезаны продольные пазы.
Эффективное проходное сечение распылителя форсунки определялось по перепаду давлений в начале и в конце впрыска :
, (1)
где — расход топлива (г); с — время топливоподачи; — плотность топлива (кг/см2); м/с2 — ускорение свободного падения; МПа — перепад давления.
Параметры и регулировка форсунок проводилась на стенде испытательном КИ-35478 (рис. 4).
Рис. 4. Стенд КИ-35478 для испытания дизельных форсунок.
Fig. 4. The KI-35478 bench for diesel injectors testing.
Наиболее объективным показателем износа распылителей во время сравнительных износных испытаний был принят показатель снижения гидравлической плотности форсунок. Согласно ГОСТ 10579-88 [12] гидравлическая плотность при стендовых испытаниях определялась:
; (2)
где — исходная гидравлическая плотность на стенде (с); — коэффициента интенсивности изменения гидравлической плотности в зависимости от наработки; — наработка (мото-часы).
Герметичность, ход иглы и качество распыления топлива определялись на приборе КИ-3333 (рис. 5).
Рис. 5. Прибор КИ-3333 для испытания и регулировки форсунок.
Fig. 5. The KI-3333 device for nozzles testing and adjusting.
При ускоренных испытаниях использовалось на «запыленном» топливе, полученном путем добавления к 1 тонне топлива 50 г абразива в виде кварцевого порошка зернистостью 1–2 мкм [13]. Один час работы топливной аппаратуры в условиях с «запыленным» топливом соответствует 50 часам работы в условиях реального сельскохозяйственного производства.
Все испытание разбивалось на этапы продолжительностью по 10 ч (соответствует наработке 500 моточасов). После каждого этапа работы на стенде «запыленное» топливо заменяли на чистое. По истечению небольшого времени работы форсунки снимались со стенда и проводили контроль состояния распылителей. Для этого в лаборатории замерялся зазор между сопряженными деталями. Замер проводился ротаметром и оптикатором с ценой деления 0,2 мкм [14].
ПЛАНИРОВАНИЕ ЭКСПЕРИМЕНТА
Поскольку, в зависимости от времени работы меняется эффективное проходное сечение (1) и гидравлическая плотность (2), то эти параметры можно использовать для оценки износа в зависимости от наработки.
Уровни варьирования этих параметров представлены в таблице 1.
Таблица 1. Уровни варьирования гидравлической плотности и эффективного проходного сечения
Table 1. Levels of variation in hydraulic density and effective flow area
Гидравлическая плотность , с | Эффективное проходное сечение , мм2 | ||||||
верхний | основной | нижний | интервал | верхний | основной | нижний | интервал |
31 | 20 | 9 | 11 | 0,267 | 0,253 | 0,240 | 0,150 |
Для рассмотрения всех возможных сочетаний необходимо реализовать 9 вариантов (табл. 2).
Таблица 2. Матрица планирования эксперимента
Table 2. The design of experiment matrix
№ опыта | 1 | 2 | 3 | 4 | 5 | 6 | 7 | 8 | 9 |
, с | 31 | 31 | 31 | 20 | 20 | 20 | 9 | 9 | 9 |
, мм2 | 0,267 | 0,253 | 0,240 | 0,267 | 0,253 | 0,240 | 0,267 | 0,253 | 0,240 |
РЕЗУЛЬТАТЫ И ОБСУЖДЕНИЕ
Сравнительные результаты испытаний комплекта серийных и модернизированных распылителей при 10 часах работы на стенде (наработка 500 моточасов) представлены в таблице 3. В числителе представлены значения серийных форсунок, в знаменателе — модернизированных.
Таблица 3. Результаты испытаний форсунок 4 секций топливного насоса высокого давления в процессе 10 часов работы на стенде
Table 3. Test results of injectors of 4 sections of the high-pressure fuel pump during 10 hours of operation on the bench
Секция топливного насоса высокого давления | Наработка , мото-ч | Оцениваемый показатель | ||||
Давление впрыска , МПа | Качество распыления топлива*1 | Герметичность запирающего конуса*2 | Гидроплотность , с | Ход иглы, мм | ||
1 секция | 0 | 18/18 | +/+ | +/+ | 15/20 | 0,270/0,240 |
500 | 16,8/16,8 | +/+ | +/+ | 18/18 | 0,265/0,240 | |
2 секция | 0 | 18/18 | +/+ | +/+ | 16/16 | 0,265/0,235 |
500 | 17/17 | –/+ | –/+ | 15/17 | 0,255/0,235 | |
3 секция | 0 | 18/18 | +/+ | +/+ | 12/22 | 0,215/0,240 |
500 | 17/17 | +/+ | +/+ | 14/19 | 0,215/0,240 | |
4 секция | 0 | 18/18 | +/+ | +/+ | 18/18 | 0,265/0,270 |
500 | 16,9/16,9 | –/+ | –/+ | 16/16 | 0,265/0,270 | |
*1 «+» соответствует хорошему качеству распыления, «-» соответствует удовлетворительному качеству распыления топлива;
*2 «+» соответствует хорошей герметичности, «-» соответствует нарушению герметичности (начало подтекания).
Данные табл. 3 показывают, что после наработки 500 моточасов у серийных распылителей 2 и 4 секции топливного насоса высокого давления ухудшилась герметичность запирающего корпуса, что повлияло на качество распыления. Кроме того, у серийных форсунок наблюдается явное падение подвижности иглы после наработки 500 моточасов. В тоже время, у модернизированных распылителей практически не наблюдается изменение эксплуатационных параметров. Все модернизированные распылители показали соответствие техническим условиям.
По данным таблицы 3 была построена зависимость гидравлической плотности и эффективного проходного сечения в зависимости от наработки (см. рис. 6).
Рис. 6. Изменение гидравлической плотности и эффективного проходного сечения в зависимости наработки .
Fig. 6. Change in hydraulic density and effective flow area depending on operating time.
По результатам ускоренных лабораторных испытаний были построены зависимости гидравлической плотности для серийных и модернизированных форсунок (см. рис. 7).
Рис. 7. Изменение гидравлической плотности в зависимости от времени наработки в процессе ускоренных стендовых испытаний (1) модернизированных и (2) серийных распылителей.
Fig. 7. Change in hydraulic density depending on operating time during accelerated bench tests of (1) the upgraded and (2) the current nozzles.
В результате получено, что при наработке первых 500 мото-часов гидравлическая плотность возрастает в среднем на 20–35%. При наработке 1500–2500 мото-часов по причине износа гидравлической плотность начинает падать. Износ проявляется на сопряженных поверхностях иглы и корпуса распылителя.
После наработки в районе 2500–3000 мото-часов наступает резкое падение гидравлической плотности, которое проявляется в нарушении герметичности запирающего корпуса. Модернизированные распылители имеют предельно-допустимую гидравлическую плотность ( с) при наработке 4300 мото-часов. Указанное обстоятельство доказывает увеличение ресурса форсунки на 23% за счет использования винтового канала на направляющей части иглы.
ЗАКЛЮЧЕНИЕ
Для повышения рабочего ресурса дизельных форсунок предложено на направляющей части иглы нанести винтовой канал. Такое техническое решение приводит к возникновению осесимметричному давлению на иглу, что придает ей дополнительную устойчивость, снижает вероятность перекоса и зависания иглы. Новизна модернизированной конструкции иглы запатентована.
Сравнительные лабораторные испытания серийной и модернизованной конструкции распылителя дизельной форсунки показали, что серийных форсунок предельное значение гидравлической плотности наступает после наработки 2500 мото-часов и характеризуется нарушением герметичности. У модернизированных форсунок предельное значение гидравлической плотности наступает после наработки 4300 мото-часов, что позволяет говорить об увеличение ресурса на 23%.
ДОПОЛНИТЕЛЬНАЯ ИНФОРМАЦИЯ
Вклад авторов: А.Л. Болотоков — научная идея изобретения; непосредственное проведение самих лабораторных исследований; подготовка отчета о проделанной работе; И.П. Трояновская — выбор темы исследований; разработка методики эксперимента; помощь в обработке результатов; написание текста рукописи, редактирование окончательной версии статьи; перевод аннотации; А.С. Войнаш — изготовление опытных образцов модернизированных распылителей; поиск публикаций по теме статьи; отработка изображений. Авторы подтверждают соответствие своего авторства международным критериям ICMJE (все авторы внесли существенный вклад в разработку концепции, проведение исследования и подготовку статьи, прочли и одобрили финальную версию перед публикацией).
Конфликт интересов. Авторы декларируют отсутствие явных и потенциальных конфликтов интересов, связанных с проведенным исследованием и публикацией настоящей статьи.
Источник финансирования. Авторы заявляют об отсутствии внешнего финансирования при проведении исследования и подготовке публикации.
ADDITIONAL INFORMATION
Authors’ contribution. A.L. Bolotokov — the scientific idea of the invention; direct conduct of laboratory research; preparation of a report on the work done; I.P. Troyanovskaya — choosing a research topic; development of the experimental methodology; assistance in results processing; writing the text of the manuscript, editing the final version of the article; translation of the abstract; A.S. Voinash — production of prototypes of upgraded nozzles; search for publications on the topic of the article; making figures. All authors made a substantial contribution to the conception of the work, acquisition, analysis, interpretation of data for the work, drafting and revising the work, final approval of the version to be published and agree to be accountable for all aspects of the work.
Competing interests. The authors declare no any transparent and potential conflict of interests in relation to this article publication.
Funding source. The present study was not supported by any external sources of funding.
About the authors
Anzor L. Bolotokov
Kabardino-Balkarian State Agrarian University
Email: anzor.n@Inbox.ru
ORCID iD: 0000-0002-2977-4072
SPIN-code: 7116-4270
Cand. Sci. (Engineering), Associate Professor of the Technology for Maintenance and Repair of Machines in the Agricultural Industry Department
Russian Federation, NalchikIrina P. Troyanovskaya
South Ural State University; South Ural State Agrarian University
Author for correspondence.
Email: tripav63@mail.ru
ORCID iD: 0000-0003-2763-0515
SPIN-code: 6845-7532
Honorary Mechanical Engineer of the Russian Federation, Professor, Dr. Sci. (Engineering), Professor of the Tractors, Agricultural Machinery and Arable Farming Department, Professor of the Wheeled and Tracked Vehicles Department
Russian Federation, Chelyabinsk; TroitskSergey A. Voinash
Kazan Federal University
Email: sergey_voi@mail.ru
ORCID iD: 0000-0001-5239-9883
SPIN-code: 9532-4604
Junior Researcher at the Intelligent Mobility Laboratory of the Institute of Design and Spatial Arts
Russian Federation, KazanReferences
- Krasnokutsky VV, Rusanov MA, Troyanovskaya IP. Diesel engine power systems. Part 1. Назначение и конструкция. Purpose and design. Chelyabinsk: YuUrGU; 2017. 72 p. (in Russ).
- Krasnokutsky VV, Rusanov MA, Troyanovskaya IP. Diesel engine power systems. Part 2. High pressure fuel pumps. Chelyabinsk: YuUrGU; 2017. 61 p. (in Russ).
- Apazhev AK, Shekikhachev YA, Batyrov VI, Shekikhacheva LZ. Influence of non-uniformity of fuel supply parameters on diesel engine performance. J. Phys.: Conf. Ser. 2020;1678:42063. doi: 10.1088/1742-6596/1679/4/042063
- Gurin TYu. Increasing the durability of automotive diesel injectors by modernizing nozzles: abstract of thesis [dissertation abstract] Novosibirsk; 2010. (in Russ).
- Batyrov VI, Gubzhokov HL, Bolotkov AL. Features of the diesel engine in high -mountain conditions. Rural machine operator. 2017;2:20–25. (in Russ).
- Batyrov VI, Bolotkov AL. Increasing the reliability of diesel injector atomizer operation. Technology in agriculture. 2012;3:12–15. (in Russ).
- Markov V, Devyanin S, Kamaltdinov V, Sa B. Improvement of Design of Diesel Injector Nozzles. IOP Conf. Ser.: Earth Environ. Sci. 2021;678(1):012008. doi: 10.1088/1755-1315/678/1/012008
- Bolotokov A, Gubzhokov H, Ashabokov K, et al. Improving the Fuel Efficiency of an Agricultural Tractor Diesel Engin. E3S Web of Conferences. 2023;411:01045. doi: 10.1051/e3sconf/202341101045
- Patent RUS 2231673 / 27.06.2004. Bull. 15. Khashirov YuM, Bugov KhU, Bolotokov AL. Diesel injector atomizer. (in Russ). EDN: QICOPD
- GOST 18509-88. Tractor and combine diesel engines. Bench test methods. Moscow: Izd-vo standartov; 1988. (in Russ).
- GOST 305-82. Diesel fuel. Technical conditions. Moscow : Izd-vo standartov; 1982. (in Russ).
- GOST 10579-88. Diesel injectors. General technical conditions. Moscow : Izd-vo standartov; 1988. (in Russ).
- GOST 3647-80. Grinding materials. Classification. Grain size and grain composition. Moscow : Izd-vo standartov; 1980. (in Russ).
- Veselovsky A, Troyanovskaya I, Syromyatnikov Y, et al. Features of Wear of Gears of Agricultural Machinery. Acta Technologica Agriculturae. 2023;4:207–214. doi: 10.2478/ata-2023-0028
Supplementary files










