Ensuring reliability of hydraulic systems of road construction machines
- 作者: Pugin K.G.1,2, Shayakbarov I.E.1
-
隶属关系:
- Perm National Research Polytechnic University
- Perm State Agrarian and Technological University named after Academician D.N. Pryanishnikov
- 期: 卷 92, 编号 2 (2025)
- 页面: 176-184
- 栏目: Quality, reliability
- ##submission.dateSubmitted##: 01.05.2024
- ##submission.dateAccepted##: 25.03.2025
- ##submission.datePublished##: 21.03.2025
- URL: https://journals.eco-vector.com/0321-4443/article/view/630654
- DOI: https://doi.org/10.17816/0321-4443-630654
- EDN: https://elibrary.ru/OACLUG
- ID: 630654
如何引用文章
详细
BACKGROUND: Modern construction and agricultural machines have a hydraulic system that controls the working equipment. The reliability and long service life of the hydraulic system determines the reliability of the entire machine as a whole. Main of reasons for the failure of hydraulic systems are contamination of the working fluid with wear products of the internal surfaces of hydraulic machines, external contaminants, and changes in the properties of the working fluid. The filters currently used cannot always clean the working fluid during machine operation. The degree of cleaning of the working fluid depends not only on the fineness of filtration, but also on the features of the circulation of the working fluid circulation. Currently, insufficient attention is paid to the design of hydraulic systems, in particular to the mutual arrangement of individual elements of hydraulic systems.
AIM: Increasing the reliability of the hydraulic drive of construction and agricultural machines by assessing and preventing the possibility of forming incomplete circulation of the working fluid.
MATERIALS AND METHODS: The study object is a hydraulic system in which a hydraulic cylinder is installed. To evaluate the circulation of the working fluid in the hydraulic lines of the hydraulic system during the operation of the hydraulic cylinder operation, a hydraulic cylinder with a piston diameter of 100 mm, high-pressure hoses with an internal diameter of 8 mm and a length of 0.7 m to 8 m were used. A filter was provided in the hydraulic system for cleaning the working fluid, which was installed on the drain line. The assessment was made using the calculation method.
RESULTS: It was found that the quality of cleaning the working fluid of hydraulic systems when using hydraulic cylinders in them is affected by the ratio of the volumes in the piston and rod cavities to the volumes in the hydraulic lines that link these cavities with the distributor. It is proposed to use the distance coefficient to check the possibility of complete cleaning of the working fluid. Several technical solutions are proposed to eliminate the formation of zones in which complete circulation of the working fluid does not occur.
CONCLUSION: The reliability of hydraulic systems of construction and agricultural machines can be increased by improving the circulation of the working fluid. To do this, when designing hydraulic systems, it is necessary to take into account in advance the features of the circulation of the working fluid from hydraulic motors to distributors.
全文:
Обоснование
Для достижения национальных целей развития, исходя из стратегий социально-экономического развития Российской Федерации, принят ряд государственных программ, нацеленных на развитие транспортной инфраструктуры, обороноспособности страны, сельского хозяйства, жилищного строительства, восстановление и социально-экономическое развитие Донецкой Народной Республики, Луганской Народной Республики, Запорожской области и Херсонской области. При решении задач, поставленных в государственных программах, требуется использование большого количества строительных, сельскохозяйственных и специальных машин (СМ) различного назначения, которые должны эксплуатироваться в сложных природно-климатических условиях. Большие объёмы работ и сжатые сроки реализации государственных программ предъявляют повышенные требования к надёжности машин. Выполнение многих видов работ связано с сезонностью, что дополнительно ограничивает сроки производственной эксплуатации. Удалённость объектов строительства от баз обслуживания техники также предъявляет, дополнительные требования к обеспечению надёжности и увеличению ресурса работы. При выходе СМ из строя увеличивается время ремонта СМ, что может привести к срыву сроков выполнения работ.
Одной из основных систем строительных, сельскохозяйственных и других специализированных машин, включая военные, является гидравлическая система. Для обеспечения безотказного функционирования этой системы, необходимо учитывать множество факторов, которые взаимосвязаны между собой и зачастую имеют случайный характер. Разнообразие факторов, которые характеризуют условия эксплуатации и которые оказывают влияние на надёжность, сводятся к двум группам: внутренние и внешние. Внутренние факторы включают в себя качество и состояние компонентов системы, таких как насосы, клапаны, гидроцилиндры и трубопроводы. Неправильная установка или износ этих компонентов может привести к утечкам, снижению производительности или поломке системы в целом. Внешние факторы включают в себя условия эксплуатации, в которых машина работает, такие как температура окружающей среды, загрязнение и влажность. Высокая температура или наличие агрессивных веществ в окружающей среде могут привести к деградации масла и повреждению компонентов системы. Кроме того, недостаточное обслуживание и неправильная эксплуатация также могут оказывать негативное влияние на надёжность гидравлических систем. Регулярная проверка и замена фильтров, очистка системы от загрязнений и правильное использование масла и гидравлических жидкостей являются важными мерами по поддержанию надёжности системы [1–3]. Для обеспечения надёжного и безотказного функционирования гидравлических систем СМ также рекомендуется проводить регулярное обучение и подготовку операторов. Неправильное использование системы или неправильное выполнение операций может привести к излишнему напряжению на компоненты системы и, в конечном счете, к их поломке. Таким образом, надёжность гидравлических систем СМ зависит от множества факторов, включая качество компонентов, условия эксплуатации, обслуживание и правильное использование системы. При учёте всех этих факторов можно обеспечить стабильную работу системы и предотвратить внезапные выходы из строя, снижение ресурса наработки до капитального ремонта машины [4–7].
Цель работы
Целью работы является разработка технических условий повышения надёжности гидравлических систем строительных, сельскохозяйственных и специализированных машин на основе анализа циркуляции рабочей жидкости.
Методы
Дизайн исследования
Объектом исследования выступила гидросистема, в которой установлен гидроцилиндр. Для оценки циркуляции рабочей жидкости по гидролиниям гидросистемы при работе гидроцилиндра использовался гидроцилиндр с диаметром поршня 100 мм, рукава высокого давления с внутренним диаметром 8 мм и длиной от 0,7 м до 8 м. В гидросистеме для очистки рабочей жидкости был предусмотрен фильтр, который был установлен на сливной магистрали. Оценка объёмов рабочей жидкости была произведена расчётным методом.
Критерии соответствия
При анализе циркуляции рабочей жидкости принято допущение, что течении жидкости в гидролиниях осуществляется постоянно в ламинарном режиме, перемешивание отдельных, соседних слоев не учитывается. При моделировании не учитывались: жёсткость материалов гидролиний; изменение давления рабочей жидкости; скорость движения жидкости в гидролиниях при перемещении поршня.
Результаты
Объекты (участники) исследования
В гидроприводе СМ находится множество элементов, обеспечивающие те или иные функции, соответственно общая надежность гидропривода складывается из надежности всех ее элементов. Но в то же элементы гидросистем довольно требовательны к чистоте рабочей жидкости, несмотря на высокую наработку до отказа, данные элементы могут быть выведены из строя довольно быстро. Около 80 % отказов гидропривода связанно с загрязнением рабочей жидкости, а это значит, что обеспечить надёжность гидропривода строительно-дорожных машин можно посредством обеспечения контроля за состоянием рабочей жидкости [8–10].
Изучением работы гидравлических систем занимаются многие ученые (В. В. Кузнецов К. А. Ананьев, В.Ф. Ковалевский, О. И. Попова, М. И. Попова, С. Л. Новокщенов и др.). Согласно исследованиям, основанным на статистических данных, полученных от предприятий, эксплуатирующих строительно-дорожные, железнодорожные, лесовозные и сельскохозяйственные машины, наиболее подверженными отказу элементами гидропривода являются гидравлические линии, насосы, уплотнения, гидромоторы и распределяющие устройства. Данные, используемые авторами для своих исследований, были получены при эксплуатации техники в неблагоприятных условиях, особенно по климатическим показателям и запыленности. На основании полученных результатов авторы сделали выводы, что количество отказов гидравлических линий зависит от культуры эксплуатации техники и продуманности размещения гидравлических линий при проектировании (трение рукавов высокого давления об элементы машин), а также от состояния эксплуатационных материалов, в частности, состояние рабочей жидкости [10-19].
Стоит отметить, что авторами настоящей статьи не рассматривается такой фактор, как взаимное расположение компонентов гидравлической системы, в частности удалённость одного элемента относительно другого. К примеру, взаиморасположение элементов гидросистемы на современных бульдозерах или мини-погрузчиках можно охарактеризовать как компактное, элементы находятся в непосредственной близости друг от друга. Однако имеются виды техники, в которой компоненты гидравлики расположены на большом удалении, например, экскаваторы, автогрейдеры и т.д.
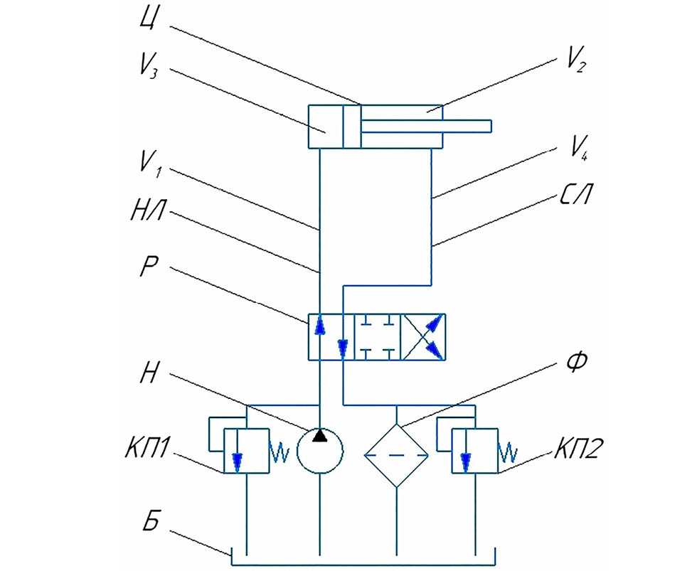
Взаимное расположение элементов гидросистемы в той или иной степени влияет на циркуляцию рабочей жидкости внутри гидравлической системы. В свою очередь «правильная» циркуляция рабочей жидкости в системе обеспечивает своевременное удаление загрязнителей различного рода от мест их образования и очистку рабочей жидкости, тем самым повышая срок службы агрегатов и повышая надёжность техники в целом. Для пояснения рассмотрим движение рабочей жидкости по гидролиниям между отдельными компонентами на примере гидропривода, имеющего в своем составе гидроцилиндр рис. 1.
Рис. 1. Гидравлическая схема с гидроцилиндром: Б — гидробак; Н — насос, Р — гидрораспределитель, НЛ — напорная гидролиния, Ц — гидроцилиндр, СЛ — сливная гидролиния, Ф — фильтр, КП1 и КП2 — предохранительные клапаны; V1 — объём жидкости в напорной гидролинии, V2 — объём жидкости в сливной гидролинии, V3 — объём поршневой полости гидроцилиндра; V4 — объём штоковой полости гидроцилиндра.
Fig. 1. Hydraulic circuit with a hydraulic cylinder: Б: a hydraulic tank; H: a pump, Р: a hydraulic distributor, НЛ: a pressure hydraulic line, Ц: a hydraulic cylinder, СЛ: a drain hydraulic line, Ф: a filter, KП1 and KП2: safety valves; V1: volume of liquid in the pressure hydraulic line, V2: volume of liquid in the drain hydraulic line, V3: volume of the piston cavity of the hydraulic cylinder; V4: volume of the rod cavity of the hydraulic cylinder.
Движение рабочей жидкости в гидравлических системах с гидроцилиндрами имеет возвратно-поступательный характер. Для осуществления движение штока гидроцилиндра, рабочая жидкость нагнетается и сливается из соответствующих полостей гидроцилиндра. На сливной линии СЛ устанавливается фильтр Ф, который очищает рабочую жидкость перед её сливом в гидробак Б. При удалении гидроцилиндра от распределителя, при котором объем жидкости V1 в трубопроводе НЛ стает больше, чем объём жидкости V3 в поршневой полости гидроцилиндра Ц, при втягивании штока объем жидкости V1 из трубопровода НЛ будет вытесняться рабочей жидкостью из поршневой полости в направлении распределителя и фильтра. В виду того, что V1>V3, объём жидкости V3 только частично займет объём трубопровода НЛ. При последующем выдвижении штока, объём V3 (который был вытеснен в трубопровод из поршневой полости гидроцилиндра) находящийся в трубопроводе НЛ будет вытеснен из трубопровода НЛ обратно в поршневую полость гидроцилиндра.
Такое же движение рабочей жидкости будет характерно и для рабочей жидкости находящейся в штоковой полости гидроцилиндра (при V2>V4). Таким образом, формируется замкнутый (тупиковый) контур гидросистемы, при котором рабочая жидкость не проходит через фильтр и не очищается от загрязнений, которые попадают в гидроцилиндр извне и при износе элементов гидроцилиндра.
При такой организации движения рабочей жидкости, частицы загрязнений, не будут уловлены фильтрующим элементом фильтра Ф гидросистемы. Накапливаясь в данной части гидросистемы, частицы загрязнений будут увеличивать скорость износа элементов гидроцилиндра. Значительное накопление загрязнителя по объёму может привести к внезапному выходу из строя гидроцилиндра.
Основные результаты исследования
Циркуляцию рабочей жидкости в отдельных контурах гидросистем, на предмет поддержания необходимого уровня её чистоты. можно оценить на этапе проектирования, используя отношения объемов поршневой и штоковой полостей гидроцилиндра к объёмам соответствующих гидролиний. Для такой оценки нами предлагается введение коэффициента удаленности гидравлического компонента kудал , позволяющего определить зоны гидросистем с неполной циркуляцией рабочей жидкости. Это даёт возможность на этапе проектирования и трассировки гидравлических линий внести необходимые изменения и исключить формирование «тупиковых» зон за счёт формирования дополнительных линий движения рабочей жидкости или изменения расположения распределительной аппаратуры, фильтрующих элементов.
Коэффициент удаленности kудал представляет собой отношение объёма жидкости в напорной линии гидросистемы (V1) к объему жидкости в исполнительном органе (V3), что позволяет определять вероятность образования участков гидравлической системы, где при работе машины возможно появление недостаточной циркуляции рабочей жидкости — «тупиковых» зон.
Коэффициент удалённости можно использовать как при расчёте работы гидроцилиндра на выдвижение штока (рис. 2), так и при его втягивании (рис. 3).
Рис. 2. Гидроцилиндр при выдвижении штока.
Fig. 2. The hydraulic cylinder when the rod is extended.
Рис. 3. Гидроцилиндр при втягивании штока.
Fig. 3. The hydraulic cylinder when the rod is retracted.
При расчёте коэффициента в процессе выдвижения штока определяется отношение объёмов жидкостей, заключенных в поршневой полости гидроцилиндра и в рукаве высокого давления от гидрораспределителя до гидроцилиндра:
где V1 — объём напорной линии; V3 — объём поршневой полости в гидроцилиндре; Dвнут — внутренний диаметр гидроцилиндра; Lход — ход поршня; Dрвд — внутренний диаметр рукава высокого давления; Lрвд — длина гидролинии от гидрораспределителя до гидроцилиндра.
При расчёте коэффициента удалённости в момент втягивания штока (рис. 3) необходимо учитывать участок штока в штоковой полости гидроцилиндра.
В этом случае расчётная формула для определения коэффициента удаленности примет следующий вид:
где V1 — объём напорной линии; V3 — объём поршневой полости в гидроцилиндре; Dвнут — внутренний диаметр гидроцилиндра; dш — диаметр штока гидроцилиндра; Lход — ход поршня; Dрвд — внутренний диаметр рукава высокого давления; Lрвд — длина гидролинии от гидрораспределителя до гидроцилиндра.
Для наглядности произведем расчёт системы, включающей себя гидравлическую линию и исполнительный орган в виде гидроцилиндра двухстороннего действия (см. рис. 1). Вычисление будет производится для варианта с выдвижением штока гидроцилиндра, а в качестве исходных данных принимаем диаметр поршня гидроцилиндра 100 мм, ход поршня варьируется от 50 до 200 мм, гидравлическая линия от распределителя до исполнительного органа представлена рукавом высокого давления (РВД), диаметр которого составляет 8 мм, а длина линии варьируется от 500 до 3000 мм, что соответствует длине РВД различных типов техники (погрузчик, бульдозер, экскаватор).
Полученные в ходе подстановки и расчёта в формулу (1) данные сведём в табл. 1.
Таблица 1. Расчёт вероятности неполной циркуляции
Table 1. Calculation of the probability of incomplete circulation
Ход поршня, мм | Объём вытесняемой жидкости, мм3 | Длина РВД, мм | Объём полости РВД, мм3 | Вероятность, % |
50 | 392500 | 700 | 35168 | 9 |
50 | 392500 | 1500 | 75360 | 19 |
50 | 392500 | 3000 | 150720 | 38 |
50 | 392500 | 8000 | 401920 | 102 |
100 | 785000 | 700 | 35168 | 4 |
100 | 785000 | 1500 | 75360 | 10 |
100 | 785000 | 3000 | 150720 | 19 |
100 | 785000 | 8000 | 401920 | 51 |
200 | 1570000 | 700 | 35168 | 2 |
200 | 1570000 | 1500 | 75360 | 5 |
200 | 1570000 | 3000 | 150720 | 10 |
200 | 1570000 | 8000 | 401920 | 25 |
Из расчёта можно сделать выводы, что при заданных условиях вероятность возникновения затрудненной циркуляции минимальна при больших значениях хода поршня и малых длин РВД. Полученная вероятность затрудненной циркуляции, имеет физический смысл, который показывает какой объём (в процентах) жидкости не будет проходить в сливную линию гидросистемы и не получит очистку. При этом, максимальная вероятность возникает при малых значениях ходя поршня и больших длин РВД (ход поршня 50 мм и длинная РВД 8000 мм). Возможен случай, при котором очистка рабочей жидкости из полости цилиндра не будет проходить очистку на фильтре вследствие её возвратно поступательного движения из полости в РВД и обратно (ход поршня 50 мм и длинная РВД 8000 мм). Это приведёт к накапливанию частиц износа в полостях гидроцилиндра, ускорится процесс «старения» рабочей жидкости, снизятся смазочные свойства. Вместе с тем, будет нарушен тепловой баланс на этом участке, так как гидравлическая жидкость не будет передавать тепло в атмосферу через радиатор охлаждения.
Обсуждение
Одним из решений проблемы затрудненной циркуляции рабочей жидкости может быть установка дополнительных или более эффективных фильтрующих элементов в гидравлическую систему. Это позволит более эффективно задерживать частицы и предотвращать их негативное воздействие на приводы. Также, важно регулярно проверять и обслуживать гидравлическую систему, чтобы обнаружить и устранить возможные проблемы с циркуляцией. Регулярная замена фильтрующих элементов и контроль уровня чистоты рабочей жидкости помогут поддерживать оптимальное функционирование системы. В идеале, разработчики гидравлических систем должны учитывать возможность неполноценной циркуляции при проектировании и выборе компонентов системы. Это поможет избежать проблем, связанных с протяженностью гидролиний и обеспечит более эффективную работу системы в целом.
Кроме того, затруднённую циркуляцию рабочей жидкости можно избежать путём конструктивных изменений в гидравлической системе машины.
Одним из вариантов изменения конструкции гидравлической системы для минимизации влияния затрудненной циркуляции является установка дополнительных фильтрующих элементов. На рис. 4 представлена условная схема оборудования для фильтрации рабочей жидкости в узлах с затрудненной циркуляцией рабочей жидкости. В данной компоновке присутствуют обратные клапаны 2, которые направляют потоки жидкости, вытесняемой из гидроцилиндра 1, через фильтры 3, исключая реверс потока через фильтроэлемент. Рабочая жидкость, вытесняемая из гидроцилиндра, очищается в фильтре, что снижает интенсивность износа и вероятность выхода из строя узла.
Рис. 4. Установка дополнительных фильтрующих элементов: 1 — гидроцилиндр; 2 — обратные клапана; 3 — фильтрующие элементы.
Fig. 4. Installation of additional filtering elements: 1: a hydraulic cylinder; 2: check valves; 3: filter elements.
При изучении процесса формирования затрудненной циркуляции рабочей жидкости в гидросистемах системе было выявлено, что затруднённой участок характеризуется отношением объёмов жидкости, заключенной в рабочей полости и объёмом жидкости в гидролинии, ведущей от органа управления до исполнительного органа.
Следовательно, можно сделать вывод, что для улучшения процесса циркуляции рабочей жидкости на данном участке, необходимо уменьшить объём жидкости в гидролинии. Логичным шагом для этого будет перенос гидрораспределителя как можно ближе к исполнительному органу (рис. 5).
Рис. 5. Изменение месторасположения органа управления: 1 — напорная линия; 2 — сливная линия, 3 — гидрораспределитель; 4 — гидроцилиндр.
Fig. 5. Changing the location of the control element: 1: a pressure line; 2: a drain line, 3: a hydraulic distributor; 4: a hydraulic cylinder.
В этом случае практически вся жидкость, поступающая из насоса к распределителю, будет при всех режимах работы попадать в гидробак, проходя через фильтр. Это позволит существенно повысить качество очистки гидравлической жидкости в части наличия механических примесей, что в свою очередь повысить ресурс элементов гидросистемы и обеспечить надёжность работы гидравлической системы в целом.
Управление гидрораспределителем при штатном расположении происходит в ручном режиме при помощи рычагов. При переносе распределителя управление будет производиться при помощи электромагнитов по сигналу от джойстика. Для этого необходимо обеспечить укладку дополнительных электролиний или же обеспечить беспроводную работу данного узла.
Заключение
Обеспечение надёжности гидросистем может быть обеспечена использованием качественных конструкционных материалов, эффективных методов эксплуатации СМ включая техническое обслуживание. Одной из задач, которую необходимо решить при производственной эксплуатации это обеспечение чистоты рабочей жидкости, которая в значительной степени определяет надёжность и ресурс работы гидравлической системы. При работе гидропривода рабочая жидкость должна проходить через фильтры, при неполной циркуляции рабочей жидкости часть объёма рабочей жидкости не проходит через фильтры, накапливая в своём составе загрязнители. Увеличение загрязнителей в составе рабочей жидкости в разы повышает скорость износа в элементах гидросистемы.
Проблему циркуляции рабочей жидкости можно исключить ещё на этапе проектирования. Достаточно при расчётах гидравлических систем заранее учитывать вопрос недостаточной циркуляции в местах расположения исполнительных органов гидравлических систем новых строительно-дорожных и транспортно-технологических машин. Для этого необходимо производить предварительный расчёт коэффициента удаленности kудал. Данный коэффициент позволит определить вероятность образования участка гидросистемы с недостаточной циркуляцией рабочей жидкости. Исключение появления данных участков в гидравлических системах поможет сохранить чистоту рабочей жидкости и продлить срок службы гидравлической системы без использования дополнительных технических устройств.
Ввиду того что в расчёте предложенного коэффициента удалённости узла не учитывались параметры потока рабочей жидкости, влияние скорости и давления предложенная методика его расчёта носит предварительный характер. Однако, как показали натурные испытания на стенде и моделирование в циркуляции рабочей жидкости в гидролиниях в ANSYS Fluent расхождение между расчётными и натурными испытаниями составили не больше 4–6%.
Предложенный технические решения по организации полной циркуляции рабочей жидкости позволяют повысить степень очистки рабочей жидкости и обеспечить повышение надёжности гидросистемы. Это будет актуально для СМ, работающих в запылённых условиях промышленных предприятий, в условиях пустынь, подземных выработок.
Дополнительная информация
Вклад авторов. К.Г. Пугин — формирование идеи оценки возникновения затрудненной циркуляции рабочей жидкости и ее влияние на надежность гидросистемы, написание текста и редактирование статьи; И.Э. Шаякбаров — обзор литературы, сбор и анализ литературных источников, подготовка и написание текста статьи проведение расчетов; все авторы одобрили рукопись (версию для публикации), а также согласились нести ответственность за все аспекты работы, гарантируя надлежащее рассмотрение и решение вопросов, связанных с точностью и добросовестностью любой её части.
Этическая экспертиза. Неприменимо.
Источники финансирования. Отсутствуют.
Раскрытие интересов. Авторы заявляют об отсутствии отношений, деятельности и интересов за последние три года, связанных с третьими лицами (коммерческими и некоммерческими), интересы которых могут быть затронуты содержанием статьи.
Оригинальность. При создании настоящей работы авторы не использовали ранее опубликованные сведения (текст, иллюстрации, данные).
Доступ к данным. Редакционная политика в отношении совместного использования данных к настоящей работе не применима, новые данные не собирали и не создавали.
Генеративный искусственный интеллект. При создании настоящей статьи технологии генеративного искусственного интеллекта не использовали.
Рассмотрение и рецензирование. Настоящая работа подана в журнал в инициативном порядке и рассмотрена по обычной процедуре. В рецензировании участвовали один внешний рецензент, член редакционной коллегии и научный редактор издания.
Additional information
Author contributions: K.G. Pugin: development of the idea of assessing the occurrence of difficult circulation of the working fluid and its impact on the reliability of the hydraulic system, writing and editing the text of the manuscript; I.E. Shayakbarov: literature review, collection and analysis of literary sources, preparation and writing of the text of the manuscript, calculations. Thereby, all authors made a substantial contribution to the conception of the work, acquisition, analysis, interpretation of data for the work, drafting and revising the work, final approval of the version to be published and agree to be accountable for all aspects of the work.
Ethics approval: Not applicable.
Funding sources: No funding.
Disclosure of interests: The authors have no relationships, activities or interests for the last three years related with for-profit or non-profit third parties whose interests may be affected by the content of the article.
Statement of originality: In creating this work, the author did not use previously published information (text, illustrations, data).
Data availability statement: Editor’s policy in terms of collective use of data is not applicable to this paper, any new data are neither collected nor created.
Generative AI: Generative AI technologies were not used for this article creation.
Provenance and peer-review: The paper was submitted to the journal in a proactive way and was reviewed according to the standard procedure. One external reviewer, a member of the editorial board and the scientific editor of the journal took part in the review.
作者简介
Konstantin Pugin
Perm National Research Polytechnic University; Perm State Agrarian and Technological University named after Academician D.N. Pryanishnikov
Email: 123zzz@rambler.ru
ORCID iD: 0000-0002-1768-8177
SPIN 代码: 7972-1668
Dr. Sci. (Engineering), Assistant Professor
俄罗斯联邦, Perm; PermIlnur Shayakbarov
Perm National Research Polytechnic University
编辑信件的主要联系方式.
Email: ilnur199459@gmail.com
ORCID iD: 0009-0009-8829-2901
SPIN 代码: 6547-2428
senior lecturer
俄罗斯联邦, Perm参考
- Pugin KG, Shajakbarov IJe. Improving the reliability of hydraulic systems of construction and road machines operated in the winter period in the Arctic zone of the Russian Federation. Bulletin of the Saint Petersburg State University of Technology and Design. Series 1: Natural and technical sciences. 2022;(1):154–162. (In Russ.) doi: 10.46418/2079-8199_2022_1_23
- Maslov NA. Analysis of failures of plastic hydraulic machines of railway equipment caused by contamination of solid particles, dehydration, oil humidity and use of non-solid oils. Bulletin of the Siberian State Transport University. 2017;(3):55–64. (In Russ.) EDN: ZSMGZD
- Kotomchin AN, Kornejchuk NI. The influence of operating conditions of road construction machines and specialized vehicles on the service life of their components and assemblies. Technical service of machines. 2019:(2):135–142. (In Russ.) EDN: QWSLRJ
- P’janzov SV. Methodology for dynamic assessment of technical condition of volumetric hydraulic drives. News of the Saint Petersburg State Agrarian University. 2019;(2):184–191. (In Russ.) doi: 10.24411/2078-1318-2019-12184
- Sazonova, SA. Evaluation of the reliability of hydraulic systems based on performance indicators. Bulletin of the Voronezh Institute of High Technologies. 2016;(1):37–39. (In Russ.) EDN: WJKOMH
- Fedorov VK, Ivanov SP. Improving the reliability of hydraulic drives for road construction machines. Construction and road machinery. 2021;(2):12–17. (In Russ.) doi: 10.31044/1684-2561-2022-0-10-31-34
- Miller AP. Improving the reliability of hydraulic systems of construction and road machinery. Transport. Transport facilities. Ecology. 2020;(4):45–51. (In Russ.) doi: 10.15593/24111678/2020.04.05
- Ng F, Harding JA, Glass J. Improving hydraulic excavator performance through in line hydraulic oil contamination monitoring. Mechanical Systems and Signal Processing. 2017;(83):176–193. doi: 10.1016/j.ymssp.2016.06.006
- Cheng ChF, Rashidi A, Davenport MA, Anderson DV. Activity analysis of construction equipment using audio signals and support vector machines, Automation in construction. 2017;81:240–253. doi: 10.1016/j.autcon.2017.06.005
- Avrunin G.A., Moroz I.I. Analysis of the use of working fluids in volumetric hydraulic drives of mobile machines. Bulletin of the National Technical University “Kharkiv Polytechnic University”. 2018;38:73–80. EDN: NUUAVP
- Aliboev BA. Reliability of tractor hydraulic systems in the context of the cleanliness of the working fluid. Tractors and agricultural machinery. 2015;(6):26–29. (In Russ.) EDN: TXOXZZ
- Savić V., Knežević D., Lovrec D., et al. Determination of pressure losses in hydraulic pipeline systems by considering temperature and pressure. Strojniškivestnik – Journal of Mechanical Engineering. 2009;55(4):237–243.
- Reliability-based maintenance scheduling of hydraulic system of rotary drilling machines / Mohammad Javad Rahimdel, Mohammad Ataei, Reza Khalokakaei, Seyed Hadi Hoseinie. International Journal of Mining Science and Technology. 2013;23(5):771–775. doi: 10.1016/j.ijmst.2013.08.023
- Sliwinski P. The methodology of design of axial clearances compensation unit in hydraulic satellite displacement machine and their experimental verification. Archives of Civil and Mechanical Engineering. 2019;19(4):1163–1182. doi: 10.1016/j.acme.2019.04.003
- Addison A, Vacca A, Cristofori D. Active Vibration Damping in Hydraulic Construction Machinery. Procedia Engineering. 2017;176:514–528. doi: 10.1016/j.proeng.2017.02.351
- Energy saving of cutterhead hydraulic drive system of shield tunneling machine / Hu Shi, Huayong Yang, Guofang Gong, Huaiyin Liu, Dianqing Hou. Automation in Construction. 2014;37:11–21. doi: 10.1016/j.autcon.2013.09.002
- Muraki M, Kinbara E, Konishi T. A laboratory simulation for stick-slip phenomena on the hydraulic cylinder of a construction machine. Tribology international. 2003;36(10):739–744. doi: 10.1016/S0301-679X(03)00054-9
- Min’ NCh. Improving the reliability of hydraulic systems of construction machines using remote diagnostics. Gruzovik. 2022;(11):32–34. (In Russ.) doi: 10.36652/1684-1298-2022-11-32-34
- Zorin VA, Min’ NCh, Nefelov IS. Improving the reliability of hydraulic systems of construction machines using technical diagnostics methods. Vestnik MADI. 2020;(3):24–30. (In Russ.) EDN: WLLLJA
补充文件








