Justification of the form and parameters of the new sorting device for grain materials
- Authors: Isgandarzada E.B.1, Abbasov B.A.1, Ahmadli S.V.1, Islamova U.R.1
-
Affiliations:
- Azerbaijan Technical University
- Issue: Vol 88, No 4 (2021)
- Pages: 55-62
- Section: Articles
- Submitted: 08.11.2021
- Published: 15.08.2021
- URL: https://journals.eco-vector.com/0321-4443/article/view/87328
- DOI: https://doi.org/10.31992/0321-4443-2021-4-55-62
- ID: 87328
Cite item
Full Text
Abstract
The article is devoted to the substantiation of the shape and parameters of a new sorting device for granular materials. The materials of the article substantiate the relevance of the proposed new device, which has a great place in mechanical engineering and agricultural production.
The shape, design parameters and modes of operation of various elements with different: sorting assortment and efficiency indicators were substantiated taking into account the relevance of the device. For this purpose, a new auger sorting device was developed. It was equipped with various automation devices to increase productivity. The satisfactory results were obtained. This sorting device, equipped with an automatic regulator, received a patent from the Copyright Agency of Azerbaijan Republic.
The proposed device does not create conditions for pollution of the production area, it has competitive advantages and high rates of technical and economic efficiency.
Keywords
Full Text
Введение
Одной из трудоемких операций в аграрном секторе, а также в отраслях тяжелой и легкой промышленности является сортировка зернистых материалов. Имеющиеся в настоящее время устройства обладают низкими технологическими и экономическими возможностями, что ограничивает их использование. Особенно важно отметить, что работа определенных типов сортировочных устройств требует значительных затрат времени на их регулирование. При этом они не имеют возможности разделения продуктов на несколько равных частей и фракции.
Результаты теоретических и экспериментальных исследований, проведенных для улучшения технологических, экономических и эксплуатационных характеристик сортировочных устройств, позволяют сделать следующий вывод: обеспечение универсальности таких устройств ‒ возможности сортировки материалов, различающихся по форме, физико-механическим характеристикам ‒ является решающим. Модернизированные сортировочные устройства следует использовать для сортировки зернистого (имеющего способность к текучести) пищевого сырья, а также других продуктов, получаемых на предприятиях как тяжелой, так и легкой промышленности.
Сортировка зернистого материала (бобов, гороха, ядрицы фундука и т.д.) по габаритным размерам актуальна в различных процессах подготовки посевного материала [1‒4]. В пищевой промышленности при производстве различных кондитерских изделий также большое значение имеет сортировка пищевых продуктов по форме и размерам. Аналогичные требования предъявляются к сортировке продукции, производимой в машиностроении, легкой промышленности и т.д., что подтверждает актуальность данной проблемы.
Высокая стоимость, энергоемкость и материалоемкость оборудования, используемого в настоящее время для этой цели в очень небольшом числе стран, еще раз доказывают остроту проблемы.
Авторами разработаны новые методы и устройства сортировки зернистого материала по дополнительным геометрическим измерениям зернистого материала с учетом их актуальности и сложности [5‒14].
Цель исследований
Разработка новых устройств для сортировки зернистых материалов по дополнительным геометрическим параметрам.
Материалы и методы
Разработанное авторами новое сортировочное устройство для сортировки зернистых материалов показано на рис. 1.
Рис. 1. Технологическая схема установки сортировки зернистых материалов
На дно 2 бункера 1 устанавливаются шайбы 3 различного внутреннего диаметра, обеспечивающие с боковой гранью правильной пирамиды 5 проходные сечения F, соответствующие размеру сортируемого зернистого материала (см. рис. 2, сечения А–А, В–В и С–С). Данное устройство разработано и применено в процессе сортировки.
Рис. 2. Расчетная схема установки сортировки зернистых материалов
На рис. 3 приведены расчетные схемы, используемые для определения зависимости площади проходного сечения Fseq области, через которую сортируемый зернистый материал удаляется из бункера.
Рис. 3. Расчетные схемы устройства сортировки зернистых материалов
Рассмотрим, как площадь проходного сечения Fseq связана с конструктивными параметрами установки для сортировки зернистых материалов.
Как видно из расчетной схемы (рис. 3), площадь живого сечения (окна сортировки), через которую удаляется одна из частей сортируемого материала, может быть рассчитана по следующей формуле, известной из геометрии:
. (1)
Здесь Fseq – площадь сегмента круга; и − соответственно площадь сектора круга O1C1D1 и треугольника O1C1D1;
Если в уравнении (1) учесть нижеследующие выражения для и :
,
,
то
, (2)
где r – внутренний радиус шайбы, касающейся ее, на высоте которой была вычислена правильная пирамида; α − центральный угол C1O1D1, соответствующий сектору круга (риc. 3), для пирамиды с четырьмя боковыми сторонами α = 90° =1,57 rad; l – длина дуги C1D1, соответствующая сегменту круга (l = αrad ∙ r = 1,57r).
Определим связь Fseq в выражении (2) с параметрами R и H для правильной пирамиды с высотой H1 и числом боковых граней, равным 4.
Из рис. 3 следует (если принять AO = R и A1O1 = r):
, .
Тогда
. (3)
Учитывая (3), из выражения (2) получим:
. (4)
В виду того, что для расчетного случая R, β и H в выражении (4) являются постоянными величинами, имеем:
. (5)
Выражение (5) позволяет сделать вывод о том, что с увеличением Н1 площадь живого сечения (окна сортировки), где разгружается сортируемые материал, уменьшается, а с уменьшением, наоборот, увеличивается.
Учитывая, что масса отсортированного материала напрямую связана с площадью живого сечения окна (Fseq), через которую она удаляется, корпус блока для сортировки предлагаемых зернистых продуктов легко регулируется с помощью шайб и пирамидальных деталей, установленных в выходном окне крышки. Другими словами, пирамидальный вид сортировочного устройства с различными по ширине сечениями может быть получен путем изменения положения сортировочного устройства по вертикальной оси относительно корпуса в форме пирамиды [15‒24].
Конструкция устройства для сортировки зернистых материалов следующая.
Устройство для сортировки зернистого материала (рис. 1) имеет расположенное в дне бункера 1 крышку 2, в которой образуется четыре симметричное расположенные выходные окна, сортирующие материал, образованные правильной пирамидой 5 и шайбообразными участками боковых сторон основания 3.
Сыпучий зернистый материал, помещенный в бункер 1, отсортировывается путем просыпания через окна сортировки [Fiseq(Hi)] (рис. 3; представлены только два) и собирается через трубки 8 и 9 в бункерах 6 и 7. Для обеспечения устойчивости установки для сортировки зернистых материалов основание правильной пирамиды 5 установлено на неподвижной опоре 10.
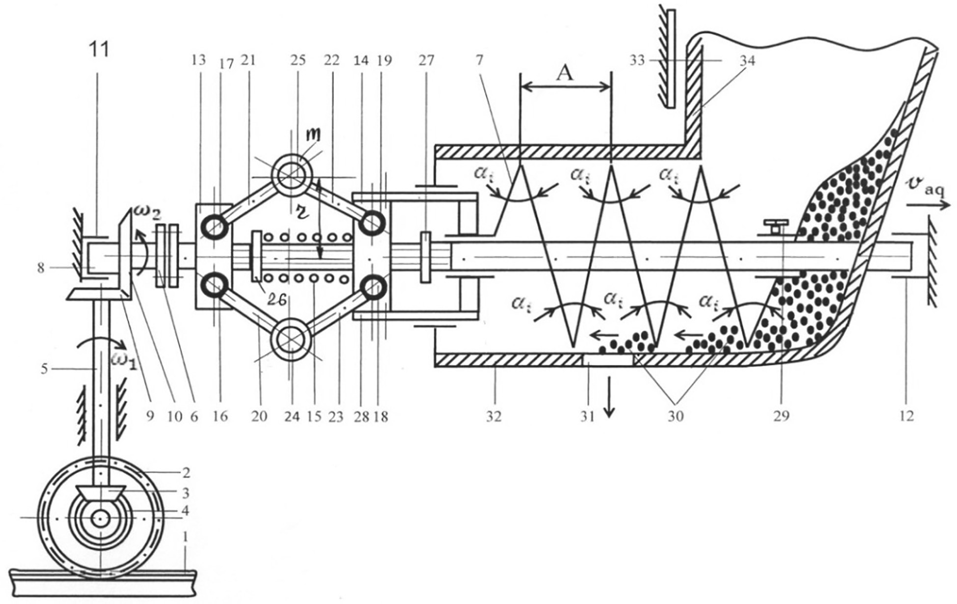
Принимая во внимание актуальность устройства, были обоснованы форма, параметры конструкции и режимы работы различных элементов сортировки и разными показателями эффективности. Для этой цели было разработано новое шнековое устройство сортировки (рис. 4), оснащенное различными средствами автоматизации для повышения производительности, и получены удовлетворительные результаты.
Рис. 4. Технологическая схема устройства для дозирования сортируемых зернистых материалов
Использование в этом устройстве автоматического регулятора Ползунова – Уатта обеспечивает регулировку пропускной способности винтового транспортера из упругого материала, который транспортирует зернистый продукт, в зависимости от его расхода, что приводит к повышению качества и производительности. Поскольку эффективность винтового транспортера в основном обусловлена его шагом и угловой скоростью вала, кинематическая связь муфты транспортера с винтовым транспортером в предлагаемом новом сортировочном узле, а также регулятор угловой скорости его вала, установленный в бункере, способствуют его высоким технологическим возможностям.
С учетом вышеизложенного разработано устройство для дозирования сортируемых зернистых материалов (рис. 4). На данное сортировочное устройство, снабженное автоматическим регулятором, получен патент Агентства интеллектуальной собственности Азербайджанской Республики (№ I 2019 0079) [10].
На рис. 4 показана четырехступенчатая трансмиссия с зубчатым колесом 2, кинематически связанная с реверсивным электродвигателем 3. Она при помощи вала 5 приводится в движение. В устройстве используется пара дополнительных зубчатых колес 9 и 10, которые передают вращение на вал винта 8 с помощью муфты 6.
Принцип работы устройства для дозирования сортируемых зернистых материалов заключается в следующем. Технологическая способность выполнять сортировку достигается за счет поступательного перемещения массы в области, где установлено сортировочное устройство. Если рассмотреть технологическую схему устройства, как уже упоминалось выше, масса зернистого материала изменяется при разных скоростях подачи дозируемого материала. В предлагаемом блоке с увеличением скорости распределения (для увеличения производительности) шаг спирали (А), выполненной из упругого материала, будет зависеть от скорости движения дозирующей массы.
В зависимости от угловой скорости вала 8 на сепаратор шнека, изготовленный из эластичного материала, воздействует центробежная сила F = mω2r, которая влияет на положение движущейся пластины 7 центробежного регулятора, а также одновременно на шаг А изменяя его выходные отверстия для зернистого материала, взятого из бункера машины.
В результате производится сортировка зернистых сыпучих (текучих) материалов (сельскохозяйственного сырья, минеральных удобрений) и плавная регулировка норм расхода сыпучих материалов.
Выводы
В результате экспериментальных исследований было разработано новое устройство для сортировке зернистого пищевого сырья, имеющее высокие экономические и качественные показатели и обладающее большими технологическими возможностями. Изменяя параметры конструкции нового сортировочного устройства, можно легко регулировать его производительность при высокой экономической эффективности.
В результате исследования устройства проанализирована зависимость сортировки зернистого пищевого сырья: от установки пластины в сортировочном устройстве; линейной скорости загрузчика сортировочного устройства; производительности бункера сортировочного устройства; а также угла установки смесителей на конвейере сортировочного устройства.
Предлагаемый процесс сортировки отличается от известных аналогичных устройств тем, что устраняет механическое повреждение пищевого сырья, подлежащего сортировке, в результате:
– обеспечения непрерывности сортировки и оптимального режима работы;
– универсальности;
– простоты в эксплуатации.
Предлагаемое устройство не создает условий для загрязнения производственной площади, отличается конкурентными преимуществами и высокими показателями технико-экономической эффективности.
About the authors
E. B. Isgandarzada
Azerbaijan Technical University
Author for correspondence.
Email: isgenderzadeh@rambler.ru
DSc in Engineering
Azerbaijan, BakuB. A. Abbasov
Azerbaijan Technical University
Email: isgenderzadeh@rambler.ru
Azerbaijan, Baku
SH. V. Ahmadli
Azerbaijan Technical University
Email: isgenderzadeh@rambler.ru
Azerbaijan, Baku
U. R. Islamova
Azerbaijan Technical University
Email: isgenderzadeh@rambler.ru
Azerbaijan, Baku
References
- Akhmadiyev F.G., Gizzyatov R.F., Nazipov I.T. Mathematical modeling of the processes of classification of granular materials on sieves. Sovremenn·yye naukoyemkiye tekhnologii. 2019. No 12−1, pp. 30−35 (in Russ.).
- Babayev SH.M. Oborudovaniye dlya sortirovki zernistykh materialov [Equipment for sorting granular materials]. Gosudarstvennyy Komitet po Metrologii, Standartizatsii i Patentam Azerbaydzhanskoy Respubliki. Patent No İ 2015 0082. Baku: 2015.
- Babayev SH.M. i dr. Dozator sypuchikh materialov [Dispenser for bulk materials]. Avt. svid. SSSR No 1713472 Gosud. kom. po izobreteniyam i otkrytiyam pri Gosud. Komiteta SSSR po nauke i tekhnike Goskomizobreteniy B.I. No 7. Moscow, 1992.
- Babayev SH.M. i dr. Ustroystvo dlya regulirovaniya normy vyseva sypuchikh materialov [The device for regulating the seeding rate of bulk materials]. Patent No 2093000 Komitet Rossiyskoy Federatsii po Patentam i tovarnym znakom (Rospatent) B.I. No 23 Moscow 1997.
- Babayev SH.M. Ustroystvo dlya sortirovki sypuchikh materialov [Device for sorting bulk materials]. Patent Azerb. Respubliki No 20090182 Baku, 2008.
- Barskiy M.D. Optimizatsiya protsessov razdeleniya zernistykh materialov [Optimization of processes for the separation of granular materials]. Moscow: Nedra Publ., 2008. 168 p.
- GOST 24057-80. Tekhnika sel’skokhozyaystvennaya. metody ekspluatatsionno-tekhnologicheskoy otsenki mashin po etape ispytaniy [Agricultural machinery. Methods of operational and technological evaluation of machinery at the testing stage]. Moscow, 1980.
- Iskenderzade E.B., SH.M. Babayev, B.A. Abbasov, SH.V. Akhmedli, L.S. Aliyeva. Determination of the open area of the window for sorting granular materials. Aktual’n·yye voprosy sovremennoy nauki. 2018. No 1 (17), pp. 27–32 (in Russ.).
- Iskenderzade E.B., Babayev SH.M., Abbasov B.A. i dr. Theoretical study of a device for dispensing granular materials. Sbornik nauchnykh trudov Azerbaydzhanskogo Tekhnicheskogo Universiteta. No 2, Baku, 2018, 4 p.
- Iskenderzade E.B., Babayev SH.M., Abbasov B.A., Akhmedly SH.V., Melikov A.G., Veliyev G.S. Oborudovaniye dlya sortirovki zernistykh materialov [Equipment for sorting granular materials]. Agentstvo intellektual’noy sobstvennosti Azerbaydzhanskoy Respubliki. Patent No İ 2019 0079. Baku, 2019.
- Iskenderzade E.B., Bagirov B. Hydrofication of agricultural machinery. Yevropeyskaya Akademiya Yestestvennykh Nauk, Gannover (Germaniya), 2018. 268 p.
- Golushkova S.V., Sivachenko L.A. Protsess grokhocheniya zernistykh materialov [Screening process of granular materials]. Moscow: Izd-vo «BelgoroD» Publ., 2005. 176 p.
- Kol’tsov V.P., Yеlshin V.V., Nguyen V.KH. Dispensers for feeding granular materials to the high pressure zone. Vestnik IRGTU. 2013. No 5 (76), pp. 38–42 (in Russ.).
- Levitin A.V. Decomposition Method: Quick sorting. Algoritmy: vvedeniye v razrabotku i analiz. Moscow: «Vil’yamS», 2006, pp. 174−179 (in Russ.).
- Pustovoyta V.S. i dr. Sposob sortirovaniya i ochistki semyan v zhidkosti [Method for sorting and cleaning seeds in liquid]. Avt. Svid. SSSR No 1311776, VOZV 1/06, A01S 1/00; VO2V 1/02. Ofitsial’nyy byulleten’ Gosudarstvennogo kom. SSSR po delam izob. i otkrytiy. Moscow. No 19, 1987, p. 32.
- Abbasov B.A., Isgandarzada E.B., Babayev Sh.M. The creatıon of a new devıce for sortıng graın seeds. Materials of the international symposium EANW, vol. I (economic, technical, biological), Hannover, Germany, 2020, p. 94−97.
- Avallone E.A., Baumeister T., Sadegh A.M. Marks’ Standard Handbook for Mechanical Engineers. 14th edition. The McGraw-Hill Companies Inc (USA), 2010. 130 p.
- Budynas R.G., Nisbett J.K. Shigley’s Mechanical Engineering Design. McGraw Hill Primis, 2011. 80 p.
- Isgandarzada E.B., S.V. Ahmadli, A.B. Abbasov. Preparation for standardization of two-stage milling and its metrological support. “Global Science and İnnovation” materials of the VIII international scientific conference, June 22nd-23rd 2016. Chicago, USA, p. 151−156.
- Isgandarzada E.B., G.N. Abbasova, B.A. Abbasov, Sh.V. Ahmadli Section flatcutter disc tool and disc’s metrological research. International Journal of Engineering Research & Science (IJOER), ISSN: [2395-6992], [Vol. 2, Issue. 7, July, 2016]. India, p. 130−134.
- Jones F.D., Ryffel H.H., Horton H.L., Oberg E. Machinery’s Handbook. 34th edition. Industrial Press. (USA), 2010. 110 p.
- URL: https://cyberleninka.ru/article/n/dinamicheskoe- uravnoveshivanie-vibratsionnoy-sortirovochnoy- mashiny/viewer.
- URL: https://logists.by/content/osnovnye-tipy-sortirovochnyh-konveyerov.
- URL: https://www.ngpedia.ru/id139951p3.html.
Supplementary files







