Genesis of manganese ore occurrences of the Olkhon Terrane
- 作者: Sklyarov E.V.1,2, Lavrenchuk A.V.3,4, Starikova A.E.3,4, Fedorovskii V.S.5, Khromova E.A.6
-
隶属关系:
- Institute of the Earth`s Crust of the Siberian Branch of the Russian Academy of Sciences
- Far Eastern Federal University
- Institute of Geology and Mineralogy, Siberian Branch of the Russian Academy of Sciences
- Novosibirsk State University
- Geological Institute RAS, Research Organization of the Russian Academy of Sciences
- Geological Institute, Siberian Branch of the Russian Academy of Sciences
- 期: 卷 27, 编号 1 (2019)
- 页面: 87-104
- 栏目: Articles
- URL: https://journals.eco-vector.com/0869-5903/article/view/11352
- DOI: https://doi.org/10.31857/S0869-590327187-104
- ID: 11352
如何引用文章
全文:
详细
Geological and mineralogical data are reported on the manganese occurrences of the Olkhon terrane (Western Baikal region), which are localized in metadolerites of the Ustkrestovsky Complex, high-temperature mafic hornfels, granites, calcitic marbles and calciphyres, and occasionally are developed as separate veins in gneiss granites or small lenses in quartzites. Most of them are made up of high-temperature mineral assemblages (Opx + Cpx + Pl + Ilm ± Grt± Bt ± Amp), the main manganese carriers in which are ferrorhodonite
(33–36 wt % MnO), orthopyroxene (6–12 wt % MnO), and ilmenite (3–16 wt % MnO). Obtained data are in conflict with traditional concepts that these rocks are gondites (manganese-rich metamorphosed sediments) or that manganese flux in carbonate sediments was related to the volcanic activity that occurred simultaneously with sedimentation at about 500 Ma. The diversity of manganese occurrences was produced by metasomatic processes that occurred almost simultaneously with regional metamorphism and emplacement of subalkaline mafic bodies during collisional tectonogenesis (about 470 Ma).
全文:
ВВЕДЕНИЕ
Многочисленные проявления марганца в пределах Ольхонского террейна (Западное Прибайкалье), в том числе и представляющие потенциальный промышленный интерес, были обнаружены во время специализированных геолого-разведочных работ в первой половине прошлого века (Бетехтин, 1946). Значительная часть проявлений связана с кайнозойскими корами выветривания, эндогенные же проявления расположены в основном в пределах Крестовского субтеррейна (рис. 1), хотя единичные находки пород с повышенным содержанием марганца отмечаются также в других зонах террейна (Конева и др., 1998). Марганцевые проявления Ольхонского террейна были отнесены к гондитам – метаморфизованным осадочным или вулканогенно-осадочным породам, обогащенным марганцем, причем было выделено два марганценосных горизонта (Конева и др., 1998). Крупнейшим и наиболее изученным является Цаган-Забинское месторождение марганца, приуроченное к толще кальцитовых мраморов с «прослоями» амфиболитов. И для этого месторождения и для других марганцевых проявлений в регионе считается бесспорным первично-осадочный (Бетехтин, 1946) или осадочно-гидротермальный (Школьник и др., 2016) генезис, как, впрочем, и для большинства известных месторождений мира (Dill, 2010). Другими словами, стратиграфический контроль марганцевого оруденения террейна считался абсолютно бесспорным, последующие же процессы высокотемпературного метаморфизма и субсинхронного магматизма не приводили к перераспределению марганца в первичной вулканогенно-осадочной толще, выражаясь лишь в появлении относительно высокотемпературных минеральных ассоциаций (кутнагорит, родонит, спессартин, Mn-ортопироксены и другие марганецсодержащие минералы) (Конева и др., 1998; Школьник и др., 2016). Кардинальная переинтерпретация геологического строения Ольхонского террейна в целом, отраженная на последней карте региона (Федоровский и др., 2017) и Крестовского субтеррейна с максимальным распространением марганцевых проявлений в частности (Скляров и др., 2012), наряду с детальным изучением этих проявлений, позволили существенно изменить представления о роли магматизма, метаморфизма и сопутствующего метасоматоза на формирование рудопроявлений марганца.
Рис. 1. Схема расположения изученных марганцевых проявлений Ольхонского террейна. 1 – Сибирский кратон; 2–4 – Ольхонский террейн: 2 – Крестовкий субтеррейн, 3 – коллаж пластин субтеррейнов Нутгей и Тутай, 4 – коллаж пластин Тонта и Тутай (а), то же в акватории Байкала (б); 5 – коллизионный шов системы кратон-террейн; 6 – изученные рудопроявления марганца (пояснения в тексте) или (1–3 – в левом борту пади Крестовская, 4 – в правом борту пади Широкая, 5 – в устье р. Анга, 6 – в Тажеранском массиве сиенитов, 7 – Цаган-Забинское месторождение).
КРАТКАЯ ХАРАКТЕРИСТИКА ОЛЬХОНСКОГО ТЕРРЕЙНА
Ольхонский террейн входит в состав раннепалеозойской аккреционно-коллизионной системы северной части Центрально-Азиатского складчатого пояса, основные черты тектоники, метаморфизма и магматизма фрагментов которой рассмотрены в многочисленных статьях и монографиях (Беличенко и др., 1994; Козаков и др., 2014, 2015; Ярмолюк и др., 2011, 2016 и др.). Особенности состава и строения террейна также охарактеризованы во многих публикациях (Бибикова и др., 1990; Розен, Федоровский, 2001; Федоровский, 1997, 2004; Федоровский и др., 1995; Федоровский, Скляров, 2010; Sklyarov, 2005 и др.), поэтому отметим здесь только наиболее важные из них: 1) террейн представляет собой коллаж тектонических пластин разной геодинамической природы протолитов, включающих возрастные интервалы 1870–1830, 807–792, 640, 545, 530–500 и 500–490 млн лет (Donskaya et al., 2017); 2) выделяется несколько субтеррейнов, которые в первом приближении можно объединить в две суперзоны – гнейсово-карбонатную и мафит-карбонатную, каковые ранее рассматривались в качестве ольхонской и ангинской метаморфизованных осадочно-вулканогенных серий; 3) все породы претерпели высокотемпературный синтектонический метаморфизм (от эпидот-амфиболитовой до гранулитовой фации); 4) в результате процессов надвигового и сдвигового тектогенеза в условиях вязко-пластического течения большинство комплексов террейна линеаризированы на микро-, мезо- и макроуровне, создавая иллюзию стратиграфического напластования; 5) наиболее интенсивно процессы вязко-пластического течения проявлены в карбонатных породах, которые слагают многочисленные проявления мраморного меланжа с разноразмерными фрагментами силикатных пород (Федоровский и др., 1993), «пласты» карбонатно-силикатных пород (кальцифиры), образованные при насыщении карбонатов силикатным материалом, и даже «дайки» в амфиболитах и гнейсах (Скляров и др., 2013).
Поскольку большинство марганцевых проявлений выявлено в пределах Крестовского базит-карбонатного субтеррейна, охарактеризуем его более подробно. Габброидные массивы бирхинского (500 млн лет) и усть-крестовского (470 млн лет) комплексов слагают значительную часть субтеррейна (Лавренчук и др., 2017). Бирхинские габбро являются составной частью бирхинской вулкано-плутонической ассоциации, включающей габбро, эффузивные порфириты, часто метаморфизованные до амфиболитов, и подводящие дайки, наиболее многочисленные в кальцитовых мраморах береговых скал Байкала (Гладкочуб и др., 2014; Скляров и др., 2012; Федоровский и др., 2017). Габброиды, субвулканиты и вулканиты ассоциации близки по геохимическим особенностям, отвечающим надсубдукционным характеристикам (Гладкочуб и др., 2014; Лавренчук и др., 2017).
Среди габброидов усть-крестовского комплекса выделяются две фазы: умеренно-титанистые габброиды первой фазы (флогопитовые монцогаббро, часто амфиболизированные и огнейсованные) слагают одноименный массив в районе пади Крестовской (рис. 2) и редкие дайки в мраморах, по составу они близки к метагабброидам Тажеранского массива и базитам комбинированных даек северной части о-ва Ольхон (Скляров и др., 2009; Федоровский и др., 2010). Габброиды второй фазы, характеризующиеся повышенной титанистостью и щелочностью (титан-фассаитовые монцогаббро, пироксениты, нефелин-титанавгитовые породы), слагают серию мелких тел по бортам пади Крестовская (рис. 2). С этими телами связано высокотемпературное ороговикование (фация пироксеновых роговиков) метапорфиритов бирхинской ассоциации. Габброиды усть-крестовского комплекса также имеют отчетливые надсубдукционные геохимические метки, но отличаются от базитов Бирхинской вулкано-плутонической ассоциации более высокими содержаниями титана и некогерентных элементов (Лавренчук и др., 2017).
Рис. 2. Фрагмент геологической карты юго-западной части Ольхонского региона (по (Федоровский и др., 2017) с упрощениями). 1–3 – Усть-Крестовский комплекс габброидов: 1 – минглинг-комплекс (комбинированные габбро-сиенитовые интрузии и дайки), 2 – вторая фаза (титан-фассаитовые монцогаббро, пироксениты, нефелин-титанавгитовые породы, в том числе импрегнированные гранитами), 3 – первая фаза (флогопитовые монцогаббро, часто амфиболизированные и огнейсованные, кварцевые сиениты); 4 – Малокрестовский комплекс (биотитовые и биотит-амфиболовые граниты, гранодиориты и диориты); 5–7 – Бирхинская вулкано-плутоническая ассоциация: 5 – метапорфириты и амфиболиты по порфиритам, 6 – амфиболиты по субвулканическим долеритам (подводящие дайки), 7 – габбро оливиновые, габбро, монцогаббро, монцогаббронориты, монцодиориты (вторая фаза), оливиновые пироксениты, оливиновые габбро, габбро, габбронориты, анортозиты (первая фаза) и их амфиболизированные и огнейсованные разности; 8–10 – комплекс Анга: 8 – кремнисто-доломитовая толща (доломитовые и кальцит-доломитовые мраморы, квар-диопсид-доломит-кальцитовые породы, мономинеральные диопсидовые и кварц-диопсидовые породы, мраморный меланж), 9 – толща кальцитовых мраморов, 10 – кварциты; 11 – инъекционные кальцитовые мраморы и кальцифиры; 12 – геологические и тектонические границы; 13 – проявления среднетемпературных гранат-пироксен-амфибол-цоизитовых и высокотемпературных мелилит-гранат-волластонит-фассаитовых метасоматитов (а) и рудопроявления марганца (б) (1–4 – рудопроявления, 7 – Цаган-Забинское месторождение); 14 – зоны высокотемпературных роговиков. Рудопроявления 5, 6 за пределами данной карты.
Карбонатные породы слагают значительную часть Крестовского субтеррейна (рис. 2) и принадлежат двум сериям разного состава. Преобладают кальцитовые мраморы, обнажающиеся в береговой части Байкала и слагающие большое поле в северной части субтеррейна. Доломитовые и доломит-кальцитовые мраморы, ассоциирующие с кремнистыми образованиями (кварциты, диопсид-доломит-кальцитовые, тремолит-кальцитовые и кварц-диопсидовые породы), образуют S-образную полосу, которая к западу сменяется выходами мраморного меланжа.
Уровень регионального метаморфизма в Крестовской зоне соответствует эпидот-амфиболитовой фации (500–600оС) (Sklyarov, 2005), на фоне которого отмечается два участка резкого повышения температуры до 800–900оС. Один из них, как отмечалось выше, связан с воздействием габброидов второй фазы усть-крестовского комплекса. Природа второго участка, в западной части зоны, до конца не ясна. Предположению о термальном воздействии массива габбро бирхинского комплекса (Савельева, Медведева, 1996) противоречит присутствие широких полос амфиболитов между габброидами и высокотемпературными метаморфитами.
Характерной особенностью зоны является широкое распространение метасоматических пород, не связанных с гранитами или другими интрузивными породами, которые, чаще всего, приурочены к контактам породных комплексов контрастного состава или тектоническим зонам в пределах Бирхинского массива (см. рис. 2). Резко преобладают метасоматиты умеренных температур (гранат-эпидот-амфибол-пироксеновые, цоизит-амфибол-пироксеновые и др.), но встречаются и проявления высокотемпературных разностей (с мелилитом или колхианитом) (Савельева и др., 1992, 1996; Galuskin et al., 2012). Особенности проявления метасоматических пород умеренных температур позволяют связывать их образование с процессами тектогенеза и синдеформационного метаморфизма.
ГЕОЛОГИЯ И МИНЕРАЛОГИЯ ИЗУЧЕННЫХ ПРОЯВЛЕНИЙ МАРГАНЦА
Нами было изучено пять рудопроявлений марганца: три в левом борту пади Крестовская, одно в правом борту пади Широкая и одно в устьевой части р. Анга, кроме того использованы материалы исследований Цаган-Забинского месторождения (Бетехтин, 1946; Школьник и др., 2016, Школьник и др., 2018) и рудопроявления в пределах Тажеранского массива (Конева, 2003, Конева и др., 1998). Положение рудопроявлений показано на рис. 1, 2. Рудопроявления 1–3 в левом борту пади Крестовская находятся на расстоянии менее 100–150 м друг от друга, но характеризуются разным строением и составом.
Рудопроявление 1 (координаты 52о40′38.34′′ с.ш., 106о23′42.48′′ в.д.) расположено на крутом склоне лога и приурочено к субвертикальному телу мелкозернистых базитов меридионального простирания в кальцит-доломитовых мраморах, мощность которого в нижней части составляет около 15 м, вверх по склону тело выклинивается. Марганцевое оруденение присутствует только в нижней части тела, вскрыто канавой (рис. 3а) и опробовано вкрест тела базитов через 30–50 см. Для базитов характерна минеральная ассоциация Opx + Pl + Kfs + Ilm ± Cpx ± Amp ± ± Bt ± Grt (символы минералов по (Whitney, Evans, 2010)). Породы тонко-, мелкозернистые в основном характеризуются гранулитовой структурой. В западной краевой части (около 1 м) и местами в центральной части тела сохранились реликты офитовой структуры, позволяющие рассматривать его в качестве дайки долеритов, а скорее всего, серии сближенных (минимум две) даек, в разной степени обогащенных марганцем. При сохранности каркаса лейст плагиоклаза в долеритах темноцветные минералы явно рекристаллизованы, образуя агрегаты близких к идиоморфным кристаллов (рис. 4а, 4б). Мелкие фрагменты микродолеритов в рудной части тела заключены в более крупнозернистый агрегат Mn-ортопироксена, граната и плагиоклаза с подчиненным количеством клинопироксена, куммингтонита, ильменита и амфибола (рис. 4а, 4б).
Рис. 3. Схемы рудопроявлений 1 (а) и 3 (б). 1 – кальцит-доломитовые мраморы; 2 – кальцитовые мраморы; 3 – долериты; 4 – марганценосные мелкозернистые базиты; 5 – граниты; 6 – зоны обогащения марганцем; 7 – точки опробования в соответствиями с номерами проб в табл. 1–6: 1–11 – 3235, B, F – 4006B и 4006F соответственно. Пунктирными линиями отделены марганцовистые и безмарганцовистые разности.
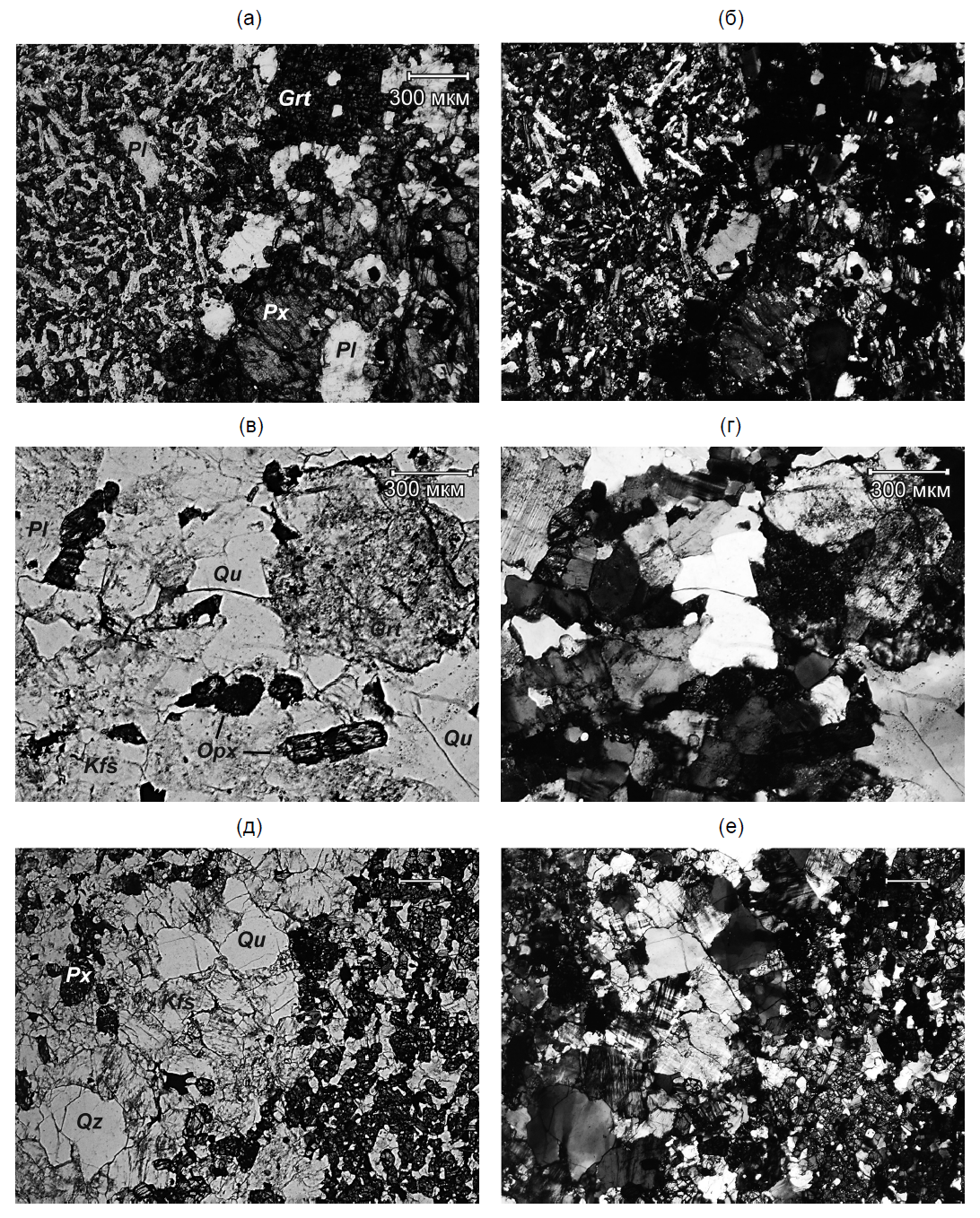
Рис. 4. Микрофотографии марганцевых пород: (а, б) – контакт фрагмента тонкозернистых долеритов с прироксен-гранат-плагиоклазовыми породами основной массы в проходящем (а) и поляризованном (б) свете (обр. 1881А); (в, г) – гранит с марганцевым ортопироксеном в проходящем (в) и поляризованном (г) свете (обр. 4006В); (д, е) – марганценосный базит с прожилками гранита в проходящем (д) и поляризованном (е) свете (обр. 4006F).
Детальные минералогические исследования показали отчетливую зональность в строении тела, наиболее четко выраженную в составах ортопироксенов (рис. 5а, табл. 1), но также проявленную в клинопироксенах (рис. 5б, табл. 2), амфиболах (табл. 3) и ильменитах (табл. 4). В западной краевой части дайки содержание MnO в ортопироксене составляет 0.8–1.6 мас.% (табл. 1), в клинопироксене – 0.5–0.7 мас.% (табл. 2). В биотите примесь марганца незначительна. В центральной и западной части дайки в значительных количествах появляется гранат с высоким содержанием марганца (MnO 8–20 мас.%), другие темноцветные минералы также характеризуются его высоким содержанием (ортопироксен – 10–12 мас.% MnO, клинопироксен – 4–5 мас.% MnO, куммингтонит – 4.5–6.8 мас.% MnO, роговая обманка и актинолит – 2–3 мас.% MnO, ильменит – 13–16 мас.% MnO) (табл. 1–6). В восточной контактовой части дайки концентрация марганца в темноцветах понижается, но остается достаточно высокой (ортопироксен – 4.5 мас.% MnO, гранат – 12 мас.% MnO). Важно отметить, что составы темноцветных минералов в сохранившихся фрагментах микродолеритов и включающих их базитах роговикового облика совершенно одинаковы. Биотит присутствует только в краевых частях тела и характеризуется высокой титанистостью (4.3–5.5 мас.% TiO2). Состав плагиоклазов по всему разрезу тела отвечает андезину (табл. 6), содержание анортита несколько повышается в краевых частях тела. В калиевом полевом шпате, присутствующем во всех опробованных разновидностях базитов, отмечается постоянная примесь бария (0.8–1.7 мас.% ВаО) Во вмещающих мраморах содержания оксида марганца в карбонатах не превышает 0.5 мас.%.
Рис. 5. Составы ортопироксенов и феррородонитов (а) и клинопироксенов (б) марганцевых проявлений Ольхонского террейна. 1–3 – рудопроявление 1: 1 – центральная часть, 2 – западная краевая часть, 3 – восточная краевая часть; 4 – рудопроявление 2; 5 – рудопроявление 3; 6 – рудопроявление 4; 7 – рудопроявление 5; 8 – рудопроявление 6.
Таблица 1. Представительные анализы ортопироксена и феррородонита из марганцевых проявлений Ольхонского террейна
Компоненты | Ортопироксены | Феррородониты | ||||||||||||||||||||||||||||||||||
1 | 2 | 3 | 4 | 6 | 5 | |||||||||||||||||||||||||||||||
SE3532-1* | SE3532-3 | SE1881a | SE3532-9 | SE4001B | SE4006F | SE4013A | SE1165a | |||||||||||||||||||||||||||||
SiO2 | 50. | 40 | 50. | 75 | 51. | 69 | 51. | 69 | 49. | 23 | 48. | 78 | 50. | 83 | 50. | 60 | 49. | 18 | 49. | 14 | 50. | 02 | 49. | 48 | 47. | 42 | 47. | 70 | 49. | 39 | 46. | 38 | 46. | 62 | 47. | 30 |
TiO2 | нпо | нпо | 0. | 22 | 0. | 17 | нпо | нпо | 0. | 15 | 0. | 18 | нпо | нпо | нпо | нпо | нпо | нпо | 0. | 04 | нпо | нпо | нпо | |||||||||||||
Al2O3 | 0. | 34 | 0. | 42 | 0. | 57 | 0. | 45 | нпо | 0. | 47 | 0. | 62 | 0. | 93 | нпо | нпо | 0. | 51 | нпо | нпо | нпо | 0. | 03 | нпо | нпо | нпо | |||||||||
FeO | 34. | 52 | 34. | 27 | 16. | 17 | 16. | 51 | 26. | 53 | 26. | 35 | 25. | 69 | 25. | 86 | 26. | 37 | 27. | 46 | 29. | 50 | 28. | 23 | 39. | 88 | 39. | 82 | 19. | 49 | 7. | 96 | 9. | 22 | 11. | 08 |
MnO | 1. | 56 | 1. | 34 | 10. | 91 | 11. | 48 | 10. | 64 | 12. | 76 | 6. | 66 | 8. | 32 | 9. | 48 | 12. | 01 | 5. | 90 | 8. | 07 | 4. | 86 | 6. | 56 | 19. | 58 | 35. | 69 | 34. | 64 | 33. | 75 |
MgO | 12. | 90 | 13. | 58 | 18. | 72 | 18. | 08 | 11. | 76 | 10. | 36 | 15. | 12 | 14. | 01 | 9. | 87 | 10. | 28 | 13. | 12 | 12. | 14 | 6. | 60 | 5. | 49 | 10. | 11 | 0. | 00 | 1. | 19 | 1. | 82 |
CaO | 1. | 06 | 0. | 71 | 1. | 01 | 1. | 06 | 0. | 88 | 1. | 15 | 1. | 29 | 1. | 27 | 4. | 27 | 1. | 06 | 1. | 02 | 1. | 18 | 0. | 43 | 0. | 88 | 1. | 37 | 8. | 88 | 7. | 88 | 6. | 63 |
Na2O | нпо | нпо | нпо | нпо | нпо | нпо | нпо | нпо | нпо | нпо | нпо | нпо | нпо | нпо | 0. | 01 | нпо | нпо | нпо | |||||||||||||||||
K2O | нпо | нпо | нпо | нпо | нпо | нпо | нпо | нпо | нпо | нпо | нпо | нпо | нпо | нпо | 0. | 01 | нпо | нпо | нпо | |||||||||||||||||
Сумма | 100. | 79 | 101. | 07 | 99. | 28 | 99. | 43 | 99. | 04 | 99. | 87 | 100. | 36 | 101. | 17 | 99. | 17 | 99. | 95 | 100. | 07 | 99. | 10 | 99. | 19 | 100. | 45 | 100. | 03 | 98. | 91 | 99. | 55 | 100. | 58 |
O=6 | ||||||||||||||||||||||||||||||||||||
Si | 1.990 | 1.990 | 1.982 | 1.987 | 1.994 | 1.979 | 1.980 | 1.971 | 1.997 | 1.994 | 1.984 | 1.996 | 1.995 | 1.996 | 1.998 | 2.000 | 1.991 | 1.995 | ||||||||||||||||||
Ti | 0.000 | 0.000 | 0.006 | 0.005 | 0.000 | 0.000 | 0.004 | 0.005 | 0.000 | 0.000 | 0.000 | 0.000 | 0.000 | 0.000 | 0.001 | 0.000 | 0.000 | 0.000 | ||||||||||||||||||
Al | 0.016 | 0.019 | 0.026 | 0.021 | 0.000 | 0.022 | 0.028 | 0.043 | 0.000 | 0.000 | 0.024 | 0.000 | 0.000 | 0.000 | 0.001 | 0.000 | 0.000 | 0.000 | ||||||||||||||||||
Fe2+ | 1.140 | 1.124 | 0.519 | 0.531 | 0.899 | 0.894 | 0.837 | 0.842 | 0.896 | 0.932 | 0.979 | 0.952 | 1.403 | 1.393 | 0.659 | 0.287 | 0.329 | 0.391 | ||||||||||||||||||
Mn | 0.052 | 0.045 | 0.354 | 0.374 | 0.365 | 0.438 | 0.220 | 0.275 | 0.326 | 0.413 | 0.198 | 0.276 | 0.173 | 0.233 | 0.671 | 1.303 | 1.253 | 1.206 | ||||||||||||||||||
Mg | 0.759 | 0.794 | 1.070 | 1.036 | 0.710 | 0.626 | 0.878 | 0.813 | 0.597 | 0.622 | 0.776 | 0.730 | 0.414 | 0.342 | 0.609 | 0.000 | 0.076 | 0.114 | ||||||||||||||||||
Ca | 0.045 | 0.030 | 0.041 | 0.044 | 0.038 | 0.050 | 0.054 | 0.053 | 0.186 | 0.046 | 0.043 | 0.051 | 0.019 | 0.039 | 0.059 | 0.410 | 0.361 | 0.300 | ||||||||||||||||||
Na | 0.000 | 0.000 | 0.000 | 0.000 | 0.000 | 0.000 | 0.000 | 0.000 | 0.000 | 0.000 | 0.000 | 0.000 | 0.000 | 0.000 | 0.001 | 0.000 | 0.000 | 0.000 | ||||||||||||||||||
K | 0.000 | 0.000 | 0.000 | 0.000 | 0.000 | 0.000 | 0.000 | 0.000 | 0.000 | 0.000 | 0.000 | 0.000 | 0.000 | 0.000 | 0.000 | 0.000 | 0.000 | 0.000 | ||||||||||||||||||
Сумма | 4.002 | 4.001 | 3.999 | 3.997 | 4.006 | 4.010 | 4.001 | 4.002 | 4.003 | 4.006 | 4.004 | 4.004 | 4.005 | 4.004 | 3.999 | 4.000 | 4.009 | 4.005 | ||||||||||||||||||
Примечание. Здесь и далее в таблицах в шапке таблицы цифрами обозначены рудопроявления, положение которых показано на рис. 1. Анализ из проявления 6 заимствован из (Конева, 2003). нпо – ниже предела обнаружения. *Здесь и далее в таблицах – номер образца.
Анализы минералов сделаны на электронном сканирующем микроскопе LEO 1430VP с энергодисперсионным спектрометром INCAEnergy 350 в Центре коллективного пользования «Аналитический центр минералого-геохимических и изотопных исследований» ГИН СО РАН (г. Улан-Удэ). Ускоряющее напряжение 20 кВ, ток зонда 0.3–0.4 нА, размер пучка < 0.1 мкм, время измерения 50 с.
Таблица 2. Представительные анализы клинопироксена из марганцевых проявлений Ольхонского террейна
Компоненты | 1 | 2 | 5 | |||||||||||||||||||||
SE3532-1 | SE3532-6 | SE3532-9 | SE4001B | SE1165a | ||||||||||||||||||||
SiO2 | 52. | 54 | 52. | 24 | 52. | 69 | 52. | 59 | 52. | 76 | 52 | .03 | 51. | 05 | 51. | 02 | 50. | 81 | 50. | 06 | 50. | 04 | 49. | 81 |
TiO2 | нпо | нпо | нпо | нпо | нпо | 0. | 33 | нпо | нпо | нпо | нпо | нпо | нпо | |||||||||||
Al2O3 | 0. | 60 | 0. | 51 | 0. | 00 | 0. | 00 | 0. | 43 | 1. | 04 | нпо | нпо | нпо | нпо | нпо | нпо | ||||||
Cr2O3 | нпо | нпо | нпо | нпо | нпо | 0. | 16 | нпо | нпо | нпо | нпо | нпо | нпо | |||||||||||
FeO | 14. | 29 | 15. | 23 | 10. | 52 | 10. | 92 | 12. | 21 | 11. | 64 | 14. | 55 | 16. | 10 | 10. | 64 | 11. | 40 | 10. | 66 | 10. | 91 |
MnO | 0. | 50 | 0. | 74 | 3. | 98 | 4. | 61 | 5. | 66 | 3. | 46 | 4. | 82 | 5. | 93 | 10. | 16 | 10. | 72 | 11. | 45 | 11. | 91 |
MgO | 10. | 40 | 10. | 38 | 12. | 11 | 11. | 67 | 12. | 02 | 12. | 01 | 9. | 97 | 10. | 03 | 7. | 79 | 6. | 80 | 6. | 09 | 5. | 67 |
CaO | 21. | 80 | 21. | 59 | 20. | 44 | 19. | 71 | 17. | 31 | 19. | 95 | 19. | 00 | 16. | 82 | 20. | 32 | 20. | 26 | 20. | 96 | 21. | 02 |
Na2O | 0. | 18 | 0. | 18 | нпо | 0. | 20 | 0. | 16 | 0. | 13 | нпо | нпо | нпо | нпо | нпо | нпо | |||||||
K2O | нпо | нпо | нпо | нпо | нпо | нпо | нпо | нпо | нпо | нпо | нпо | нпо | ||||||||||||
Сумма | 100. | 32 | 100. | 87 | 99. | 74 | 99. | 71 | 100. | 55 | 100. | 76 | 99. | 45 | 99. | 96 | 99. | 73 | 99. | 29 | 99. | 21 | 99. | 37 |
O=6 | ||||||||||||||||||||||||
Si | 2.001 | 1.987 | 1.982 | 2.010 | 2.005 | 1.966 | 1.992 | 1.991 | 1.999 | 1.992 | 1.998 | 1.993 | ||||||||||||
Ti | 0.000 | 0.000 | 0.006 | 0.000 | 0.000 | 0.009 | 0.000 | 0.000 | 0.000 | 0.000 | 0.000 | 0.000 | ||||||||||||
Al | 0.027 | 0.023 | 0.026 | 0.000 | 0.019 | 0.046 | 0.000 | 0.000 | 0.000 | 0.000 | 0.000 | 0.000 | ||||||||||||
Cr | 0.000 | 0.000 | 0.000 | 0.000 | 0.000 | 0.005 | 0.000 | 0.000 | 0.000 | 0.000 | 0.000 | 0.000 | ||||||||||||
Fe3+ | 0.000 | 0.015 | 0.000 | 0.000 | 0.000 | 0.007 | 0.016 | 0.017 | 0.003 | 0.016 | 0.004 | 0.015 | ||||||||||||
Fe2+ | 0.455 | 0.469 | 0.519 | 0.349 | 0.388 | 0.361 | 0.458 | 0.508 | 0.347 | 0.364 | 0.352 | 0.350 | ||||||||||||
Mn | 0.016 | 0.024 | 0.354 | 0.149 | 0.182 | 0.111 | 0.159 | 0.196 | 0.339 | 0.361 | 0.387 | 0.404 | ||||||||||||
Mg | 0.590 | 0.589 | 1.070 | 0.665 | 0.681 | 0.676 | 0.580 | 0.583 | 0.457 | 0.403 | 0.362 | 0.338 | ||||||||||||
Ca | 0.889 | 0.880 | 0.041 | 0.808 | 0.705 | 0.808 | 0.794 | 0.703 | 0.856 | 0.864 | 0.897 | 0.901 | ||||||||||||
Na | 0.013 | 0.013 | 0.000 | 0.015 | 0.012 | 0.010 | 0.000 | 0.000 | 0.000 | 0.000 | 0.000 | 0.000 | ||||||||||||
K | 0.000 | 0.000 | 0.000 | 0.000 | 0.000 | 0.000 | 0.000 | 0.000 | 0.000 | 0.000 | 0.000 | 0.000 | ||||||||||||
Сумма | 3.992 | 4.000 | 3.999 | 3.997 | 3.992 | 4.000 | 4.000 | 4.000 | 4.000 | 4.000 | 4.000 | 4.000 | ||||||||||||
Таблица 3. Представительные анализы граната из марганцевых проявлений Ольхонского террейна
Компоненты | 1 | 2 | 4 | 5 | ||||||||||||||||||||||||||||
SE3532-3 | SE3532-4 | SE1881a | SE3532-6 | SE3532-11 | SE4001B | SE4013A | SE1165a | |||||||||||||||||||||||||
SiO2 | 37. | 33 | 36. | 97 | 36. | 71 | 36. | 86 | 36. | 59 | 36. | 26 | 37. | 31 | 37. | 10 | 37. | 78 | 36. | 48 | 37. | 00 | 36. | 76 | 36. | 69 | 36. | 91 | 36. | 56 | 36. | 71 |
TiO2 | 0. | 20 | 0. | 17 | 0. | 33 | нпо | нпо | 0. | 35 | нпо | 0. | 17 | нпо | нпо | нпо | нпо | нпо | нпо | нпо | нпо | |||||||||||
Al2O3 | 20. | 82 | 20. | 41 | 20. | 35 | 20. | 23 | 20. | 27 | 20. | 31 | 20. | 71 | 20. | 77 | 21. | 39 | 20. | 58 | 20. | 41 | 20. | 17 | 20. | 58 | 19. | 65 | 20. | 29 | 19. | 99 |
FeO | 12. | 21 | 17. | 73 | 17. | 07 | 17. | 28 | 16. | 93 | 15. | 85 | 16. | 15 | 15. | 15 | 22. | 37 | 18. | 03 | 16. | 08 | 24. | 98 | 24. | 22 | 6. | 60 | 5. | 48 | 7. | 26 |
MnO | 23. | 72 | 17. | 60 | 18. | 63 | 18. | 86 | 19. | 42 | 20. | 71 | 19. | 10 | 20. | 32 | 11. | 67 | 19. | 07 | 22. | 08 | 11. | 38 | 12. | 24 | 28. | 76 | 29. | 53 | 30. | 51 |
MgO | 1. | 99 | 1. | 29 | 1. | 94 | 1. | 84 | 1. | 04 | 0. | 90 | 2. | 01 | 1. | 64 | 5. | 59 | 1. | 29 | 0. | 45 | 0. | 46 | 0. | 51 | нпо | нпо | нпо | |||
CaO | 4. | 00 | 5. | 30 | 4. | 74 | 4. | 41 | 4. | 62 | 5. | 72 | 5. | 46 | 5. | 00 | 1. | 60 | 4. | 39 | 4. | 53 | 6. | 33 | 5. | 73 | 7. | 68 | 7. | 51 | 5. | 40 |
Na2O | нпо | нпо | нпо | нпо | нпо | нпо | нпо | нпо | нпо | нпо | нпо | нпо | нпо | нпо | нпо | нпо | ||||||||||||||||
K2O | нпо | нпо | нпо | нпо | нпо | нпо | нпо | нпо | нпо | нпо | нпо | нпо | нпо | нпо | нпо | нпо | ||||||||||||||||
Сумма | 100. | 47 | 99. | 70 | 99. | 78 | 99. | 48 | 98. | 87 | 100. | 10 | 100. | 73 | 100. | 14 | 100. | 40 | 99. | 84 | 100. | 55 | 100. | 08 | 99. | 97 | 99. | 76 | 99. | 51 | 100. | 00 |
O=12 | ||||||||||||||||||||||||||||||||
Si | 2.983 | 2.997 | 2.967 | 2.991 | 2.999 | 2.938 | 2.978 | 2.986 | 2.974 | 2.960 | 2.998 | 2.985 | 2.981 | 3.007 | 2.981 | 2.997 | ||||||||||||||||
Ti | 0.010 | 0.010 | 0.020 | 0.000 | 0.000 | 0.021 | 0.000 | 0.010 | 0.000 | 0.000 | 0.000 | 0.000 | 0.000 | 0.000 | 0.000 | 0.000 | ||||||||||||||||
Al | 1.943 | 1.950 | 1.938 | 1.935 | 1.959 | 1.940 | 1.948 | 1.970 | 1.984 | 1.969 | 1.950 | 1.931 | 1.971 | 1.888 | 1.950 | 1.924 | ||||||||||||||||
Fe3+ | 0.071 | 0.020 | 0.087 | 0.084 | 0.042 | 0.141 | 0.096 | 0.038 | 0.067 | 0.112 | 0.055 | 0.100 | 0.067 | 0.098 | 0.088 | 0.081 | ||||||||||||||||
Fe2+ | 0.784 | 1.182 | 1.067 | 1.089 | 1.118 | 0.933 | 0.981 | 0.983 | 1.405 | 1.112 | 1.035 | 1.596 | 1.578 | 0.352 | 0.285 | 0.415 | ||||||||||||||||
Mn | 1.612 | 1.209 | 1.276 | 1.296 | 1.348 | 1.421 | 1.291 | 1.386 | 0.778 | 1.311 | 1.515 | 0.783 | 0.842 | 1.985 | 2.039 | 2.110 | ||||||||||||||||
Mg | 0.271 | 0.156 | 0.234 | 0.222 | 0.127 | 0.109 | 0.239 | 0.197 | 0.656 | 0.156 | 0.054 | 0.056 | 0.062 | 0.000 | 0.000 | 0.000 | ||||||||||||||||
Ca | 0.327 | 0.461 | 0.411 | 0.383 | 0.406 | 0.497 | 0.467 | 0.431 | 0.135 | 0.382 | 0.393 | 0.551 | 0.499 | 0.670 | 0.656 | 0.472 | ||||||||||||||||
Na | 0.000 | 0.000 | 0.000 | 0.000 | 0.000 | 0.000 | 0.000 | 0.000 | 0.000 | 0.000 | 0.000 | 0.000 | 0.000 | 0.000 | 0.000 | 0.000 | ||||||||||||||||
K | 0.000 | 0.000 | 0.000 | 0.000 | 0.000 | 0.000 | 0.000 | 0.000 | 0.000 | 0.000 | 0.000 | 0.000 | 0.000 | 0.000 | 0.000 | 0.000 | ||||||||||||||||
Сумма | 8.000 | 8.000 | 8.000 | 8.000 | 8.000 | 8.000 | 8.000 | 8.000 | 8.000 | 8.000 | 8.000 | 8.000 | 8.000 | 8.000 | 8.000 | 8.000 | ||||||||||||||||
Таблица 4. Представительные анализы амфиболов из марганцевых проявлений Ольхонского террейна
Компоненты | 1 | 3 | 5 | |||||||||||||||||||
1881a | 3532-1 | 3532-3 | 3532-4 | 4006F | 1165a | |||||||||||||||||
SiO2 | 51. | 75 | 51. | 39 | 52. | 2 | 52. | 22 | 47. | 43 | 54. | 64 | 52. | 93 | 53. | 27 | 52. | 61 | 52. | 46 | 51. | 95 |
TiO2 | 0. | 33 | нпо | нпо | нпо | 1. | 47 | 0. | 13 | 0. | 22 | нпо | нпо | нпо | нпо | |||||||
Al2O3 | 2. | 91 | 0. | 66 | 0. | 93 | нпо | 7. | 37 | 2. | 55 | 2. | 1 | 0. | 55 | нпо | нпо | нпо | ||||
FeO | 16. | 15 | 24. | 92 | 22. | 84 | 23. | 36 | 19. | 89 | 7. | 38 | 13. | 43 | 21. | 83 | 24. | 43 | 16. | 48 | 16. | 42 |
MnO | 2. | 14 | 5. | 86 | 6. | 66 | 7. | 09 | 0. | 35 | 2. | 71 | 1. | 92 | 4. | 47 | 4. | 11 | 12. | 59 | 13. | 74 |
MgO | 12. | 95 | 13. | 65 | 12. | 84 | 12. | 67 | 9. | 88 | 18. | 79 | 14. | 97 | 15. | 31 | 15. | 44 | 14. | 15 | 12. | 64 |
CaO | 10. | 7 | 0. | 94 | 1. | 9 | 1. | 3 | 11. | 03 | 10. | 27 | 10. | 38 | 1. | 76 | 1. | 02 | 1. | 76 | 1. | 57 |
Na2O | 0. | 47 | нпо | нпо | нпо | 1. | 12 | 0. | 38 | 0. | 16 | нпо | нпо | нпо | нпо | |||||||
K2O | нпо | нпо | нпо | нпо | нпо | 0. | 13 | 0. | 13 | нпо | нпо | нпо | нпо | |||||||||
Сумма | 97. | 4 | 97. | 42 | 97. | 37 | 96. | 64 | 98. | 54 | 96. | 98 | 96. | 24 | 97. | 19 | 97. | 61 | 97. | 44 | 96. | 32 |
О=23 | ||||||||||||||||||||||
Si | 7. | 645 | 7. | 822 | 7. | 901 | 7. | 993 | 7. | 053 | 7. | 762 | 7. | 782 | 7. | 943 | 7. | 897 | 7. | 920 | 7. | 977 |
Ti | 0. | 037 | 0. | 000 | 0. | 000 | 0. | 000 | 0. | 164 | 0. | 014 | 0. | 024 | 0. | 000 | 0. | 000 | 0. | 000 | 0. | 000 |
Al | 0. | 507 | 0. | 118 | 0. | 166 | 0. | 000 | 1. | 292 | 0. | 427 | 0. | 364 | 0. | 096 | 0. | 000 | 0. | 000 | 0. | 000 |
Cr | 0. | 000 | 0. | 000 | 0. | 000 | 0. | 000 | 0. | 000 | 0. | 000 | 0. | 000 | 0. | 000 | 0. | 000 | 0. | 000 | 0. | 000 |
Fe2+ | 1. | 995 | 3. | 172 | 2. | 891 | 2. | 990 | 2. | 473 | 0. | 877 | 1. | 651 | 2. | 722 | 3. | 066 | 2. | 081 | 2. | 108 |
Mn | 0. | 268 | 0. | 756 | 0. | 854 | 0. | 919 | 0. | 044 | 0. | 326 | 0. | 239 | 0. | 564 | 0. | 523 | 1. | 610 | 1. | 787 |
Mg | 2. | 851 | 3. | 097 | 2. | 896 | 2. | 890 | 2. | 190 | 3. | 978 | 3. | 280 | 3. | 402 | 3. | 454 | 3. | 184 | 2. | 893 |
Ca | 1. | 694 | 0. | 153 | 0. | 308 | 0. | 213 | 1. | 758 | 1. | 563 | 1. | 635 | 0. | 282 | 0. | 164 | 0. | 285 | 0. | 258 |
Na | 0. | 135 | 0. | 000 | 0. | 000 | 0. | 000 | 0. | 323 | 0. | 105 | 0. | 046 | 0. | 000 | 0. | 000 | 0. | 000 | 0. | 000 |
K | 0. | 000 | 0. | 000 | 0. | 000 | 0. | 000 | 0. | 000 | 0. | 024 | 0. | 024 | 0. | 000 | 0. | 000 | 0. | 000 | ||
Рудопроявление 2 (координаты 52o40′43.1′′ с.ш., 106o23′56.1′′ в.д.) расположено в поле мелкозернистых пироксеновых роговиков у контакта с кальцитовыми мраморами. Проявление небольшое, близкое к изометричному по форме (около 5 м в диаметре). Для марганценосных роговиков характерна минеральная ассоциация Opx + Cpx + Grt + Pl + Kfs + Ilm. Минералы рудопроявления по содержанию марганца близки к таковым центральной части рудопроявления 1 (табл. 1–6, рис. 4).
Рудопроявление 3 (координаты 52о40′38.7′′ с.ш., 106о23′50.9′′ в.д.) приурочено к жиле гранитов (М = 10–12 м) между кальцитовыми мраморами и дайкой долеритов (рис. 3б), видимая мощность которой составляет не менее 5 м. В приконтактовой части гранитов с долеритами в гранитах марганцевая минерализация отсутствует. По мере приближения к контакту с мраморами наблюдается вначале пятнистая, а затем сплошная марганцевая минерализация, фиксируемая по черным коркам на выветрелой поверхности. Петрографические исследования показывают, что в гранитах по приближению к контакту с мраморами нарастает количество ассимилированных марганценосных базитов. И даже в гранитах (рис. 4в, 4г) ортопироксен обогащен марганцем (рис. 5). Существенно базитовая часть тела в приконтактовой зоне в той или иной степени проработана гранитным материалом (рис. 4д, 4е). В этой жиле в двух проанализированных образцах, отличающихся соотношением темноцветных и лейкократовых минералов, присутствует минеральная ассоциация Opx + Bt + Pl + + Kfs + Ilm ± Qtz. Содержание оксида марганца в темноцветных минералах заметно ниже по сравнению с двумя предыдущими рудопроявлениями: в ортопироксене и ильмените по 6–8 мас.% MnO. Составы ортопироксенов и ильменитов не различаются в лейкократовых (менее 10% темноцветных минералов) и меланократовых (более 30% темноцветных минералов) разностях.
Рудопроявление 4 (координаты 52o38′5.5′′ с.ш., 106o21′42.5′′ в.д.) в юго-западной части Крестовской зоны представляет собой крупный вытянутый фрагмент кварцитов в мраморном меланже. В кварцитах спорадически встречаются мелкие линзовидные тела обогащенных марганцем пород, легко диагностируемых по черным коркам на поверхности выветривания. Минеральная ассоциация Opx + Grt + Ilm + Qtz + + Aln + Zrn + Apt. Ортопироксены, гранаты и ильмениты характеризуются минимальным в изученных рудопроявлениях содержанием оксида марганца (5–6 мас.%, 11–12 мас.% и 3.4 мас.% MnO соответственно).
Рудопроявление 5 (координаты 52о46′35.1′′ с.ш., 106о33′45.2′′ в.д.) находится в устьевой части р. Анга и представляет собой маломощную (около 10 см) жилу в гранитогнейсах, прослеженную по условиям обнаженности менее чем на 10 м. Жила сложена в основном феррородонитом, гранатом и кварцем, с подчиненным количеством Mn-клинопироксена и марганцевого куммингтонита. В качестве вторичных присутствуют оксиды и гидроксиды марганца. Феррородонит (CaMn3Fe(Si5O15)), недавно утвержденный новый минерал (Shchipalkina et al., 2017), отличается от родонита повышенными содержаниями железа и кальция. Клинопироксены и куммингтониты характеризуются высоким содержанием марганца (10–12 мас.% и 12–14 мас.% MnO соответственно) (табл. 2, 4).
Рудопроявление 6 расположено в пределах Тажеранского массива щелочных и нефелиновых сиенитов и приурочено к ксенолиту кварцитов с прослоями гондитов (Конева, 2003; Конева и др., 1998). Гондиты представляют собой весьма тонкозернистые породы, сложенные пироксмангитом ((MnFe)[SiO3]), Mn-Fe-Mg ромбическим пироксеном, марганцовистым диопсидом, спессартином, кварцем с примесью альбита. Из акцессорных минералов отмечены ильменит, пирофанит (MnTiO3), апатит, циркон, рутил (Конева, 2003). Ромбический пироксен характеризуется максимальным содержанием MnO среди изученных рудопроявлений (табл. 1, рис. 5), достигающим 20 мас.% (Конева, 2013).
Цаган-Забинское месторождение (7 на рис. 1, 2) – единственное из проявлений марганца в пределах Ольхонского террейна, представляющее промышленный интерес. По существующим представлениям (Школьник и др., 2016; Школьник и др., 2018) марганцевые породы (руды) слагают два крутопадающих пластовых тела мощностью около 10 м каждое, согласных с напластованием вмещающей толщи (Бетехтин, 1946). Сами рудные тела характеризуются заметно выраженной слоистостью; слои различаются по содержанию MnO и по соотношению карбонатов и силикатов в составе пород. По последнему критерию все марганецсодержащие породы месторождения подразделяются на три группы: существенно карбонатные, силикатно-карбонатные и силикатные (Школьник и др., 2018). В двух первых группах пород основным минералом-концентратором марганца является кутнагорит (CaMn(CO3)2), при подчиненной роли флогопита, граната спессартин-гроссулярового ряда, Mn-куммингтонита и родонита. Силикатные разности марганцевых пород состоят из существенно спессартинового граната и марганцевого куммингтонита. На основании геохимических данных марганцевая минерализация имеет не гидрогенную (осаждение из морской воды), а гидротермальную природу. В качестве источника поступления рудоносного вещества в бассейн седиментации предполагается синхронная осадочному процессу эксгаляционно-гидротермальная деятельность (Школьник и др., 2016). Наши исследования дают основания для сомнений в такой трактовке природы месторождения и будут рассмотрены ниже.
Рис. 6. Фотографии сближенных даек бирхинской вулкано-плутонической ассоциации (темные линейные и будинированные тела) в береговых скалах Байкала (Крестовский субтеррейн).
ОБСУЖДЕНИЕ РЕЗУЛЬТАТОВ
Приведенное выше описание марганцевых проявлений Ольхонского террейна показывает невозможность применения какого-то единого механизма их образования. Некоторые из них, в частности проявления в пределах Тажеранского массива (рудопроявление 6) и во фрагменте кварцитов в мраморном меланже (рудопроявление 4), могли быть обогащенными марганцем существенно кремнистыми осадками, т.е. могут рассматриваться в качестве гондитов (Конева и др., 1998). Цаган-Забинское месторождение, судя по описаниям (Бетехтин, 1946; Школьник и др., 2016; Школьник и др., 2018), имеет гидротермально-осадочную природу. Однако остальные описанные рудопроявления совершенно не вписываются в представления о двух марганценосных горизонтах так называемой ангинской серии (Конева и др., 1998). Прежде всего, потому что не существует метаморфизованной осадочно-вулканогенной серии, выделенной в незапамятные времена (Павловский, Ескин, 1964), исходя из представлений об очень простом двучленном строении Приольхонья. Многочисленные исследования последних десятилетий, в том числе детальные карты (масштаб 1:10000, 1:12500) различных участков Ольхонского террейна (Скляров и др., 2013; Федоровский и др., 2009, 2014), синтезированные в карту всего Ольхонского региона м-ба 1:40000 (Федоровский и др., 2017), показали чрезвычайную сложность строения террейна. Об этом же свидетельствует многообразие протолитов различной природы и разного возраста, участвующих в структуре террейна (Donskaya et al., 2017). Реконструкция первичной стратификации не только затруднена, но практически невозможна. Наблюдаемая полосчатость на микро-, мезо- и макроуровне в метаморфических породах не отражает первично-осадочную слоистость, а обусловлена тотальной линеаризацией геологических комплексов в процессе вязко-пластического течения и синметаморфической дифференциацией вещества. Поэтому сложно предполагать, что эндогенные рудопроявления могут быть тектонически разобщенными фрагментами первично осадочно-вулканогенных марганценосных серий или горизонтов. Этому предположению противоречат и индивидуальные особенности состава и строения изученных проявлений марганца, которые рассмотрим ниже.
Прежде всего, отметим некоторые общие черты изученных рудопроявлений: 1) они приурочены к породам основного состава на контакте (или вблизи контакта) с карбонатными комплексами, причем разными – кальцитовыми мраморами (рудопроявления 2, 3, 7), кальцитовыми мраморами зоны мраморного меланжа (рудопроявление 4), кальцит-доломитовыми мраморами (рудопроявление 1), бруситовыми мраморами (рудопроявление 6). Исключение составляет только жила в гранитогнейсах (рудопроявление 5). Во всех случаях, кроме Цаган-Забинского месторождения, контактирующие мраморы не обнаруживают следов обогащения марганцем; 2) марганцем обогащены породы основного состава (SiO2 48–52 мас.%). На этом сходство рудопроявлений и заканчивается. В одном случае это тонкие прослои или линзы гондитов в кварцитах (рудопроявления 4, 6), в другом – осадочно-вулканогенная толща (рудопроявление 7), в третьем – дайка долеритов (рудопроявление 1), в четвертом – толща высокотемпературных роговиков базитового состава (рудопроявление 2), в пятом – жила гранитов, ассимилирующая обогащенные марганцем породы (рудопроявление 3), в шестом – жила существенно феррородонитового состава в гранитогнейсах (рудопроявление 5).
Если для первых двух вариантов применимы классические модели образования, то остальные рудопроявления предполагают отсутствие какого-либо стратиграфического контроля и на- личие других факторов, контролирующих локальную концентрацию марганца. Наиболее важными мы полагаем процессы метасоматоза, крайним случаем проявления которого является феррородонитовая жила в гнейсогранитах. В остальных же рудопроявлениях процессы метасоматоза являются субсинхронными с внедрением базитов усть-крестовского комплекса на фоне синдеформационного регионального метаморфизма.
Для понимания природы и обоснования модели образования марганцевых рудопроявлений наиболее интересным объектом является рудопроявление 1 в мелкозернистых базитах, в которых сохранились реликты офитовой структуры как в бедных (краевые части), так и в обогащенных марганцем (центральная часть) разностях. В долеритах сохраняется плагиоклазовый каркас, однако темноцветные минералы кристаллизовались в результате высокотемпературного термального воздействия уже обогащенных марганцем базитов. Температура кристаллизации, оцененная по двупироксеновому геотермометру, составляет 850–950оС (Скляров и др., 2017).
По химическому составу долериты рудопроявления соответствуют габброидам первой фазы усть-крестовского комплекса, возраст внедрения которых составляет 470 млн лет (Лавренчук и др., 2017). Вряд ли можно считать, что обогащение марганцем происходило в момент внедрения и кристаллизации порции базитовой магмы, однако и существенного временного разрыва между внедрением долеритов и образованием рудопроявления быть не должно, поскольку высокотемпературная кристаллизация Mn-пироксенов в долеритах, как и высокотемпературных роговиках рудопроявления 2, была обусловлена термальным воздействием габброидов второй фазы того же усть-крестовского комплекса. Сопоставляя относительно небольшие размеры тел габброидов второй фазы с достаточно широким ореолом высокотемпературного контактового метаморфизма (рис. 2), можно предполагать синметаморфическое внедрение габброидов (постпиковая стадия). При внедрении базитов в холодную среду (100–200оС) мощность высокотемпературных контактовых изменений составляла бы метры или первые десятки метров (Polyansky et al., 2003), но при фоновых температурах субстрата 500–600оС (уровень регионального метаморфизма), она могла существенно увеличиваться (Метелкин и др., в печати). Последовательность образования рудопроявления, таким образом, можно представить следующим образом: внедрение долеритов первой фазы усть-крестовского комплекса при синдеформационном метаморфизме, обогащение марганцем и преобразование долеритов высокотемпературными метасоматическими растворами, перекристаллизация базитов под воздействием внедрения габброидов второй фазы усть-крестовского комплекса. Граниты рудопроявления 3 несколько усложняют, но принципиально не меняют общую картину рудогенеза. Для усть-крестовского комплекса весьма характерны минглинг-тела (дайки и массивы), где в качестве лейкократового компонента выступают сиениты и лейкогаббро (Лавренчук и др., 2017). Однако в аналогах этого базитового комплекса на о-ве Ольхон и в юго-западной части Крестовского субтеррейна лейкократовые породы минглинг-даек представлены гранитами. По-видимому, обогащенные марганцем метасоматические растворы использовали те же структурные ловушки при синметаморфических деформациях, что и дайки долеритов или комбинированные тела пород усть-крестовского комплекса.
Таким образом, можно выделить три типа эндогенных Mn-рудопроявлений Ольхонского террейна: гондиты (метаморфизованные обогащенные марганцем осадки), метаморфогенно-магматогенно-метасоматические рудопроявления (1–3, 5) и осадочно-гидротермальное Цаган-Забинское месторождение. Следует отметить, что наши геологические наблюдения позволяют сомневаться в классической трактовке генезиса месторождения. Прежде всего, предложенная модель (Школьник и др., 2016) предполагает стратиграфическую природу линейных тел базитов и карбонатно-силикатных пород в мраморах. При детальном картировании Крестовского субтеррейна не было выявлено ни одного участка, достоверно свидетельствующего о переслаивании карбонатов и вулканитов, т.е. о нормальной стратиграфической ассоциации. Карбонаты в одних случаях слагают чешуи, тектонически совмещенные с вулканитами бирхинской вулкано-плутонической ассоциации, в других – – представляют собой инъекционные жилы в породах разного состава, в том числе в гранитах малокрестовского комплекса или габброи- дах усть-крестовского комплекса, в третьих – – слагают сравнительно крупные блоки, в одном из которых расположено Цаган-Забинское месторождение. В этих блоках действительно присутствуют базитовые тела, сложенные амфиболитами, однако, как показывает изучение скальных обнажений на Байкале, эти тела первоначально являлись не лавовыми потоками, а дайками, местами ветвящимися и с апофизами в карбонаты (рис. 6). По геохимическим особенностям дайки близки к габброидам и вулканитам Бирхинской вулкано-плутонической ассоциации. Преобладающая часть даек характеризуется небольшой мощностью (до 1 м), однако мощность нескольких даек, в том числе и в районе месторождения, может достигать десятка метров. Карбонатные блоки региона в таком случае являются частью того фундамента, на котором развивалась вулкано-плутоническая ассоциация. Таким образом, карбонаты не являются субсинхронными процессам магматизма и вулканизма осадками, будучи более древними. В таком случае приуроченность марганцевого оруденения к дайкам может свидетельствовать в пользу рудоконтролирующей роли последних и синметаморфической, метасоматической природе оруденения. Дополнительным аргументом в пользу такого предположения может служить широкое распространение в Крестовской зоне линейных тел скарноидов, приуроченных в большинстве случаев к контактам пород основного состава с мраморами (см. рис. 2). Такие тела обычно не содержат марганцевой минерализации, но несколько ее проявлений были обнаружены. Геохимические же критерии (Школьник и др., 2016) подтверждают лишь то, что марганцевые фазы отлагались не из морской воды, но не могут быть критерием для разделения эксгаляционно-гидротермального или метаморфогенно-метасоматического генезиса. По нашему мнению, выявленные проявления и Цаган-Забинское месторождение марганца имеют метаморфогенно-метасоматическую природу: процессы метасоматоза во время регионального и контактового метаморфизма приводили к переносу и отложению марганца в структурных ловушках.
ЗАКЛЮЧЕНИЕ
Приведенные геологические и минералогические данные свидетельствуют в пользу метасоматического генезиса большинства достаточно многочисленных эндогенных рудопроявлений марганца Ольхонского террейна. Метасоматические породы (не обязательно с повышенными содержаниями марганца) широко распространены в пределах Крестовского субтеррейна и связаны с эпохой активного коллизионного тектогенеза на рубеже около 470 млн лет, обусловившего интенсивные деформации и «перемешивание» вмещающих пород осадочного и магматического генезиса в условиях регионального метаморфизма эпидот-амфиболитовой фации, внедрение субщелочных базитов усть-крестовского комплекса и высокотемпературный контактовый метаморфизм (фация пироксеновых роговиков) с ними связанный. Обогащенные марганцем растворы использовали в том числе и проницаемые зоны (структурные ловушки), по которым внедрялись порции базитовых расплавов. Широкие вариации содержаний марганца в орто- и клинопироксене отражают его неравномерное валовое содержание в метасоматизированной породе, а также метасоматическую проработку, предшествующую образованию существующих минеральных ассоциаций. По существу генезис таких рудопроявлений можно считать полигенным, поскольку в их образовании кроме метасоматоза принимали участие процессы регионального и контактового метаморфизма, а также базитового магматизма.
Вопрос об источниках марганца для метасоматических растворов остается открытым. Это могли быть и осадочные или гидротермально-осадочные месторождения в составе протолитов Крестовского субтеррейна, расположенных в настоящее время на более глубоких уровнях коры.
Источники финансирования. Геологические изучение и опробование марганцевых проявлений осуществлялось при поддержке РФФИ (проект № 16-05-00202), минералогические исследования — при поддержке РНФ (№ 16-17-10180).
作者简介
E. Sklyarov
Institute of the Earth`s Crust of the Siberian Branch of the Russian Academy of Sciences; Far Eastern Federal University
编辑信件的主要联系方式.
Email: skl@crust.irk.ru
俄罗斯联邦, 128, Lermontova street, Irkutsk, 664033; 8 Sukhanova St., Vladivostok, 690950
A. Lavrenchuk
Institute of Geology and Mineralogy, Siberian Branch of the Russian Academy of Sciences; Novosibirsk State University
Email: alavr@mail.ru
俄罗斯联邦, 3, Koptyug prospect, Novosibirsk, 630090; 1, Pirogova street, Novosibirsk, 630090
A. Starikova
Institute of Geology and Mineralogy, Siberian Branch of the Russian Academy of Sciences; Novosibirsk State University
Email: skl@crust.irk.ru
俄罗斯联邦, 3, Koptyug prospect, Novosibirsk, 630090; 1, Pirogova street, Novosibirsk, 630090
V. Fedorovskii
Geological Institute RAS, Research Organization of the Russian Academy of Sciences
Email: valentinfedorovskii@mail.ru
俄罗斯联邦, 7, Pyzhevsky lane, Moscow, 119017
E. Khromova
Geological Institute, Siberian Branch of the Russian Academy of Sciences
Email: lena.khromova.00@mail.ru
俄罗斯联邦, 6A, Sakhyanova street, Ulan-Ude, 670047
参考
- Беличенко В.Г., Скляров Е.В., Добрецов Н.Л., Томуртогоо О. Геодинамическая карта Палеоазиатского океана. Восточный сегмент // Геология и геофизика. 1994. № 7–8. С. 29–41.
- Бетехтин А.Г. Промышленные марганцевые руды СССР. М.-Л.: Изд-во АН СССР, 1946. 315 с.
- Бибикова Е.В., Карпенко С.Ф., Сумин Л.В. и др. U-Pb, Sm-Nd, Pb-Pb и K-Ar возраст метаморфических и магматических пород Приольхонья (Западное Прибайкалье) // Геология и геохронология Сибирской платформы и прилегающих областей. Л.: Наука, 1990. С. 170—183.
- Гладкочуб Д.П., Донская Т.В., Федоровский В.С. и др. Фрагмент раннепалеозойской (~ 500 млн лет) островной дуги в структуре Ольхонского террейна (Центрально-Азиатский складчатый пояс) // Докл. АН. 2014. Т. 457. № 4. С. 429–433.
- Козаков И.К., Ковач В.П., Бибикова Е.В. и др. Поздне- рифейский этап формирования кристаллических комплексов Дзабханского микроконтинента: геологические, геохронологические и Nd-изотопно-геохимические данные // Петрология. 2014. Т. 22. № 5. С. 516–545.
- Козаков И.К., Сальникова Е.Б., Ковач В.П. и др. Основные этапы развития и геодинамическая обстановка формирования Южно-Хангайского метаморфического пояса Центральной Азии // Петрология. 2015. Т. 23. № 4. С. 339–362.
- Конева А.А. Mn-Fe-Mg ромбический пироксен из гондитовой формации Приольхонья (Западное Прибайкалье) // Записки ВМО. 2003. № 6. С. 60–63.
- Конева А.А., Макрыгина В.А., Резницкий Л.З. Гондиты в метаморфических толщах Прибайкалья // Литология и полезные ископаемые. 1998. № 1. С. 93–102.
- Лавренчук А.В., Скляров Е.В., Изох А.Э. и др. Особенности состава габброидов Крестовской зоны (Ольхонский регион, Западное Прибайкалье) как отражение взаимодействия надсубдукционной литосферной мантии с мантийным плюмом // Геология и геофизика. 2017. Т. 58. № 10. С. 1439–1458.
- Метелкин Д.В., Лавренчук А.В., Михальцов Н.Э. О возможности записи инверсии магнитного поля в долеритовых силлах Норильского района: результаты математического моделирования // Физика Земли (в печати).
- Павловский Е.В., Ескин А.С. Особенности состава и структуры архея Прибайкалья. М.: Наука, 1964. 128 с.
- Розен О.М., Федоровский В.С. Коллизионные гранитоиды и расслоение земной коры (примеры кайнозойских, палеозойских и протерозойских коллизионных систем). М.: Научный Мир, 2001. 256 с.
- Савельева В.Б., Медведева Т.И. Минералогия и условия образования двупироксеновых и гранато-кордиерито-гиперстеновых роговиков ангинской серии Западного Прибайкалья // Записки ВМО. 1996. № 2. С. 10–23.
- Савельева В.Б., Ущаповская З.Ф., Нартова Н.В. О кил- хоанитовой породе из Приольхонья (Западное Прибайкалье) // Записки ВМО. 1992. Т. 121. № 3. С. 111–117.
- Савельева В.Б., Медведева Т.И., Русакова В.А., Бондарева Г.В. Химизм, минеральные ассоциации и процессы преобразования мелилита в скарнах (на примере Прибайкалья) // Записки ВМО. 1996. № 6. С. 69–80.
- Скляров Е.В., Федоровский В.С., Котов А.Б. и др. Карбонатиты в коллизионных обстановках и квазикарбонатиты Ольхонской коллизионной системы // Геология и геофизика. 2009. Т. 50. № 12. С. 1405–1423.
- Скляров Е.В., Федоровский В.С., Мазукабзов А.М. и др. Аэрокосмическая геологическая карта юго-западной части Ольхонского региона (Байкал). Зона Крестовский–Широкая. Ольхонский геодинамический полигон. М.: Изд-во «Группа компаний A1 TIS», 2012.
- Скляров Е.В., Федоровский В.С., Котов А.Б. и др. Инъекционные карбонатные и силикатно-карбонатные комплексы в коллизионных системах (на примере Западного Прибайкалья, Россия) // Геотектоника. 2013. Т. 47. № 3. С. 58–77.
- Скляров Е.В., Лавренчук А.В., Пушкарев Е.В. и др. Беербахиты Приольхонья: геологическая позиция, минералогия и механизмы образования // Геодинамическая эволюция Центрально-Азиатского подвижного пояса: от океана к континенту (м-лы совещания). Иркутск: Изд-во ИГ СО РАН, 2017. Вып. 15. С. 254–257.
- Федоровский В.С. Купольный тектогенез в коллизионной системе каледонид Западного Прибайкалья // // Геотектоника. 1997. Т. 31. С. 483—497.
- Федоровский В.С. Геологическая карта юго-западной части Ольхонского региона. М-б 1:100 000. М.: Изд-во ГГМ, 2004.
- Федоровский В.С., Скляров Е.В. Ольхонский геодинамический полигон (Байкал): аэрокосмические данные высокого разрешения и геологические карты нового поколения // Геодинамика и тектонофизика. 2010. Т. 1. № 4. С. 331–418.
- Федоровский В.С., Добржинецкая Л.Ф., Молчанова Т.В., Лихачев А.Б. Новый тип меланжа (Байкал, Ольхонский регион) // Геотектоника. 1993. № 4. С. 30–45.
- Федоровский В.С., Владимиров А.Г., Хаин Е.В. и др. Тектоника, метаморфизм и магматизм коллизионных зон каледонид Центральной Азии // Геотектоника. 1995. №3. С. 3–22.
- Федоровский В.С., Скляров Е.В., Мазукабзов А.М. и др. Геологическая карта массива Тажеран. М.: Изд-во «Группа компаний A1 TIS», 2009.
- Федоровский В.С., Скляров Е.В., Изох А.Э. и др. Сдвиговый тектогенез и щелочно-базитовый магматизм в коллизионной системе каледонид Западного Прибайкалья // // Геология и геофизика. 2010. Т. 51. № 5. С. 682–700.
- Федоровский В.С., Скляров Е.В., Гладкочуб Д.П. и др. Аэрокосмическая геологическая карта Ольхонского региона (Байкал, Россия). М.: Изд. Профессиональный Центр Копимастер, 2017.
- Школьник С.И., Резницкий Л.З., Летникова Е.Ф., Ущаповская З.Ф. Минералогия и генетические особенности марганцевых пород Цаган-Забинского месторождения (Западное Прибайкалье) // Тихоокеанская геология. 2016. Т. 33. № 5. С. 3–16.
- Школьник С.И., Резницкий Л.З., Летникова Е.Ф., Ущаповская З.П. Минералогия и генетические особенности марганцевых пород Цаган-Забинского месторождения (Западное Прибайкалье) // Тихоокеанская геология. 2018 (в печати)
- Ярмолюк В.В., Ковач В.П., Коваленко В.И. и др. Состав, источники и механизмы формирования континентальной коры Озерной зоны каледонид Центральной Азии: I. Геологические и геохронологические данные // // Петрология. 2011. Т. 19. № 1. С. 56–79.
- Ярмолюк В.В., Козловский А.М., Саватенков В.М. и др. Состав, источники и геодинамическая природа гигантских батолитов Центральной Азии: по данным геохимических и изотопных Nd исследований гранитоидов зонального магматического ареала // Петрология. 2016. Т. 24. № 5. С. 468–498.
- Dill H.D. The «chessboard» classification scheme of mineral deposits: Mineralogy and geology from aluminum to zirconium // Earth Sci. Rev. 2010. V. 100. P. 1–420.
- Donskaya T.V., Gladkochub D.P., Fedorovsky V.S. et al. Pre-collisional (0.5 Ga) complexes of the Olkhon terrane (southern Siberia) as an echo of events in the Central Asian Orogenic Belt // Gondwana Res. 2017. V. 42. P. 243–263.
- Galuskin E.V., Gfeller F., Savelyeva V.B. et al. Pavlovskyite Ca8(SiO4)2(Si3O10): A new mineral of altered silikate-carbonate xenolits from the two Russian type lokalities, Birkhin massif, Baikal Lake area and Upper Chegem caldera, North Caucasus // Amer. Mineral. 2012. V. 97. P. 503–512.
- Polyansky O.P, Reverdatto V.V., Khomenko A.V. et al. Modeling of fluid flow and heat transfer induced by basaltic near-surface magmatism in the Lena–Tunguska petroleum basin (Eastern Siberia, Russia) // // Journal of Geochemical Exploration. 2003. V. 78–79. P. 687– 692.
- Shchipalkina N.V., Chukanov N.V., Pekov I.V. et al. Ferrorhodonite, CaMn3Fe(Si5O15), a new mineral species from Broken Hill, New South Wales, Australia // // Physics and Chemistry of Minerals. 2017. V. 44. № 5. P. 323–324.
- Sklyarov E.V. (Ed.) Structural and tectonic correlation across the Central Asia orogenic collage: North-Eastern segment (Guidebook and abstract volume of the Siberian Workshop IGCP-480). Irkutsk: Print IEC SB RAS, 2005. 291 p.
- Whitney D.L., Evans B.W. Abbreviations for names of rock-forming minerals // Amer. Mineral. 2010. V. 95. P. 185—187.
补充文件








