Analysis of the influence of the discrete period of the zero-order hold of the digital automatic control system on dynamic indicators of control quality
- Authors: Lysov V.E.1, Polyakov V.A.1
-
Affiliations:
- Samara State Technical University
- Issue: Vol 31, No 1 (2023)
- Pages: 34-46
- Section: Information Technology and Communications
- URL: https://journals.eco-vector.com/1991-8542/article/view/174993
- DOI: https://doi.org/10.14498/tech.2023.1.3
- ID: 174993
Cite item
Full Text
Abstract
The issue of increasing the accuracy of reproduction of the master signal in a digital system for automatic control of an electric drive in the presence of a zero-order extrapolator in the block diagram is considered. The formation of discreteness in a control system with a zero-order extrapolator is considered. The analysis of the influence of the extrapolator discreteness on the dynamic indicators of the system control quality is carried out. As indicators of the quality of control direct indicators: overshoot and time of the transition process. The necessary relationship between the zero-order extrapolator quantization frequency and the bandwidth frequency of the linear part of the system is shown, which ensures the approximation of the above indicators of the quality of control of a discrete system to those of an analog prototype. The bandwidth of the analog part of the system is determined from the logarithmic frequency response. The article provides a recommendation for choosing the quantization frequency of digital controllers with zero-order extrapolators for multi-loop control systems, for example, built on the principle of slave control systems.
Full Text
В теории автоматического управления для оценки переходного процесса используются как прямые, так и косвенные показатели качества. В статье применяем прямые показатели, которые вычисляются непосредственно из кривой переходного процесса. Анализ проводим по изменениям особо важных показателей качества в зависимости от дискретности экстраполятора: время переходного процесса tp и величины перерегулирования σ % [1, 2].
Функциональная схема электропривода с экстраполятором нулевого порядка показана на рис. 1 и состоит из цифрового регулятора и аналоговой части.
Рис. 1. Функциональная схема цифровой САУ: АЦП – аналогово-цифровой преобразователь; ЦП – центральный процессор; ЦАП – цифро-аналоговый преобразователь; КА – кодово-аналоговый преобразователь; Эк «0» - экстраполятор нулевого порядка; УПУ – усилительно-преобразовательное устройство; УМ – усилитель мощности; ИЭД – исполнительный электродвигатель; Kos – датчик обратной связи; xzd(t) – аналоговый сигнал задания; δ(t) – аналоговый сигнал ошибки; δ*(t) – дискретный сигнал; y*(t) – дискретный сигнал; l*(t) – дискретный сигнал; u(t) – аналоговый сигнал; z(t) – аналоговый сигнал на выходе системы; xos(t) – аналоговый сигнал обратной связи.
На вход системы подается аналоговый сигнал задания . Структурная схема строится по принципу систем подчиненного регулирования (СПР) [3, 4]. Непрерывная часть включает силовой преобразователь, питающий исполнительный электродвигатель (ИЭД) и усилительные устройства, обеспечивающие статическую точность системы. Дискретность системы автоматического управления (САУ) определяется регулятором, который включает в себя аналого-цифровой преобразователь (АЦП), преобразующий непрерывный сигнал в дискретный . Полученный код подается на центральный процессор (ЦП), где выполняется программа регулятора и который имеет определенную дискретность в выборе кода с АЦП и имеющей значение T. В эти же дискретные моменты времени код, полученный в результате вычислений в ЦП, подается в цифро-аналоговый преобразователь (ЦАП), который генерирует сигналы управления для аналоговой части электропривода – усилительно-преобразовательного устройства и усилителя мощности. ЦАП включает в себя кодово-аналоговый преобразователь и экстраполятор нулевого порядка, который удерживает полученный сигнал на период дискретности Т [5, 6]. Эта величина и определяет дискретность САУ. При преобразовании непрерывного сигнала в дискретный с выхода экстраполятора на период T происходит некоторая потеря информации. Этот процесс определен теоремой Котельникова-Шеннона [1, 7], но для ограниченного спектра сигнала.
В практических примерах сигналы, заданные на конечном интервале времени, всегда имеют спектр бесконечной величины, поэтому проявляется эффект алиасинга, который приводит к взаимовлиянию высокочастотных составляющих смещенных спектров сигнала. В этой связи динамические показатели качества цифровых САУ отличаются от получаемых в аналоговых системах. За эталон принимаются показатели качества аналогового прототипа, с ними будем сравнивать аналогичные для дискретной системы.
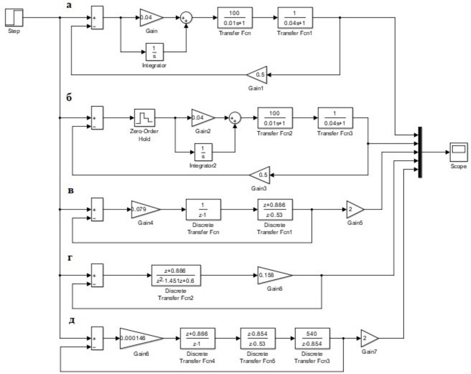
Рассмотрим изменения динамических показателей качества управления общепромышленного электропривода, построенного по принципу СПР и обеспечивающего технический оптимум системе. Анализ проводится на основании исследования первого внутреннего контура – контура тока с последующим обобщением выводов на другие контуры системы. Схема исследования показана на рис. 2.
Рис. 2. Схема модели САУ: а – аналоговая САУ; б – САУ с дискретным звеном Zero-order; в – САУ, представленная в форме Z-преобразования; г – замкнутая САУ в форме Z-преобразования; д – САУ, представленная в форме Z-преобразования с выделенным регулятором тока
Исследование проводится методом компьютерного моделирования в среде Matlab [8 – 10]. В этой связи целесообразно отметить, что схема на рис. 2, б, в которой дискретность определяется параметрами экстраполятора нулевого порядка (блок Zero-Order), схема на рис. 2, в, в которой желаемая разомкнутая система представлена в форме Z-преобразования, и схема на рис. 2, г, в которой регулятор и аналоговая часть системы представлены в форме Z-преобразования дают одинаковый отклик системы на единичное скачкообразное входное воздействие.
Для сравнения динамических показателей качества дискретной САУ с аналогичными показателями аналогового прототипа (рис. 2, а) используем схему на рис. 2, б, в которой наиболее просто менять период дискретности экстраполятора нулевого порядка.
Анализ аналитических зависимостей, определяющих динамические показатели качества управления, в общем виде в форме Z-преобразования затруднен. В этой связи дальнейшие исследования проводим с использованием численного способа по структуре, показанной на рис. 3.
Рис. 3. Структурная схема цифровой САУ
В расчетах принято:
– передаточная функция электродвигателя
,
где RS = 1 Ом – сопротивление обмотки статора, TE = 0,04 с – электромагнитная постоянная времени;
– передаточная функция силового преобразователя
,
где KSP =100 , TSP = 0,01 с – постоянная времени силового преобразователя;
– коэффициент датчика обратной связи по току KOST = 0,5 В/А.
Исходя из методики расчета регуляторов для СПР, находим передаточную функцию регулятора тока:
.
Таким образом в аналоговом прототипе применен ПИ регулятор. Подставив принятые параметры звеньев, получим:
.
При формировании схемы принят период дискретности экстраполятора нулевого порядка T0I = 0,00628 с. Это же значение дискретности использовалось при формировании схем в форме Z-преобразования.
Расчет по рис. 2, в желаемой разомкнутой САУ при упомянутых выше параметрах:
.
С учетом экстраполятора нулевого порядка:
,
численное значение с учетом :
,
отсюда
.
Выражение для передаточной функции регулятора тока в форме Z-преобразования определяется согласно методики синтеза систем СПР по зависимости:
,
откуда выразим передаточную функцию регулятора тока
. (1)
В зависимости (1) принято:
С учетом и принятых параметров получим:
.
Отсюда регулятор тока определяется зависимостью:
.
Расчетные значения для моделей при принятых параметрах показали:
- аналоговый прототип σ = 4,43 %; tp = 0,04 с;
- дискретные модели σ = 10 %; tp = 0,08 с при T01 = 0,00628 с.
Расчет с использованием Z-преобразования для каждого значения z достаточно трудоемкий, поэтому в дальнейшем будем сравнивать результат схемы рис. 2, а с результатами схемы рис. 2, б при различных значениях T0.
Оценивать степень приближения перерегулирования σ % и времени переходного процесса tp будем путем сравнения полосы пропускания аналогового прототипа ωc с частотой квантования электраполятора нулевого порядка ω0. Результаты моделирования и полученные значения динамических показателей качества управления сведены в таблицу. Частота полосы пропускания аналоговой САУ выявляется из построения логарифмической амплитудно-частотной характеристики (ЛАЧХ) для данных параметров для контура тока показана на рис.6 и составляет ωcI = 50 с-1. Частоту квантования экстраполятора ω0I ставим в несколько раз больше частоты ωcI посредством коэффициента усиления K. Период дискретности контура тока T0I вычисляется отношением . Перерегулирование σ % определяет максимальное отклонение управляемой координаты от её установившегося значения [1] и определяется по зависимости
.
Результаты моделирования и полученные значения динамических показателей качества управления
Коэффициент K усиления частоты | Частота квантования экстраполятора ω0I, с-1 | Период дискретности экстраполятора T0I, с | Максимальное значение zmax | Установившееся значение zu | Перерегулирование σ % | Время переходного процесса tp, с |
3 | 150 | 0,042 | 3,61 | 2 | 80 | 0,335 |
5 | 250 | 0,025 | 2,81 | 2 | 40,5 | 0,18 |
10 | 500 | 0,01256 | 2,38 | 2 | 19 | 0,08 |
15 | 750 | 0,00837 | 2,25 | 2 | 12,5 | 0,08 |
20 | 1000 | 0,00628 | 2,2 | 2 | 10 | 0,08 |
25 | 1250 | 0,005 | 2,17 | 2 | 8,5 | 0,074 |
30 | 1500 | 0,0042 | 2,157 | 2 | 7,8 | 0,077 |
По результатам моделирования в таблице построены графики изменения перерегулирования и времени переходного процесса дискретной системы от частоты квантования экстраполятора нулевого порядка.
Для построения желаемой ЛАЧХ были рассчитаны: ;
; ;
; .
Анализ результата моделирования САУ, настроенной на технический оптимум, показывает, что для приближения динамических показателей качества дискретной САУ с экстраполятором нулевого порядка (рис.4, 5) необходимо обеспечить условие определения частоты квантования ω0 относительно полосы пропускания линейной части системы ωс соотношением .
Рис. 4. Зависимость величины перерегулирования от частоты квантования экстраполятора
Рис. 5. Зависимость времени переходного процесса от частоты квантования экстраполятора
Последнее выражение позволяет получить период дискретизации экстраполятора, обеспечивающий требуемую точность воспроизведения сигнала задания [11].
При расчете регуляторов в многоконтурных САУ, например, при наличии контура скорости и контура положения, целесообразно принимать частоту квантования экстраполятора с минимальным периодом. В силу того, что полоса пропускания контура тока выше, чем полосы пропускания контура скорости и контура положения, то период дискретности контура тока еще в большей степени эквивалентно уменьшится в упомянутых выше контурах. Для рассмотренного примера желаемая передаточная функция контура скорости аналоговой части имеет вид
;
;
; ,
а для контура положения
;
;
; .
Логарифмические амплитудно-частотные характеристики на рис. 6.
Рис. 6. Желаемая ЛАЧХ разомкнутой САУ, настроенной на технический оптимум: 1 – ЛАЧХ контура тока, 2 – ЛАЧХ контура скорости, 3 – ЛАЧХ контура положения.
Полоса пропускания контура скорости . Требуемое минимальное значение дискретности экстраполятора , где , откуда , а для контура положения , , откуда .
Полученные значения периодов дискретности превышают аналогичные для контура тока (T0I = 0,005 с, табл.), а, следовательно, устанавливая в них значение T0 = 0,005 с, существенно приближаем динамические показатели качества управления к аналоговому прототипу. В качестве примера на рис. 7 приведена трехконтурная САУ, включающая выше рассмотренный токовый контур, контур скорости с регулятором скорости Кpv = 50 и передаточной функцией электродвигателя связывающей частоту вращения с напряжением . Здесь TM – электромеханическая постоянная времени. Контур положения имеет коэффициент KRP = 12,5 и передаточную функцию редуктора, связывающего частоту вращения с углом поворота якоря двигателя .
Рис. 7. Схема модели трехконтурной САУ
Переходный процесс для случая, когда все три регулятора имели дискретность экстраполяторов Т0 = 0.00628 с показан на рис. 8. На рис. 9 показан переходный процесс, когда в контуре тока дискретность экстраполятора Т0i=0.00628 с, в контуре скорости Т0V=0.014 с, в контуре положения Т0P=0.014 с.
Рис. 8. Переходный процесс цифровой САУ для значений периодов дискретности контуров тока, скорости и положения T0 I = T0 V = T0 P = 0,00628 с.
Рис. 9. Переходный процесс цифровой САУ для значений периодов дискретности контуров тока, скорости и положения T0I = 0,025 с, T0V = 0,014 с, T0P = 0,00628 с.
Значение дискретности экстраполятора для каждого контура рассчитывалась из условия . Анализ динамических показателей качества управления [12] показывает на то, что для переходного процесса на рис. 8. значения перерегулирования σ%=5% и время переходного процесса tpp = 0.13 с.Эти показатели близки к показателям аналогового прототипа.
Динамическим показателям качества управления для переходного процесса показанного на рис. 9. соответствуют σ%=29% и tpp=0.35 с и повышенная колебательность, что существенно отличается от аналогового прототипа.
Приведенный пример подтверждает выводы полученные в результате анализа влияния дискретности экстраполятора нулевого порядка на динамические показатели качества управления систем автоматического управления
Заключение
Рассмотрен вопрос расчета периода дискретности экстрополятора нулевого порядка в многоконтурной САУ. Доказано, что для обеспечения динамических показателей качества САУ, приближающихся к аналогичным необходимо, чтобы соотношение между частотой квантования экстраполятора ω0 и частотой полосы пропускания линейной части САУ ωс находилось в пределах в первом контуре. Приведен численный пример и результаты моделирования, подтверждающие сделанный вывод.
About the authors
Vladimir E. Lysov
Samara State Technical University
Email: 67lysov@mail.ru
(Dr. (Techn.)), Professor
Russian Federation, 443100, Samara, st. Molodogvardeyskaya, 244Vasilij A. Polyakov
Samara State Technical University
Author for correspondence.
Email: 67lysov@mail.ru
Postgraduate Student
Russian Federation, 443100, Samara, st. Molodogvardeyskaya, 244References
- Lysov V. Ye. Theory of automatic control [Teoriya avtomaticheskogo upravleniya]. M.: Mashinostroyeniye, 2010. 500 pp. (In Russian).
- Nikitin K.V. Theory of automatic control. Discrete control systems [Teoriya avtomaticheskogo upravleniya. Diskretnye sistemy upravleniya]. Sankt-Peterburg. 2010. 251 pp. (In Russian).
- Lysov V.Ye., Peshev Ya. I. Theoretical foundations of discrete automatic control systems [Teoreticheskie osnovy diskretnykh sistem avtomaticheskogo upravleniya]. Samara: ASI SamGTU, 2018. 160 pp. (In Russian).
- Rapoport E. Ya. Systems of subordinate control of DC electric drives [Sistemy podchinennogo regulirovaniya elektroprivodov postoyannogo toka]. Kuybyshev, 1985. 55 pp. (In Russian).
- Lysov V. Ye., Sidorov I. S. Analysis of the influence of the quantization frequency of a digital position controller of a position-servo electric drive on the dynamic indicators of control quality [Analiz vliyaniya chastoty kvantovaniya tsifrovogo regulyatora polozheniya pozitsionno-sledyashchego elektroprivoda na dinamicheskiye pokazateli kachestva upravleniya] // Mekhatronika, Avtomatizatsiya, Upravleniye. 2016. 17(10). P. 685 – 689. (In Russian).
- Yagodkina T. V., Besedin V. M. Theory of automatic control [Teoriya avtomaticheskogo upravleniya: uchebnik i praktikum dlya bakalavriata i spetsialiteta]. M.: Yurayt, 2018. 470 pp. (In Russian).
- Ivanov V.A., Usenko A.S. Theory of discrete automatic control systems [Teoriya diskretnye sistemy avtomaticheskogo upravleniya]. M.: MGTU N. E. Baumana, 2015. 348 pp. (In Russian).
- Kudinov Yu. I., Pashchenko F. F. Automatic control theory (using Matlab - Simulink) [Teoriya avtomaticheskogo upravleniya (s ispol’zovaniem Matlab Simulink)]. SPb: Lan’, 2017. 208 pp. (In Russian).
- Anuchin A. S. Electric drive control systems [Sistemy upravleniya elektroprivodov]. M.: MEI, 2015. 373 pp. (In Russian).
- Gayduk A. R., Belyaev V.E. Theory of automatic control in examples and problems with solutions in Matlab [Teoriya avtomaticheskogo upravleniya v primerakh i zadachakh s resheniyami v Matlab]. SPb: Lan’, 2016. 416 pp. (In Russian).
- Kombarov V.V., Sorokin V.F. Limiting the approximation error of curved trajectories when choosing the frequency of the control cycle of CNC systems, taking into account the technological parameters of the equipment [Ogranicheniye pogreshnosti approksimatsii krivolineynykh trayektoriy pri vybore chastoty tsikla upravleniya system CHPU s uchotom tekhnologicheskikh parametrov oborudovaniya] // Otkrytyye informatsionnyye i komp'yuternyye tekhnologii, 2013. 59. Pp. 132 – 139. (In Russian).
- Sverdlov R.V. Linear automatic control systems. Fundamentals of analysis, the beginning of synthesis [Lineinaya systemy avtomaticheskogo upravleniya. Osnovye analiza , nachalo syntesa]. Nigniey-Novgorog: NGTU, 2021. 159 pp. (In Russian).
Supplementary files












