Динамическая модель котла-утилизатора на базе рекуррентной нейронной сети
- Авторы: Лысенко Д.С.1, Данилушкин И.А.1
-
Учреждения:
- Самарский государственный технический университет
- Выпуск: Том 28, № 2 (2020)
- Страницы: 59-72
- Раздел: Информатика, вычислительная техника и управление
- URL: https://journals.eco-vector.com/1991-8542/article/view/41738
- DOI: https://doi.org/10.14498/tech.2020.2.4
- ID: 41738
Цитировать
Полный текст
Аннотация
Работа посвящена разработке динамической модели водогрейного котла-утилизатора на базе рекуррентной нейронной сети. Разработанная модель может быть использована при создании компьютерных тренажеров для операторов газотурбинных установок, технологов и эксплуатирующего персонала. Объект моделирования представлен как сложная термодинамическая система. Динамические процессы, протекающие внутри котла, нелинейны и взаимосвязаны. Изменения технологических параметров отработанных газов происходят в диапазонах, не позволяющих получить приемлемое качество линеаризованной модели. В связи со сложностью создания математического описания, учитывающего работу установки в разных режимах, для реализации задачи моделирования были выбраны рекуррентные нейронные сети. На базе рекуррентной нейронной сети была синтезирована динамическая модель, которая описывает изменение технологических параметров котла-утилизатора в режимах работы «Разгон», «Номинальная нагрузка», «Останов». В качестве выхода модели выступает температура сетевой воды за котлом. Созданная модель учитывает изменение расхода сетевой воды, изменение температуры воды на входе, рост и уменьшение температуры и давления отработанного газа на входе котла-утилизатора. При формировании обучающих и тестовых выборок для нейронной сети были использованы архивные тренды, полученные в процессе эксплуатации котла-утилизатора. В статье приводятся экспериментальные данные, описание этапов синтеза нейросетевой модели, структурные и графические схемы, результаты моделирования с пояснениями.
Полный текст
Введение
Котлы-утилизаторы – это сложные термодинамические системы. Процессы, протекающие в них, имеют нелинейную динамику. Котлы-утилизаторы используют энергию отработанного газа от различных технологических установок, например газотурбинных (ГТУ). Характерных для топливосжигающих котлоагрегатов горелок, систем подготовки и подачи топлива котлы-утилизаторы не имеют [1, 2]. Самыми сложными этапами в процессе эксплуатации котла-утилизатора являются режим разгона газотурбинной установки и начало процесса утилизации энергии газа, режим останова газотурбинной установки с завершением процесса утилизации [3].
Когда объектом моделирования выступает сложная система и нет необходимости структурного соответствия, хороший результат могут обеспечить адаптивные методы моделирования. К адаптивным методам моделирования относятся аппарат нечеткой логики и нейронные сети [4]. Широкий спектр решаемых задач, включая моделирование сложных систем, синтез моделей без наличия «строгого» математического описания, возможность создания динамических моделей и заложенная в архитектуру адаптивность определяют выбор рекуррентных нейронных сетей [5]. Для синтеза нейросетевой модели необходима методика.
Синтез нейросетевой модели – это комплексный процесс, состоящий из ряда последовательных этапов. От решений, применяемых на каждом этапе, зависит конечный результат – адекватное поведение модели, ее схожесть с реальным объектом [6]. Непосредственно этапу синтеза модели предшествует этап сбора, обработки и анализа данных. После того как модель будет синтезирована, она должна пройти процесс верификации.
В результате анализа методик создания и обучения нейронных сетей обнаружен ряд общих рекомендаций [7–11], на основании которых была разработана нейросетевая модель котла-утилизатора с учетом особенностей объекта моделирования и технологического процесса утилизации газа.
Для создания динамической модели котла-утилизатора на базе рекуррентной нейронной сети необходимо решить следующие задачи:
1) сформировать обучающую выборку для нейронной сети;
2) построить и обучить нейросетевую модель котла-утилизатора;
3) провести верификацию разработанной модели для подтверждения соответствия реальной системе.
Модель должна удовлетворять трем требованиям:
– адекватность – разрабатываемая модель должна соответствовать реальной системе, учитывать наиболее важные качества объекта, связи и характеристики;
– точность – модель должна давать результат, который укладывается в заранее установленные погрешности моделирования;
– универсальность – модель должна быть применима для анализа системы, работающей в разных режимах.
Область применения модели – компьютерные тренажеры для операторов ГТУ, технологов и эксплуатирующего энергетическую установку персонала [12].
В статье представлены этапы синтеза нейросетевой модели, процесс обучения нейронной сети и результаты верификации модели. При формировании обучающих и тестовых выборок для нейронной сети были использованы архивные тренды, полученные в процессе эксплуатации реального котла-утилизатора. Инструментом реализации были выбраны пакет прикладных программ MATLAB с библиотекой Neural Network Toolbox и пакет моделирования динамических систем Simulink.
Описание технологического процесса
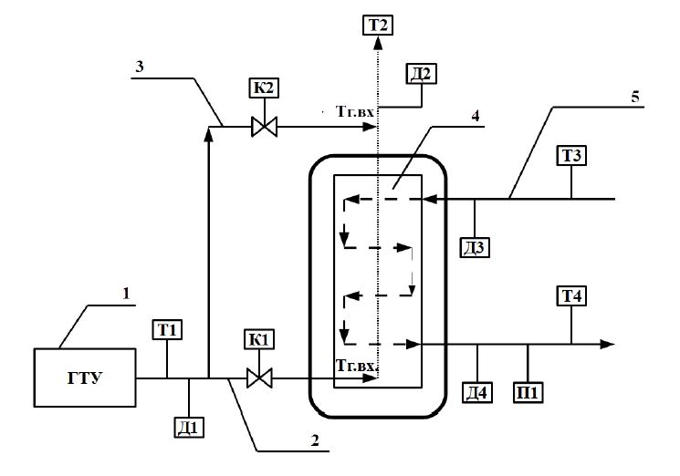
Функциональная схема котла-утилизатора водогрейного типа представлена на рис. 1. Теплообменник котла представляет собой набор пакетов змеевиков, по трубам которых циркулирует вода. Котлы предназначены для подогрева сетевой воды, которая используется для обеспечения технологических процессов или отопления и горячего водоснабжения промышленных или жилых комплексов [13]. Внутри котла утилизируется энергия газа, поступающего с газотурбинной установки.
Рис. 1. Функциональная схема котла-утилизатора: 1 – газотурбинная установка; 2 – основной газопровод подачи отработанного газа; 3 – обводной газопровод подачи отработанного газа; 4 – теплообменник котла-утилизатора; 5 – трубопровод подачи сетевой воды; Т1 – датчик температуры отработанного газа на входе в котел; Д1 – датчик давления отработанного газа на входе в котел; К1 – клапан основного газопровода; К2 – клапан обводного газопровода; Т2 – датчик температуры газа на выходе из котла; Д2 – датчик давления газа на выходе из котла; Т3 – датчик температуры сетевой воды на входе в котел; Д3 – датчик давления сетевой воды на входе в котел; Т4 – датчик температуры сетевой воды на выходе из котла; Д4 – датчик давления сетевой воды на выходе из котла; П1 – датчик расхода сетевой воды
Режим «Холодное состояние». В режиме «Холодное состояние» утилизации энергии газа не происходит. Клапан основного газопровода подачи газа закрыт, клапан обводного газопровода открыт. Температура сетевой воды на выходе котла равна температуре сетевой воды на входе.
Режим «Разгон». В режим «Разгон» котел переходит после запуска газотурбинной установки. Запуск газотурбинной установки осуществляется на обводной газопровод. После запуска ГТУ клапан основного газопровода переводится в открытое состояние, клапан обводного газопровода закрывается, в котел-утилизатор поступает отработанный газ. Температура и давление газа возрастают c 0 до 500 °С и с -0,2 до 0,75 кПа. На вход котла подается вода температурой 42–52 °С; отработанный газ, проходя через котел, нагревает трубы теплообменника. Расход воды через котел-утилизатор составляет от 200 до 450 м3/час. В режиме «Разгон» температура сетевой воды за котлом изменяется в пределах 43–90 °С.
Режим «Номинальная нагрузка». В этот режим котел-утилизатор переходит после выхода ГТУ на номинальную мощность. Клапан основного газопровода полностью открыт, клапан обводного газопровода закрыт, в установку подается газ с постоянной температурой и давлением. Температура отработанного газа равна 500–520 °С, давление 0,5–0,75 кПа. Расход сетевой воды изменяется в диапазоне 450–700 м3/час. Диапазон изменения температуры воды на выходе из котла равен 80–94 °С. Номинальная температура сетевой воды на выходе из котла 95 °С [14].
Режим «Останов». В режим «Останов» котел-утилизатор переходит после останова ГТУ. Температура отработанного газа понижается с 500 до 0 °С, давление с 0,7 до -0,2 кПа, клапан основного газопровода переводится в закрытое состояние, клапан обводного газопровода переводится в открытое состояние или частично закрытое, котел переходит в режим «Холодное состояние». Температура сетевой воды за котлом понижается с 90 до 45–50 °С.
Создание модели котла-утилизатора на базе рекуррентной нейронной сети
Конечной точкой работы является модель, которая отображает реальные процессы, протекающие внутри котла-утилизатора, и которую можно использовать при создании компьютерных тренажеров. Синтез нейросетевой модели котла-утилизатора включает три последовательных этапа:
– этап, на котором подготавливаются данные для обучения нейронной сети;
– этап, на котором разработчик синтезирует модель;
– этап, на котором тестируется модель.
Этап «Подготовка данных». На этапе подготовки данных были определены входы и выходы модели. При выборе входных параметров следует выбирать параметры, которые оказывают существенное влияние на выходную переменную. Выходным параметром нейросетевой модели выступает температура сетевой воды за котлом (Two). В качестве входных параметров используются: расход сетевой воды (Fw), температура сетевой воды на входе в котел (Twi), давление отработанного газа на входе в котел (Pg), температура газа на входе в котел (Tg).
После определения входных и выходных параметров нейросетевой модели дальнейшей задачей является формирование обучающих и тестовых выборок. При формировании обучающей выборки необходимо исходить из поставленной цели и задачи моделирования. Данные обучающей выборки должны включать информацию обо всех режимах работы, для которых создается модель.
Для обучения и верификации нейронной сети использовались архивные тренды, полученные в процессе эксплуатации котла-утилизатора. Данные регистрировались с интервалом в одну минуту. В распоряжении было шесть выборок. Выборки № 1 и № 2 были получены в процессе разгона котла из холодного состояния (841 и 722 минут соответственно), выборки № 3 и № 4 связаны с режимом «Номинальная нагрузка» (1440 минут каждая), выборки № 5 и № 6 содержат данные последовательного перехода котла через режимы «Номинальная нагрузка», «Останов», «Холодное состояние», «Разгон» (1440 минут каждая). Изначально для обучения нейронной сети использовалось практически 100 % данных выборок № 1, № 3, № 6 – данные не были обработаны. Использование обучающей выборки, сформированной из необработанных данных, привело к низкой обобщающей способности нейронной сети, при этом ошибки моделирования превысили заранее установленные пределы. В процессе обработки данных из обучающей выборки были исключены аномальные выбросы, при которых значение одного из параметров резко изменяется на одну-две минуты; также в обучающую выборку не были включены интервалы, соответствующие установившимся режимам работы котла-утилизатора. После исключения аномальных выбросов и данных установившихся режимов полный объем обучающей выборки составил 20 % данных выборки № 1, 20 % данных выборки № 3 и 15 % данных выборки № 6. Диапазоны изменения параметров модели: температура сетевой воды за котлом 43–94 °С; расход сетевой воды 230–700 м3/час; температура сетевой воды на входе в котел 43–52 °С; давление газа на входе -0,2–0,65 кПа; температура газа на входе 0–500 °С. Из выборки № 6 были взяты только данные, соответствующие режиму «Останов», данные режима «Номинальная нагрузка» имеют нехарактерное по сравнению с остальными выборками поведение параметра «Температура сетевой воды за котлом». Предположительно отличие данных из выборки № 6 связано с положением регулирующих клапанов на основном и обводном газопроводе. Для моделирования данной ситуации необходимо вводить дополнительные признаки и вектор входов. Исходные данные обучающей выборки приведены на рис. 2–6.
Рис. 2. График изменения параметра «Температура сетевой воды за котлом»
Рис. 3. График изменения параметра «Расход сетевой воды»
Качество обучающих данных, их полнота и достоверность в наибольшей степени определяют конечный результат моделирования, поэтому этап подготовки данных является главным этапом при синтезе нейронной модели.
Рис. 4. График изменения параметра «Температура сетевой воды на входе в котел»
Рис. 5. График изменения параметра «Давление газа на входе в котел»
Рис. 6. График изменения параметра «Температура газа на входе в котел»
Этап «Синтез модели». Синтез нейросетевой модели заключается в выборе типа нейронной сети, алгоритма обучения, количества нейронов в слое и соотношения тренировочных, валидационных, тестовых данных.
Согласно требованиям модель котла-утилизатора должна учитывать динамику объекта. Нелинейная авторегрессионная нейронная сеть с внешним входом позволяет принимать решения, основываясь на входных данных и состоянии объекта на предыдущих тактах моделирования [15, 16]. Вид синтезируемой нейросетевой модели аналогичен представленному на рис. 7. Данная модель представляет двухслойную сеть с задержками входного и выходного сигнала. Задержки позволяют нейронной сети принимать решения на основании не только текущих значений входа и выхода, но и значений на предыдущих тактах [17]. Такая структура нейронной сети позволяет реализовать динамическое отображение вида
(1)
где выходной сигнал y[t] для t-того такта квантования по времени рассчитывается на основании входного сигнала и выходного сигнала y на предыдущих тактах. Число тактов, учитываемых при вычислении, определяется значениями N и M.
Обучение нейронной сети – это параметрическая идентификация, в ходе которой подбираются значения синаптических весов нейронной сети. Лучший результат обучения на данных обучающей выборки (см. рис. 2–6) был получен при использовании алгоритма обучения «байесовская регрессия». Количество нейронов в скрытом слое равно 10. Соотношение тренировочных, валидационных, тестовых данных было равно 60; 20; 20 %. В качестве функции активации для нейронов скрытого слоя была выбрана функция гиперболического тангенса, для нейронов внешнего слоя выбрана линейная функция активации. Показатель эффективности нейронной сети рассчитывался по методу средней квадратичной ошибки (MSE):
(2)
где
yi – фактический ожидаемый результат;
ỹi – прогноз модели;
n – размер обучающей выборки.
Этап «Верификация модели». На этапе верификации формируется методология проверки и оценки созданной модели. Самым простым способом проверки схожести созданной модели и реального объекта является тестирование модели на реальных данных. Для верификации нейросетевой модели использовались выборки, из которых была взята часть данных для обучения нейронной сети; выборки, данные которых не были включены в процесс обучения. Было поставлено требование о валидности – модель должна имитировать поведение котла-утилизатора в трех режимах: «Разгон», «Номинальная нагрузка», «Останов». Требования к точности моделирования были сформированы на основании экспертной оценки поведения модели объекта [18, 19]. Были приняты следующие численные величины отклонения выходных параметров модели в сравнении с данными реального объекта: для режима «Разгон» и «Останов» погрешность моделирования должно быть не более 10 %, для режима «Номинальная нагрузка» отклонение моделируемых величин не должно превышать 5 %.
Вычислительный эксперимент
В результате выполнения действий, описанных в предыдущем пункте, была синтезирована модель. На рис. 7 представлена структурная схема нейронной сети, реализованная в библиотеке Neural Network Toolbox пакета MATLAB.
Рис. 7. Структурная схема нейронной сети
Выходное значение y(t) формируется на основании трех предыдущих тактов значений вектора x(t) и значений выходной координаты y(t) на трех предыдущих тактах.
При проведении вычислительного эксперимента на вход нейросетевой модели подавались данные выборок № 1–5. Вычислительный эксперимент включает:
1) тестирование на данных, часть которых была включена в обучающую выборку (рис. 8, рис. 10);
2) тестирование на независимых данных – данные не были включены в обучающую выборку (рис. 9, рис. 11, рис. 12).
На рис. 8 приведены результаты моделирования при подаче на вход нейронной сети внешних воздействий, взятых из выборки № 1. Данные выборки № 1 относятся к режиму «Разгон». Для выборки характерны следующие диапазоны изменения входных параметров: расход сетевой воды 230–450 м3/час, температура сетевой воды на входе 43–49 °С, давление газа -0,2–0,6 кПа, температура газа 0–500 °С. На рисунке приведен результат моделирования на всем диапазоне изменения и на участке разгона.
На рис. 9 приведены результаты моделирования при подаче на вход нейронной сети внешних воздействий, взятых из выборки № 2. Данные выборки № 2 относятся к режиму «Разгон». Для выборки характерны следующие диапазоны изменения входных параметров: расход сетевой воды 420–450 м3/час, температура сетевой воды на входе 50–52 °С, давление газа -0,2–0,7 кПа, температура газа 0–510 °С. На рисунке приведен результат моделирования как на всем диапазоне изменения, так и на участке разгона.
На рис. 10 приведены результаты моделирования при подаче на вход нейронной сети внешних воздействий, взятых из выборки № 3. Данные выборки № 3 относятся к режиму «Номинальная нагрузка». Для выборки характерны следующие диапазоны изменения входных параметров: расход сетевой воды 400–720 м3/час, температура сетевой воды на входе 50–54 °С, давление газа 0,5–0, 6 кПа, температура газа 500–510 °С.
На рис. 11 приведены результаты моделирования при подаче на вход нейронной сети внешних воздействий, взятых из выборки № 4. Данные выборки № 4 относятся к режиму «Номинальная нагрузка». Для выборки характерны следующие диапазоны изменения входных параметров: расход сетевой воды 450–550 м3/час, температура сетевой воды на входе 50–53 °С, давление газа 0,5–0,75 кПа, температура газа 500–515 °С.
Рис. 8. Результат моделирования на данных выборки № 1: а – весь диапазон; б – режим «Разгон»
Рис. 9. Результат моделирования на данных выборки № 2: а – весь диапазон; б – режим «Разгон»
Рис. 10. Результат моделирования на данных выборки № 3
Рис. 11. Результат моделирования на данных выборки № 4
Рис. 12. Результат моделирования на данных выборки № 5: а – весь диапазон; б – режим «Останов»; в – режим «Разгон»
На рис. 12 приведены результаты моделирования при подаче на вход нейронной сети внешних воздействий, взятых из выборок № 5. Данная выборка включает данные трех режимов работы. Из режима «Номинальная нагрузка» котел переводится в режим «Останов», вторая часть выборки содержит данные перехода из режима «Разгон» в режим «Номинальная нагрузка». Для выборки характерны следующие диапазоны изменения входных параметров: расход сетевой воды 420–450 м3/час, температура сетевой воды на входе 50–53 °С, давление газа -0,2–0,7 кПа, температура газа 0–510 °С. На рисунке приведен результат моделирования как на всем диапазоне изменения, так и на участках, соответствующим режимам «Останов» и «Разгон».
Точность модели оценивалась по величине средней ошибки. В таблице приведены данные средней ошибки моделирования на выборках № 1–5.
Данные средней ошибки моделирования на выборках № 1–5
Средняя ошибка | № 1 | № 2 | № 3 | № 4 | № 5 |
Весь диапазон, °С | 0,62 | 0,87 | 0,29 | 0,68 | 0,79 |
Режим «Разгон», °С | 2,01 | 1,45 | – | – | 1,71 |
Режим «Останов», °С | – | – | – | – | 1,57 |
Заключение
Работа посвящена синтезу модели котла-утилизатора на базе рекуррентной нейронной сети. В ходе работы была синтезирована модель, учитывающая изменение четырех технологических параметров и значение выходной координаты на предыдущих тактах. Разработанная модель актуальна для трех режимов работы котла-утилизатора: «Разгон», «Номинальная нагрузка» и «Останов». Модель корректно описывает поведение технологического параметра «Температура сетевой воды за котлом» в диапазоне 43–95 °С, при изменении расхода воды через котел в диапазоне 230–710 м3/час, температуры сетевой воды на входе в диапазоне 43–54 °С, температуры и давления газа в диапазоне 0–515 °С, -0,2–0,75 кПа. Синтез нейросетевой модели производился в три последовательных этапа: этап сбора и обработки данных, этап синтеза нейронных моделей и этап верификации. Каждый этап включал в себя несколько взаимосвязанных фаз. Наиболее важным этапом, по мнению авторов, является этап сбора и обработки данных. На данном этапе формируется обучающая выборка, которая определяет качество дальнейших результатов. В ходе вычислительного эксперимента была подтверждена точность разработанных моделей. Погрешности моделирования не превышают заранее определенных значений как для динамических режимов работы котла «Разгон» и «Останов», так и для режима «Номинальная нагрузка».
Таким образом, предлагаемый в данной работе подход может быть использован для синтеза моделей сложных систем на базе рекуррентной нейронной сети. Областью применения разработанной модели могут быть компьютерные тренажеры для операторов ГТУ.
Об авторах
Дмитрий Сергеевич Лысенко
Самарский государственный технический университет
Автор, ответственный за переписку.
Email: journal@eco-vector.com
аспирант
Россия, 443100, г. Самара, ул. Молодогвардейская, 244Иван Александрович Данилушкин
Самарский государственный технический университет
Email: journal@eco-vector.com
(к.т.н., доц.), доцент кафедры «Автоматика и управление в технических системах»
Россия, 443100, г. Самара, ул. Молодогвардейская, 244Список литературы
- Воинов А.П., Куперман Л.Н. Котлы-утилизаторы и энерготехнологические агрегаты. М.: Энергоатомиздат, 1989. 272 с.
- Липов Ю.М., Третьяков Ю.М. Котельные установки и парогенераторы. М.; Ижевск: НИЦ «Регулярная и хаотическая динамика», 2005. 592 с.
- Зыков А.К. Паровые и водогрейные котлы. М.: Энергоатомиздат, 1987. 128 с.
- Лысенко Д.С., Данилушкин И.А. Разработка модели котла-утилизатора на базе аппарата нечеткой логики // Проблемы управления и моделирования в сложных системах: Труды XXI международной конференции. Т. 2. Самара: Офорт, 2019. C. 268–271.
- Круглов В.В., Дли М.И., Голунов Р.Ю. Нечеткая логика и искусственные нейронные сети. М.: Физматлит, 2001. 221 с.
- Замятин Н.В., Медянцев Д.В. Методика нейросетевого моделирования сложных систем // Известия Томского политехнического университета. 2006. Т. 309. № 8. С. 100–106.
- Аксёнов С.В., Новосельцев В.Б. Организация и использование нейронных сетей (методы и технологии). Томск, 2006.
- Слепнёв Е.С. Применение искусственных нейронных сетей для анализа предварительных ситуаций турбоагрегатов электростанций // Интернет-журнал Науковедение. 2014. № 3(22). С. 124.
- Palme T. Compressor map prediction by neural networks / T. Palme, P. Waniczek, H. Honen, M. Assadi, P. Jeschke. Journal of energy and power engineering. 2012. № 6. Рр. 1651–1662.
- Livshits M.Yu., Elnur Mohammmad A.H. Nonlinear dynamic model of steam boiler furnace. MATEC Web Conf. 110, 01051. 2017.
- Eremenko Y.I., Poleshchenko D.A., Tsygankov Y.A. Development of neural network model of the multiparametric technological object. J. Fundam. Appl. Sci., 2017. 9 (7S). Рр. 706–721.
- Соркин Л.Р. Имитационное моделирование для обучения операторов и оптимизации производства // Промышленные АСУ и контроллеры. 2008. № 8.
- Alobaid F., Mertens N., Starkloff R., Lanz T., Heinze C., Epple B. Progress in dynamic simulation of hermal power plants. Progress in Energy and Combustion Science. 2017. Vol. 59. Pр. 79–162.
- Днепров Ю.В., Смирнов Д.Н., Файнштейн М.С. Монтаж котельных установок малой и средней мощности. М.: Высш. школа, 1980. 334 с.
- Головко В.А. Нейронные сети: обучение, организация, применение. Кн. 4. М.: ИПРЖР, 2001. 256 с.
- Круглов В.В., Борисов В.В. Искусственные нейронные сети. Теория и практика. 2-е изд. М.: Горячая линия – Телеком, 2002. 382 с.
- Хайкин С. Нейронные сети: полный курс. 2-е изд. М.: И.Д. Вильямс, 2006. 1104 с.
- Данилушкин И.А., Колпащиков С.А. Моделирование водяного тракта парового котла // Вестник Самарского государственного технического университета. Сер. Технические науки. 2019. Вып. 2 (62). С. 20–35.
- Афанасьев В.Н. Управление неопределенными динамическими объектами. М.: Физматлит, 2008. 208 с.
Дополнительные файлы



