Система автоматического управления коэффициентом реактивной мощности системы электроснабжения промышленного предприятия
- Авторы: Котенев В.И.1, Котенев А.В.1, Стулов А.Д.1
 - 
							Учреждения: 
							
- Самарский государственный технический университет
 
 - Выпуск: Том 29, № 4 (2021)
 - Страницы: 86-98
 - Раздел: Электротехника
 - URL: https://journals.eco-vector.com/1991-8542/article/view/83839
 - DOI: https://doi.org/10.14498/tech.2021.4.7
 - ID: 83839
 
Цитировать
Полный текст
Аннотация
Рассмотрено управление коэффициентом реактивной мощности системы электроснабжения промышленного предприятия, в состав которой входят: электроприемники с асинхронной нагрузкой, цеховые трансформаторные подстанции с регулируемыми конденсаторными установками и без них, а также главная понизительная подстанция с запитанными от нее синхронными двигателями. Предложено рассматривать электроприемники с конденсаторными установками и трансформаторной подстанцией как объект управления коэффициентом реактивной мощности, на базе которой построена соответствующая система автоматического управления (САУ). Рассмотрена САУ с алгоритмом, сформированным в функции активной и реактивной мощности электроприемников. Разработана САУ коэффициентом реактивной мощности системы электроснабжения всего предприятия с цеховыми комбинированными нагрузками. Дана методика расчета мощности конденсаторных установок цеховых подстанций. Применение данной системы управления позволит выполнить нормативные требования по обеспечению предельных значений коэффициентов реактивной мощности и тем самым уменьшить потери при транспортировке электроэнергии и повысить пропускную способность электрической сети.
Полный текст
Введение
Разработка более совершенных САУ реактивной мощностью системы электроснабжения (СЭС) промышленных предприятий относится к решению актуальных проблем в энергетике, так как их внедрение в промышленное производство значительно уменьшает потери по пути транспортирования электрической энергии от поставщика к потребителю и позволяет обеспечить передачу электроэнергии с заданным значением коэффициента реактивной мощности.
Степень разработанности проблемы
Проблеме разработки более совершенных САУ реактивной мощностью уделяется большое внимание в отечественных [1–8] и зарубежных печатных изданиях [9–22].
Известны системы управления, в которых регулирование реактивной мощности осуществляется изменением напряжения возбуждения синхронных двигателей или за счет переключения секций конденсаторных установок на постоянство в узле нагрузки.
Первый недостаток таких систем управления – они менее удобны в эксплуатации, так как расчет за потребленную активную электрическую энергию производится с учетом предельных значений коэффициента реактивной мощности (КРМ) – [1], а не .
Предельные значения КРМ в часы больших суточных нагрузок (БСН) электрической сети установлены в зависимости от номинального напряжения сети к которой подключен потребитель. При величина
Значение КРМ, генерируемой в часы малых суточных нагрузок (МСН) электрической сети, устанавливается равным нулю для всех напряжений.
Повышающий коэффициент к тарифу за потребленную активную электрическую энергию определяют из соотношения [1]
где , – средние значения фактических КРМ в часы БСН и МСН, которые определяются приборами учета; – отношение электрической энергии, потребленной в часы БСН, к общему объему электроэнергии за весь расчетный период.
Второй недостаток – реактивной мощности синхронных двигателей может оказаться недостаточно для компенсации реактивной мощности в узле нагрузки. В этом случае дополнительно устанавливаются конденсаторные батареи на подстанциях или непосредственно у электроприемников.
Постановка задачи
Цель работы – построение структуры САУ коэффициентом реактивной мощности СЭС предприятия и разработка методики расчета мощности компенсирующих устройств цеховых подстанций, которой с учетом реактивной мощности синхронных двигателей достаточно для обеспечения предельного КРМ в часы БСН электрической сети.
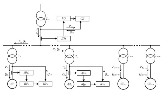
Функциональная схема
Функциональная схема САУ коэффициентом реактивной мощности существующей СЭС предприятия показана на рис. 1.
Обозначения на схеме: – трансформаторы цеховых подстанций; – трансформатор главной понизительной подстанции; ДМ – датчики активной и реактивной мощности; – асинхронные двигатели; – регуляторы реактивной мощности; – синхронный двигатель; n – число конденсаторных установок; m – число приемников без конденсаторных установок, .
Рис. 1. Функциональная схема САУ коэффициентом реактивной мощности СЭС предприятия
Математическая модель трансформатора как элемента САУ коэффициентом реактивной мощности системы электроснабжения
Потери активной мощности в i-м трансформаторе состоят из постоянных потерь в стали и переменных потерь в его обмотках [7, 8]:
(1)
Реактивная мощность
это реактивная мощность потребителей i-го цеха при работе в режиме максимальной нагрузки. Реактивная мощность конденсаторной установки или синхронного двигателя –
Активная и реактивная мощности асинхронных двигателей равны средним значениям, если они получены из графиков нагрузок и равны расчетным значениям – если они получены из аналитических расчетов.
Активное сопротивление трансформатора [7]
(2)
где – потери короткого замыкания; – номинальные значения напряжения и полной мощности трансформатора.
Потери активной мощности согласно (1) и (2) составляют
(3)
где
(4)
Потери реактивной мощности в i-м трансформаторе также состоят из постоянных потерь от намагничивания магнитопровода и переменных обусловленных рассеянием магнитного потока.
Потери от намагничивания [7]
где – относительная величина тока холостого хода в %.
Переменные потери [7]
(5)
Индуктивное сопротивление трансформатора
(6)
где – напряжение короткого замыкания в процентах от номинального значения; – полное сопротивление трансформатора.
Из совместного рассмотрения (5), (6) получено
(7)
где
Во многих работах принимают
тогда
(8)
В этом случае погрешность вычисления не превышает 1,8 % у трансформаторов ТМ-1600 и 0,2 % у трансформаторов ТМ-10000.
Коэффициент реактивной мощности цеховой трансформаторной подстанции на стороне высшего напряжения
(9)
Структурная схема силового трансформатора – элемента системы электроснабжения как объекта управления величиной или реактивной мощностью построенной по выражениям (3) – (9), – показана на рис. 2.
Рис. 2. Структурная схема трансформатора как элемента СЭС при управлении ее коэффициентом реактивной мощности
САУ величиной tgφi на стороне низшего напряжения силового трансформатора подстанции
Структурная схема системы управления КРМ tgφi с алгоритмом, сформированным в функции активной и реактивной мощности электроприемников, представлена на рис. 3. На этой схеме ЭУМi и ЭДi – элементы умножения и деления соответственно.
Рис. 3. САУ коэффициентом реактивной мощности tgφi
Алгоритм управления системы
(10)
где Km – коэффициент передачи датчиков активной и реактивной мощности; – заданное значение коэффициента реактивной мощности на стороне низшего напряжения трансформатора; Q1i – реактивная мощность конденсаторной установки или синхронного двигателя.
Величина
(11)
Коэффициент передачи замкнутой САУ, состоящей из регулятора, синхронного двигателя или конденсаторной установки и датчика реактивной мощности, составляет
(12)
Текущее значение коэффициента реактивной мощности
(13)
инвариантно к отклонениям P1i, P2i, Q2i, так как величина
.
САУ коэффициентом реактивной мощности системы электроснабжения промышленного предприятия
Функциональная схема данной системы управления показана на рис. 1, а ее структурная схема – на рис. 4.
Обозначения на схеме: – типовые САУ, структурные схемы которых показаны на рис. 3; , – элементы суммирования входных переменных; САУ – система автоматического управления коэффициентом реактивной мощности на стороне низшего напряжения трансформаторов ГПП; – число цеховых трансформаторов с конденсаторными установками и без них.
Определение мощности цеховых электроприемников без конденсаторных установок при известном максимальном значении реактивной мощности синхронных электродвигателей
Суммарные значения реактивной мощности цеховых электроприемников (ЭП) с учетом потерь мощности в цеховых трансформаторах:
– ЭП с конденсаторными установками
– ЭП без конденсаторных установок
Рис. 4. САУ коэффициентом реактивной мощности СЭС предприятия
Суммарные нагрузки с учетом потерь мощности в цеховых трансформаторах:
Потери мощности в трансформаторах ГПП:
– постоянные – , ;
– переменные
Коэффициент реактивной мощности на стороне высшего напряжения трансформаторов ГПП
Значение реактивной мощности синхронных двигателей Qсд, при котором выполняется равенство , составляет
(14)
где – заданное значение коэффициента реактивной мощности.
Изменяя число цехов без конденсаторных установок (параметры PΣ, QΣ) в (14), определяют Qсд, которое должно быть не более максимального значения реактивной мощности синхронного двигателя Qсдм. Это означает, что синхронный двигатель должен быть полностью загружен, но не перегружен реактивной мощностью, так как удельные затраты на генерацию им реактивной мощности более чем в два раза ниже по сравнению с конденсаторными установками напряжением В [8]. Мощность Qсд будет соответствовать максимальному числу цеховых трансформаторных подстанций без конденсаторных установок в системе автоматической стабилизации коэффициента реактивной мощности СЭС предприятия на уровне .
В таблице приведены результаты расчетов для предприятия с синхронным двигателем марки СТД-1250 (Qсдм = 670кВАр при загрузке Кз = 0,95) и девятью цехами.
Обозначения величин в таблице: ТМ-1600, ТМН-400 – тип трансформаторов; P2i, Q2i – расчетные мощности цехов; Pci, Qμi – постоянные потери в трансформаторах; Qki – мощность конденсаторных установок; – переменные потери в цеховых трансформаторах с конденсаторными установками; – значения суммарных мощностей в каждом i-том цехе с конденсаторными установками; – переменные потери в трансформаторах подстанций без конденсаторных установок; P10, Q10 – суммарные нагрузки всех цехов.
Последовательность вычислительных операций методики расчета мощности конденсаторных установок цеховых трансформаторных подстанций дана в крайнем левом столбце таблицы. Она начинается с определения Ppi и Qpi и заканчивается вычислением реактивной мощности Qсд = 650кВАр и мощности конденсаторных установок Qку = 2792кВАр, при которых осуществляется стабилизация КРМ на уровне в часы БСН электрической сети.
Результаты расчетов для предприятия с синхронным двигателем марки СТД-1250 и девятью цехами
Номер цеха  | 1  | 2  | 3  | 4  | 5  | 6  | 7  | 8  | 9  | 
Тип трансформатора  | ТМ-1600  | ТМ-1600  | ТМ-1600  | ТМ-1600  | ТМ-1600  | ТМ-400  | ТМ-400  | ТН-400  | ТМ-400  | 
Ppi, кВт  | 760  | 718  | 770  | 770  | 610  | 162  | 180  | 195  | 170  | 
Qpi, кВАр  | 780  | 955  | 715  | 715  | 790  | 215  | 210  | 180  | 230  | 
Pci, кВт  | 3,3  | 3,3  | 3,3  | 3,3  | 3,3  | 1,05  | 1,05  | 1,05  | 1,05  | 
Qμi, кВАр  | 20,8  | 20,8  | 20,8  | 20,8  | 20,8  | 8,4  | 8,4  | 8,4  | 8,4  | 
, кВАр  | 476  | 668  | 407  | 407  | 546  | 150  | 138  | –  | –  | 
, кВт  | 4,3  | 3,9  | 4,4  | 4,4  | 2,8  | 1,7  | 1,3  | –  | –  | 
, кВАр  | 23  | 26  | 29,6  | 29,6  | 18,6  | 4,2  | 5  | –  | –  | 
, кВт  | 767,6  | 725,2  | 777,7  | 777,7  | 616,1  | 165,9  | 182  | –  | –  | 
, кВАр  | 347,8  | 333,8  | 358,4  | 358,4  | 283,4  | 227,6  | 85,4  | –  | –  | 
, кВт  | –  | –  | –  | –  | –  | –  | –  | 2,4  | 2,8  | 
, кВАр  | –  | –  | –  | –  | –  | –  | –  | 9,7  | 11,2  | 
, кВт  | –  | –  | –  | –  | –  | –  | –  | 198,4  | 173,8  | 
, кВАр  | –  | –  | –  | –  | –  | –  | –  | 198,1  | 249,6  | 
, кВт  | |||||||||
, кВАр  | |||||||||
, , кВАр  | |||||||||
Заключение
Разработана математическая модель системы электроснабжения, состоящей из электроприемников с преимущественно асинхронной нагрузкой, цеховых трансформаторных подстанций с конденсаторными установками, главной понизительной подстанции с синхронным двигателем как объекта управления коэффициентом реактивной мощности. На базе этой модели построена соответствующая система автоматического управления всего предприятия.
Предложена методика расчета мощности конденсаторных установок в системе автоматической стабилизации коэффициента реактивной мощности СЭС предприятия на уровне .
Об авторах
Виктор Иванович Котенев
Самарский государственный технический университет
							Автор, ответственный за переписку.
							Email: kotenev.viiv@gmail.com
				                					                																			                								
профессор кафедры «Электроснабжение промышленных предприятий», доктор технических наук, профессор
Россия, 443100, Самара, ул. Молодогвардейская, 244Александр Викторович Котенев
Самарский государственный технический университет
														Email: akotenev@samgtu.ru
				                					                																			                								
доцент кафедры «Электроснабжение промышленных предприятий», кандидат технических наук, доцент
Россия, 443100, Самара, ул. Молодогвардейская, 244Александр Дмитриевич Стулов
Самарский государственный технический университет
														Email: ads260391@mail.ru
				                	ORCID iD: 0000-0002-1623-8449
				                																			                								
аспирант
Россия, 443100, Самара, ул. Молодогвардейская, 244Список литературы
- Железко Ю.С. Потери электроэнергии. Реактивная мощность. Качество электроэнергии. – М.: ЭНАС, 2009.
 - Шварц Г.Р., Абакумов А.М., Мигачева Л.А., Рассказов Ф.Н., Кузнецов П.К. Применение современного электропривода переменного тока в технологиях газовой и нефтяной промышленности. – М.: Машиностроение–1, 2008.
 - Кирилин И.В., Козлов П.М. Выбор средств управления реактивной мощностью в системах электроснабжения предприятия цветной металлургии // Промышленная энергетика. – 2010. – № 8. – С. 46–52.
 - Петелин Д.П. Автоматическое управление синхронным электрическим приводом. – М.: Энергия, 1968.
 - Ершов С.В., Карницкий В.Ю. Разработка адаптивного регулирования компенсации реактивной мощности // Новости Тульского государственного университета: Технические науки. – 2014. – № 8. – С. 32–39.
 - Пантелеев В. И., Филатов А.Н. Управление режимами реактивной мощности и напряжения промышленного предприятия. – Красноярск: Красноярский государственный технический университет, 2005.
 - Липкин Б.Ю. Электроснабжение промышленных предприятий и установок. – М.: Высшая школа, 1990.
 - Кабышев А.В. Компенсация реактивной мощности в электроустановках промышленных предприятий. – Томск: Изд-во Томского политехнического университета, 2012.
 - Fei Wang Y., Xin Yuan Y., Chen J., Jian Cheng Q. A dynamic reactive power compensation method of super high-power and high-voltage motor. Applied Mechanics and Materials, 2014, Vol. 602-605. Pp. 2828–2831.
 - Khabdullin A., Khabdullin A., Khabdullina Z., Khabdullina G. Mathematical model of synchronous motors for static characteristics power loss. Energy Procedia, 2016. Vol. 95. Pp. 487–490.
 - Jun Liu H., Long Wang J., Di Bao F. Modeling of the three-phase asynchronous motor based on MATLAB/Simulink. Applied Mechanics and Materials, 2013. Vol. 313–314. Pp. 1042–1045.
 - Guimarães J.M.C., Bernardes J.V., Hermeto A.E., Bortoni E.D.C. Parameter determination of asynchronous machines from manufacturer data sheet, IEEE Transactions on Energy Conversion, 2014. Vol. 29. Pp. 689–697.
 - Cheng Q.J., Chen J., Yuan Y.X., Zhou X.S., Deng S.J. Research on a dynamic reactive power compensation method of composite power load, Applied Mechanics and Materials, 2014. Vol. 602–605. Pp. 2840–2843.
 - Joshi B.S., Mahela O.P., Ola S.R. Reactive power flow control using Static VAR Compensator to improve voltage stability in transmission system, in 2016 International Conference on Recent Advances and Innovations in Engineering (ICRAIE), 2016.
 - Campaner R., Chiandone M., Sulligoi G., Milano F. Automatic voltage and reactive power control in distribution systems: Dynamic coupling analysis, in 2016 IEEE International Conference on Renewable Energy Research and Applications (ICRERA), 2016.
 - Hongbo L., Biping G., Wangjun Z., Xinyi S., Haobin Y., Guangyu H. Study on reactive power optimal control of distribution systems based on hybrid control theory, in CICED 2010 Proceedings, 2010.
 - Lakra N.S., Prakash P., Jha R.C. Power quality improvement of distribution system by reactive power compensation, in 2017 International Conference on Power and Embedded Drive Control (ICPEDC), 2017.
 - Zhou X., Ma Y., Gao Z., Zhang S. Reactive power compensation in motor, in 2017 IEEE International Conference on Mechatronics and Automation (ICMA), 2017.
 - Kotenev V.I., Kochetkov V.V., Elkin D.A. The reactive power control of the power system load node at the voltage instability of the power supply, in 2017 International Siberian Conference on Control and Communications (SIBCON), 2017.
 - Kotenev V.I., Kotenev A.V., Kochetkov V.V., Elkin D.A. Electrical engineering unit for the reactive power control of the load bus at the voltage instability. Journal of Physics: Conference series, 2018, Vol. 944.
 - Kotenev V.I., Kotenev A.V., Stulov A.D. "Controlling the Reactive Power Factor of a Combined Load Power Supply System and the Correction of Program as a Function of Current Power Consumption," 2020 International Ural Conference on Electrical Power Engineering (UralCon), 2020, pp. 171–176. doi: 10.1109/UralCon49858.2020.9216286.
 - Kotenev V.I., Stulov A.D. "Controlling the Reactive Power of the Enterprise’s Power Supply System with the Task Correction According to the Current Calculation Meter Readings," 2021 International Ural Conference on Electrical Power Engineering (UralCon), 2021, pp. 152–156. doi: 10.1109/UralCon52005.2021.9559543.
 
Дополнительные файлы
				
			
						
					
									






