Адаптивная система автоматического управления процессом тонкой вытяжки
- Авторы: Лысов В.Е.1, Синюков А.П.1
-
Учреждения:
- Самарский государственный технический университет
- Выпуск: Том 29, № 4 (2021)
- Страницы: 20-31
- Раздел: Информатика, вычислительная техника и управление
- URL: https://journals.eco-vector.com/1991-8542/article/view/90514
- DOI: https://doi.org/10.14498/tech.2021.4.2
- ID: 90514
Цитировать
Полный текст
Аннотация
Рассмотрен технологический процесс глубокой вытяжки с учетом высокой степени деформации металла и малой толщины (0,5 мм) заготовки. С учетом высокой сложности процесса и невозможности его представления в аналитической форме в работе используется его представление в виде фазового портрета в плоскости усилия вытяжки и перемещения пуансона гидравлического пресса. Фазовые траектории в упомянутой плоскости определяют геометрические размеры изделия, характеризуют напряжения и деформацию в ходе процесса и определяют структуру алгоритма управления процессом. Рассматриваемая в работе цифровая позиционно-следящая система включает электромеханические, гидравлические, пневмоэлектрические и электронные звенья. Система обеспечивает прецизионное позиционирование пуансона гидравлического пресса с контролем и управлением его скорости перемещения. В работе предоставлена идеальная математическая модель процесса вытяжки. В результате сравнения фазовых траекторий модели и реального процесса выявляется возможная разность в силу действующих помех на реальном процессе. Полученная разность позволяет сформировать в системе дополнительное управляющее воздействие на контур управления скоростью пуансона с целью компенсировать возникшее рассогласование. Таким образом реализуется стабилизация усилия вытяжки в функции перемещения пуансона. В работе приводятся математические описания всех звеньев системы, предоставлены динамические характеристики процесса. В качестве возмущающих воздействий на процесс вытяжки рассмотрены: упрочнение металла, непостоянная сила трения, возникающая при прижиме заготовки, изменение усилия вытяжки при сопряжении частей заготовки, втягиваемой в матрицу, гофрообразование, утонение металла при переходе донной части к боковой стенке изделия. Упомянутые возмущения без рассматриваемой системы не в полной мере обеспечивали качество изделий. Вследствие возникающего брака имели место значительные производственные затраты. Материалы работы и численные данные звеньев системы технологического процесса получены на примере изготовления баллона автомобильного порошкового огнетушителя ОП-2(3)-ABCE, выпускавшегося на заводе «Сам ЗПО» (завод противопожарного оборудования).
Полный текст
Введение
Для деталей, изготовляемых с помощью процесса глубокой вытяжки, используют листовой металл [1] с высокими пластическими свойствами: сталь с низким содержанием углерода, конструкционную сталь, разнообразные сплавы алюминия, латунь, медь и др. Реализацию процесса вытяжки производят в специальных штампах [2, 3].
С помощью вытяжки изготавливают разнообразные полые детали из заготовок плоского листового металла или полых тонкостенных заготовок, обычно не требующих дальнейшей обработки, кроме обрезки неровного края. К ним относятся:
– детали в форме тел вращения: днища разнообразных цилиндрических резервуаров, посуда из металла, корпуса осветительной арматуры и др.;
– коробчатые детали: топливные баки, бидоны для горюче-смазочных материалов, тара для продуктов консервного производства и пр.;
– детали с одной осью симметрии или ассиметричные: детали автомобилестроительного производства – крыша автомобиля, его двери, капот и пр.;
– цилиндрические детали, у которых толщина дна больше толщины стенок: артиллерийские гильзы, гильзы стрелкового оружия, металлическая посуда с толстым дном и пр.
Вышеуказанные детали могут принимать диаметр (или длину) – от нескольких миллиметров до нескольких метров и толщину стенки от десятых долей до десятков миллиметров.
В зависимости от высоты детали процесс вытяжки может осуществляться в один или несколько переходов. За первый переход плоскую заготовку вытягивают в полую, открытую с одного конца деталь или полуфабрикат (рис. 1, а); в дальнейших переходах увеличивается высота при одновременном уменьшении поперечных размеров полуфабрикатов, полученных на предыдущих переходах вытяжки (рис. 1, б).
Рис. 1. Переходы вытяжки: а – первый; б – последующий
За один переход вытяжки можно получить детали, высота которых не превышает 0,7–0,8 диаметра. При вытяжке более высоких деталей нежелательные напряжения, возникающие в стенке, возрастают настолько, что может наступить отрыв дна. В связи с этим процесс вытяжки необходимо разделять на несколько переходов, что позволяет уменьшить радиальные растягивающие напряжения в стенках вытягиваемой детали.
Графическое представление процесса вытяжки
Степень качества полуфабриката в итоге определяется на втором переходе вытяжки. При глубокой вытяжке в месте перехода донной части к боковой стенке происходит утонение %, у торца изделия утонение %. Однако учитывая, что мм, будем считать, что толщина утонения постоянна.
Схематичное изображение второго перехода процесса вытяжки представлено на рис. 2. Заготовка в виде стакана З после первого перехода расположена между поршнем 1 и матрицей первого перехода и прижимается с силой . Воздействуя усилием , исходящим от поршня в направлении , заготовка З втягивается в матрицу , с помощью которой и формируются финальные размеры детали, а ход поршня по оси определяет высоту детали. Скорость движения поршня определяется объемом расхода гидравлической жидкости, подаваемой в цилиндр поршня .
Рис. 2. Схема процесса вытяжки: – пуансон первой вытяжки; – пуансон второй вытяжки; – матрица первой вытяжки; – матрица второй вытяжки; – заготовка после первой вытяжки; – заготовка после второй вытяжки; – усилие вытяжки; – перемещение пуансона; – сила прижатия заготовки
В процессе вытяжки и деформации значительной степени с малой толщиной металла исходного материала возникает множество неблагоприятных напряжений. Для достижения высокой производительности и стабильного усилия вытяжки на предельно допустимом уровне необходимо стабилизировать величину усилия на втором переходе вытяжки.
Следует отметить, что в процессе вытяжки меняются механические свойства материала [3–5]. Эти изменения могут привести к возникновению недопустимых усилий вытяжки с постоянной скоростью и соответственно к браку – разрыву металла, появлению трещин и, следовательно, безвозвратной потере материала и другим затратам. С этой целью необходимо использовать [5] идентификацию процесса как объекта системы автоматического управления глубокой вытяжкой с представлением математической модели объекта и его структурной схемы.
В практике на характер распределения напряжений оказывает значительное влияние ряд факторов: силы трения, упрочнение металла, сопряжение и изгиб частей заготовки при втягивании ее в матрицу.
Использование математических моделей дает возможность исследовать протекание технологического процесса от упомянутых выше воздействий и определить меры компенсации. Кроме того, математическая модель помогает выделить доминирующие воздействия.
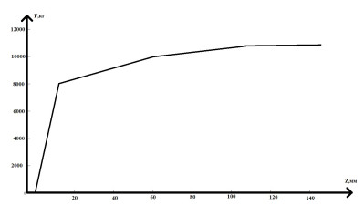
В силу сложности процесса [6] невозможно представить его в аналитической форме. Поэтому процесс представим в виде изображающей траектории в системе координат ZOF (рис. 3). Упомянутая плоскость определяет геометрию изделия, характеризует напряженно-деформированное состояние в ходе процесса и определяет структуру алгоритма управления процессом.
Рис. 3. Диаграмма формирования усилия вытяжки
По оси откладывается перемещение пуансона пресса, по оси – усилие вытяжки.
Описание участков диаграммы: – участок прямого холостого хода, зависит от конструкции пресса; – натягивание заготовки на дно пуансона и придание формы торцу детали; – процесс начала втягивания пуансона с заготовкой в матрицу . Участок характеризуется резким увеличением усилия противодействия при малом перемещении пуансона. При втягивании пуансона на всю длину матрицы происходит возрастание усилия до при сохранении предельно допустимого растягивающего напряжения. После прохождения матрицы усилие вытяжки возрастает незначительно – до величины на участке . Участок определяет разгрузку пуансона после останова до значения . Участок описывает обратный ход пуансона в исходное положение. На диаграмме отмечены технологические допуски как по отклонению перемещения в виде , так и по отклонению усилия вытяжки . Чтобы обеспечить устойчивость и повторяемость процесса глубокой вытяжки, необходимо поддерживать расположение изображающей траектории каждой итерации процесса в границах, установленных согласно траектории в плоскости ZOF.
Синтез системы автоматического управления процессом вытяжки
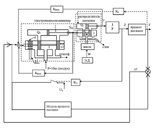
На основе описанных процессов составляется функциональная схема объекта управления процессом глубокой вытяжки совместно с электрогидропневматической аппаратурой, обеспечивающей реализацию процесса.
Основными факторами, которые могут оказывать влияние на динамику контура скорости, являются наличие электропневмопозиционера, а также влияние запаздывания и упругих деформаций заготовки на первом этапе вытяжки.
Оценка влияния динамики процесса от упомянутых выше факторов позволяет принять конструктивные меры для снижения их действия при реализации САУ.
На рис. 4 изображена функциональная схема контура скорости, где отмечен электропневмопозиционер. Он представлен в виде цилиндра 2, движение поршня в котором () определяется положением золотника 1. Применение золотниковых распределителей обусловлено линейной зависимостью между расходом гидравлической жидкости и перемещением золотника ().
Рис. 4. Функциональная схема САУ процессом вытяжки
Золотник смещается за счет электромеханического преобразователя, в составе которого – катушка управления 4, которая расположена на подвижном штоке 1 и на которую подается сигнал управления , и катушка возбуждения 5 или постоянный магнит, размещенный на корпусе цилиндра.
Движение поршня () приводит к перемещению золотника 3, который определяет расход гидравлической жидкости в цилиндре перемещения штока пуансона и его скорость . Для целей стабилизации установленного положения электропневмопозиционер снабжен обратной отрицательной связью по положению .
Для стабилизации скорости движения пуансона применена обратная связь по скорости с коэффициентом передачи . Для ограничения хода пуансона используется сравнение пройденного пути Z с заданным и при их равенстве происходит отключение сигнала задания.
Передаточная функция [7] электропневмопозиционера:
. (1)
В (1) принято: – постоянная времени электропневмопозиционера; – коэффициент передачи.
Передаточная функция, связывающая перемещение штока электропневмопозиционера с перемещением штока золотника 1:
, (2)
где .
В (2) обозначено: – коэффициент передачи, определяющий связь между расходом жидкости и перемещением штока золотника; – площадь щели золотника.
Электропневмопозиционер имеет звено обратной связи для реализации целей стабилизации заданного. Поэтому передаточная функция представлена в виде колебательного звена:
. (3)
В (3) принято: – коэффициент обратной отрицательной связи по положению электропневмопозиционера; – постоянная времени; – механическая постоянная времени.
Таким образом, электропневмопозиционер представляет собой типовое колебательное звено. В этой связи необходимо оценить влияние динамики этого звена на работу САУ процессом вытяжки и возможность его учета при разработке модели адаптивной системы.
Передаточная функция, связывающая расход жидкости в цилиндре распределителя давления [6] и скорость движения пуансона:
, (4)
где – расход рабочей жидкости.
Передаточная функция, учитывающая влияние запаздывания, вносимого в контур скорости пуансона благодаря передаче рабочей жидкости по гибким шлангам:
. (5)
Здесь – время запаздывания в гидравлической системе.
С учетом рассмотренных процессов в динамических звеньях полная структурная схема адаптивного управления процессом вытяжки изображена на рис. 5.
Рис. 5. Структурная схема
Расчет регулятора скорости
Расчет регуляторов осуществляется на основе теории систем подчиненного регулирования [8–10].
Настройка производится на технический оптимум:
. (6)
Отсюда .
В (6) обозначено: – малая постоянная времени, определяемая совокупностью постоянных времени электропневмопреобразователя.
Расчет регулятора положения
Расчет регулятора положения ведется по формуле
, (7)
– передаточная функция замкнутого по скорости контура.
Из (7) следует:
.
Из зависимости (7) следует, что полоса пропускания контура положения определяется малой постоянной времени .
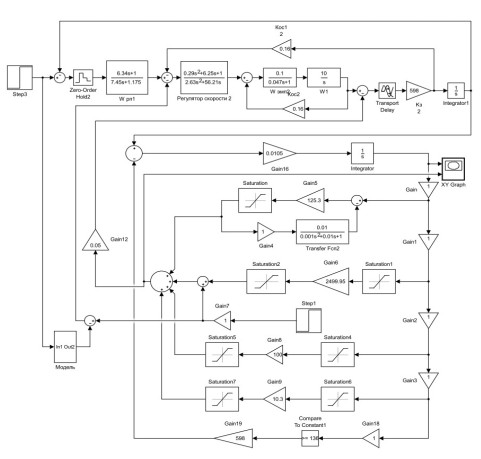
Для реализации цифровой системы используем экстраполятор нулевого порядка [11], указанный на рис. 6 в виде звена Zero-Order Hold с периодом дискретности .
Рис. 6. Схема модели адаптивного управления процессом вытяжки с контролем скорости
На рис. 6 представлена схема модели системы адаптивного управления при численных значениях промышленного пресса. Модель реального процесса представлена кусочно-линейными звеньями, отражающими усилия вытяжки в функции положения пуансона согласно диаграмме вытяжки.
Связь усилия и расхода будет осуществляться через коэффициент, равный 0.05. Моделирование проводилось в среде MATLAB Simulink. При моделировании значения передаточных функций были указаны на рис. 6.
При введении эквивалентной помехи, равной 500 кг, усилие остается стабильным (рис. 7).
Рис. 7. Усилие вытяжки с коррекцией скорости
Кривая графика скорости, в свою очередь, изменяется следующим образом (рис. 8).
По рис. 8 нужно отметить, что при внесении помехи происходит коррекция скорости, что позволяет достичь требуемых производственных параметров.
Рис. 8. Скорость вытяжки
Заключение
Показано, что для компенсации помех, возникающих в процессе глубокой вытяжки, наиболее целесообразной является разработка адаптивной САУ с моделью, которая обеспечивает инвариантность по отношению ко всем помехам.
Представлена методика синтеза САУ компенсации возмущающих воздействий, которая за счет разницы между предписанным значением усилия вытяжки и его реальным значением формирует управляющее воздействие в контур регулирования скорости движения пуансона. За счет регулирования скорости в процессе движения пуансона реализуется стабилизация усилия вытяжки.
Об авторах
Владимир Ефимович Лысов
Самарский государственный технический университет
Email: epa@samgtu.ru
профессор кафедры «Электропривод и промышленная автоматика», доктор технических наук, профессор
Россия, 443100, Самара, ул. Молодогвардейская, 244Андрей Павлович Синюков
Самарский государственный технический университет
Автор, ответственный за переписку.
Email: epa@samgtu.ru
магистрант
Россия, 443100, Самара, ул. Молодогвардейская, 244Список литературы
- Третьяков А.В., Зюзин В.И. Механические свойства металлов и сплавов при обработке давлением. – М.: Машиностроение, 1973. – 224 с.
- Ковка и штамповка: Справочник в 4 т. Т. 4. Листовая штамповка / Под ред. А.Д. Матвеева. – М.: Машиностроение, 1987. – 544 с.
- Кункин С.Н., Мамутов А.В., Мамутов В.С. Технологические методы листовой штамповки: учеб. пособие. – СПб, 2018. – 52 с.
- Аверкиев Ю.А., Аверкиев А.Ю. Технология холодной штамповки. – М.: Машиностроение, 1989. – 304 с.
- Корольков В.И., Зубарев В.Ю. Технология изготовления металлических сильфонов ротационной вытяжкой // Известия Самарского научного центра Российской академии наук. – 2010. – Т. 12 (33). – № 1(2). – С. 353–356.
- Лысов В.Е., Каплун Е.С. Структурно-графическое представление процесса глубокой вытяжки как объекта системы автоматического управления // Вестник Самарского государственного технического университета. Серия: Технические науки. – 2013. – № 1(37). – С. 209–214.
- Башта Т.М., Руднев С.С., Некрасов Б.Б. и др. Гидравлика, гидромашины и гидроприводы. – М.: Альянс, 2011. – 423 с.
- Рапопорт Э.Я. Системы подчиненного регулирования электроприводов постоянного тока: Конспект лекций. – Куйбышев, 1985. – 55 с.
- Анучин А.С. Системы управления электроприводов. – М.: Изд. дом МЭИ, 2015. – 373 с.
- Лысов В.Е. Теория автоматического управления. – М.: Машиностроение, 2010. – 500 с.
- Лысов В.Е., Сидоров И.С. Анализ влияния частоты квантования цифрового регулятора положения позиционно-следящего электропривода на динамические показатели качества управления // Мехатроника. Автоматизация. Управление. – 2016. – Т. 17. – № 10. – С. 685–689.
Дополнительные файлы











