Анализ энергоемкости гальванического комплекса машиностроительного производства
- Авторы: Романова А.С.1, Микушин М.Б.1, Воеводин А.Ю.1
-
Учреждения:
- Самарский государственный технический университет
- Выпуск: Том 29, № 4 (2021)
- Страницы: 44-55
- Раздел: Информатика, вычислительная техника и управление
- URL: https://journals.eco-vector.com/1991-8542/article/view/90615
- DOI: https://doi.org/10.14498/tech.2021.4.4
- ID: 90615
Цитировать
Полный текст
Аннотация
Рассмотрены проблемы энергоэффективности продукции крупного машиностроительного предприятия, связанные с невозможностью регулирования паропотребления и сезонностью изменения энергопотребления. Проведен анализ потребления энергетических ресурсов типичным крупным машиностроительным предприятием мелкосерийного и единичного типа производства. Выявлены причины дополнительных затрат предприятия при централизованном пароснабжении, связанные с потерями конденсата. Установлено, что наиболее энергоемким является гальванический комплекс. Рассмотрены причины повышенной энергоемкости гальванического комплекса. Составлен энергобаланс технологического участка – гальванического комплекса, отражающий расчетные тепловые нагрузки при нагреве электролита и поддержании теплового режима в зависимости от времени работы ванн и массы обрабатываемых деталей с учетом особенностей работы технологического оборудования. Определены наиболее эффективные способы энергообеспечения в зависимости от коэффициента загрузки и используемого топливно-энергетического ресурса для двух типовых ванн гальванического комплекса. Рассмотрены три варианта технологического энергоснабжения в зависимости от коэффициента загрузки оборудования и технической возможности его параллельно-последовательного включения. Установлено, что при всех трех схемах подключения к альтернативным источникам теплоснабжения наблюдается повышение энергетической эффективности использования ТЭР, а также снижение затрат на энергообеспечение технологических процессов по сравнению с централизованным пароснабжением. Выявлено, что при организации работы технологического оборудования по параллельно-последовательной схеме обеспечивается равномерная эффективная загрузка парогенераторов и высокая энергетическая эффективность гальванического производства. Для энергообеспечения гальванического комплекса предложена комбинированная схема теплоснабжения локальными теплоисточниками от электросети и газовых парогенераторов с учетом наиболее полной их загрузки.
Полный текст
Введение
Удельная энергоемкость продукции промышленных предприятий мелкосерийного и единичного производства машиностроительной отрасли в России велика по сравнению с энергоемкостью продукции большинства развитых стран. Это объясняется тем, что крупные промышленные предприятия в СССР основное внимание уделяли надежности и бесперебойности производства [1]. Энергоемкость продукции не учитывалась или учитывалась крайне редко. Многие такие предприятия были градообразующими и получали энергоресурсы от централизованного источника, что приводило к перерасходу энергии при мелкосерийном производстве из-за неритмичной работы оборудования.
Некогда надежная централизованная система энергообеспечения многих промышленных предприятий машиностроительной отрасли мелкосерийного производства из-за большой протяженности инженерных сетей имеет большие потери энергии, а также не является энергоэффективной в рыночных условиях экономики при неравномерной загрузке оборудования. При этом повышенные затраты на энергоресурсы влекут за собой увеличение себестоимости продукции и снижение конкурентоспособности [2, 3].
Для примера рассмотрим типичное предприятие мелкосерийного производства машиностроительной отрасли, где имеется полный цикл производства. В его состав входят комплексы: заготовительный, литейный, кузнечно-штамповочный, гальвано-термический, механосборочный, сборочный и испытательный. Основными потребителями топливно-энергетических ресурсов (ТЭР) являются элементы производственного оборудования (печи, прессы, станки, гальванические ванны и др.). Энергоснабжение производства осуществляется от централизованного энергоисточника. Энергия потребляется на отопление (горячая вода), освещение (электричество), обеспечение технологического процесса (газ, пар, электричество) и пр. Ниже приведены в процентном соотношении потребляемые ТЭР в тоннах условного топлива (т.у.т.) и в денежном эквиваленте (рис. 1 и 2 соответственно).
Рис. 1
Рис. 2
Сопоставление диаграмм (см. рис. 1, 2) демонстрирует, что тепловая энергия в горячей воде и паре имеет различную стоимость, так как при централизованном внешнем теплоснабжении паром предприятие несет дополнительные затраты из-за невозврата конденсата.
Общая характеристика гальванического комплекса
Гальванические покрытия являются одним из эффективных методов защиты деталей от коррозии, способствуют приданию поверхности деталей ряда ценных специальных свойств: повышенной твердости и износостойкости, высокой отражательной способности, улучшенных антифрикционных свойств, поверхностной электропроводности, облегчения паяемости. А также они применяются в качестве декоративных покрытий [4, 5].
В составе гальванического комплекса имеются ванны для нанесения покрытий, травления, изоляции, промывки и т. д., печи для нагрева и сушки деталей, галтовочные машины и пескоструйные камеры для подготовки деталей под нанесение покрытий и другое технологическое оборудование. Основной технологической единицей являются гальванические ванны.
На предприятиях мелкосерийного производства машиностроительной отрасли гальванический комплекс относится к наиболее энергоемким. При этом до 45 % всего пара, поступающего на производственную площадку, расходуется на обеспечение технологических процессов гальванического комплекса.
Повышенная энергоемкость гальванического производства объясняется тем, что процесс осаждения металла происходит при помощи электролиза, который осуществляется посредством электрической энергии и в большинстве случаев требует нагрева электролита.
Нагрев электролита осуществляется металлическими «змеевиками», расположенными на дне и внутренних поверхностях стенок ванн.
Существующая схема энергообеспечения в гальваническом комплексе не позволяет перекрывать паропровод, снижая или перекрывая потребление пара в перерывах между рабочими циклами оборудования, что не дает возможности регулировать паропотребление в зависимости от динамики производства продукции. Такая организация теплоснабжения в силу мелкосерийности производства и низкого коэффициента использования оборудования гальванического комплекса приводит к дополнительным энергозатратам.
Для снижения энергоемкости продукции рассмотрим способы энергообеспечения гальванического производства с учетом коэффициента загрузки оборудования для трех основных гальванических операций (рис. 3, 4). В качестве альтернативных источников энергоресурсов рассмотрим: электронагрев, газовый парогенератор и централизованное пароснабжение.
Рис. 3
Рис. 4
Из графиков на рис. 3 и рис. 4 видно, что для группы ванн изоляции экономически выгоднее обеспечивать технологическое теплоснабжение при помощи электронагрева при загрузке менее 15 % процентов (см. рис. 3), для ванн нанесения покрытий – при загрузке менее 10 % (см. рис. 4).
При построении графиков учитывалось, что при снижении загрузки КПД парогенератора снижается, а при низкой загрузке (менее 20 %) парогенератор не эксплуатируется [6].
Из графика (рис. 5) видно, что энергопотребление при централизованном пароснабжении больше в холодный период года, меньше – в теплый, что обуславливается большими потерями тепла в окружающую среду. Эти сезонные энергопотери снижаются до минимума при снабжении энергоресурсами в рассчитываемых вариантах.
Рис. 5
В табл. 1 приведены температурные параметры и коэффициенты загрузки при односменной и при круглосуточной работе оборудования гальванического участка.
Таблица 1. Характеристики режимов работы гальванических ванн
Наименование процесса | Номера ванн | Температура электролита, °C | Коэффициент загрузки (К) при 24-часовой работе | Коэффициент загрузки (К) при односменной работе |
Химическое оксидирование | ХО-1 | 155–135 | 0,463 | 1,39 |
ХО-2 | 0,461 | 1,382 | ||
Хромирование | Х-1 | 60–50 | 0,095 | 0,2862 |
Х-2 | 0,074 | 0,2231 | ||
Х-3 | 0,095 | 0,2862 | ||
Х-4 | 0,074 | 0,2231 | ||
Х-5 | 0,095 | 0,2862 | ||
Х-6 | 0,074 | 0,2231 | ||
Лужение | Л-1 | 70–60 | 0,043 | 0,1286 |
Травление | Т-1 | 90–80 | 0,011 | 0,0329 |
Хромовокислое анодирование | ХА-1 | 40–36 | 0,038 | 0,114 |
Химическое никелирование | ХН-1 | 85–75 | 0,0006 | 0,0018 |
Снятие нагара | СН-1 | 80–60 | 0,899 | 2,696 |
Электрохим. обезжиривание
| ЭО-1 | 80–60 | – | 0,0013 |
ЭО-2 | – | 0,0001 | ||
ЭО-3 | – | 0,0007 | ||
ЭО-4 | – | 0,0007 | ||
ЭО-5 | – | 0,0001 | ||
ЭО-6 | – | 0,0007 | ||
ЭО-7 | – | 0,0003 | ||
ЭО-8 | – | 0,0007 | ||
Электрополирование | ЭП-1 | 80–60 | 0,0009 | 0,003 |
Никелирование | Н-1 | 60–30 | 0,123 | 0,37 |
Хроммолибденирование | ХМ-1 | 60–50 | 0,0114 | 0,034 |
Снятие спец. слоя | ССН-1 | 90–70 | 0,032 | 0,095 |
ССН-2 | 0,026 | 0,076 | ||
Фосфатирование | Ф-1 | 95–80 | 0,0632 | 0,1897 |
Ф-2 | 0,0626 | 0,1871 | ||
Универсальное фосфатирование | УВФ-1 | 90–70 | 0,0624 | 0,187 |
Снятие краски | СК-1 | 80–60 | 0,0234 | 0,07 |
Промывка | ГВ № 1-13 | 90–70 | 0,33 | 1 |
Снятие воска | СВ-1, СВ-2 | 100–90 | 0,108 | 0,324 |
Изоляция | И-1, И-2, И-3, И-4 | 90–80 | 0,15 | 0,45 |
Снятие изоляции | СИ-1 | 100–90 | 0,074 | 0,222 |
Обезжиривание | О-1 | 60–40 | 0,106 | 0,318 |
Из табл. 1 видно, что ванны имеют значительный разброс коэффициентов загрузки: 3 ванны работают с загрузкой в 24 часа – ванны № ХО-1, ХО-2 (химическое оксидирование) и ванна № СН-1 (снятие нагара), а ванны электрохимического обезжиривания при 8-часовой работе загружены менее 1 %.
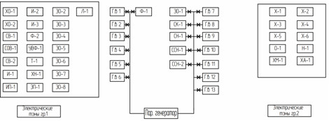
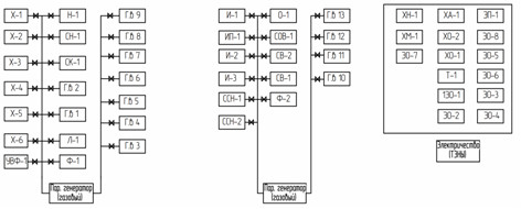
Предлагаются два возможных варианта расстановки, режима работы гальванических ванн и подключения их к локальным источникам теплоснабжения в зависимости от температурного режима и коэффициента загрузки (рис. 6, 7). Первый вариант расстановки (см. рис. 6) выполнен с учетом температурных параметров и коэффициента загрузки ванн, с теплообеспечением одной группы от парогенератора и двух групп от теплоэлектронагревателей (ТЭНов). Второй вариант (см. рис. 7) выполнен с учетом последовательности гальванических процессов, их температурных параметров, коэффициента загрузки и возможности параллельно-последовательной работы для выравнивания загрузки парогенераторов.
Рис. 6. Схема расстановки и подключения ванн. Вариант 1
Рис.7. Схема расстановки и подключения ванн. Вариант 2
Энергетический баланс гальванических ванн
Для выбора мощности источника энергоснабжения и режима его работы необходимо определить тепловые нагрузки при энергоснабжении гальванических ванн, связанные с выводом на режим и его поддержанием, исходя из времени работы каждой ванны [10].
- Количество теплоты на нагрев электролита вычисляется по (1). (Дж) складывается из количества теплоты , необходимой для разогрева ванн до заданной по технологическим условиям температуры, и количества теплоты для поддержания рабочей температуры ванны, т. е. компенсации тепловых потерь в окружающую среду (вычисляется по формуле (2)) [11]:
, (1)
где , и – удельная теплоемкость электролита, материала ванны и футеровки (Дж/кг·ºС); , и – масса электролита, материала корпуса ванны и футеровки соответственно (кг); , – конечная и начальная температуры электролита (ºС).
, (2)
где – потери теплоты электролита через стенки (теплопроводностью, конвекцией, лучеиспусканием), Дж (см. формулу (3)); – потери теплоты на испарение жидкости с открытой поверхности, Дж (см. формулу (4)):
, (3)
где – площадь поверхности корпуса ванны, м2; – время нагрева электролита до заданной температуры, с; – коэффициент теплопередачи, ; – термическое сопротивление теплопередаче, ; и – коэффициенты теплоотдачи на граничных поверхностях стенки соответственно с внутренней и наружной средами, ; – суммарное внутреннее термическое сопротивление теплопроводности слоев стенки, ; – толщина i-го слоя стенки, м; – теплопроводность i-го слоя стенки, ;
, (4)
где – скорость движения воздуха над поверхностью электролита, ; – температура электролита, ºС; – температура воздуха над поверхностью электролита, ºС; – площадь поверхности электролита, м2; – время работы ванны, с.
Для ванн химической обработки при расчете расхода теплоты на поддержание температуры электролита в процессе работы дополнительно учитывается количество теплоты на нагрев вносимой детали:
, (5)
где – количество теплоты, вносимое с загружаемым металлом, Дж; – удельная теплоемкость загружаемого металла, ; – масса загружаемых деталей, кг; – температура загружаемых деталей, ºС.
При расчете количества теплоты на поддержание температуры ванн промывки в горячей воде (см. формулу (6)) учтено, что для поддержания чистоты промывочной воды в ванну непрерывно поступает проточная вода:
, (6)
где – удельная теплоемкость воды, ; – массовый расход воды, ; – температура холодной воды, ºС; – время работы ванны, с.
Организация энергоснабжения гальванического производства
Суммарные показатели тепловых нагрузок для двух предлагаемых альтернативных централизованному пароснабжению вариантов расстановки ванн, второй из которых рассмотрен как с параллельным включением оборудования, так и с последовательным, приведены в табл. 2. Затраты на ТЭР учтены на период с августа 2012 по декабрь 2017 гг.
Таблица 2. Потребление ТЭР при альтернативных вариантах теплообеспечения и централизованного пароснабжения
Источник | Потребляемый ТЭР | Единицы измерения | Потребление ТЭР в натуральных единицах | Затраты, тыс. руб. | Суммарное потребление ТЭР по вариантам, т.у.т. |
Вариант 1 | |||||
Парогенератор | Газ | тыс. м3 | 243,767 | 1 506,25 | – |
Электрические ТЭНы гр. 1 | Электричество | кВт/ч | 2 438 283 | 8 124,02 | – |
Электрические ТЭНы гр. 2 | Электричество | кВт/ч | 1 469 728 | 4 890,22 | – |
|
|
| Итого | 14520,5 | 761,99 |
Вариант 2 (с параллельным включением оборудования) | |||||
Парогенератор 1 | Газ | тыс. м3 | 315,93 | 1 952,28 | – |
Парогенератор 2 | Газ | тыс. м3 | 94,84 | 586,05 | – |
Электрические ТЭНы | Электричество | кВт/ч | 1247435,94 | 4155,45 | – |
|
|
| Итого | 6 693,78 | 627,46 |
Вариант 2 (с параллельно-последовательным включением оборудования) | |||||
Парогенератор 1 | Газ | тыс. м3 | 204,6 | 1264,44 | – |
Парогенератор 2 | Газ | тыс. м3 | 78,24 | 483,49 | – |
Электрические ТЭНы | Электричество | кВт/ч | 1247435,94 | 4 155,45 | – |
|
|
| Итого | 5 903,38 | 479,83 |
Базовый вариант (централизованное пароснабжение) | |||||
Централизованное пароснабжение | Пар | Гкал | 106 999 | 151973,66 | 15300,86 |
Из табл. 2 видно, что при организации энергообеспечения по вариантам 1 и 2 потребление энергии уменьшается по сравнению с базовым. Энергетическая эффективность обуславливается тем, что рассматриваемые варианты теплоснабжения зависят от коэффициента загрузки оборудования и по сравнению с централизованным пароснабжением имеют минимальные тепловые потери (см. рис. 7).
Экономический и энергетический эффект от внедрения альтернативных вариантов теплоснабжения гальванических ванн к базовому варианту составляет:
– при варианте 1 – 137 453,16 тыс. руб. и 14 538,80 т.у.т.;
– при варианте 2 (параллельное включение оборудования) – 145 279,88 тыс. руб. и 14 673,325 т.у.т.;
– при варианте 2 (параллельно-последовательное включение оборудования) – 146 070,28 тыс. руб. и 14 820,96 т.у.т.
Заключение
Централизованное пароснабжение гальванического производства неэффективно, т. к. низкий коэффициент загрузки приводит к нерациональному энергопотреблению. При организации теплоснабжения гальванического производства выявлено, что с учетом коэффициента загрузки наиболее эффективно запитывать ванны с низким коэффициентом (до 5 %) загрузки от гибко управляемых ТЭНов; остальные ванны – от газовых парогенераторов с учетом параллельно-последовательного их включения для более экономичной работы источника теплоснабжения. Также установлено, что при децентрализованном теплоснабжении сезонные теплопотери минимальны, т. к. при этом теплообеспечение гальванического комплекса не имеет внешних сетей в отличие от централизованного пароснабжения и поэтому наиболее эффективно используются энергоресурсы для обеспечения технологического процесса (см. рис. 8).
Рис. 8
Об авторах
Алена Сереевна Романова
Самарский государственный технический университет
Email: alyona512@yandex.ru
ORCID iD: 0000-0003-3657-8341
аспирант кафедры управления и системного анализа теплоэнергетических и социотехнических комплексов
Россия, 443100, Самара, ул. Молодогвардейская, 244Максим Борисович Микушин
Самарский государственный технический университет
Email: mmikushi@mail.ru
студент
Россия, 443100, Самара, ул. Молодогвардейская, 244Александр Юрьевич Воеводин
Самарский государственный технический университет
Автор, ответственный за переписку.
Email: voevodinaleksandr98@mail.ru
студент
Россия, 443100, Самара, ул. Молодогвардейская, 244Список литературы
- Мещерякова Т.С. Анализ энергозатрат промышленных предприятий в современных условиях // НП АВОК. Энергосбережение. – 2015. – № 4. – С. 36–42.
- Габдинова В.А. Роль ресурсного потенциала в развитии региональной экономики и машиностроения // Сборник материалов IV Международной научно-практической конференции с онлайн-участием. Кузбасский государственный технический университет имени Т.Ф. Горбачева. – 2020. – С. 406–408.
- Kogan M.V., Mitchenko I.A. Economic risk planning of the industrial enterprises // European Journal of Economic Studies. 2012. № 1 (1). Р. 30–36.
- Управление машиностроительным предприятием: учеб. пособие / У67 С.Г. Баранчикова [и др.]. – Екатеринбург: Изд-во Урал. ун-та, 2015. – 252 с.
- Lishnskii G.Ya., Kachanova N.P., Raznorovich T.V., Grishin I.A. Ekectrodeposition of chromium in pulsed current regimes // Protection of Metals. 1990. V. 26. № 1. Р. 130 – 132.
- Справочник по гальванопокрытиям в машиностроении / П.С. Мельников. – М.: Машиностроение, 1979. – 296 с., ил.
- Каданер Л.И. Равномерность гальванических покрытий. – Харьков: Изд-во ХГУ, 1960. – 414 с.
- Романова А.С. Энергоэффективная организация гальванического производства // Вестник Самарского государственного технического университета. Серия: Технические науки. – 2017. – № 3. – С. 110–116.
- Щепилло Л.В. Разработка и исследование энергетических схем предприятий по термической переработке отходов с парогазовым циклом энергопроизводства: автореф. дис. … канд. техн. наук. – М.: Московский государственный университет инженерной экологии, 2005.
- Пеккер Я.Л. Теплотехнические расчеты по приведенным характеристикам топлива. – М.: Энергия, 1977. – 256 с.
- Расчет и конструирование устройств для нанесения гальванических покрытий / И.Ф. Плеханов. – М.: Машиностроение, 1988. – 224 с.: ил.
- Нащокин В.В. Техническая термодинамика и теплопередача: учеб. пособие для вузов. – М.: Высшая школа, 1959. – 560 с.
Дополнительные файлы











