Новое в оценке огнестойкости реконструированной железобетонной ребристой панели здания
- Авторы: Ильин Н.А.1, Мордовский С.С.1, Корунов А.А.2
-
Учреждения:
- Самарский государственный технический университет
- ООО «Специализированный застройщик «Самара-Еврострой»
- Выпуск: Том 14, № 3 (2024)
- Страницы: 4-10
- Раздел: СТРОИТЕЛЬНЫЕ КОНСТРУКЦИИ, ЗДАНИЯ И СООРУЖЕНИЯ
- URL: https://journals.eco-vector.com/2542-0151/article/view/641832
- DOI: https://doi.org/10.17673/Vestnik.2024.03.01
- ID: 641832
Цитировать
Полный текст
Аннотация
В статье изложено инновационное применение методики по оценке проектной огнестойкости реконструированной железобетонной ребристой панели перекрытия по критерию наступления предельного состояния по признаку потери несущей способности. При этом предел огнестойкости изгибаемого элемента устанавливают без термосилового разрушения по комплексу единичных показателей качества конструктивного бетона и арматурной стали, что упрощает инженерные расчеты, снижает затраты на проведение дорогостоящих экспериментов. Приведены результаты исследования влияния геометрических размеров реконструированной железобетонной ребристой панели, схемы обогрева расчетного сечения в условиях пожара, размещения основной и дополнительной арматуры в расчетном сечении, глубины заложения стержней основной и дополнительной арматуры и степени её огнезащиты, коэффициента термодиффузии конструктивного бетона, величины испытательной нагрузки на панель и интенсивности напряжения в стержнях продольной рабочей арматуры на проектный показатель огнестойкости, который устанавливают по признаку потери несущей способности. Применение нового предлагаемого технического решения позволяет определить проектную огнестойкость реконструированной железобетонной ребристой панели без натурального термосилового воздействия, упрощает инженерные расчеты, повышает достоверность статистического контроля качества материалов железобетона и неразрушающих испытаний, снижает экспериментальные затраты.
Полный текст
Проектный предел огнестойкости реконструированной железобетонной ребристой панели здания и сооружения может быть определен натуральными огневыми испытаниями или научным расчетом [1‒6].
Классическая методика научного расчета предела огнестойкости реконструированной железобетонной ребристой панели трудоемка и весьма дорога. Следовательно, разработка математического описания оценки проектного предела огнестойкости реконструированной железобетонной ребристой панели здания и сооружения весьма актуальна и экономически выгодна.
Научная значимость инновационной методики выявления проектного предела огнестойкости заключается в исследовании закономерности поведения реконструируемой железобетонной ребристой панели в условиях стандартного пожара.
Для достижения данной цели научно-исследовательской работы необходимо решить следующие задачи:
Необходимость выявления показателей огнестойкости реконструированной железобетонной ребристой плиты возникает при коренной перестройке здания или сооружения, усилении его элементов, приведении проектной огнестойкости в соответствие с требованиями строительных норм и технического регламента по пожарной безопасности [5, 7‒9].
При реконструкции здания или сооружения возможно переустройство и перепланировка помещений (пожарных отсеков), изменение их назначения, замена строительных конструкций и оборудования. Это влияет на корректировку требуемой и фактической степени огнестойкости здания или сооружения.
Предложенная авторами статьи методика оценки проектной огнестойкости реконструированной железобетонной ребристой панели состоит в установлении показателей пожарной защиты здания или сооружения в части гарантированной длительности сопротивления ребристой панели в условиях пожара, а также в упрощении методики оценки проектного предела огнестойкости реконструированной железобетонной ребристой панели по признаку потери несущей способности [2, 9‒11].
Необходимость обеспечения несущей способности железобетонных ребристых панелей перекрытия возникает при реконструкции зданий, усилении их несущих конструкций, приведении проектной огнестойкости ребристых панелей в соответствие с требованиями современных норм при проведении экспертизы и восстановлении железобетонных конструкций здания после пожара.
Увеличение несущей способности реконструированной железобетонной ребристой панели в 1,5‒2 раза при определённых условиях может дать рост проектного предела огнестойкости в 4‒6 раз.
Существуют методы определения времени наступления предельного состояния по потере несущей способности под нормативной испытательной нагрузкой в условиях стандартного огневого воздействия [1, 3, 4, 10]. То есть натурные огневые испытания проводят на проектном образце конструкции, в огневых печах. Такие испытания трудоемки, неэффективны и небезопасны.
Существуют методы определения времени наступления предельного состояния по признаку потери несущей способности [11, 12]. Но таким методом невозможно учесть особенности дополнительного армирования продольных ребер панели перекрытия, а также увеличение степени огнезащиты условных стержней рабочей арматуры и значительное снижение интенсивности силовых напряжений растяжения в них.
Существует разработка [13] по определению проектного предела огнестойкости по признаку потери несущей способности.
Положительный эффект предлагаемого подхода состоит в обеспечении несущей способности железобетонной ребристой панели перекрытия здания в условиях пожара, исключении при этом натурных огневых испытаний, а также повышении достоверности результатов и сокращении времени и трудоемкости получения результатов оценки несущей способности усиленной железобетонной ребристой панели в условиях пожара [6‒8, 14].
Для определения предела огнестойкости реконструированной железобетонной ребристой панели перекрытия по критерию потери несущей способности при пожаре необходимо проведение технического осмотра (обследования), при котором устанавливают вид бетона и арматуры и их показатели прочности, условия опирания и крепления, геометрические размеры панелей и их основных расчетных сечений, взаимное расположение стержней продольной арматуры и толщину защитного слоя бетона, схемы обогрева основного рабочего сечения при пожаре и условия нагревания продольной арматуры. Также важным является установление интенсивности силовых напряжений в панели при пожаре.
Для определения предела огнестойкости реконструированной железобетонной ребристой панели перекрытия по критерию потери несущей способности при пожаре (Fu(R), мин) решают уравнение
(1)
где Jσs,red – интенсивность силовых напряжений в условном стержне рабочей арматуры реконструированной железобетонной ребристой панели; С – степень огнезащиты условного стержня продольной арматуры бетоном, см; tcr – критическая температура нагрева основной продольной арматуры (°С); n – эмпирический показатель класса арматуры (в пределах 2,6–4,4); e = 2,72 – натуральное число.
Степень огнезащиты условных стержней продольной арматуры (С, см) определяют по уравнению
(2)
где m02 – показатель условленного нагрева условного стержня продольной арматуры при двустороннем подходе тепла; amin – минимальная глубина залегания условного стержня продольной арматуры панели по одной из осей координат расчетного сечения, мм; Dвт – коэффициент термодиффузии бетона, мм2/мин.
Величину показателя условий нагрева условного стержня продольной арматуры при двустороннем подходе тепла (m02 ≥ 0,5) к ней вычисляют по уравнению
(3)
где ax1, ax2, ay, red – глубина залегания условного стержня продольной арматуры по осям координат основного расчетного сечения сочлененных железобетонных ребристых панелей перекрытия, мм.
Интенсивность силовых напряжений в условном стержне продольной арматуры реконструированной железобетонной ребристой панели (Jσs,red ≤ 1) вычисляют по уравнению
(4)
где Jн = 0,625 – нормативная интенсивность силовых напряжений в основной арматуре до реконструкции панели (при kз = 1,6); Rs и Rs, доп – нормативное сопротивление растяжению основной и дополнительной арматуры, МПа; kf = 1,4 – коэффициент условий работы панели по нагрузке.
Величину коэффициента термодиффузии бетона (Dвт, мм2/мин) определяют экспериментально или принимают в зависимости от вида бетона:
- бетон тяжелый (влажность 3 %) на известняковом/гранитном щебне: Dвт = 19,5/22,2 мм2/мин;
- керамзитобетон (влажность 5 %) на керамзитовом/перлитовом песке: Dвт = 16,5/14,7 мм2/мин.
Исключение натурных термосиловых испытаний реконструированной железобетонной ребристой панели перекрытия существующего здания и их замена на неразрушающие испытания снижают трудоемкость оценки их проектной огнестойкости. Следовательно, условия испытания реконструированной железобетонной ребристой панели на огнестойкость по признаку потери несущей способности значительно упрощены, снижение затрат на испытание существенно.
Применение математической модели процесса сопротивления реконструированных железобетонных ребристых панелей термосиловому воздействию и использование построенного аналитического выражения (1) повышают точность и достоверность обеспечения несущей способности реконструируемых железобетонных ребристых панелей перекрытия в условиях высокотемпературного воздействия заданной продолжительности.
Температура среды стандартного пожара определяется по формуле
, где τст – длительность огневого воздействия; мин [1, 2, 15].
Реконструкцию железобетонной ребристой панели перекрытия (рис. 1) производят следующими способами: полку панели усиливают набетонкой из легкого бетона, армируя её дополнительной арматурной сеткой; продольные ребра панели усиливаются анкером из полосовой стали, зафиксированным стяжным болтом, зазор между анкером и поверхностью ребра панели заполняется цементным раствором, далее на анкер привариваются дополнительные стержни продольной арматуры, которые затем покрывают цементным раствором, предварительно загрунтовав.
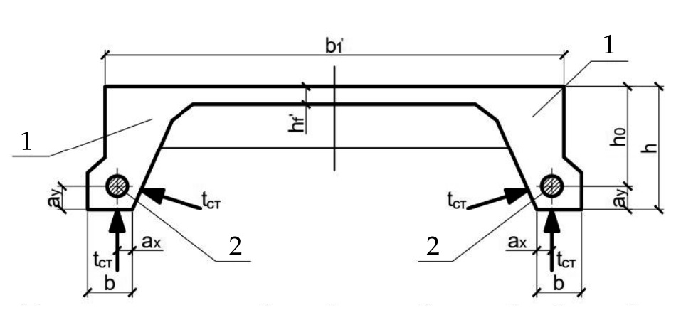
Рис. 1. Поперечное сечение сборной железобетонной ребристой панели перекрытия до реконструкции: 1 – продольное ребро панели; 2 – основная продольная арматура; b – ширина продольного ребра, мм; bʹ1 – ширина полки панели, мм; hʹf – толщина полки панели, мм; h – высота продольного ребра, мм; h0 – рабочая высота сечения, мм; ax и ay – глубина залегания продольной арматуры по осям координат, мм; tст – температура среды стандартного пожара, °С
Обеспечение несущей способности реконструированных железобетонных ребристых панелей перекрытия (рис. 2) зданий в условиях пожара осуществляют в следующей последовательности.
Сначала производят визуальный осмотр панелей перекрытия. Назначают комплекс единичных показателей качества железобетонной ребристой панели, влияющих на обеспечение их несущей способности в условиях стандартного огневого воздействия длительностью 180 – 200 мин. Выявляют условия опирания усиливаемых панелей, закрепления концов дополнительной арматуры в основном расчетном сечении сочлененных панелей. Затем оценивают единичные показатели качества реконструируемой железобетонной ребристой панели перекрытия, выявляя проектный предел огнестойкости железобетонной ребристой панели по признаку потери несущей способности.
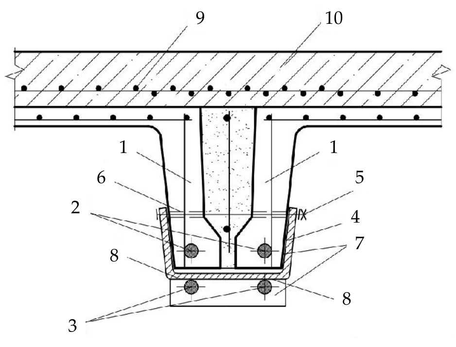
Рис. 2. Поперечное сечение сочлененных железобетонных ребристых панелей перекрытия, усиленного горизонтальными затяжками снизу и монолитной плитой сверху: 1 – продольное ребро панели; 2 – основная продольная арматура; 3 – дополнительная арматура – тяжи затяжки; 4 – анкер из полосовой стали; 5 – стяжной болт, оборудованный шайбой и высокой гайкой; 6 – сквозное отверстие в ребрах сопряженных панелей; 7 – цементный раствор; 8 – сварные швы; 9 – дополнительная арматурная сетка полки плиты; 10 – дополнительная монолитная плита из легкого бетона
К основным единичным показателям качества реконструируемой железобетонной ребристой панели перекрытия, обеспечивающим несущую способность в условиях пожара, относят (рис. 3): геометрические размеры реконструируемой железобетонной ребристой панели и высоту основного сечения, глубину залегания, класс по прочности, приведенный диаметр условного стержня основной продольной и дополнительной арматуры, интенсивность силовых напряжений и критическую температуру нагрева основной арматуры, коэффициент термодиффузии бетона и степень огнезащиты продольной основной и дополнительной арматуры.
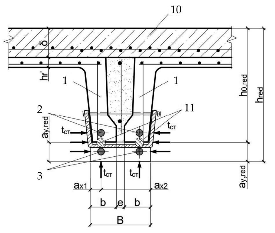
Рис. 3. Расчетное сечение железобетонной ребристой панели перекрытия, усиленной горизонтальной затяжкой снизу и монолитной плитой из легкого бетона сверху при расчете огнестойкости: 1 – продольное ребро панели; 2 – основная продольная арматура; 3 – дополнительная арматура – тяжи затяжки; 10 – дополнительная монолитная плита из легкого бетон; 11 – условный стержень продольной арматуры; b – ширина продольного ребра, мм; B – ширина сечения, мм; h – высота расчетного сечения, мм; e – величина зазора между продольными ребрами, мм; ax1, ax2, ay,red – глубина залегания условного стержня продольной арматуры по осям координат основного расчетного сечения сочлененной железобетонной ребристой панели перекрытия, мм; tст – температура среды стандартного пожара, °С
Пример. Железобетонная ребристая панель размером в плане 6×1,5 м, толщиной полки = 50 мм; основная продольная рабочая арматура панели в сочлененных продольных ребрах 2∅20 А600 (tст = 505 °C; n = 3,6; Rs = 600 МПа), глубина заложения amin = 35 мм; интенсивность напряжений Jн = 0,625; бетон тяжелый на известняковом щебне: (коэффициент термодиффузии Dтв = 22,2 мм2/мин, толщина защитного слоя umin = 25 мм), показатель условий двустороннего обогрева рабочего стержня продольной арматуры панели m02 = 0,53; степень огнезащиты арматуры бетоном C = 2,56 см; предел огнестойкости ребристой панели без усиления Fu(R) = 43 мин ≪ R = 180 мин (для панелей перекрытия здания особой степени огнестойкости) [2, 15].
Для повышения огнестойкости существующей железобетонной ребристой панели принята реконструкция сочлененных продольных ребер в средней части пролета панели в виде затяжки из дополнительной гладкой горячекатаной арматуры 2∅20 А240 (As = 2×314,2 = 628,4 мм2; Rs,yc = 240 МПа; n = 2,3).
Решение:
1) Приведенный диаметр основной и дополнительной арматуры продольных ребер
где d1 и d2 – диаметр основной и дополнительной арматуры продольных ребер, мм.
2) Осевые расстояния
ax1 = umin + 0,5 × dred = 25 + 0,5 × 28,3 = 39,2 мм,
где umin – толщина защитного слоя, мм; dred – приведенный диаметр основной и дополнительной арматуры продольных ребер, мм.
ax2 = 2 × b + e - ax1 = 2 × 70 + 10 - 39,2 = 111 мм,
где b – ширина продольного ребра, мм; e – величина зазора между продольными ребрами, мм; ax1 – глубина залегания условного стержня продольной арматуры, мм; ay,red = 56 мм.
3) Показатель условий двустороннего нагрева условного стержня арматуры (m02 > 0,5) определяют по уравнению (3):
где ax1, ax2, ay,red – глубина залегания условного стержня продольной арматуры по осям координат основного расчетного сечения сочлененных железобетонных ребристых панелей перекрытия, мм.
4) Степень огнезащиты условного стержня арматуры бетоном (С, см) вычисляют по уравнению (2):
где m02 – показатель условленного нагрева условного стержня продольной арматуры при двустороннем подходе тепла; amin – минимальная глубина залегания условного стержня продольной арматуры панели по одной из осей координат расчетного сечения, мм; Dвт – коэффициент термодиффузии бетона, мм2/мин.
5) Интенсивность силовых напряжений в условном стержне продольной арматуры реконструируемой железобетонной ребристой панели (Jσs,red) вычисляют по уравнению (4):
где Jн – нормативная интенсивность силовых напряжений в основной арматуре до усиления панели; Rs и Rs,доп – нормативное сопротивление растяжению основной и дополнительной арматуры, МПа; kf – коэффициент условий работы панели по нагрузке.
6) Проектный предел огнестойкости реконструированной железобетонной ребристой панели по несущей способности (Fu(R), мин) вычисляют по уравнению (1):
где Jσs,red – интенсивность силовых напряжений в условном стержне продольной арматуры реконструированной железобетонной ребристой панели; С – степень огнезащиты приведенного стержня продольной арматуры бетоном, см; tcr – критическая температура нагрева основной продольной арматуры (°С); n – эмпирический показатель класса арматуры; e = 2,72 – натуральное число.
Заключение. Так как проектный предел огнестойкости реконструированной железобетонной ребристой панели по несущей способности, Fu(R) = 207 мин > 180 мин = Ru тр, следовательно, несущая способность панелей перекрытия здания после реконструкции в условиях пожара обеспечивается.
Вывод. По результатам проведенных научных и патентных исследований [6‒8, 11, 13, 16] разработана математическая зависимость для оценки проектной огнестойкости реконструированной железобетонной ребристой панели перекрытия здания по признаку потери несущей способности в условиях пожара; представлено обоснование основных конструктивных параметров, выявляющих предел огнестойкости реконструированной железобетонной ребристой панели; приведен пример оценки проектного предела огнестойкости по признаку потери несущей способности реконструированной панели здания.
Об авторах
Николай Алексеевич Ильин
Самарский государственный технический университет
Автор, ответственный за переписку.
Email: qaer1@yandex.ru
кандидат технических наук, профессор кафедры железобетонных конструкций
Россия, 443100, г. Самара, ул. Молодогвардейская, 244Сергей Сергеевич Мордовский
Самарский государственный технический университет
Email: qaer1@yandex.ru
кандидат технических наук, доцент кафедры железобетонных конструкций
Россия, 443100, г. Самара, ул. Молодогвардейская, 244Александр Александрович Корунов
ООО «Специализированный застройщик «Самара-Еврострой»
Email: alexkor77789@gmail.com
Россия, 443034, г. Самара, ул. Юбилейная, 53 А
Список литературы
- Яковлев А.И. Расчет огнестойкости строительных конструкций. М.: Стройиздат, 1988. 143 с.
- Технический регламент о требованиях пожарной безопасности. ФЗ № 123-2008*. М., 2022. (Ст. 87 требования к огнестойкости и пожарной опасности зданий, сооружений и пожарных отсеков).
- Орлова С. С., Панкова Т. А., Затинацкий С. В. Здания, сооружения и их устойчивость при пожаре. Саратов: Издательство «Саратовский источник», 2015. 130 с.
- Милованов А.Ф. Огнестойкость железобетонных конструкций. М.: Стройиздат, 1996. 304 с.
- Ильин Н.А., Панфилов Д.А. Оценка огнестойкости проектируемых железобетонных конструкций зданий: монография. Самара: СамГТУ, 2017. 186 с.
- Панфилов Д.А., Ильин Н.А., Жильцов Ю.В., Блинкова Е.В. Методика оценки огнестойкости составных строительных конструкций // Градостроительство и архитектура. 2018. Т. 8, № 3. C. 12‒17. doi: 10.17673/Vestnik.2018.03.3.
- Ильин Н.А., Панфилов Д.А., Колеснев Н.А., Силантьев И.А. Оценка проектной огнестойкости двухпролетной железобетонной балки здания // Градостроительство и архитектура. 2019. Т. 9, № 4. C. 16-21. doi: 10.17673/Vestnik.2019.04.3
- Ильин Н.А., Панфилов Д.А., Жильцов Ю.В. Инновационный метод оценки огнестойкости монолитной железобетонной балочной плиты перекрытия здания // Градостроительство и архитектура. 2021. Т. 11, № 4. C. 43‒47. doi: 10.17673/Vestnik.2021.04.5.
- Заявка на патент № 2023110751, МПК G 01 № 25/50. Способ определения огнестойкости железобетонной ребристой панели перекрытия по критерию потери несущей способности при пожаре / Ильин Н.А., Мордовский С. С., Ильякова К.В., Корунов А.А. (СамГТУ, 2023).
- ГОСТ 30247.1-94. Конструкции строительные. Методы испытаний на огнестойкость. Несущие и ограждающие конструкции.
- Патент № RU 2615048 C1, МПК G 01 № 25/50. Способ оценки огнестойкости железобетонной балочной конструкции здания / Ильин Н.А., Панфилов Д.А., заяв. СГАСУ: 05.11.2015, опубл. 03.04.2017.
- Патент № RU 2650704 C1, МПК G 01 № 25/50. Способ оценки огнестойкости балочной конструкции / Ильин Н.А., Панфилов Д.А., Ильина В.Н., заяв. СамГТУ: 07.03.2017; опубл. 17.04.2018.
- Патент № RU 2674570 C1, МПК G 01 № 25/50. Способ оценки огнестойкости железобетонной плиты с защемлением по контуру / Ильин Н.А., Панфилов Д.А., Жильцов Ю.В., заяв. СамГТУ: 11.12.2017; опубл. 11.12.2018.
- Ильин Н.А. Техническая экспертиза зданий, поврежденных пожаром. М.: Стройиздат, 1983. 200 с.
- СП 2.13130.2020. Системы противопожарной защиты. Обеспечение огнестойкости объектов защиты.
- Патент № RU 2671910 C1, МПК G 01 № 25/50. Способ оценки огнестойкости преднапряженной железобетонной плиты / Ильин Н.А., Панфилов Д.А., Жильцов Ю.В., заяв. СамГТУ: 16.11.2017; опубл. 17.11.2018.
Дополнительные файлы







