Determination of technological parameters of the Black sea desalination process using the laboratory reverse osmosis module – ROUK
- Authors: Teplykh S.Y.1, Kotovskaya E.E.2, Korol I.V.3
-
Affiliations:
- Samara State Technical University
- Crimean Federal University named after V.I. Vernadsky
- LLC RTGK-CENTER
- Issue: Vol 14, No 4 (2024)
- Pages: 82-91
- Section: WATER SUPPLY, SEWERAGE, CONSTRUCTION SYSTEMS FOR PROTECTION OF WATER RESOURCES
- URL: https://journals.eco-vector.com/2542-0151/article/view/652116
- DOI: https://doi.org/10.17673/Vestnik.2024.04.12
- ID: 652116
Cite item
Full Text
Abstract
The method of adaptation of the ROUK laboratory module for conducting experimental studies on the desalination of the waters of the Black Sea is presented. The paper highlights the issues of setting the main research objectives, forming a goal and studying the technological equipment of a ready-made laboratory module with artificial seawater modeling, followed by studying and determining the necessary parameters of the reverse osmosis technological process in terms of pressure and flow of desalinated water, as well as the ratio of the obtained permeates and concentrates with different initial compositions of desalinated water to achieve the required quality indicators.
Keywords
Full Text
Введение
Для южных регионов Российской Федерации одной из важнейших составляющих инфраструктурного развития является обеспеченность водными ресурсами. В связи с прекращением поступления пресной воды по руслу Северо-Крымского канала было выполнено перераспределение вод центральных районов Республики Крым в маловодные районы Керченского полуострова [1‒3]. Такие города, как Феодосия и Керчь, полностью питаемые из наливных водохранилищ, заполнение которых зависит от водообеспеченности центральных районов Республики Крым, испытывают дефицит водных ресурсов, что послужило стартом к поиску и рассмотрению возможности получения альтернативных источников питания, в частности возможности строительства опреснительных станций.
Станции опреснения морской воды построены и активно эксплуатируются в вододефицитных государствах, таких как Израиль, Саудовская Аравия, Объединенные Арабские Эмираты, Испания, Кувейт, Катар, Алжир, Китай, Ливия, США, Оман [4]. Технологии опреснения получили широкое распространение и подразделяются по способу получения пресной воды на следующие методы: обратного осмоса (RO) (61,5 % от суммарного количества всех опреснительных станций); многоступенчатое мгновенное выпаривание MSF (25,9 %), многоколонная дистилляция MED (8,4 %) и электродиализ ED (3,2 %) [4]. Подробнее рассмотрим технологию опреснения при помощи обратного осмоса (RO).
Принцип действия данного метода состоит в пропуске опресняемой воды под давлением, большим осмотического, через полупроницаемые мембраны [5]. В ходе данного процесса на выходе получается два потока жидкости: опресненная вода ‒ пермеат и соленая вода – концентрат. Установка обратного осмоса включает в себя насос для подачи воды на мембранный блок, сам блок с устанавливаемыми мембранами и трубопроводы подачи опресняемой воды и отвода опресненной.
С вхождением Республики Крым в состав Российской Федерации и устремлении бюджетных средств в развитие инфраструктурных проектов, охватывающих различные секторы экономики, в том числе рекреационные комплексы, возникли вопросы с освоением прибрежных территорий, находящихся на значительном расстоянии от источников пресной воды, например Ленинский район Республики Крым. Это послужило поводом для поиска альтернативных источников водоснабжения, в частности опреснение морских вод методом обратного осмоса, с определением различных технологических параметров. Работы выполнялись как на производственной установке – опреснительном блоке AJ030W45 c OR2 (Китай), так и на лабораторном модуле ROUC производства компании Edibon (Испания). Первая часть исследований была направлена на определение параметров опреснения (работа с имитационными моделями морской воды Черного и Азовского морей), а вторая часть – на определение параметров снижения солесодержания в воде из подземных источников (артезианских скважин) Черноморского, Раздольненского, Красноперекопского, Джанкойского районов Республики Крым. Вода из централизованных водопроводов перечисленных районов не удовлетворяет требованиям по таким показателям, как: общее солесодержание, жесткость общая, содержание хлоридов и сульфатов [6, 7]. Настоящая работа посвящена вопросам опреснения морских вод.
Цель и задачи исследования ‒ получение параметров процесса опреснения морской воды методом обратного осмоса для последующего проектирования сооружений опреснения вод Черного моря.
Основные задачи исследования. Для эффективного выполнения основных задач исследования был определен план реализации, направленный на получение экспериментальных данных, состоящий из следующих пунктов:
- моделирование состава искусственной морской воды;
- подготовка к пуску лабораторного модуля ROUC;
- выполнение предварительных исследований с целью определения окрестностей наилучших экспериментальных параметров;
- составление плана серии двухфакторных экспериментов и их проведение с последующей обработкой.
Экспериментальная часть работы реализовывалась на установке обратного осмоса и ультрафильтрации ROUC производства компании Edibon, специализирующейся на разработке учебного оборудования [8] (рис. 1).
Рис. 1. Общий вид установки обратного осмоса ROUC
Fig. 1. General view of the ROUC reverse osmosis plant
Установка предназначена для демонстрации процесса обратного осмоса и ультрафильтрации и состоит из трехпоршневого насоса, двух трубчатых мембран, соединенных последовательно и помещенных в мембранный модуль, резервуара для сбора пермеата, резервуара исходной воды с поступлением концентрата, теплообменника. Габаритные размеры установки: 1000×800×800 мм.
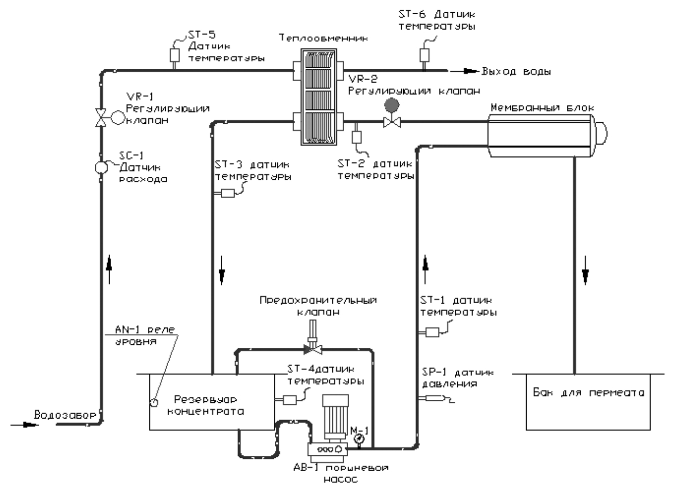
Технологическая схема процесса обратного осмоса, воспроизводимая на лабораторном модуле ROUC, представлена на рис. 2.
Рис. 2. Технологическая схема процесса работы обратноосмотической установки
Fig. 2. Technological scheme of the reverse osmosis plant operation process
Электродвигатель подающего поршневого насоса оборудован частотным преобразователем, позволяющим регулировать расход потока в зависимости от требуемого эффекта очистки. Насос подает поток к двум трубчатым мембранам. Раствор продолжает двигаться во внутренней части трубки, пермеат поступает от внутренней части трубки в направлении внешней, в результате на выходе получаем концентрат.
Установка ROUC осуществляет процесс фильтрования путем перекрестного потока, при этом исключая появление примесей, что снижает пропускную способность системы. Пермеат хранится в резервуаре как окончательный продукт. Концентрат возвращается в первоначальный резервуар, для того чтобы быть использованным снова, но в связи с повышением температуры он проходит через теплообменник и поступает в емкость исходной воды.
Регулирование давления мембранного блока осуществляется с помощью красного регулирующего клапана.
Для проведения практики разделения с помощью обратного осмоса и ультрафильтрации необходимо знать две переменные потока:
- химический состав обрабатываемой жидкости;
- характеристики мембраны, чтобы понимать какую из них следует использовать в процессе: точка отсечки, определяемая как допустимая концентрация солевого состава обрабатываемой воды, и тип потока, в данном случае – перекрестный поток, что также зависит от размеров отверстий мембраны и требований, предъявляемых к пермеату. Процесс заключается в увеличении давления в зависимости от потока пермеата.
Установка ROUC включает в себя:
- мембранный модуль: две трубчатые мембраны, соединенные последовательно диаметром 12,5 мм. Площадь мембраны ‒ 0,000122 м2, внутренний объем ‒ 75 мл; максимальное давление ‒ 55 бар.
- трехпоршневой насос, максимальный расход Qmax = 38 л/мин; максимальное давление Pmax = 150 бар, максимальное рабочее давление Pmaxраб = 55 бар. Насос оборудован предохранительным клапаном для защиты всего устройства;
- два регулирующих клапана для управления потоком воды и стоком;
- пластинчатый теплообменник для концентрата;
- 6 датчиков температуры, типа «J»;
- датчик давления (0-100 бар);
- датчик потока (температура воды на входе), диапазон: 0,25-6,5 л/мин;
- датчик уровня в расходном резервуаре;
- расходный резервуар из нержавеющей стали (вместимость 15 л);
- сборный резервуар из нержавеющей стали для пермеата (15 л).
Пример вывода данных, снятых датчиками, на контрольный блок устройства, представлен на рис. 3.
Рис. 3. Вывод показателей датчиков установки обратного осмоса ROUC
Fig. 3. Output of indicators of the sensors of the ROUC reverse osmosis plant
Таблица 1. Технологические параметры поставляемой мембраны
Table 1. Technological parameters of the supplied membrane
Тип мембраны | Ограничение по концентрации | Процесс | Максимальное давление, бар |
RO1 | 99 % раствор NaCl | OI/RO 45 | 45 |
Таким образом, установка позволяет ознакомиться не только с технологическим процессом опреснения, но и с основными принципами действия датчиков.
Для выполнения основных задач исследования в первую очередь необходимо было определить качественные показатели морской воды в местах возможного применения реальных установок опреснения.
Средняя соленость воды Мирового океана составляет примерно 35 г/кг, в Черном море она варьируется: на поверхности 17-18 г/кг; в северо-западной части 8-13 г/кг; а у дна 22-25 г/кг, и зависит от сезона года, глубины и географических координат. Так, в устьях рек соленость понижена за счет поступления значительных пресных вод от рек Дунай, Днестр, Буг, Днепр – северо-западная часть Черного моря, рек Кавказского побережья, вод Азовского моря, поступающие через Керченский пролив [9].
В контрольных створах по побережью Крыма от Севастополя до Керчи осуществляется забор проб воды для последующего анализа, результаты определения содержания в пробах взвешенных веществ, хлоридов, сульфатов и сухого остатка представлены в табл. 2. Качественный состав морских вод позволит подобрать предварительную схему очистки перед подачей опресняемой воды на мембрану [10].
Таблица 2. Результаты исследования проб морской воды Черноморского побережья Республики Крым
Table 2. The results of the study of seawater samples of the Black Sea coast of the Republic of Crimea
Точка отбора проб | Взвешенные вещества, мг/л | Хлориды, мг/л | Сульфаты, мг/л | Сухой остаток, мг/л |
Г. Феодосия, пгт Курортное, на глубине 10 м | 6,7 | 10862,8 | 721,5 | 11600,4 |
Г. Севастополь, пгт Балаклава | 18,6 | 10223,8 | 1407,3 | - |
Г. Феодосия, пгт Коктебель | 2,8 | 10543,2 | 1415,6 | - |
Г. Севастополь, Голубая бухта | 15,3 | 10588,2 | 1415,5 | - |
Г. Феодосия, поселок Курортное | 2,2 | 10588,92 | 1200,7 | - |
Г. Керчь, Камыш-Бурунская ТЭЦ | 7,8 | 10513,1 | 1435,8 | 17535 |
Пгт Партенит, санаторий «Крым» | 2,2 | 10680,2 | 1235,4 | 20936 |
Г. Керчь, Керченский рыбный порт | 9,00 | 8497 | 1090 | 16536 |
Пгт Кореиз, Санаторий Мисхор | 1,8 | 6138,5 | 834,6 | - |
В табл. 3 представлены подробные данные по качественному составу воды Черного моря.
Таблица 3. Данные качественного состава воды Черного моря
Table 3. Data on the qualitative composition of the Black Sea water
Соли | Содержание солей в воде Черного моря | |
мг/л | % от общей массы | |
Хлориды Cl- | 10500-11000 | 66-65 |
Сульфаты SO42- | 1200-1400 | 8-8,3 |
Ионы кальция Ca2+ | 220-250 | 1,4-1,5 |
Ионы магния Mg2+ | 740-900 | 5-5,3 |
Гидрокарбонаты HCO3- | 213-214 | 1,3-1,2 |
Ионы натрия Na+ | 2500-2850 | 16,4-16,6 |
Ионы калия K+ | 300-350 | 1,9-2,1 |
Итого: | 15673-16964 | 66-65 |
Для моделирования состава морской воды воспользовались солями в пропорциях, указанных в табл. 3, а для подготовки навесок солей для приготовления различных концентраций подготовили расчет, размещенный в табл. 4. Для моделирования в лабораторных условиях состава морской воды в Черном море были использованы следующие соли:
Таблица 4. Навески солей для моделирования различных концентраций солености морской воды
Table 4. Salt samples for modeling different concentrations of salinity of seawater
Соли | Расчетный состав солей в растворе, г/л | |||||
8 | 10 | 12 | 14 | 16 | 20 | |
Сернокислый магний семиводный MgSO4·7Н2O | 1,52 | 1,9 | 2,29 | 2,66 | 3,03 | 3,81 |
Хлористый магний шестиводный MgСl2·6Н2O | 1,82 | 2,29 | 2,76 | 3,2 | 3,65 | 4,58 |
Хлористый кальций CaСl2 | 0,29 | 0,36 | 0,43 | 0,5 | 0,58 | 0,72 |
Хлористый натрий NaСl | 6,47 | 8,0 | 9,61 | 11,16 | 12,71 | 15,97 |
- NaCl (хлористый натрий, поваренная соль). Cl- – составляет 60,6 % или 606 мг на 1 г соли, соответственно Na+ – составляет 39,4 % или 394 мг на 1 г соли.
- CaCl2 (хлористый кальций). Cl- – составляет 64 % или 640 мг на 1 г соли, соответственно Ca2+ – составляет 36 % или 360 мг на 1 г соли.
- MgSO4·7H2O (сернокислый магний семиводный) Mg2+ – составляет 9,75 % или 97,5 мг на 1 г соли, SO42- ‒ составляет 39 % или 390 мг на 1 г соли.
- MgCl·6H2O (хлористый магний шестиводный), Cl- – составляет 35 % или 350 мг на 1 г соли, Mg2+ – составляет 11,8 % или 118 мг на 1 г соли.
- Подготовка модельного раствора морской воды осуществлялась в следующей последовательности:
- в 1 л воды растворить 3,08-3,7 г MgSO4·7H2O, что вносит в состав искусственной морской воды 1201-1443 мг/л сульфатов и 300-360 мг/л ионов магния;
- для доведения величины концентрации магния до требуемой (740-900 мг/л) необходимо растворить 3,93-4,45 г MgCl2·6H2O, что в итоге соответствует 763-885 мг/л ионов магния, также получаем еще 1375-1557 мг/л хлорид-ионов;
- для содержания ионов кальция добавим 0,6-0,7 г CaCl2, что позволит получить 216-252 мг/л ионов кальция и добавить к уже имеющимся хлоридам 384-448 мг/л хлорид-ионов, итого получаем 1759-2005 мг/л хлоридов-ионов, и для создания полноценного варианта морской воды не хватает 8741-8995 мг/л хлорид-ионов, что достигается введением в модельный раствор 14,4-14,8 г NaCl, и получаем общее количество хлорид-ионов 10485-10972 мг/л и ионов натрия 5674-5831 мг/л;
- общая минерализация в искусственной воде составит 18339-19384 мг/л, что примерно соответствует морской воде Черного моря.
Для приготовления 1 л морской воды в лабораторных условиях необходимо растворить в 1 л воды: 3,08-3,70 г MgSO4·7H2O (эквивалент 1,50-1,80 г MgSO4); 3,93-4,45 г MgCl2·6H2O (эквивалент 1,83-2,08 г Mg Cl2); 0,60-0,70 г CaCl2; 15,00-15,50 г NaCl. Результаты моделирования различных концентраций морской воды исходя из имеющихся солей представлены в табл. 4.
Для определения эффективности опреснения воды, после проведения эксперимента по опреснению искусственной морской воды пропуском ее через мембранный блок установки обратного осмоса, из емкости сбора пермеата отбирали 50 мл полученного фильтрата (пермеата) с помощью пипеток в предварительно взвешенную емкость. После этого проводилось выпаривание исследуемого раствора на водяной бане [11], определялась масса полученной емкости с оставшимися твердыми веществами. Взвешивание пустой емкости, а также емкости после процесса выпаривания производилось на электронных весах. Зная значения массы емкости в чистом виде и получив значения с содержанием твердых частиц, путем простого вычитания одного значения из другого определили содержание примесей в 50 мл отобранной пробы пермеата; путем умножения полученного значения на 20 определяли концентрацию примесей на один литр пермеата, что позволило определить эффективность процесса опреснения. В табл. 5 представлены результаты первичной серии экспериментов по опреснению искусственной морской воды.
Таблица 5. Результаты первичной серии экспериментов
Table 5. Results of the initial series of experiments
№ опыта | Объем модельного раствора V, л | Исходное солесодержание в модельном растворе Сисх, г/л | Q, % | Давление подаваемого потока на мембрану P, МПа | Временной период действия установки t, мин | Объем полученного пермеата V, перм, мл | Солесодержание в полученном пермеате С, г на 50 мл отобранной пробы | Солесодержание в полученном пермеате С, г на 1000 мл | Эффективность опреснения Э, ٪ |
1 | 10 | 10 | 24 | 44 | 10 | 170 | 0,0451 | 0,902 | 90,98 |
2 | 10 | 10 | 36 | 42 | 10 | 195 | 0,0319 | 0,638 | 93,62 |
3 | 10 | 10 | 48 | 40 | 10 | 210 | 0,0293 | 0,586 | 94,14 |
4 | 10 | 13 | 24 | 44 | 10 | 150 | 0,0520 | 1,04 | 92,00 |
5 | 10 | 13 | 36 | 42 | 10 | 180 | 0,0546 | 1,092 | 91,60 |
6 | 10 | 13 | 48 | 40 | 10 | 190 | 0,0425 | 0,85 | 93,46 |
7 | 10 | 16 | 24 | 44 | 10 | 120 | 0,0970 | 1,94 | 87,88 |
8 | 10 | 16 | 36 | 42 | 10 | 135 | 0,0952 | 1,904 | 88,10 |
9 | 10 | 16 | 48 | 40 | 10 | 140 | 0,0823 | 1,646 | 89,71 |
Графики эффективности процесса опреснения в зависимости от расхода при различных исходных концентрациях солесодержания представлены на рис. 4, а эффективности процесса опреснения в зависимости от давления при различных исходных концентрациях солесодержания ‒ на рис. 4, б.
Рис. 4. Графики зависимости эффективности опреснения: а ‒ от расхода подаваемого потока для трех значений концентраций исходного солесодержания; б ‒ от подаваемого давления для трех значений концентраций исходного солесодержания
Fig. 4. Graphs of the dependence of the desalination efficiency: a ‒ on the flow rate of the supplied stream for three values of the initial salinity concentrations; b ‒ on the supplied pressure for three values of the initial salinity concentrations
Анализ полученных графиков показал, что с увеличением рабочего давления снижается эффективность опреснения, а с повышением исходного солесодержания уменьшается объем пермеата и соответственно растет объем концентрата и его солесодержание.
После определения предварительных параметров осуществили переход к двухфакторному планированию эксперимента [12]. Условия проведения эксперимента приведены в табл. 6.
Таблица 6. Основные характеристики плана эксперимента
Table 6. Results of the initial series of experiments
Показатель | Первая серия экспериментов | Вторая серия экспериментов | ||
Характеристика | X1 | X2 | X1 | X2 |
Основной уровень | 13 | 13,68 | 13 | 42 |
Интервал варьирования | 3 | 4,56 | 3 | 2 |
Верхний уровень | 16 | 18,24 | 16 | 44 |
Нижний уровень | 10 | 9,12 | 10 | 40 |
Матрица планирования полного двухфакторного эксперимента, полученные опытные и расчетные данные приведены в табл. 7
Таблица 7. Матрица планирования, опытные и расчетные данные
Table 7. Planning matrix, experimental and calculated data
№ опыта | X0 | План | Солесодержание С, г/л | Подаваемый расход Q, % | Опытные значения эффекта очистки, % | Расчетные значения | ||||
X1 | X2 | Y1 | Y2 | Y | S2i | Yp | ||||
Первая серия экспериментов | ||||||||||
1 | 1 | -1 | -1 | 10 | 9,12 | 90,38 | 91,58 | 90,98 | 0,72 | 91,3125 |
2 | 1 | 1 | -1 | 16 | 9,12 | 87,18 | 88,58 | 87,88 | 0,98 | 87,5475 |
3 | 1 | -1 | 1 | 10 | 18,24 | 93,44 | 94,84 | 94,14 | 0,98 | 93,8075 |
4 | 1 | 1 | 1 | 16 | 18,24 | 89,21 | 90,21 | 89,71 | 0,5 | 90,0425 |
Вторая серия экспериментов | ||||||||||
X0 | X1 | X2 | Солесодержание С, г/л | Расчетное давление, MПа | Y1 | Y2 | Y | S2i | Yp | |
1 | 1 | -1 | -1 | 10 | 40 | 96,19 | 97,53 | 96,86 | 0,905858 | 97,56 |
2 | 1 | 1 | -1 | 16 | 40 | 90,49 | 88,93 | 89,71 | 1,2168 | 88,795 |
3 | 1 | -1 | 1 | 10 | 44 | 98,93 | 97,59 | 98,26 | 0,8978 | 97,56 |
4 | 1 | 1 | 1 | 16 | 44 | 87,19 | 88,57 | 87,88 | 0,9522 | 88,795 |
Таблица 8. Сводные результаты серии экспериментов
Table 8. Summary results of a series of experiments
Показатель | Значение показателей для серии опытов | |
№1 | №2 | |
Расчетное значение критерия Кохрена Gp | 0,308 | 0,306 |
Табличное значение критерия Кохрена Gтабл | 0,9065 | 0,9065 |
Ошибка опыта S02 | 0,8 | 0,99 |
Расчетные значения коэффициентов регрессии bi: | ||
b0 | 90,6775 | 93,1775 |
b1 | -1,8825 | -4,3825 |
b2 | 1,2475 | -0,1075 |
Дисперсия коэффициентов Sbi2 | 0,2 | 0,248 |
Доверительный интервал Sbi·t | 1,24 | 1385 |
Функция отклика (математическая модель) | Y = 90,68-1,88X1+1,25X2 | Y = 93,1775-4,3825X1-0,1075X2 |
Расчетные значения функции отклика Yi: | ||
Y1p | 91,3125 | 97,6675 |
Y2p | 87,5475 | 88,9025 |
Y3p | 93,8075 | 97,4525 |
Y4p | 90,0425 | 88,6875 |
Дисперсия адекватности Sад2 | 0,8844 | 2,60823 |
Расчетное значение критерия Фишера Fp | 1,1 | 2,62 |
Табличное значение критерия Фишера Fт | 7,71 | 6,94 |
Уравнение регрессии | y = 90,6775 - 1,8825 × ((x1- 13) / 3) + + 1,2475 × ((x2 - 13,68) / 4,56) = = 95,0925 - 0,6275x1 + 0,2736x2 | y = 93,1775 - 4,3825 × ((x1 - 13) / 3) - - 0,1075 × ((x2 - 42) / 2) = = 114,42 - 1,4617x1 - 0,05375x2 |
По полученным аналитическим выражениям были построены номограммы определения эффекта очистки в зависимости от варьируемого солесодержания и изменяемого объема подаваемой воды на опреснение (рис. 5, а), а также график зависимости эффективности очистки от варьируемого солесодержания и изменяемого рабочего давления (рис. 5, б).
Рис. 5. Контурные графики зависимости эффективности опреснения: а ‒ при переменных концентрациях солесодержания и переменных значениях расхода подаваемой воды; б ‒ при переменных концентрациях солесодержания и переменных значениях давления
Fig. 5. Contour graphs of the dependence of desalination efficiency: a ‒ at variable concentrations of salinity and variable values of the flow rate of supplied water; b ‒ at variable concentrations of salinity and variable pressure values
Полученные технологические параметры процесса опреснения имитационных моделей вод Черного моря позволяют перейти к разработке технологической схемы опреснения реальных вод Черного моря с выявленными параметрами рабочего давления и выявленными соотношениями объемов пермеата и концентрата. Объемы пермеата и необходимое рабочее давление накладывают определенное ограничение на применение опреснительных установок, которые не позволят получить расходы, необходимые для водоснабжения значительных рекреационных комплексов. Тем не менее небольшие кемпинги, с незначительным потреблением воды, возможно обеспечить опресняемой водой. Еще одним фактором, сдерживающим применение установок опреснения, являются не только значительные величины потребляемой электроэнергии, но и значительные объемы сбрасываемых концентратов [13, 14].
Выводы. 1. Рассмотрены технологические возможности лабораторного модуля ROUK от компании Edibon.
- Представлена методика приготовления искусственной морской воды, имитирующей состав воды Черного моря.
- Показаны результаты предварительных экспериментов по определению технологических параметров: рабочего давления, солесодержания, подаваемой воды на опреснительную установку, объемов и концентраций пермеата и концентрата.
- Выполнен переход к двухфакторному планированию с проведением экспериментов и обработкой экспериментальных данных с получением аналитических выражений и построением поверхностей отклика.
About the authors
Svetlana Yu. Teplykh
Samara State Technical University
Author for correspondence.
Email: lana2802@mail.ru
Doctor of Engineering Sciences, Associate Professor, Professor of the Water Supply and Sanitation Chair
Russian Federation, 443100, Samara, Molodogvardeyskaya st., 244Elena Ev. Kotovskaya
Crimean Federal University named after V.I. Vernadsky
Email: elevkot@gmail.com
Senior Lecturer of the Engineering Systems in Construction Chair
Russian Federation, 295050, Simferopol, Kievskaya st., 181Ilya V. Korol
LLC RTGK-CENTER
Email: elijah.etc@mail.ru
Engineer of the Water Supply, Survey and Survey Division
Russian Federation, 295050, Simferopol, Nikonorova st., 11References
- Strelkov A. K., Kotovskaya E.E., Teplykh S.Yu. Determination of the effectiveness of water purification from surface sources of centralized water supply from organic pollutants on the example of Simferopol. Gradostroitel’stvo i arhitektura [Urban Construction and Architecture], 2017, vol. 7, no. 3(28). pp. 35‒45. (in Russian) doi: 10.17673/Vestnik.2017.03.7
- Teplykh S.Yu., Kotovskaya E.E., Gorshkalev P.A., Gaydaychuk M.G. Development of Modular Cleaning Complexes Water of the North Crimea Canal for Watering Agricultural Crops. Gradostroitel’stvo i arhitektura [Urban Construction and Architecture], 2024, vol. 14, no. 1, pp. 34–45. (in Russian) doi: 10.17673/Vestnik.2024.01.05
- Teplykh S.Yu., Kotovskaya E.E., Gorshkalev P.A. Improving the technology of drinking water purification at the water treatment facilities of the Chernorechensk reservoir during the flood period. Gradostroitel’stvo i arhitektura [Urban Planning and Architecture], 2024. vol.14, no. 3, pp.49‒54. (in Russian) DOI: doi: 10.17673/Vestnik.2024.03.06
- Nikolenko I.V., Kotovskaya E.E., Korol I.V. Ways to increase energy efficiency in the desalination of seawater using reverse osmosis technology. Economica stroitel’stvo i prirodopol’zovania: sb. nauch. trudov. Simferopol’: ASiA» [Economics of construction and environmental management: Sat. scientifi c. works. Simferopol: ASiA], 2017, iss. 3(64), pp. 80–87. (In Russian).
- Boronina L.V. Surface sources of centralized Drinking water supply: their purification from biocontamination and purifiaction efficiency determination (with the city of Simferopol taken as an example). Gradostroitel’stvo i arhitektura [Urban Construction and Architecture], 2013, vol. 3, no. 2, pp. 54‒60. (in Russian)
- Nikolenko I.V., Kotovskaya E.E., Lud N.V. Analysis of the influence of the qualitative composition of drinking water in the Republic of Crimea on public health. Stroitel’stvo i tehnogennaja bezopasnost’ [Construction and technogenic safety], 2022, no. 27(79), pp. 125‒143. (in Russian)
- Zakharov R.Yu., Volkova N.Ye., Podovalova S.V. Assessment of the quality of groundwater in the Chernomorsky region. Economica stroitel’stvo i prirodopol’zovania: sb. nauch. trudov. Simferopol’: ASiA» [Economics of construction and environmental management: Sat. scientifi c. works. Simferopol: ASiA]. 2022, iss. 1‒2, pp. 82–83. (In Russian).
- Reverse Osmosis/ Ultrafiltration device. Available at: https://adv-techno.ru/food-water/food-basic/rouc/ (accessed 24 July 2024).
- Spravochnoe izdanie. Proekt «Morja SSSR» Gidrometeorologija i gidrohimija morej SSSR. Tom IV. Chernoe more. Vyp. 1. Gidrometeorologicheskie uslovija [Reference edition. Project “Seas of the USSR” Hydrometeorology and hydrochemistry of the seas of the USSR. Volume IV. Black Sea. No. 1. Hydrometeorological conditions]. Leningrad, Technical Book, 1991. 426 p.
- Biryuk V.V., Anisimov M.Yu., Gorshkalev P.A., Teplykh S.Yu., Shershakova A.A. Obtaining drinking water for settlements of the Black Sea coast. Vestnik Mezhdunarodnoj akademii holoda [Bulletin of the International Academy of Cold], 2019, no. 4, pp. 26-31. (in Russian) doi: 10.17586/1606-4313-2019-18-4-26-31
- Kulsky L.A., Goranovsky I.T., Koganovsky L.M., Shevchenko M.A. Spravochnik po svojstvam metodam analiza i ochistki vody v 2-h chastjah [Handbook of proper-ties of methods of analysis and purifi cation of water in 2 parts]. Kiev, Naukova dumka Publ., 1980. 1205 p.
- Kichigin V.I. Modelirovanie processov ochistki vody [Modeling of water treatment processes]. Moscow, ASV, 2003. 230 p.
- Nikolenko I.V., Kotovskaya E.E., Furasov A.V. Environmental problems of reverse osmosis desalination. Vodosnabzhenie, vodootvedenie i sistemy zashhity okruzhajushhej sredy: sbornik statei [Water supply, water disposal and environmental protection systems: collection of articles]. Ufa, 2018, pp. 143–156. (In Russian).
- Pervov A.G., Andrianov A.P., Golovesov V.A. Modern solutions for desalination of seawater and groundwater: reduction of energy consumption and utilization of concentrates. Stroitel’stvo i tehnogennaja bezopasnost’ [Construction and technogenic safety], 2019, no. 15(67), pp.169‒187. (in Russian)
Supplementary files








