Static stability study of a model rocket
- Autores: Bordachev V.A.1, Kolga V.V.1, Rozhkova E.A.1
-
Afiliações:
- Reshetnev Siberian State University of Science and Technology
- Edição: Volume 24, Nº 1 (2023)
- Páginas: 64-75
- Seção: Section 2. Aviation and Space Technology
- ##submission.datePublished##: 24.06.2023
- URL: https://journals.eco-vector.com/2712-8970/article/view/473514
- DOI: https://doi.org/10.31772/10.31772/2712-8970-2023-24-1-64-75
- ID: 473514
Citar
Texto integral
Resumo
Relevance. When designing flying models of rockets, one of the difficult tasks is to ensure the static stability of the rocket in flight along a given trajectory. Static stability refers to the ability of a model to return to an equilibrium position disturbed by external forces (wind, model asymmetry, etc.). In this case, the model must be stabilized in terms of the angle between the longitudinal axis of the model and the direction of flight (velocity vector), i.e. maintain a zero angle of attack. The condition for ensuring the static stability of the rocket model is the location of its center of gravity ahead of the center ofpressure. In this case, when the angle of attack is different from zero, the aerodynamic forces will create a stabilizing moment, which will return the model to a zero angle of attack.
The purpose of the study is to develop and compare methods for determining the position of the center of pressure of a rocket and determining its static stability. A simplified method, an analytical calculation, a graphical method, and various practical approaches that can be used in rocket modeling are considered.
As research methods, an analytical approach, a graphical method and finite element modeling in the SolidWorks Flow Simulation program were used. In addition, a number of approximate calculation methods were considered. The study analyzes the capabilities of the considered methods for determining the static stability of a model rocket and the error of their application.
To confirm the results of the calculation, a computer experiment was carried out in the form of blowing a finite element model of a rocket using the SolidWorks Flow Simulation program. The results of computer simulation confirmed the reliability of the proposed methods for determining the static stability of a model rocket.
Research results. Simplified methods for determining the static stability of a rocket are the simplest and most reliable when designing model rockets. It is advisable to use it for launching demonstration rockets with an allowable misalignment error of 15% or more. Analytical methods are useful for designing sports models of rockets with high flight requirements, for example, for international competitions.
Conclusion. The proposed method for ensuring the static stability of a model rocket makes it possible to simplify the design process of both demonstration and sports models of rockets for reliable demonstration launches.
Palavras-chave
Texto integral
Введение
Летающая модель ракеты приводится в движение с помощью модельного ракетного двигателя (МРД) и поднимается в воздух, не используя аэродинамическую подъемную силу несущих поверхностей (как самолёт). При этом модельная ракета имеет систему спасения для её безопасного возвращения на землю. В ракетомоделировании используются неуправляемые модели ракет, поднимающиеся на высоту 150-250 м при условии соблюдения их статической устойчивости в процессе полета.
Модель одноступенчатой ракеты (рис. 1) состоит из конecной 1 и переходной 2 частей обтекателя, корпуса модели ракеты 3 и оперения - стабилизаторов 5.
Рис. 1. Модель одноступенчатой ракеты: 1 - конусная часть головного обтекателя; 2 - переходник головного обтекателя; 3 - корпус модели ракеты; 4 - оправка; 5 - стабилизатор; б - полезный груз; 7 - стропы парашюта; 8 - парашют; 9 - пыж; 10 - микро-РДТТ; И - пороховая шашка микро РДТТ
Fig. 1. Model of a single-stage rocket: 1 - conical part of the head fairing; 2 - head fairing adapter; 3 - rocket model body; 4 - mandrel; 5 - stabilizer; 6 - payload; 7 - parachute lines; 8 - parachute; 9 - wad; 10 - micro-RDTT; 11 - powder checker micro solid propellant
Оснащение модели ракеты: ракетный двигатель 10, парашют системы спасения 8, пыж 9 и два направляющих кольца.
Конусную и цилиндрическую части обтекателя делают из ватмана. Заготовку наматывают на оправку 4 и смазывают клеем. Конусную часть обтекателя делают аналогичным способом. Следует учесть, что диаметр переходника должен быть несколько меньше диаметра корпуса, чтобы его можно было свободно надевать и снимать. Это обеспечивает свободный выброс парашюта системы спасения.
Стабилизаторы модельной ракеты, обеспечивающие смещение центра давления ближе к хвостовой части ракеты, представляют собой четыре пластины, вырезанные из прочного картона, толщиной 1-2 мм.
В полете на ракету действуют три силы: тяга двигателя (R), сила аэродинамического сопротивления (Р) и сила тяжести (G) (рис. 2). Сила тяги двигателя направлена вдоль продольной оси модели; сила тяжести действует вертикально вниз и приложена в центре тяжести (ц. т.); аэродинамическая сила противоположна набегающему потоку и приложена в центре давления (ц. д.). Центр давления - точка приложения равнодействующей всех аэродинамических сил к корпусу ракеты [1-5].
При конструировании летающих моделей ракет одной из сложных задач является обеспечение статической устойчивости ракеты в полете на заданной траектории 16- 9]. Под устойчивостью понимается способность модели возвращаться в положение равновесия, нарушенное внешними силами (ветром, асимметрией модели и т. д.). При этом модель должна быть стабилизирована по углу между продольной осью модели и направлением полета (вектора скорости). Условием обеспечения статической устойчивости модели ракеты является расположение её центра тяжести впереди центра давления. В этом случае при появлении угла атаки отличного от нуля аэродинамические силы создадут стабилизирующий момент, который возвратит модель к нулевому углу атаки [10; 11].
На рис. 2 рассмотрим два случая поведения модели ракеты во время ее движения по вертикальной траектории. Угол атаки равен нулю - ось модели совпадает с направлением полета. В идеальных условиях (при отсутствии внешних помех) такая траектория сохраняется в течение всего полета. В действительности такого почти не бывает. Внешние силы (ветер, непостоянная тяга двигателя) вносят погрешности в траекторию полета за счет появления угла атаки не равного нулю. Если модель статически устойчива (рис. 2, а), то она сама возвратится к нулевому углу атаки. Неустойчивая же ракета (рис. 2, б) еще больше увеличит угол атаки и сильнее отклонится от первоначальной вертикальной траектории.
Рис. 2. Траектория полета модели ракеты: а – устойчивый полет; б – неустойчивый полет
Fig. 2. Flight trajectory of the rocket model: a - stable flight; b - unstable flight
Анализ существующих способов обеспечения статической устойчивости модельной ракеты
Один из самых распространенных способов обеспечения статической устойчивости модели ракеты - аэродинамический. Он заключается в установке на корпусе ракеты специальных поверхностей - стабилизаторов.
Рассмотрим более подробно условия аэродинамической устойчивости. Она зависит от взаимного расположения центра тяжести (ц. т.) и центра давления (ц. д.) (рис. 3).
Если ц. т. расположен впереди ц. д. (рис. 3, а), то при появлении угла атаки аэродинамические силы создадут стабилизирующий момент, который возвратит модель в первоначальное состояние с нулевомым углом атаки. Эта модель будет статически устойчивой. И чем дальше смещен ц. д. относительно ц. т. (считая от головной части), тем большим запасом статической устойчивости обладает модель ракеты.
Рис. 3. Влияние взаимного расположения центра тяжести (ц. т.) и центра давления (ц. д.) на устойчивость модели в полете: а – модель устойчива; б – модель неустойчива
Fig. 3. Influence of the relative position of the center of gravity (c.g.) and the center of pressure (c. p.) on the stability of the model in flight: a - the model is stable; b - the model is unstable
Если ц. т. модели расположен позади ц. д. (рис. 3, б), то аэродинамические силы, возникающие вследствие изменения угла атаки под действием возмущающих внешних сил, создадут дестабилизирующий момент, который увеличит этот угол. Такая модель в полете будет неустойчивой.
Отношение расстояния от ц. д. до ц. т. к длине ракеты (при начале координат в головной части ракеты) носит название запаса статической устойчивости. Для моделей со стабилизаторами он должен быть равен 10-20 %.
На практике для модельных ракет центр давления смещается максимально близко к двигательному отсеку за счет увеличения суммарной площади стабилизаторов и установки их максимально удаленно от головной части. При этом центр тяжести смещается к головному обтекателю за счет установки в головной части дополнительного полезного груза. Расчет статической устойчивости ракеты, как правило, специально не проводится. Применяются либо традиционные модели ракет, уже подтвердившие свою статическую устойчивость, либо статическая устойчивость обеспечивается пробными запусками в процессе проектирования экспериментальной модели.
Методы расчета статической устойчивости модельной ракеты
Условием обеспечения статической устойчивости модели ракеты является расположение её центра тяжести впереди центра давления. Как правило, для определения геометрических и массовых характеристик конструкции используются справочники по сопротивлению материалов или расчетные программы (SolidWorks, Ansys) [12]. Однако центр тяжести модельной ракеты нетрудно определить путем её балансировки на ребре тонкой линейки. Для нахождения центра давления есть несколько способов. Как правило, их разделяют на расчетные и практические [13-15].
Расчетный метод определения центра давления
Приближенное определение центра давления по чертежу модели (по плоской фигуре)
Возмущения, действующие в полёте на модель ракеты, не велики. Угол отклонения ракеты изменяется незначительно, как правило, до 15-20°. На малых углах атаки положение ц. д. отклоняется от расчетного. Но при проектировании можно воспользоваться приблизительным методом определения центра давления при симметричном обтекании (при нулевом угле атаки а = 0). Положение ц. д. в этом случае будет соответствовать положению центра тяжести плоской фигуры модели.
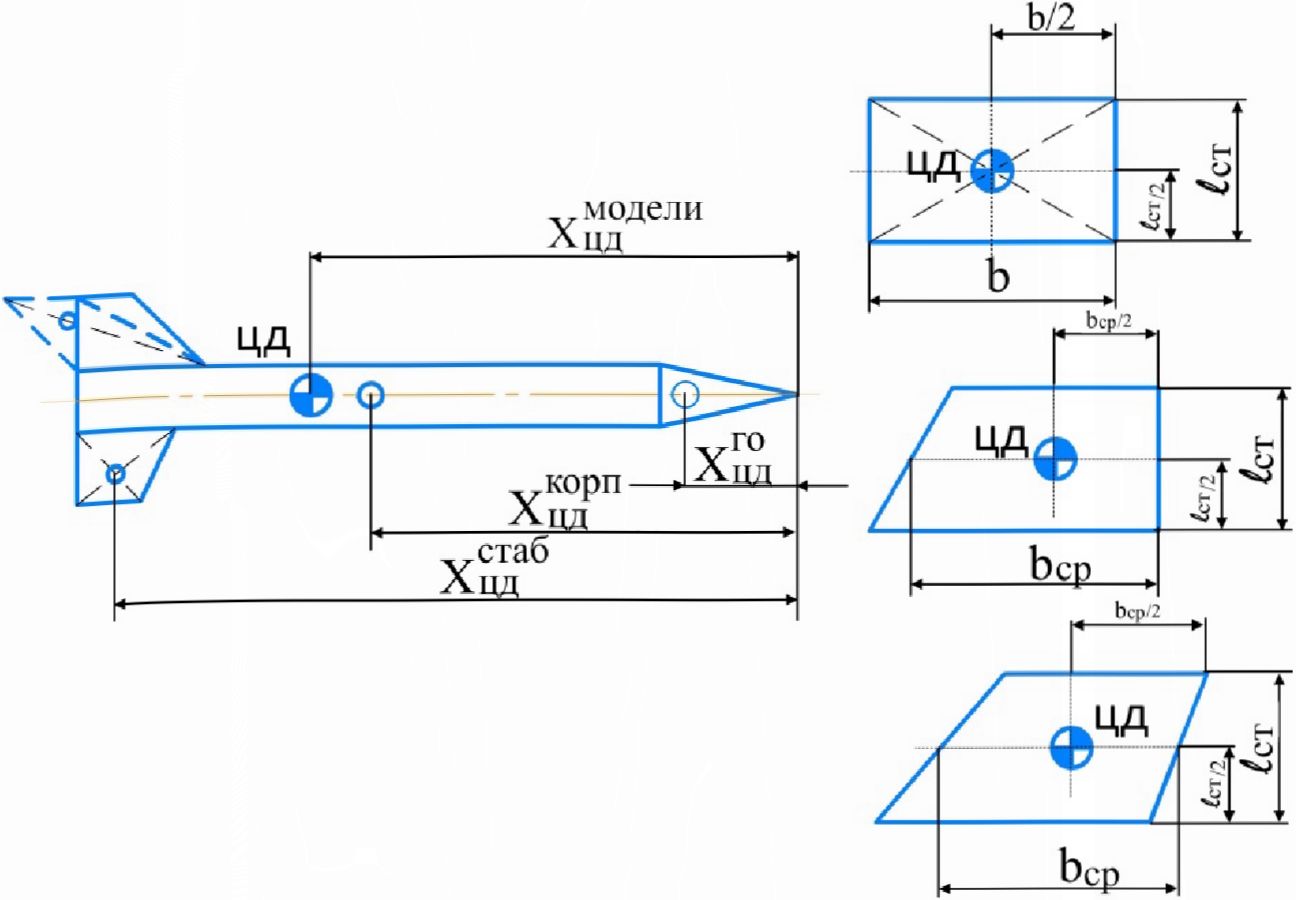
Разобьём модель на ряд простых фигур и найдём координаты суммарного статического момента (рис. 4).
Рис. 4. Центр тяжести и центр давления модели и ее части
Pig.4. Center of gravity and center of pressure of the model and its parts
(1)
где — площадь проекции головного обтекателя; - площадь проекции корпуса модели; - площадь проекции всех стабилизаторов; Sмод - сумма всех площадей; - ордината ц. д. головного обтекателя; - ордината ц. д. корпуса модели: - ордината ц. д. стабилизаторов.
Если является положительным числом, то это значит, что модель будет устойчива, где С - запас устойчивости модели ракеты.
Чем больше С, тем полёт будет устойчивее.
Для увеличения запаса устойчивости С, необходимо увеличить площадь стабилизаторов или изменить их расположение на более «заднее» (для смещения положения ц. д. ближе к хвостовому отсеку). Для обеспечения более переднего расположения ц. т. можно увеличить массу головного обтекателя.
Графический метод определения центра давления модели ракеты
Положение центра давления зависит от относительного удлинения корпуса модели . Для модели ракет с цилиндрическим корпусом без оперения и коническим (или более близким конусу) головным обтекателем положение ц. д. на оси модели можно найти по графику (рис. 5). Зная положение ц. т. и ц. д. неоперённого корпуса, задаемся запасом устойчивости С (С = 30, С = 20, С = 10) и по графику находим предлагаемый авторами коэффициент влияния стабилизаторов КСТ, зная который можно вычислить площадь одного оперения стабилизатора у 4-стабилизаторной модели (рис. 6):
(2)
Fig. 5. Graph of the dependence of the position of the center of pressure of the body without stabilizers on its elongation
Рис. 6. График определения площади стабилизатора модели ракеты с четырьмя стабилизаторами
Fig. 6. Graph for determining the stabilizer area of a rocket model with four stabilizers
Аналитический метод определения положения центра давления по чертежу модели
Модель ракеты состоит, как правило, не только из цилиндрических частей, но и ряда конических. Графоаналитический метод этого не учитывает, а на каждую из этих частей действует нормальная аэродинамическая сила. Зная ее величину и точку приложения, легко найти полную аэродинамическую силу R как сумму отдельных сил и её координату Ац:
, (3)
где Rго, R1, Rк, R2 и Rст - аэродинамические силы, действующие соответственно на головной обтекатель, первую цилиндрическую часть модели, коническую, вторую цилиндрическую и стабилизаторы модели.
Поскольку аэродинамическая сила зависит от скорости полёта, то лучше определить не сами силы, а их безразмерные коэффициенты CR. В этом случае формулу можно переписать так:
, (4)
причём
В расчёте принимается, что цилиндрическое тело при малых углах атаки не создаёт подъёмной силы, поэтому коэффициент аэродинамической силы цилиндрического тела близок к нулю. Расчёт определяет аэродинамические показатели для головного обтекателя, конической переходной части и стабилизаторов. Необходимо учитывать, что присутствие цилиндрического тела влияет на воздушный поток воздуха возле корневых хорд стабилизаторов.
Распространены головные обтекатели двух типов: конические и оживальные. Для обоих типов коэффициент аэродинамической силы одинаков: = 2.
Для конического головного обтекателя центр давления расположен на расстоянии его носовой точки, а для оживального , где — длина головного обтекателя.
Коническая переходная часть может увеличивать или уменьшать диаметр модели. Коэффициент аэродинамической силы для конической переходной части подсчитывается по формуле
(5)
где d1 - нижний диаметр усечённого конуса; d2 - верхний диаметр усечённого конуса; d -диаметр головного обтекателя.
Для сужающегося конуса этот коэффициент получится отрицательным. Это означает, что сила Rк направлена против других сил и корпуса, различающиеся кормовой частью, будут иметь неодинаковое положение центра давления.
Положение центра давления конуса рассчитывается по формуле где
, (6)
lp - расстояние от носовой точки модели до конуса; lk - высота конуса.
Стабилизаторы сложной формы могут быть представлены как сумма стабилизаторов простой формы, а их центр давления может быть определён по средней аэродинамической хордепера стабилизатора. Коэффициент аэродинамической силы зависит от числа стабилизирующих поверхностей. Для стабилизатора с n поверхностями коэффициент аэродинамической силы подсчитывается по формуле
(7)
где - размах пера стабилизатора; - размах по средней линии. Коэффициент N зависит от количества стабилизаторов.
Аэродинамическое взаимодействие стабилизаторов и корпуса модели ракеты учитывается коэффициентом
где r - радиус кормовой части модели.
Тогда коэффициент аэродинамической силы для всей кормовой части модели ракеты равен
Положение центра давления стабилизатора зависит от формы стабилизатора в плане и места его расположения на корпусе ракеты:
(8)
где L - расстояние от носовой точки модели до корневой хорды стабилизаторов; Δl - расстояние между началом корневой и концевой хорд стабилизатора.
Практический метод определения центра давления
Первый способ. Из фанеры, картона или другого листового материала вырезают фигуру по контуру модели ракеты и находят ц. т. этой плоской фигуры. Эта точка и будет искомый ц. д. модели [2] (рис. 7). Для настоящей модельной ракеты, сделанной согласно представленному контуру, определяется истинное положение ц. т. с учетом веса головной части, массы двигателя, системы спасения и т. д. Запас статической устойчивости ракеты определяется также по формуле
Рис. 7. Практический метод определения ц. д. плоской фигуры модели ракеты
Fig. 7. A practical method for determining c. e. a flat figure model of a rocket
Второй способ - это испытание ракеты на устойчивость с помощью аэродинамической трубы. Для этого полностью снаряжается модель: ставят двигатель, систему спасения, пыжи и т. д. Затем ракета помещается в воздушный поток навстречу движению. Наиболее равномерный поток создается в аэродинамической трубе, скорость которого не менее 20-30 км/ч. Отклоните ракету пальцем примерно на 10° от положения по потоку. Если модель возвращается в исходное положение, то статическая устойчивость ракеты обеспечена (рис. 8).
Рис. 8. Испытания модельной ракеты в потоке воздуха, выходящего из сопла аэродинамической трубы: 1 – модельная ракета; 2 – нить; 3 – аэродинамическая труба
Fig. 8. Tests of a Model Rocket in the Air Flow Out of the Wind Tunnel Nozzle: 1 - model rocket; 2 - thread; 3 - wind tunnel
В полете по мере выгорания топлива в двигателе меняется и положение ц. т. модели. Почти у всех моделей двигатель расположен в хвостовой (кормовой) части. При сгорании топлива масса ракеты будет уменьшаться, а ц. т. перемещаться ближе к головной части, увеличивая тем самым статическую устойчивость модели.
Известно несколько способов корректировки устойчивости модельной ракеты. Один из них -смещение ц. д. к кормовой части за счет увеличения площади стабилизаторов и их расположения. Однако на готовой ракете этого сделать практически невозможно. Поэтому следует заранее (при проектировании) учесть возможные варианты: расширить кормовую часть, выбрать нижнее размещение стабилизаторов (за срезом сопла двигателя), увеличить массу полезного груза в головном обтекателе.
Рис. 9. Продувка модели ракеты с трапециевидными стабилизаторами в программе SolidWorks Flow Simulation
Fig.9. Purge model of a rocket with trapezoidal stabilizers in SolidWorks Flow Simulation
Сравнение методов определения ц. д. модельной ракеты и определение погрешности
Для определения погрешности описанных методов используем три одноступенчатых ракеты с разными типами стабилизаторов. представленных на рис. 4.
Заметим, что графический метод определяет площадь стабилизаторов при известном центре тяжести ракеты и запасе статической устойчивости модели. Поэтому для нахождения положения ц. д. пойдем обратным путем, т. е. зная площадь стабилизаторов и ц. д. неоперенного корпуса, найдем коэффициент влияния стабилизаторов А'С| и истинное положение ц. д. модели. Занесём эти значения в таблицу.
Для практического определения ц. д. модельной ракеты путем продувки используем программу SolidWorks Flow Simulation (рис. 9).
Погрешность определения центра давления модели ракеты для стабилизаторов различного типа
Метод определения ц. д. | Координата ц. д., мм | Абсолютная погрешность, мм | Относительная погрешность, % | |
Расчетный | По «плоской фигуре» | 177 | 45 | 15,52 |
Графический | 252-258 | 30-36 | 10-12 | |
Аналитический | 223 | 1 | 0,34 | |
Практический | По «плоской фигуре» | 178 | 44 | 15,17 |
Продувка | 222 | – | – | |
|
|
|
| |
Расчетный | По «плоской фигуре» | 173 | 46 | 15,86 |
Графический | 249-252 | 30-33 | 10-11 | |
Аналитический | 220 | 1 | 0,34 | |
Практический | По «плоской фигуре» | 173 | 46 | 15,86 |
Продувка | 219 | – | – | |
|
|
|
| |
Расчетный | По «плоской фигуре» | 177 | 82 | 28,28 |
Графический | 243-249 | 16-10 | 6-3 | |
Аналитический | 259 | 0 | 0,00 | |
Практический | По «плоской фигуре» | 179 | 80 | 27,59 |
| Продувка | 259 | – | – |
Заключение
Определение центра давления по плоской фигуре является наиболее простым и надежным способом. Его целесообразно применять для демонстрационных ракет при допустимой погрешности расцентровки 15 % и более. Аналитические методы целесообразны для проектирования спортивных моделей ракет с высокими лётными требованиями, например, для международных соревнований, рекордных полетов.
Предлагаемая в работе методика обеспечения статической устойчивости модельной ракеты позволяет упростить процесс проектирования как демонстрационных, так и спортивных моделей для проведения надежных показательных запусков.
Sobre autores
Vladimir Bordachev
Reshetnev Siberian State University of Science and Technology
Email: vladimir27032001@mail.ru
Student
Rússia, 31, Krasnoyarskii rabochii prospekt, Krasnoyarsk, 660037Vadim Kolga
Reshetnev Siberian State University of Science and Technology
Autor responsável pela correspondência
Email: Kolgaw@yandex.ru
Dr. Sc., professor, Cand. Sc.
Rússia, 31, Krasnoyarskii rabochii prospekt, Krasnoyarsk, 660037Elena Rozhkova
Reshetnev Siberian State University of Science and Technology
Email: e_rozhok@vk.com
Student
Rússia, 31, Krasnoyarskii rabochii prospekt, Krasnoyarsk, 660037Bibliografia
- Belonovskaya I. D. Kolga V. V., Yarkov I. S., Yarkova E. A. [Parametric analysis of the anisogrid body of a spacecraft for cleaning the orbit from space debris], Sibirskiy aerokosmicheskiy zhurnal. 2021, Vol. 22, No. 1, P. 94-105. doi: 10.31772/2712-8970-2021-22-1-94-105 (In Russ.).
- Bordachev V. A., Kolga, V. V., Rozhkova E. A. [Method for determining the position of the center of pressure of a model rocket]. Materialy XXVI Mezhdunar. nauch. konf. "Reshetnevskie chteniya” [Materials XXVI Intern. Scientific. Conf "‘Reshetnev reading”]. Part 1, Krasnoyarsk. SibGU, 2022. P. 15-17 (In Russ.).
- Kaltyga S. V., Kolga V. V., Terekhin N. A. Proyektirovaniye model'noy rakety s raketnym dvigatelem na tverdom toplive [Designing a Model Rocket with a Solid-Fuel Rocket Engine] Krasnoyarsk, SibGU, 2022, 97 p.
- Testoedov N. A., Kolga V. V., Semenova L. A. Proyektirovaniye i konstruirovaniye ballisticheskikh raket i raket nositeley [Design and construction of ballistic missiles and launch vehicles], Krasnoyarsk, SibGAU, 2014, 308 p.
- Kolga V. V. Opredeleniye osnovnykh proyektno-konstruktivnykh parametrov i massovykh kharakteristik pri proyektirovanii raket [Detennination of the main design parameters and mass characteristics in the design of missiles] Krasnoyarsk, SibGU, 2021, 112 p.
- Bordachev V. А. | Development of a scheme for attaching an orbital ship to a launch vehicle], Materialy VII Mezhdunar. much. konf. “Aktual’nyye problemy aviatsii i kosmonavtiki” [Materials of the VII International scientific and practical conference "Actual problems of aviation and cosmonautics'’]. Part 1. Krasnoyarsk, SibGU, 2021, P. 75-77(In Russ.).
- Kargopolov D. D._ Kolga V. V. [Development of an air launch system for rockets] H Materialy VII Mezhdunar. nauch. konf. “Aktual’nyye problemy aviatsii i kosmonavtiki” [Materials of the VII International scientific and practical conference «Actual problems of aviation and cosmonautics’’]. Part 1, Krasnoyarsk, SibGU. 2021, P. 90-93(In Russ.).
- Bordachev V. A., Kolga V. V. [Development of rocket plane structures], Materialy XXV Mezhdunar. nauch. konf. “Reshetnevskie chteniya” [Materials XXV Intern. Scientific. Conf “Reshetnev reading”]. Part 1. Krasnoyarsk, SibGU. 2021, P. 13-14 (In Russ.).
- Bordachev V. A. |Design of fastening structures of a rocket plane to a launch vehicle], Materialy XXV Mezhdunar. nauch. konf. “Reshetnevskie chteniya” [Materials XXV Intern. Scientific. Conf "Reshetnev reading”]. Part 1. Krasnoyarsk, SibGU. 2021, P. 15-16 (In Russ.).
- Davydik V. A., Kolga V. V., Ryazanova A. S. [Development of a method for separating tire head part of a rocket model], Materialy XXV Mezhdunar. nauch. konf. “Reshetnevskie chteniya” [Materials XXV Intern. Scientific. Conf “Reshetnev reading”]. Part 1. Krasnoyarsk. SibGU, 2021, P. 20-22 (In Russ.).
- Masich D. I., Kolga V. V. [The use of rotary parachutes when landing a descent vehicle], Materialy VIII Mezhdunar. nauch. konf. “Aktual’nyye problemy aviatsii i kosmonavtiki” [Materials of the VIII International scientific and practical conference “Actual problems of aviation and cosmonautics”]. Part 1, Krasnoyarsk, SibGU, 2022, P. 88-90 (In Russ.).
- Kolga V. V., Marchuk M. E., Lykum A. I., Filipson G. Yu. [Optimization of the location of the attachment points of the instrument panel of the spacecraft based on modal analysis], Sibirskiy aerokosnricheskiy zhurnal. 2021, Vol. 22, No. 2, P. 328-338. doi: 10.31772/2712-8970-2021-22-2-328-338 (In Russ.).
- Rozhkov V. S. Kosmodrom na stole [Cosmodrome on the table] Moscow. Mashinostroenie Publ., 1999, 144 p.
- Elshtein P. Konstruktoru modeley raket [To the designer of rocket models] Moscow, Mir Publ.. 1978,320 p.
- Krotov I. V. Modeli raket: proyektirovaniye [Rocket models: design] Moscow, DOSAAF Publ., 1979, 176 p.
Arquivos suplementares















