Design of a thermal control system with a two-phase coolant for a spacecraft with a capacity of 7 kW
- Authors: Shilkin O.V.1, Kolesnikov A.P.1, Delkov A.V.2, Kishkin A.A.3, Shevchenko Y.N.2
-
Affiliations:
- JSC "Academician M. F. Reshetnev “Information Satellite Systems”
- Reshetnev Siberian State University of Science and Technology
- Reshetnev Siberian State University of Science and Technology Federation
- Issue: Vol 24, No 1 (2023)
- Pages: 155-166
- Section: Section 2. Aviation and Space Technology
- Published:
- URL: https://journals.eco-vector.com/2712-8970/article/view/508730
- DOI: https://doi.org/10.31772/2712-8970-2023-24-1-155-166
- ID: 508730
Cite item
Full Text
Abstract
This article presents a methodological approach to designing a spacecraft thermal control system with coolant pumping with a cooling capacity of up to 7.0 kW. Two design options are considered. There is no airtight instrument container in the spacecraft layout scheme, and all heat-generating equipment is located directly on the power structure panels, so excess heat is removed from the spacecraft directly from the outside of the instrument panels.
With all the attractiveness of a two-phase circuit with a heat pipe circuit, its use in automatic spacecraft is complicated by the need to supply concentrated heat to the capillary evaporator of the circuit. To do this, it is necessary to collect heat from a large surface of the structure, on which a large number of heat sources are installed.
A schematic solution of the thermal control system is considered, in which the thermal power of the payload module is distributed between the panel of the service systems module and deployable radiators. At the same time, in the first version, the heat pipes of the payload module are connected to the heat pipes of the service systems module along the profile shelves, the contour heat pipes of the deployable radiator are connected only to the heat pipes of the service systems module. Ums, the heat load of the payload module is transferred to the heat pipes of the service systems module and then to the loop heat pipes.
The second option differs from the first one in that to equalize the temperatures of the panels of the payload module, each heat pipe of the North panel is connected to the heat pipes of the South panel.
From the results of a comparative analysis of the mass budget and energy efficiency, the conclusion follows: the DFC with capillary pumping is the most preferable option 2. which, with the same other characteristics, has a smaller mass. The specific mass-energy: characteristic of such a system is ~22.9 kg/kW.
Full Text
Введение
Система терморегулирования космического аппарата (СТР КА) предназначена для поддержания в требуемых диапазонах рабочих температур для всего установленного оборудования, на участке выведения и орбитальном функционировании, а также для обеспечения теплового режима оборудования КА совместно с технологическими средствами термостатирования при наземных испытаниях в диапазоне как рабочих температур электронных систем полезной нагрузки [1–4], так и специальных криогенных температур для работы инфракрасных рефлекторов [5].
Наиболее распространенные жидкостные СТР имеют существенный недостаток в части удельных массо-энергетических характеристик из-за большей массы заправки теплоносителя, использующего только теплоемкостную аккумуляцию тепла, и, как следствие, недопустимости паровой фазы на контурном центробежном насосе, хотя модели и тепловые балансы таких систем достаточно проработаны [6–9].
Методологический подход к проектированию элементов СТР, основанных на тепловых трубах, и определению коэффициентов теплоотдачи от жидкостно-паровых фаз в достаточном объеме представлен в источниках [10–18].
В настоящей работе рассматриваются пассивные СТР на основе тепловых труб (ТТ) и капиллярных насосов (КН) с использованием теплоты фазового перехода, т. е. двухфазные контуры (ДФК) без активных насосных агрегатов.
Постановка задачи исследования
Обычно КА, работающий на геостационарной орбите, функционально структурирован двумя модулями (рис. 1):
В компоновочной схеме построения КА отсутствует герметичный приборный контейнер, а все тепловыделяющее оборудование располагается непосредственно на панелях силовой конструкции, поэтому отвод избыточного тепла от КА осуществляется непосредственно с наружной стороны приборных панелей.
Для эффективного отбора тепла от наиболее теплонагруженных приборов и переноса его на излучающую поверхность применяются либо ТТ, либо ДФК.
Трехосная ориентация КА на стационарной орбите предопределяет тот факт, что каждая из панелей со стороны осей ±Z поочередно в течение примерно полугода подвержена воздействию солнечного потока, снижая тем самым эффективность одной из радиационных поверхностей.
Кроме того, модульный принцип будущих КА приводит к тому, что большая часть тепловой нагрузки (принято до 7,0 кВт) приходится именно на МПН. Отвод такого количества тепловой энергии от МПН требует значительных радиационных поверхностей, которые в составе конструкции МПН, как правило, создать невозможно.
Перечисленные задачи – отбор тепла от оборудования, перенос тепла с наиболее нагретых поверхностей на менее нагретые и перенос тепла от оборудования МПН на радиационные поверхности МСС – можно решить с помощью как ДФК, так и ТТ.
Дополнительные радиационные поверхности могут быть выполнены в виде откидных панелей-радиаторов, при этом угол наклона раскрываемых радиаторов предпочтительно должен составлять ~20° к панелям ±Z.
Угол наклона в ~20° раскрываемых радиаторов к панели ±Z выбран исходя из того, чтобы, с одной стороны, максимально уменьшить влияние струи двигателей коррекции на терморегулирующее покрытие панелей-радиаторов и, с другой стороны, минимизировать радиационный теплообмен между раскрываемыми радиаторами и панелью ±Z. Раскрываемые радиаторы представляют собой сотопанели со встроенными трактами ДФК. С обеих сторон панели покрыты терморегулирующим оптическим покрытием (ОСО-С). В сложенном состоянии раскрываемые радиаторы располагаются вдоль панелей МСС, расположенных со стороны осей ±Y. Радиаторные панели «Север – Юг» МПН и МСС также представляют собой сотопанели со встроенными ТТ или трактами ДФК.
Все панели МСС, кроме панелей расположенных со стороны осей ±Z, закрыты тепловой изоляцией для уменьшения нерегулируемого теплообмена приборного блока МСС с окружающей средой.
Для облегчения раскрытия панелей с ДФК после вывода КА на орбиту, а также обеспечения возможности стыковки гидравлических разъемов, входящих в разные сборочные единицы конструкции КА, в состав СТР вводятся гибкие секции.
Сравнительная оценка различных схем СТР для автоматических КА, работающей на стационарной орбите, проводилась при следующих исходных данных (ИД):
Принятые допущения при расчетах:
Описание исследуемых компоновочных решений СТР
Общая компоновка КА приведена на рис. 1.
Рис. 1. Общая схема размещения радиационных поверхностей на автоматических КА
Fig. 1. General layout of radiation surfaces on automatic spacecraft
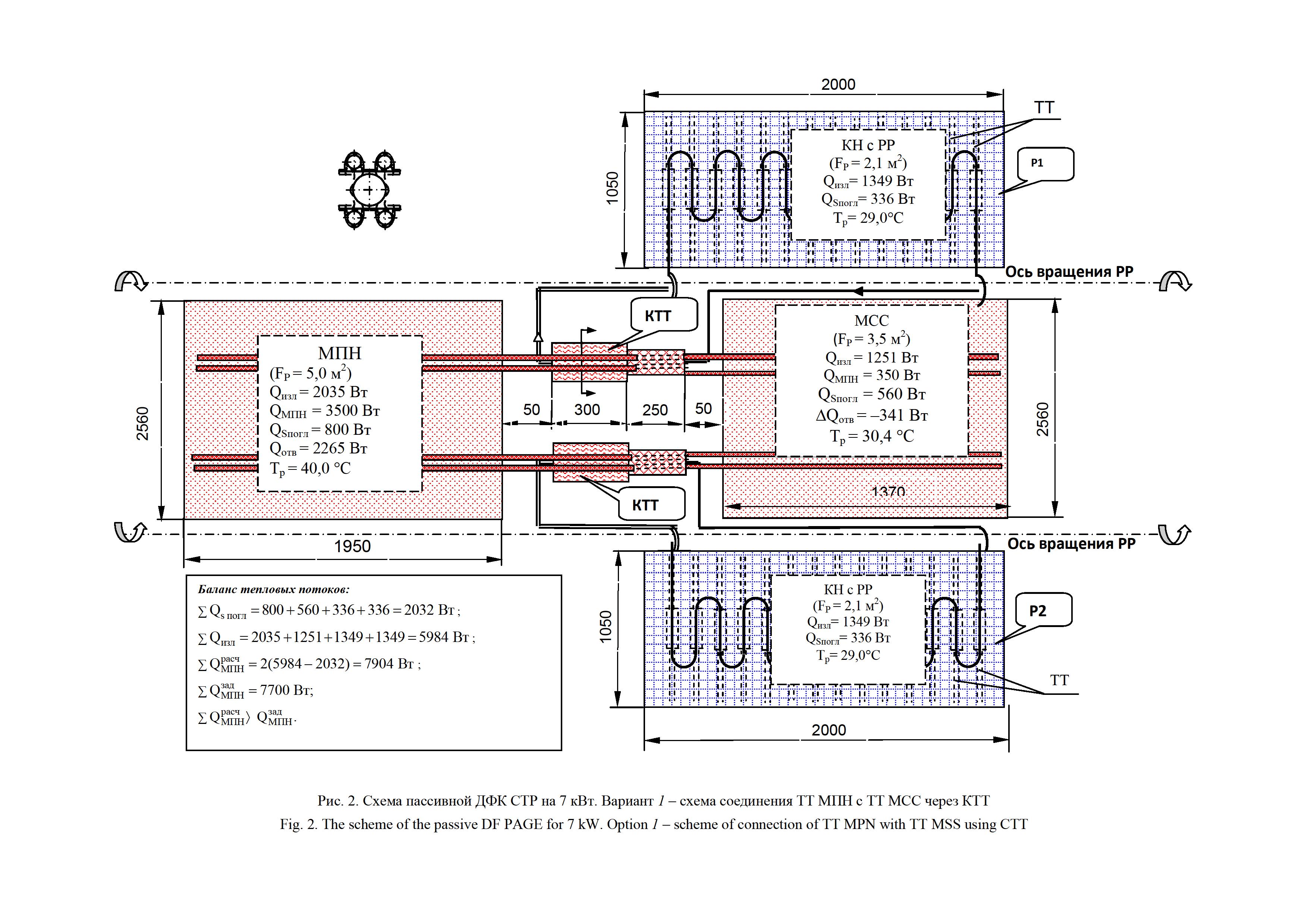
В варианте 1, представленном на рис. 2, ТТ МПН соединены с МСС через КТТ раскрываемого радиатора (или через капиллярный испаритель) и тепловая нагрузка МПН распределяется между панелью МСС и раскрываемыми радиаторами.
Для удобства компоновки теплообменного узла корпус капиллярного испарителя имеет форму профиля с двумя полочками. Ширина полочек корпуса испарителя принята равной удвоенной по ширине полочки ТТ. К одной полочке корпуса испарителя подводятся ТТ от МПН, к другой – от МСС. Это обстоятельство вводит ограничение по компоновке панелей – расстояние между панелями.
Панели «Север – Юг» МПН должны быть на две высоты капиллярного насоса больше, чем расстояние между панелями «Север – Юг» МСС.
Рис. 2. Схема пассивной ДФК СТР на 7 кВт. Вариант 1 - схема соединения ТТ МПН с ТТ МСС через КТТ
Fig. 2. The scheme of the passive DF PAGE for 7 kW. Option 1 – scheme of connection of TT MPN with TT MSS using CTT
Каждый раскрываемый радиатор состоит из двух КТТ, конденсаторы которых сформированы алюминиевыми трубами (внутренним диаметром 3 мм), соединенными с испарительными зонами ТТ раскрываемых радиаторов. Конденсаторные трубки одного контура переплетаются
с трубками другого контура, тем самым обеспечивая эффективность панели, позволяющую удовлетворять температурным требованиям при выходе из строя одного контура. Конденсаторные трубки и ТТ одного контура связаны с одной обшивкой раскрываемого радиатора, конденсаторные трубки и ТТ другого контура – с другой обшивкой. Таким образом получается два ДФК на раскрываемом радиаторе. Конденсаторные трубки и ТТ одного контура сдвинуты относительно трубок другого контура примерно на 75 мм.
Каждый контур состоит из двух параллельно соединенных капиллярных испарителей, чтобы уменьшить количество гибких шлангов (рис. 3).
Рис. 3. Схема раскрываемого радиатора на КТТ (вариант 1): КН – капиллярный насос; ГШ – гибкий шланг; ТТ – тепловая труба_____ контур 1; -------- контур 2
Fig. 3. The diagram of the radiator being opened on the CTT. Option 1 ______ contour 1; ------- contour 2
Вариант 2 отличается от варианта 1 тем, что для выравнивания температур панелей МПН каждая ТТ панели «Север» МПН соединена с ТТ панели «Юг» МПН. Выравнивание температур панелей МСС производится по половине ТТ из-за малости передаваемой мощности каждой тепловой трубой (менее 35 Вт).
Принципиальная схема варианта 2 приведена на рис. 4.
Рис. 4. Схема пассивной ДФ СТР на 7 кВт. Вариант 2 – схема с тепловыми трубами между панелями «Север» и «Юг»
Fig. 4. The scheme of the passive DF PAGE for 7 kW. Option 2 – а scheme with heat pipes between the North and South panels
Алгоритм и результаты расчетов СТР
Расчеты проводятся в следующей последовательности:
- определяется форма панелей МПН, МСС и раскрываемых панелей. Из конструктивных соображений принято, что каждая теплоотводящая панель МПН и МСС содержит в среднем 16 ТТ, расстояние между которыми составляет 160 мм. Тогда панели МПН («Север» и «Юг») имеют размеры 2560´1950 мм, панели МСС – 2560´1370 мм при площади панелей 5 и 3,5 м2 соответственно;
- определяется мощность, отводимая от панели МПН к КТТ или панели МСС;
- ;
- определяется мощность, отводимая одной ТТ;
- определяется перепад температур на ТТ МПН. По отводимой мощности и перепаду температур уточняется профиль, из которого изготавливается ТТ;
- определяется тепловая нагрузка, распределяемая между МСС и раскрываемыми панелями;
- вычисляются размеры раскрываемых панелей;
- определяются геометрические параметры капиллярного испарителя КТТ;
- определяются характеристики ДФК.
Результаты расчетов приведены табл. 1 и 2. Основное отличие в массе связано с разницей площадей раскрываемых панелей и масс ТТ.
Таблица 1. Бюджет масс для варианта 1
Наименование | Кол-во в СТР, | МАССА | |
одной единицы* | суммарная | ||
1. Сотопанели: | |||
1.1. Раскрываемая панель Р1 | 2,1 м2 | 5,78 кг/м2 | 12,14 кг |
1.2. Раскрываемая панель Р2 | 2,1 м2 | 5,78 кг/м2 | 12,14 кг |
1.3. Раскрываемая панель Р3 | 2,1 м2 | 5,78 кг/м2 | 12,14 кг |
1.4. Раскрываемая панель Р4 | 2,1 м2 | 5,78 кг/м2 | 12,14 кг |
2. Тепловые трубы: |
|
|
|
2.1. «Север» МПН | 16 шт. | 0,572 кг | 9,15 кг |
2.2. «Юг» МПН | 16 шт. | 0,572 кг | 9,15 кг |
2.3. «Север» МСС | 16 шт. | 0,376 кг | 6,02 кг |
2.4. «Юг» МСС | 16 шт. | 0,376 кг | 6,02 кг |
2.5. Раскрываемая панель Р1 | 7 шт. | 0,443 кг | 3,10 кг |
2.6. Раскрываемая панель Р2 | 7 шт. | 0,443 кг | 3,10 кг |
2.7. Раскрываемая панель Р3 | 7 шт. | 0,443 кг | 3,10 кг |
2.8. Раскрываемая панель Р4 | 7 шт. | 0,443 кг | 3,10 кг |
3. КТТ: | |||
3.1. «Север» | 8 шт. | 2,9 кг | 23,2 кг |
3.2. «Юг» | 8 шт. | 2,9 кг | 23,2 кг |
4. Механизм раскрытия | 4 шт. | 5,0 кг | 20,00 кг |
5. Электрообогреватели (ЭО) трубопроводов двигателей ориентации (ДУОС) | 6 шт. | 0,17 кг | 1,00 кг |
6. ЭО замещающие | 10 шт. | 0,3 кг | 3,00 кг |
7. Экранно-вакуумная теплоизоляция (ЭВТИ) | Компл. | 3,0 кг | 3,00 кг |
ИТОГО: |
|
| 184,86 кг |
Примечание. *Для раскрываемых паналей приведена удельная масса на 1 м2 поверхности панели.
Таблица 2. Бюджет масс для варианта 2
Наименование | Кол-во в СТР, | МАССА | |
одной единицы | суммарная | ||
1. Сотопанели: | |||
1.1. Раскрываемая панель Р1 | 1,25 м2 | 5,78 кг/м2 | 7,22 кг |
1.2. Раскрываемая панель Р2 | 1,25 м2 | 5,78 кг/м2 | 7,22 кг |
1.3. Раскрываемая панель Р3 | 1,25 м2 | 5,78 кг/м2 | 7,22 кг |
1.4. Раскрываемая панель Р4 | 1,25 м2 | 5,78 кг/м2 | 7,22 кг |
2. Тепловые трубы: | |||
2.1. «Север» МПН | 16 шт. | 0,723 кг | 11,57 кг |
2.2. «Юг» МПН | 16 шт. | 0,723 кг | 11,57 кг |
2.3. «Север» МСС | 16 шт. | 0,600 кг | 9,60 кг |
2.4. «Юг» МСС | 16 шт. | 0,600 кг | 9,60 кг |
2.5. Раскрываемая панель Р1 | 7 шт. | 0,253 кг | 1,77 кг |
2.6. Раскрываемая панель Р2 | 7 шт. | 0,253 кг | 1,77 кг |
2.7. Раскрываемая панель Р3 | 7 шт. | 0,253 кг | 1,77 кг |
2.8. Раскрываемая панель Р4 | 7 шт. | 0,253 кг | 1,77 кг |
2.9. Соединительные панели МПН | 16 шт. | 0,490 кг | 7,84 кг |
2.10. Соединительные панели МПН | 8 шт. | 0,490 кг | 3,92 кг |
3. КТТ: | |||
3.1. «Север» | 8 шт. | 2,9 кг | 21,68 кг |
3.2. «Юг» | 8 шт. | 2,9 кг | 21,68 кг |
4. Механизм раскрытия | 4 шт. | 5,0 кг | 20,00 кг |
5. ЭО трубопроводов ДУОС | 6 шт. | 0,17 кг | 1,00 кг |
6. ЭО замещающие | 10 шт. | 0,3 кг | 3,00 кг |
7. ЭВТИ | Компл. | 3,0 кг | 3,00 кг |
ИТОГО: |
|
| 160,42 кг |
В расчетах также учитывалось:
Оценка полученных результатов
По результатам сравнительного анализа массовых бюджетов по двум вариантам можно сделать следующий вывод: по массе из систем с капиллярной прокачкой преимуществом обладает вариант 2, который при остальных одинаковых характеристиках имеет меньшую массу. Удельная массо-энергетическая характеристика такой системы составляет ~22,9 кг/кВт. Это обусловлено выравниванием температур панелей, расположенных на сторонах «Север» и «Юг», что выравнивает нагрузку на ТТ. Благодаря этому уменьшается температурный перепад вдоль тепловой цепочки, что, в свою очередь, приводит к уменьшению площади раскрываемых радиаторов.
По энергопотреблению, диапазону регулирования, точности регулирования и надежности все рассмотренные варианты одинаковы и основным критерием является масса.
Сами по себе элементы ДФК с капиллярной прокачкой не потребляют энергию. Однако не исключено, что для запуска КН раскрываемых радиаторов потребуются электрообогреватели (ЭО) мощностью ~5 Вт, установленные на компенсационных камерах КН (гидроаккумуляторах), которые могут использоваться для регулирования сброса тепла раскрываемыми радиаторами.
Диапазон и точность регулирования обеспечиваются замещающими ЭО (при понижении нагрузки оборудования МПН), расположенными на панелях МПН и МСС. Точность регулирования температуры плат МПН и МСС зависит от системы управления включением – выключением замещающих ЭО.
Надежность СТР с ДФК с капиллярной прокачкой высокая и зависит, в основном, от надежности ЭО, которые можно резервировать без заметного увеличения массы.
Заключение
Из результатов сравнительного анализа бюджета масс и энергетической эффективности следует вывод: для СТР с ДФК с капиллярной прокачкой наиболее предпочтительным является вариант 2, который при оостальных динаковых характеристиках имеет меньшую массу. Удельная массо-энергетическая характеристика такой системы составляет ~ 22,9 кг/кВт.
Однако на этапе эскизного проектирования основные конструктивные параметры СТР с ДФК, характеристики основных базовых элементов выбранного варианта могут быть уточнены.
About the authors
Oleg V. Shilkin
JSC "Academician M. F. Reshetnev “Information Satellite Systems”
Author for correspondence.
Email: gift_23j@mail.ru
the main department of the ROC “STR with DFK”, the head of the sector 3604
Russian Federation, 52, Lenin St.. Zheleznogorsk. Krasnoyarsk region, 662972Anatoliy P. Kolesnikov
JSC "Academician M. F. Reshetnev “Information Satellite Systems”
Email: shilkin@iss-reshetnev.ru
Head of Department 360
Russian Federation, 52, Lenin St.. Zheleznogorsk. Krasnoyarsk region, 662972Aleksandr V. Delkov
Reshetnev Siberian State University of Science and Technology
Email: delkov-mx01@mail.ru
Ph. D., Ass. Professor, Department of “Refrigeration, Ciyogemc Engineering and Conditioning”
Russian Federation, 31, Krasnoyarskii rabochii prospekt, Krasnoyarsk, 660037Aleksandr A. Kishkin
Reshetnev Siberian State University of Science and Technology Federation
Email: spsp99@mail.ru
Dr. Sc., Professor, Head of the Department of “Refrigeration, Cryogenic Engineering and Conditioning"
Russian Federation, 31, Krasnoyarskii rabochii prospekt, Krasnoyarsk, 660037, RussianYulia N. Shevchenko
Reshetnev Siberian State University of Science and Technology
Email: gift_23j@mail.ru
is a post-graduate student of the Department of Refrigeration, Ciyogemc Equipment and Air Conditioning
Russian Federation, 31, Krasnoyarskii rabochii prospekt, Krasnoyarsk, 660037References
- Meseguer J., Perez-Grande I., Sanz-Andres A. Spacecraft thermal control. Cambridge, UK, Woodhead Publishing Limited, 2012, 413 p.
- Gilmore D. G. Spacecraft thermal control handbook. Tire Aerospace Corporation Press, 2002, 413 p.
- Krushenko G. G., Golovanova V. V. [Perfection of tire system of thermal regulation of spacecraft]. Vestnik SibSAU. 2014, No. 3 (55), P. 185-189 (In Russ.).
- Chebotarev V. E., Zimin I. I. [Procedure for evaluating the effective use range of the unified space platforms]. Siberian Journal of Science and Technology. 2018. Vol. 19, No. 3, P. 532-537 (In Russ.). doi: 10.31772/2587-6066-2018-19-3-532-537.
- Shilkin О. V., Kishkin A. A, Zuev A. A.. Delkov A.V., Lavrov N. A. [Passive cooling svstem designing for a spacecraft onboard complex]. Bulletin of the Moscow Aviation Institute. 2021,Vol. 28, No. 2, P. 96-106 (In Russ.). doi: 10.34759/vst-2021-2-96-106.
- Tanasienko F. V., Shevchenko Y. N., Delkov A. V.. Kishkin A. A. [Two-dimensional thermal model of the thermal control system for nonhermetic formation spacecraft], Siberian Journal of Science and Technology. 2018, Vol. 19, No. 3, P. 445-451 (In Russ.). doi: 10.31772/2587-6066-2018-19-3-445-451.
- Shevchenko Yu. N., Kishkin A. A., Tanasienko F. V. et al. [Determining thermal resistances in the model of the liquid circuit of the thermal control system of the spacecraft], Siberian Journal of Science and Technology. 2019, Vol. 20, No. 3, P. 366-374 (In Russ.).
- Delcov A. V., Hodenkov A. A., Zhuikov D. A. Mathematical modeling of single-phase thermal control system of the spacecraft. Proceedings of 12th Intern. Conf, on Actual Problems of Electronic Instrument Engineering. APEIE 2014. 2014, P. 591-593.
- Delcov A. V., Hodenkov A. A., Zhuikov D. A. Numerical modeling and analyzing of conjugate radiation-convective heat transfer of fin-tube radiator of spacecraft. IOP Conference Series: Materials Science and Engineering. 2015, Vol. 93, No. 012007. P. 1-6.
- Zuev A. A., Nazarov V. P., Amgol’d A. A. [Determining local heat transfer coefficient by a model of temperature boundary layer in gas turbine cavity of rotation], Vestnik Moskovskogo aviatsionnogo institute. 2019, Vol. 26, No. 2, P. 99-115 (In Russ.).
- Zuev A. A., Piunov V. U., Nazarov V. P., Arngold A. A. [Determination of the Local Heat Transfer Coefficient Using the Model of the Temperature Boundary Layer with the Convective Component in the Rotation Cavities of the LRE Turbopump]. Bulletin of the South Ural State University. Ser. Mechanical Engineering Industry. 2019, Vol. 19, No. 2, P. 30-44 (In Russ.). doi: 10.14529/enginl90203.
- Weybume D. W. Approximate heat transfer coefficients based on variable thermophysical properties for laminar flow over a uniformly heated flat plate. Heat and Mass Transfer. 2008, Vol. 44, Iss. 7, P. 805-813. doi: 10.1007/s00231-007-0306-z.
- Weybume D. W. New thickness and shape parameters for the boundary layer velocity profile. Experimental Thermal and Fluid Science. 2014, Vol. 54, P. 22-28. doi: 10.1016/j.expthermflusci. 2014.01.008.
- Patil P. M., Roy M., Shashikant A., Roy S., Momoniat E. Triple diffusive mixed convection from an exponentially decreasing mainstream velocity. Heat and Mass Transfer. 2018, Vol. 124, P. 298-306. doi: 10.1016/j.ijheatmasstransfer.2018.03.052.
- Seyyedi S. M., Dogonchi A. S., HashemiTilehnoee M., Ganji D. D. Improved velocity and temperature profiles for integral solution in the laminar boundary layer flow on a semi-infinite flat plate. Heat Transfer - Asian Research. 2019, Vol. 48, Iss. 1, P. 182-215. doi: 10.1002/htj.21378.
- Denarie A., Aprile М., Motta М. Heat transmission over long pipes: New model for fast and accurate district heating simulations. Energy. 2019, Vol. 166, P. 267-276. doi: 10.1016/j.energy. 2018.09.186.
- Tolstopyatov M. I., Zuev A. A., Kishkin A. A., Zhuykov D. A., Nazarov V. P. [Rectilinear uniform flow of gases with heat transfer in power plants of aircraft]. Vestnik SibSAU. 2012, No. 4 (44), P. 134-139 (In Russ.).
- Delkov A. V., Kishkin A. A., Lavrov N. A., Tanasienko F. V. Analysis of efficiency of systems for control of the thermal regime of spacecraft. Chemical and Petroleum Engineering. 2016, No. 9, P.714-719.
Supplementary files







