К методу расчета основных характеристик перспективных бустерных электро-насосных агрегатов жидкостных ракетных двигателей
- Авторы: Дубынин П.А.1, Толстопятов М.И.1, Зуев А.А.1, Черненко В.В.1
-
Учреждения:
- Сибирский государственный университет науки и технологий имени академика М. Ф. Решетнева
- Выпуск: Том 24, № 2 (2023)
- Страницы: 325-334
- Раздел: Раздел 2. Авиационная и ракетно-космическая техника
- Статья опубликована: 20.06.2023
- URL: https://journals.eco-vector.com/2712-8970/article/view/524595
- DOI: https://doi.org/10.31772/2712-8970-2023-24-2-325-334
- ID: 524595
Цитировать
Полный текст
Аннотация
Рост емкостей электрических источников питания, использование электродвигателей в системах подачи компонентов ракетного топлива у иностранных компаний, ограничения по мощности классических систем подачи топлива – все эти условия задают тренд на изучение возможности внедрения электрических приводов для систем питания ракетного двигателя.
Исследование посвящено анализу возможности использования электродвигателей в качестве привода для основных и вспомогательных насосов жидкостных ракетных двигателей. Перспективные разработки в области аккумуляторных батарей дают основания для проведения математического обоснования использования данного технического решения с целью модернизации систем питания как уже имеющихся ракетных двигателей, так и образцов, находящихся на стадии разработки.
В статье представлен подбор патентов на современные технологии создания аккумуляторных батарей высокой емкости, проведен анализ использования технологии применения электродвигателей на международном рынке доставки полезных грузов на орбиты, дано обоснование перспективности данного направления развития ракетных двигателей. Изучена статистика причин отказов разгонных блоков и их корреляция с агрегатами, замена которых возможна на более надежные системы с использованием электродвигателей. Определены преимущества и недостатки систем питания с использование электроприводов.
Данное исследование позволяет сделать вывод о том, что использование электродвигателей в системах питания ракетных двигателей является перспективным решением, которое повышает эффективность двигательной установки, производительность и надежность.
Полный текст
Введение
Повышенный спрос на электромобили в современном мире неуклонно влечет за собой улучшение их технических характеристик. Длительность разряда батареи, дальность хода на одном заряде и максимальные крутящие моменты с каждым годом повышают свои значения. Основной запрос от данной отрасли направлен на повышение характеристик аккумуляторных батарей, систем управления разрядом и зарядом, а также получение новых принципов электрохимических реакций (рис. 1). Наличие технологий для аккумуляторов большой энергетической емкости открывает возможность использования их и для отрасли ракетного двигателестроения.
Рис. 1. Доля созданных электромобилей от общего количества автомобилей в мире в период с 2013 по 2022 гг.
Fig. 1 Share of created electric vehicles from the total number of cars in the world in the period from 2013 to 2022
Применение электрического двигателя в качестве привода основного насоса подачи компонентов ракетного топлива (КРТ) в камеру двигателя имеет ряд существенных преимуществ: более простая схема регулирования давления на выходе из насоса, уменьшение количество топлива на борту и, как следствие, уменьшение его массы, увеличение надежности конструкции.
При этом следует сделать ряд оговорок ввиду ограничения мощностей электродвигателей. Так как энергетическая мощность турбонасосных агрегатов (ТНА), затрачиваемая на подачу компонентов топлива в камеру двигателя, может составлять десятки и сотни мегаватт мощности, применение электронасосов на первых и вторых ступенях ракетоносителей тяжелого и среднего класса на сегодняшний день является технически нереализуемо. Однако уже широко известны ракетоносители легкого класса, которые весьма успешно используют электронасосные агрегаты (ЭНА) в качестве основных насосов [1]. РН «Electron» на первой ступени имеет девять двигателей «Rutherford» с тягой на уровне моря 18 кН, каждый из которых оснащен двумя ЭНА, по одному на линию окислителя и горючего, несмотря на то что в качестве окислителя используется жидкий кислород – криогенный компонент. Также сверхлегкий электродвигатель с защитой для работы в вакууме в системах питания ракетных двигателей использует австралийский стартап Gilmor Space Technologies [2].
Первым из направлений, в котором использование ЭНА можно считать перспективным, является ЖРД разгонных блоков космических аппаратов. ЖРД разгонных блоков имеют показатели тяги сопоставимые с двигателем Rutherford. Однако требуется разработка методов расчета энергомассовых показателей ЭНА, позволяющих проводить анализ целесообразности их разработки для перспективных ЖРД или внедрения путем модернизации уже существующих двигателей разгонных блоков.
Вторым, более перспективным направлением, является использование ЭНА в качестве вспомогательных (бустерных) насосов для основных ТНА ЖРД там, где вспомогательные насосы предусмотрены конструкцией. В различных ЖРД используются разнообразные схемы подачи компонентов, что зависит от множества факторов: топливной пары (наличие криогенных компонентов), схемы работы двигателя (с дожиганием или по открытому циклу), многократностью включения и др.
Двигатели разгонных блоков
Разгонные блоки типа «Бриз» в качестве маршевого двигателя используют двигатели ЖРД «14Д30» [3], разгонные блоки типа «Фрегат» используют двигатели семейства С5.92 [4]. Различные модификации этих разгонных блоков широко используются для выведения разнообразной полезной нагрузки практически во всем диапазоне орбит. Двигатели данных разгонных блоков используют в качестве топливной пары несимметричный диметилгидразин и азотный тетраоксид (НДМГ+АТ) и работают по «открытой схеме» без дожигания газогенераторного газа. Значения тяги в разгонных блоках сопоставимы с тягой двигателя Rutherford, использующего в качестве основных агрегатов питания камеры ЭНА. Однако нет подтвержденных данных и оценок эффективности использования данной схемы.
Элементы питания
Ключевым образом на целесообразность использования ЭНА влияют параметры элементов эклектического питания, их удельная энергоемкость (Вт∙ч/кг) и удельная энерго-плотность (Вт∙ч/л), а также различные ограничения, обусловленные особенностями работы и эксплуатацией ракетно-космической техникой: высокие и низкие температуры, перегрузки, условия микрогравитации и т. д. Однако элементы питания присутствуют на всех современных ракетоносителях и космических аппаратах. В научной литературе встречается большое количество работ, посвященных различного рода источникам питания [5], одними из наиболее перспективных являются литий-кислородные источники питания [6] с теоретической максимальной плотностью энергии в 12 кВт∙ч/кг, литий-серные источники питания с теоретическим максимумом 2,5 кВт∙ч/кг [7]. Однако на текущий момент самые технологичные коммерческие источники питания от разных производителей обладают удельной энергоемкостью на уровне 400 Вт∙ч/кг [8]. Согласно данным [9], литий-металлическая батарея была представлена на выставке SES Battery World 2021 4 ноября 2021 в Южной Корее как коммерческий образец и имела удельную энергоемкость и плотность 417 Вт∙ч/кг и 935 Вт∙ч/л.
Схема агрегатов питания ЖРД
Схемы агрегатов питания разнообразны и зависят от множества факторов: топливной пары, тяги двигателя на разных режимах и даже конструктивной и технологической преемственности предприятия разработчика.
На рис. 2 представлена принципиальная схема подачи компонентов топлива с использованием ТНА, имеющего бустерные насосные агрегаты, в качестве привода которых применены гидроприводы (гидротурбины), а запуск осуществляется за счет пусковой газовой турбины [10], но существуют конструкции и без пусковых газовых турбин.
Рис. 2. Схема подачи компонентов топлива с использованием бустерных насосных агрегатов
Fig. 2. Scheme of supply of fuel components using booster pump units
Турбина является приводом для основных насосов по линиям окислителя «О» и горючего «Г», в качестве рабочего тела выступает газ продуктов сгорания газогенератора «ГГ», после чего газ сбрасывается в атмосферу или частично используется для надува одного из баков. Бустерные насосы «БНО» и «БНГ» по линиям «О» и «Г» приводятся за счет гидротурбин бустерных насосов «ТБНО» и «ТБНГ», которые в качестве рабочего тела используют часть компонентов топлива с повышенным давлением после основных насосов «НО» и «НГ», после чего смешиваются с основным массовым расходом и вновь поступают на вход в насосы «НО» и «НГ». В момент запуска маршевого двигателя, запуск «БНО» и «БНГ», как правило, обеспечивается за счет дополнительных пусковых газовых турбин. Газогенератор работает с избытком горючего. К ключевым особенностям данной схемы можно отнести нахождение основных насосов на одном валу, что требует оптимизации одного или обоих насосов по частоте вращения. Можно сказать, что давление подачи компонентов в «ГГ» ограничено давлением в камере двигателя «КД», а давление компонентов топлива на выходе из насосов отличаются и зависят от схемы охлаждения КД.
Данная схема работы агрегатов питания камеры ЖРД затрачивает часть топлива из баков на поддержание собственной работоспособности, увеличивая тем самом стартовую массу ракеты-носителя. Помимо этого, известны случаи отказов разгонных блоков со схожими пневмогидравлическими схемами питания двигательной установки, в результате которых к критичным элементам двигательной установки относят, в частности, бустерные насосные агрегаты и, в общем, трубопроводы подачи генераторного газа на турбины [11].
Исходные данные для расчетов схемы агрегатов питания
Первичным источником энергии для ТНА ЖРД является газогенератор, для проведения анализа на основе методики [12] выполнен термодинамический расчет параметров продуктов сгорания модельного восстановительного газогенератора для различных топливных пар в жидком состоянии. Расчет выполнен из условий: давление в газогенераторе Pгг = 10 МПа, температура Tгг = 1250 °К (табл. 1).
Таблица 1. Параметров продуктов сгорания модельного восстановительного газогенератора
Топливная пара | Стехиометрический коэффициент | Коэффициентизбытка окислителя | Работоспособность газа, RT, кДж/кг | Показатель адиабаты |
O2 + H2 | 7,93 | 0,165 | 2179 · 103 | 1,34 |
O2 + CH4 | 3,98 | 0,2 | 707 · 103 | 1,11 |
N2O4 + C2H8N2 | 3,06 | 0,04 | 563 · 103 | 1,11 |
O2 + CH1,956 | 3,4 | 0,12 | 335 · 103 | 1,07 |
Преобразование потенциальной энергии продуктов сгорания в механическую энергию осуществляется за счет турбины, для оценки эффективности которой достаточно использовать выражение для расчета адиабатной работы [13]:
(1)
где k, R – зависят от состава продуктов сгорания; p1/p0 – перепад давления в турбине; T – температура продуктов сгорания на выходе из газогенератора ограничена работоспособностью конструкции неохлаждаемых лопаток турбины и, как правило, не превышает 1200 °К
Оценку массы затраченного топлива на работоспособность системы можно осуществить с помощью выражения:
, (2)
где Ni – мощность агрегата в ТНА; t – суммарное время работы агрегата; ηi – КПД агрегата.
Располагая этими данными для различных агрегатов ТНА можно оценить массовые расходы топлива отдельно на каждый агрегат. В качестве объекта для расчетов и дальнейшего анализа использовался двигатель 14Д30. Двигатель работает по открытому циклу с турбонасосной системой подачи компонентов топлива с тягой в пустоте (19,61 кН), удельным импульсом тяги 3 255 м/с, число включений в полете – до 10 раз, суммарное время работы двигателя составляет 3 200 с (табл. 2).
Двигатель 14Д30 – маршевый двигатель разгонного блока «Бриз-М», который используется на ракета-носителе (РН) «Протон-М» и обеспечивает выведение космических аппаратов на низкие, средние, высокие и геостационарные орбиты. Масса РБ составляет порядка 22,5 т, из них порядка 20 т составляют компоненты топлива.
Таблица 2. Технические характеристики 14Д30
п/п | Параметр | Значение |
1 | Тяга | 19.61 кН |
2 | Удельный импульс | 3255 м/с |
3 | Давление в КД | 9,8 МПа |
4 | Массовое соотношение компонентов в КД | 2 |
5 | Число оборотов ротора ТНА | 54000 об/мин |
6 | Время работы двигателя | 3200 с |
7 | Расход компонентов в КД | 6 кг/с |
Основные характеристики двигателя 14Д30
В ходе расчетов выявлено, что для восстановительных газогенераторов, работающих на топливной паре НДМГ+АТ, практический максимум с учетом исходных данных удельной плотности энергии продуктов сгорания находится на уровне 660–680 Вт·ч/кг:
, (3)
где k, R зависят от состава продуктов сгорания; DPГГ – перепад давления на рабочих лопатках турбины, который связан с давлением в камере сгорания и зависит от давления подачи компонентов и давления окружающей среды; T – температура продуктов сгорания на выходе из газогенератора, которая ограничена работоспособностью конструкции неохлаждаемых лопаток турбины и, как правило, не превышает 1200 °К . Значения удельной плотности энергии продуктов сгорания восстановительных газогенераторов, применяющихся в ЖРД открытой схемы, могут быть определены в результате термодинамического расчета, при этом не представляется возможным как-то существенно увеличить эти значения. При этом практический коэффициент полезного действия для одноступенчатых турбин активного типа в двигателях без дожигания газогенераторного составляет не более 0,58 [14; 15].
Схема агрегатов питания ЖРД с ЭНА
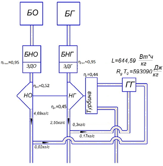
Таким образом, предложение замены привода гидротурбины на электродвигатель существенно упростит схему двигательной установки, увеличит ее надежность и КПД, что повлечёт в конечном итоге и увеличение полезной нагрузки в счет уменьшения массы расходуемого топлива. Принципиальная схема подачи компонентов топлива с использованием ТНА, имеющего бустерные насосные агрегаты, в качестве привода которых применены бесколлекторные погруженные электродвигатели, запуск и управление которыми осуществляется от аккумуляторных батарей, представлена на рис. 3.
В схеме турбина является приводом для основных насосов по линиям окислителя «О» и горючего «Г», в качестве рабочего тела выступает газ продуктов сгорания газогенератора «ГГ», после чего газ сбрасывается в атмосферу или частично используется для надува одногоиз баков.
Изменение касается приводов бустерных насосных «БНО» и «БНГ» по линиям «О» и «Г», которые в данном случае приводятся за счет электродвигателя бустерных насосов «ЭДО» и «ЭДГ», которые приводятся в движение от аккумуляторных батарей, находящихся на борту.В момент запуска маршевого двигателя, запуск «БНО» и «БНГ» не нуждается в дополнительных пусковых газовых турбинах и обладает большим диапазоном регулирования давления, отвечая на запросы от системы управления двигательной установки повышением либо понижением количества оборотов электродвигателя. Газогенератор работает с избытком горючего. Данная схема работы агрегатов питания камеры ЖРД уменьшает массу топлива за счет отсутствия гидротурбины бустерных насосных агрегатов.
Рис. 3. Схема подачи компонентов топлива с использованием бустерных электронасосных агрегатов
Fig. 3. Scheme of supply of fuel components using booster electric pump units
Преимущества и недостатки
В диапазоне тяг от 0,4 до ~2 тс двигатели с электронасосной системой подачи топлива могут составить конкуренцию традиционно используемым в данном диапазоне тяг двигателям с турбонасосной системой подачи топлива, выполненным по схеме без дожигания рабочего тела турбины, имея такие качества, как отсутствие потерь удельного импульса, связанных с выхлопом отработанного в турбине генераторного газа; газогенератора и теплонапряженных высокотемпературных элементов систем подачи (турбина, газоводы, выхлопные сопла); специальных функциональных систем: системы агрегатов, обеспечивающих раскрутку ТНА при запуске двигателя, агрегатов регулирования тяги и соотношения расходов компонентов топлива через двигатель – функции этих систем обеспечиваются за счет изменения скоростей вращения электронасосов и, соответственно, расходов компонентов топлива в камеру по командам системы управления РН. Указанными качествами обладает двигатель Rutherford с тягой –2 тс, используемый в составе I и II ступеней РН Electron, разработанный дочерним предприятием частной американской компании Rocket Lab. Недостаток ЖРД, выполненного по схеме прототипа, заключается в существенном возрастании массы блока питания на основе аккумуляторных батарей даже с высокими удельными характеристиками, указанным выше, при переходе к большим тягам, превышающим верхний предел указанного выше диапазона при более высоких давлениях в камере, обеспечивающих приемлемый удельный импульс в атмосферных условиях.
Результаты, ограничения и особенности
На данном этапе работы суть метода заключается в определении массы топлива, затраченного на выполнение работы агрегатов питания камеры двигателя, а также составление баланса расходов топлива на отдельные элементы системы. Для проведения анализа необходимо выполнить расчет агрегатов питания: основных насосов, газовой турбины, бустерных насосных агрегатов, гидроприводов для бустеров. Расчеты выполнены, опираясь на существующие методики [16], в ряде случаев для определения параметров использовались существующие достижения в разработке агрегатов питания [17; 18].
Заключение
Таким образом в работе изложены основные опорные точки, следуя по которым доказывается актуальность исследования использования электрических двигателей для привода бустерных насосных агрегатов в ракетных двигателях разгонных блоков. Для более детального обзора необходимо проведение опытно-конструкторских разработок, организация макетных испытаний с конструированием новых пневмо-гидросистем двигательной установки с учетом всех фактических параметров входящих в нее узлов и агрегатов.
Об авторах
Павел Алексеевич Дубынин
Сибирский государственный университет науки и технологий имени академика М. Ф. Решетнева
Автор, ответственный за переписку.
Email: pavel.dubynin@mail.ru
аспирант кафедры двигателей летательных аппаратов
Россия, 660037, Красноярск, проспект имени газеты «Красноярский Рабочий», 31Михаил Игоревич Толстопятов
Сибирский государственный университет науки и технологий имени академика М. Ф. Решетнева
Email: 89130399999@mail.ru
кандидат технических наук, доцент кафедры двигателей летательных аппаратов
Россия, 660037, Красноярск, проспект имени газеты «Красноярский Рабочий», 31Александр Александрович Зуев
Сибирский государственный университет науки и технологий имени академика М. Ф. Решетнева
Email: dla2011@inbox.ru
доктор технических наук, доцент
Россия, 660037, Красноярск, проспект имени газеты «Красноярский Рабочий», 31Валентина Викторовна Черненко
Сибирский государственный университет науки и технологий имени академика М. Ф. Решетнева
Email: 2887722@mail.ru
старший преподаватель
Россия, 660037, Красноярск, проспект имени газеты «Красноярский Рабочий», 31Список литературы
- Electronic textbook StatSoft [Электронный ресурс]. URL: https://www.interfax.ru/world/ 892739 (дата обращения: 03.04.2023).
- Electronic textbook StatSoft [Электронный ресурс]. https://hightech.fm/2022/12/23/lightest-electric-motor (дата обращения: 03.04.2023).
- Electronic textbook StatSoft [Электронный ресурс]. URL: khrunichev.ru (дата обращения: 03.04.2023).
- Electronic textbook StatSoft [Электронный ресурс]. URL: http://www.khrunichev.ru/main. php?id=300 (дата обращения: 03.04.2023).
- Пат. 203319 МПК H 01 M 10/052. Литий-полимерный аккумулятор и способ его создания / Строканов А. В. № 2019127111; заявл. 28.08.2019; опубл. 31.03.2021, Бюл. № 10.
- Пат. 2763037 МПК H 01 M 10/0562. Литий-кислородный аккумулятор с твёрдым полимерным электролитом / Корчагин О. В. № 2021116679 ; заявл. 09.06.2021; опубл. 27.12.2021, Бюл. № 36.
- Lin C., Leon L. S. Recent advances in lithium sulfur batterie s// Journal of Power Sources. 2014. Vol. 267. P. 770–783.
- Electronic textbook StatSoft [Электронный ресурс]. URL: https://pubs.rsc.org/en/content/ articlelanding/2013/CS/c2cs35256g (дата обращения: 03.04.2023).
- Electronic textbook StatSoft [Электронный ресурс]. URL: https://ses.ai/battery-world-us-2021 (дата обращения: 03.04.2023).
- Пат. 2134821 МПК6 F 04 D 13/04 Бустерный насосный агрегат ЖРД / Конструкторское бюро химавтоматики № 97114699/06; заявл. 13.08.1997; опубл. 20.08.1999.
- Перфильев А. С., Пирогов С. Ю., Семёнов Е. Н. Анализ эксплуатационной надежности разгонных блоков средств выведения космических аппаратов и пути ее повышения // Труды военно-космической академии имени А. Ф.Можайского. 2018. № 665. С. 223
- Добровольский М. В. Жидкостные ракетные двигатели. М. : Изд-во МГТУ им. Баумана, 2005. 488 с.
- Овсянников Б. В., Боровский Б. И. Теория и расчет агрегатов питания жидкостных ракетных двигателей. М. : Машиностроение, 1986. 233 с.
- Дорофеев А. А. Ягодников Д. А. Термодинамическое моделирование состава и характеристик продуктов сгорания переобогащённых жидких ракетных топлив в режиме закалки // Теплофизика высоких температур. 2018. Т 56, № 2. С. 270–276.
- Киселев Ф. Д. Диагностика разрушений и оценка эксплуатационной работоспособности рабочих турбинных лопаток авиационных двигателей // Вестник Московского авиац. ин-та. 2019. Т. 26, № 4. С. 108–122.
- Ивашин В. С., Анищенко Ю. В. Сравнительный анализ работы турбонасосного агрегата жидкостного ракетного двигателя при установке дополнительного бустерного насосного агрегата // Политехнический молодежный журнал. 2018. № 1. С. 1.
- Беляев Н., Воробьев Ускоренный разгон ротора бустерного насосного агрегата жидкостного ракетного двигателя при его запуске // Вестник СибГАУ. 2016. Т. 17, № 3. С. 665–672.
- Разработка системы подачи компонентов топлива для ЖРД без дожигания генераторного газа. Часть II. Выбор и оптимизация конструкций турбин. Конструкция ТНА / Н. А. Ившин, Ю. И. Каналин, И. М. Королев и др. // Труды НПО Энергомаш. 2014. № 31. С. 186–203.
Дополнительные файлы






