Automated stand for electrical testing and diagnostics of life characteristics of lithium-ion batteries
- 作者: Kopylov E.A.1, Lobanov D.K.1, Mizrah E.A.1
-
隶属关系:
- Reshetnev Siberian State University of Science and Technology
- 期: 卷 23, 编号 1 (2022)
- 页面: 93-104
- 栏目: Section 2. Aviation and Space Technology
- ##submission.datePublished##: 25.03.2022
- URL: https://journals.eco-vector.com/2712-8970/article/view/540160
- DOI: https://doi.org/10.31772/2712-8970-2022-23-1-93-104
- ID: 540160
如何引用文章
全文:
详细
Lithium-ion batteries (LIB) are widely used as energy accumulators in the electrical power systems (EPS) of spacecraft. The article considers the automated bench SIA 12/24 for electrical tests and diagnostics of the resource characteristics of lithium-ion cells (LIC), on the basis of which the EPS LIB of spacecraft is developed and manufactured. LIC resource tests are the most time-consuming and lengthy, they are carried out in ground conditions for several months with repeated cycling of charge/discharge and cell temperatures until the conditions for completion of the tests are reached with periodic monitoring, measurement and registration of LIC parameters. The use of the automated bench, which makes it possible to carry out resource testing of LIC based on dynamic stress testing (DST), makes it possible to shorten the resource testing of LIC and thereby significantly accelerate the design and development of EPS LIB of spacecraft. The structure, the description of the component parts and the technical characteristics of the bench SIA 12/24 allowing to perform electrical tests simultaneously of twelve LIC are given. The principle of operation and technical characteristics of the original charging-discharge device with a load converter (CDD-LC) forming the basis of the bench are considered. The proposed original CDD-LC and load converter (LC) topologies with two-stage power conversion and stabilized bridge transformer converter (BTC) input voltage make it possible to automate the process of lithium-ion cells electric testing by automatically reproducing functionally necessary test modes and by ensuring energy saving in cells charging-discharge modes.
For a two-stage power conversion CDD-LC, it is shown that the use of BTC input voltage stabilization gives the following benefits:
– extension of the LIC attribute control ranges: current, voltage, power;
– low dependency of static error of stabilization of LIC attributes and transition quality indicators on the type of LC load.
全文:
Введение
Литий-ионные аккумуляторные батареи (ЛИАБ) широко применяют в качестве накопителей электроэнергии современных систем электропитания (СЭП) космических аппаратов (КА) [1–3] для обеспечения электропотребления КА на «теневых» участках орбиты и в режимах максимальной мощности потребления (коррекции положения КА, потребление полезной нагрузки, радиопередающих и др. систем). Ресурс ЛИАБ практически определяет срок активного существования КА.
С целью обеспечения требуемых параметров и качества ЛИАБ на предприятиях-изготовителях выполняют электрические испытания одновременно нескольких аккумуляторов (ЛИА) [4–5].
Технологический процесс электрических испытаний ЛИА включает в себя:
Из перечисленных выше видов электрических испытаний, ресурсные испытания ЛИА являются наиболее трудоемкими и длительными, их проводят в наземных условиях в течение нескольких месяцев при многократном циклическом воспроизведении режимов заряд/ разряд и температур аккумулятора до достижения условий завершения испытаний при периодическом контроле, измерении и регистрации параметров ЛИА. Сокращение сроков ресурсных испытаний ЛИА позволяет существенно ускорить и удешевить проектирование и отработку ЛИАБ и СЭП КА. С этой целью разработаны стандарты [6–8], в которых проведение ресурсных испытаний ЛИА основывается на методике динамического стрессового тестирования (ДСТ), использующей режимы заряда/разряда с увеличенными значениями постоянных токов и мощности вплоть до максимальных величин, установленных производителем.
В специальной литературе, в основном, освещены вопросы проектирования зарядно-разрядных устройств (ЗРУ) ЛИАБ, имеющих относительно большие номинальные напряжения (40–100В) [9–12] и практически не рассмотрены вопросы разработки и проектирования ЗРУ для отдельных ЛИА с относительно низким напряжением (меньшим 4,5 В).
Таким образом, имеет место противоречие между современными требованиями к методам и режимам технологических процессов электрических испытаний ЛИА и недостаточной разработанностью аппаратного обеспечения процессов испытаний ЛИА.
Цель работы
Исходя из современных требований к технологическим процессам электрических испытаний ЛИА, предложить принципы построения и основные характеристики перспективного стенда, позволяющего проводить электрические, в том числе ускоренные ресурсные, испытания ЛИА большой ёмкости для КА.
Материалы и методы решения задачи
Стенд для ресурсных испытаний литий-ионных аккумуляторов (СИА 12/24) предназначен для решения следующих задач:
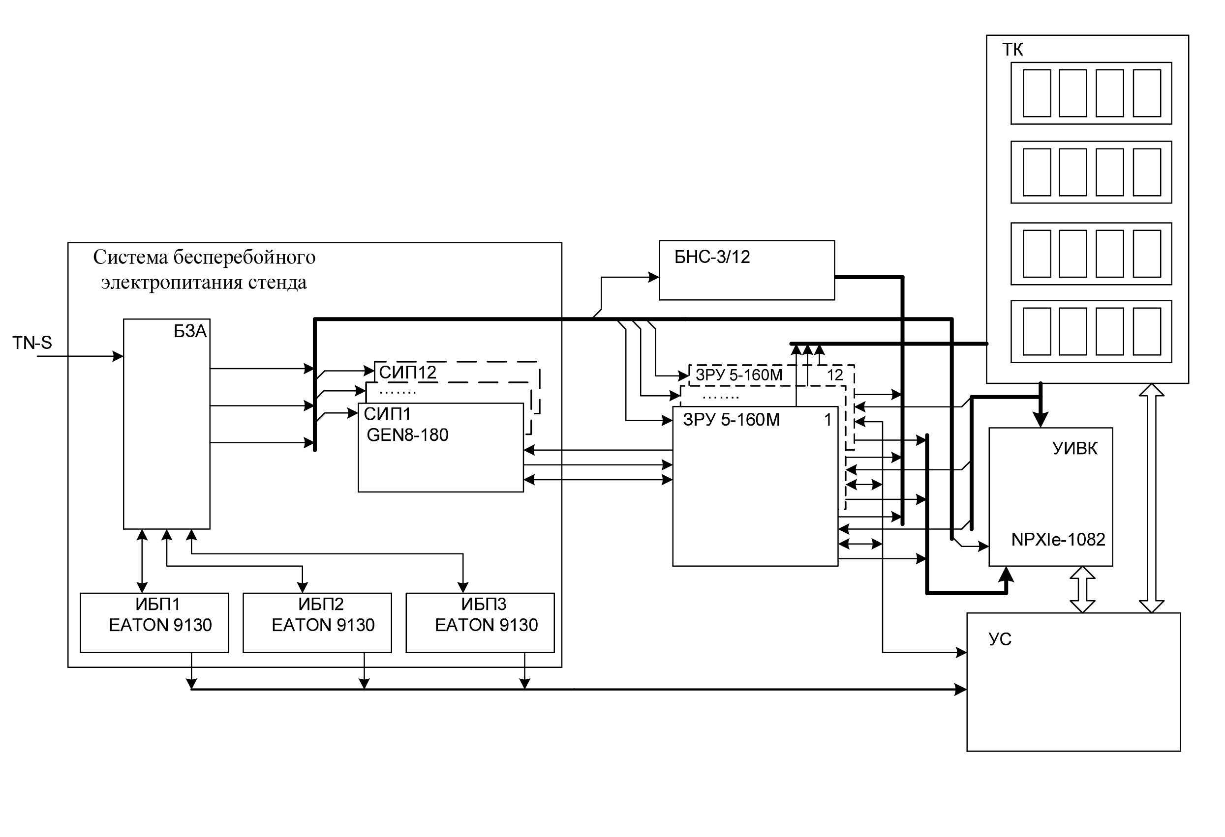
Структурная схема СИА 12/24
Структурная схема СИА 12/24 приведена на рис. 1. В состав СИА 12/24 входят функционально необходимые блоки:
Блок защитных автоматов предназначен для подключения (отключения) ИБП СИА 12/24 к промышленной трехфазной сети ~380/220 В ±10 % частотой (50±1) Гц. Источники бесперебойного питания обеспечивают непрерывное питание комплекса в случае аварийного отключения сети питания.
Рис. 1. Структурная схема стенда СИА 12/24
Fig. 1. Structural diagram of the bench SIA 12/24
Каждое из двенадцати зарядно-разрядных устройств ЗРУ 160-5 подключено к борнам соответствующего аккумулятора и регулирует ток заряда и разряда аккумулятора в соответствиис циклограммой, задаваемой с УИВК. Для утилизации избыточной электроэнергии каждое ЗРУ соединено с соответствующей нагрузкой, расположенной в блоке нагрузок стенда БНС-30.
Также в блоке нагрузок стенда БНС-30 расположено устройство распределения электропитания от ИБП EATON 9130 между УИВК, двенадцатью ЗРУ 160-5 и двенадцатью соединенных с ними СИП LAMBDA GEN 8-180.
Температурные испытания аккумуляторов проводятся в термокамере, управляемой УИВК. Управление термокамерой обеспечивает выполнение следующих функций:
УИВК регистрирует атрибуты процесса испытания аккумуляторов (токи, мощности, напряжения и температуры аккумуляторов) и позволяет:
Технические характеристики стенда СИА 12/24
Диапазон изменения напряжения аккумулятора от –5 до +5 В (дискретность 0,05 В).
Диапазон изменения тока заряда аккумулятора от 1 А до 80 А (дискретность 0,1 А).
Диапазон изменения тока разряда в диапазоне от 1 А до 160 А (дискретность 1 А).
Диапазон изменения временных интервалов от 1 с до нескольких часов с шагом не более 1 с, точность воспроизведения интервала должна быть в пределах ±0,1 с.
Диапазон изменения температуры аккумулятора от –10 до +60 °С.
Точность регистрации параметров представлена в таблице.
Погрешность регистрации токов заряда и разряда
Диапазон, А | Погрешность, мА |
0–5 | ± 30 |
5–50 | ± 50 |
50–160 | ± 200 |
Погрешность регистрации напряжения аккумулятора не более ±5мВ.
Погрешность регистрации временного интервала в пределах ± 0,1 с
Погрешность регистрации температуры аккумулятора, не более ±2 °С.
Количество одновременно испытываемых аккумуляторов: от одного до двенадцати. Все аккумуляторы гальванически развязаны друг от друга.
Стенд допускает параллельную работу двух модулей, при этом объединенные модули обеспечивают ток заряда до 160 А, ток разряда до 320 А.
Габаритные размеры стенда Ш´В´Г, мм: 560´910´820.
Вес, кг: 200±5.
Основу испытательных стендов ЛИАБ составляют зарядно-разрядные устройства (ЗРУ). В настоящее время широко применяют ЗРУ с нагрузочным преобразователем (НП), содержащим [11–12] инвертор, ведомый сетью (ИВС), обеспечивающий рекуперацию избыточной электроэнергии в промышленную сеть переменного напряжения.
Общими недостатками таких ЗРУ–НП при испытаниях ЛИА являются:
Эти недостатки не позволяют исследовать и испытывать ЛИА большой ёмкости во всех требуемых режимах.
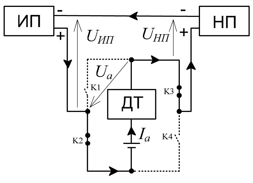
Структурная схема ЗРУ 160-5
Поэтому авторами была разработана новая структура зарядно-разрядного устройства – ЗРУ 160–5 [13; 15; 16]. В предлагаемой схеме (рис. 2) ЗУ и РУ объединены в одно устройство, содержащее источник бесперебойного питания, регулируемый стабилизирующий источник питания (СИП), трёхпозиционный коммутатор, оригинальный управляемый нагрузочный преобразователь (НП) рекуперативного типа [14]. Аккумулятор (А), последовательно соединенный с датчиком тока (ДТ) аккумулятора, включён в диагональ коммутатора, образованного мостовой схемой из полупроводниковых ключей К1 – К4. НП в режиме стабилизации тока стабилизирует и регулирует токи заряда/разряда в требуемом диапазоне. В режиме стабилизации мощности и режиме заряда со стабилизацией напряжения ЛИА величина тока вычисляется с учетом измеренного напряжения ЛИА.
Регулируемый СИП стабилизирует падение напряжения на НП, что позволяет ограничить мощность НП, обеспечить разряд ЛИА большим током, разряд до нулевого напряжения (с компенсацией падения напряжения на активных сопротивлениях токоведущих цепей) и до отрицательных значений напряжения ЛИА. Напряжение стабилизации выбирается из условия обеспечения требуемого широкого диапазона регулирования тока аккумулятора (А).
Рис. 2. Структурная схема ЗРУ 160-5: А – аккумулятор; ДТ – датчик тока; ДН – датчик напряжения
Fig. 2. Structural diagram of the CDD 160-5
В предложенном ЗРУ (рис. 2) регулирование и стабилизацию тока в режимах заряда (рис. 3) и разряда (рис. 4) производит НП в соответствии с программой электрических испытаний ЛИА при циклическом воспроизведении зарядно-разрядных профилей.
Технические характеристики НП
- Диапазон изменения тока от 0,1 до 160 А (дискретность 0,1 А) при постоянном входном напряжении НП.
- Диапазон изменения временных интервалов от 1 с до нескольких часов с шагом не более 1 с.
- Максимальная скорость изменения тока – 60 А/с.
- Погрешности стабилизации и установки атрибутов:
- ±1 % для тока;
- ±0,1 % для времени;
- ±1,1 % для мощности.
Для обеспечения требуемого профиля заряда/ разряда ЛИА НП содержит стабилизатор входного тока, состоящий из СУ, импульсного повышающего преобразователя (ИПП) и датчика входного тока ИПП.
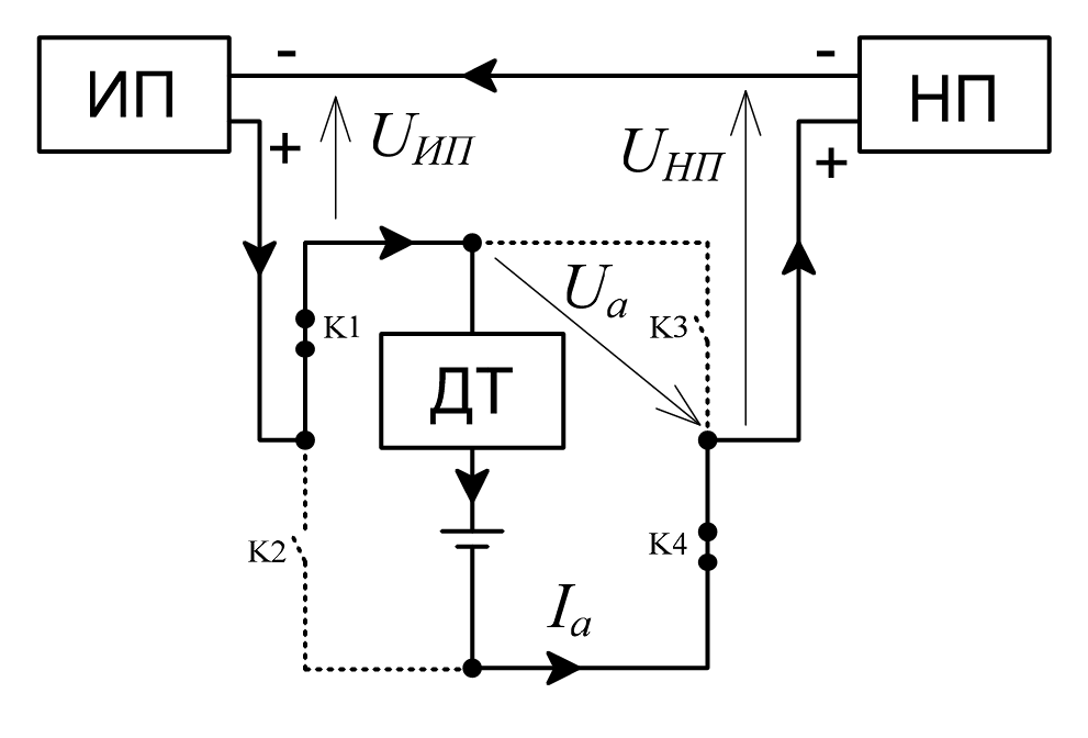
Рис. 3. Схема ЗРУ в режиме заряда аккумулятора
Fig. 3. CDD circuit in cell charge mode
Выбор ИПП в качестве первой ступени стабилизатора тока заряда/ разряда ЛИА обусловлен существенным уменьшением (особенно при больших значениях преобразуемых токов) пульсаций тока аккумулятора за счет использования функционального необходимого входного дросселя ИПП.
Устройство может работать в режиме заряда, разряда и прерывания тока (пауза) аккумулятора. Данные режимы обеспечиваются с помощью трёхпозиционного коммутатора, реализованного на ключах К1 – К4
Для работы устройства в режиме заряда аккумулятора СУ замыкает электронные ключи К1 и К4. В этом режиме ЛИА заряжается по цепи: положительный вывод СИП, первый электронный ключ К1, ДТ, затем электронный ключ К4, НП и отрицательный вывод СИП (рис. 3). СУ зарядом/ разрядом регулирует зарядный ток НП рекуперативного типа в зависимости от значения напряжения ДТ и ДН ЛИА. НП возвращает (рекуперирует) избыточную электроэнергию в сеть постоянного напряжения ИБП, от которого осуществляется питание СИП.
Рис. 4. Схема ЗРУ в режиме разряда аккумулятора
Fig. 4. CDD circuit in cell discharge mode
Для работы устройства в режиме разряда аккумулятора, СУ зарядом/ разрядом замыкает электронные ключи К2 и К3. В этом режиме аккумулятор разряжается (рис. 4) по цепи: ДТ, электронный ключ К2, НП, отрицательный вывод СИП, затем положительный вывод СИП и электронный ключ К3. В этом режиме НП также рекуперирует избыточную электроэнергию в сеть постоянного напряжения ИБП.
Мощность НП для максимального тока Iamax ЛИА пропорциональна величине напряжения UНП:
Для ограничения мощности НП, напряжение UНП стабилизируется СИП. Анализ показал, что минимальное напряжение UНП должно быть практически равно максимальному напряжению ЛИА, т. е. UНП ≈ 4,0 В.
Напряжение UСИП зависит от режима работы ЛИА, так при заряде
; (1)
при разряде
.
Из (1) следует, что максимальное напряжение UСИПmax источника СИП нобходимо выбирать из условия
Таким образом, СИП должен обеспечивать максимальный ток Iamax = 160 А, максимальное напряжение UСИПmax. В качестве СИП авторами выбран стабилизирующий источник напряжения – LAMBDA GEN 8–180 полностью удовлетворяющий перечисленным требованиям.
Внешний вид разработанного ЗРУ 160-5 представлен на рис. 5.
Рис. 5. Внешний вид ЗРУ-НП без верхней крышки: а – со стороны фронтальной панели; б – со стороны задней панели
Fig. 5. Appearance of the CDD-LC without the top cover: a – from the front panel; b – from the back panel
Стенд СИА 12/24
Для одновременного исследования электрических характеристик двенадцати ЛИА, на базе разработанного ЗРУ 160-5, авторами изготовлен и введен в эксплуатацию стенд (рис. 6) СИА 12/24 СГАУ. 565211.023 в следующем составе:
Управляющий измерительный комплекс основан на стандартных модулях системы PXI производства National Instruments (NI), что обеспечивает надежность, точность, гибкость и расширяемость СУ.
Для реализации СУ была использована платформа NI PXI с контроллером NI PXI-8115, модулями изолированных аналоговых входов NI PXIe-4300 (3 шт.), модулями аналоговых входов NI PXI-6225 (1 шт.), а также интерфейс RS-485 на модулях NI PXI-8433/2 (1 шт.).
Рис. 6. Внешний вид стенда СИА12/24
Fig. 6. Appearance of the bench SIA12/24
Исследуемые ЛИА гальванически не связаны между собой, поэтому сигналы с датчиков напряжения и тока АБ поступают на модуль изолированных аналоговых входов NI PXIe-4300. Для сбора информации с датчиков температуры типа TMP36FT9 используется модуль аналоговых входов NI PXI-6225. Для измерения тока АБ используется высокоточный датчик тока LEM, сигнал с которого поступает на вход модуля PXIе-4300.
Заключение
- Анализ возможных топологий ЗРУ показал, что объединение регуляторов-стабилизаторов зарядного и разрядного устройств в одном устройстве – нагрузочном преобразователе (НП) позволяет уменьшить массу, габариты и улучшить эксплуатационные свойства ЗРУ НП.
- Предложенные оригинальные топологии ЗРУ-НП (патент на полезную модель № 123530) и нагрузочного преобразователя (патент на полезную модель №153595) с двухступенчатым преобразованием мощности и стабилизацией входного напряжения мостового трансформаторного преобразователя (МТП) позволяют автоматизировать процесс электрических испытаний литий-ионных аккумуляторов путем автоматического воспроизведения функционально необходимых режимов испытаний и обеспечить энергосбережение в режимах заряда – разряда аккумуляторов.
- Для ЗРУ-НП с двухступенчатым преобразованием мощности показано, что применение стабилизации входного напряжения МТП позволяет придать НП следующие положительные свойства:
Данные свойства упрощают выбор параметров ЗРУ-НП, обеспечивающих требуемую погрешность стабилизации атрибутов ЛИА.
作者简介
Evgeny Kopylov
Reshetnev Siberian State University of Science and Technology
编辑信件的主要联系方式.
Email: evgesh72@mail.ru
scientific researcher Department of Automatic control system
俄罗斯联邦, 31, Krasnoyarskii rabochii prospekt, Krasnoyarsk, 660037Dmitry Lobanov
Reshetnev Siberian State University of Science and Technology
Email: u649@yandex.ru
Cand. Sc., docent, Department of Automatic control system
俄罗斯联邦, 31, Krasnoyarskii rabochii prospekt, Krasnoyarsk, 660037Enis Mizrah
Reshetnev Siberian State University of Science and Technology
Email: enis-home@mail.ru
Cand. Sc., professor, Department of Automatic control system
俄罗斯联邦, 31, Krasnoyarskii rabochii prospekt, Krasnoyarsk, 660037参考
- Gruzdev A. I. [Conceptual approaches to the development of batteries with increased specific energy intensity for aerospace applications]. Matters of Electromechanics. VNIIEM Proceedings. 2015, Vol. 147, P. 38–43 (In Russ.).
- VcKissock B. I. et al. Progress of ongoing NASA Lithium-Ion cell Verification testing for aerospace applications. NASA/TM-2008-215154. 2008.
- Pearson C., Thwaite C., Russel N. Small Cell Lithium-Ion Batteries: The Responsive Solution for Space Energy Storage. Paper AIAA RS3-2005-5003 presented at the 3rd Responsive Space Conference. Los Angeles, CA, USA, April, 2005, P. 25–28.
- Borthomieu Y., Broussely Y., Planchat J. P. VES140 S Li-Ion Cell GEO Life Test Results. SAFT, SIXTH EUROPEAN SPACE POWER CONFERENCE (ESPC). Porto, Portugal, 6–10 May 2002.
- Popov V. A., Kulyga V. P., Lihonosov S. D., Mahotkin D. N. [Results of the analysis of degradation of LIA electrodes in life tests]. Fundamentalnye problemy preobrazovaniya energii v litievyh elektrohimicheskih sistemah. Matireals of the XXII International Conference. Krasnodar, 2012, P. 26–27 (In Russ.).
- GOST R MEK 61427-1-2014. Akkumulyatory i akkumulyatornye batarei dlya vozobnovlyaemyh istochnikov energii. Obshchie trebovaniya i metody ispytanij. Chast 1. Primenenie v avtonomnyh fotoelektricheskih sistemah [State Standard R MEK 61427-1-2014: Accumulator cells and batteries for renewable energy sources. General requirements and test methods. Part 1. Applications in autonomous photovoltaic systems]. Moscow, Standartinform Publ., 2014, 13 p.
- GOST R MEK 61960-2007. Akkumulyatory i akkumulyatornye batarei, soderzhashchie shchelochnoj i drugie ne kislotnye akkumulyatory. Akkumulyatory i akkumulyatornye batarei litievye dlya portativnogo primeneniya [Accumulator cells and batteries containing alkaline and other non-acid batteries. Accumulator cells and batteries for portable use]. Moscow, Standartinform Publ., 2007, 9 p.
- GOST R MEK 62660-1-2014. Akkumulyatory litij-ionnye dlya elektricheskih dorozhnyh transportnyh sredstv. Chast 1. Opredelenie rabochih harakteristik [Lithium ion accumulators for electric road vehicles. Part 1. Determination of operating characteristics]. Moscow, Standartinform Publ., 2015, 29 p.
- Pochebut D. V. et al. [Method for carrying out life tests of space-purpose accumulators and device for carrying out said method]. Patent RF, no. № 2009108898/11, 2009.
- Vellucci F. et al. Life cycles test on a lithium battery system. IECON 2014 – 40th Annual Conference of the IEEE Industrial Electronics Society. 2014. P. 3129–3134.
- Bubnov O. V., Kremzukov Yu. A., Pchelnikov V. A., Rulevskij V. M., Shurygin Yu. A. [Automated workstation for the development and testing of energy conversion equipment of the spacecraft electrical power supply system]. Proceedings of TUSUR University. 2017, Vol. 20, No. 3, P. 35–39 (In Russ.).
- Noskin G. V., Zernov A. S., Mishin V. N., Pchelnikov V. A., Smolencev A. A., Filin V. M. [Unified station for charge and testing of space and ground-based lithium-ion battery systems]. News from the Russian Academy of Sciences. Energy. 2012, No. 2, P. 120–125 (In Russ.).
- Mizrakh E. A. et al. [Accumulator cell test device]. Patent RF, no. 2012127508, 2014.
- Mizrakh E. A. et al. [Voltage converter]. Patent RF, no. 2014147920, 2014.
- Fedchenko A. S. et al. Study of a lithium-ion battery charge-discharge test unit characteristics. IOP Conf. Series: Materials Science and Engineering. 2016, No. 122, P. 012015. Doi: 10.1088 /1757- 899X/122/ 1/012015.
- Mizrah E. A. et al. On the Static Accuracy of Charge-Discharge Units Intended for Electrical Tests of High Capacity Li-ion Batteries. IOP Conference Series: Materials Science and Engineering, International Siberian Conference Reshetnev Readings-2016. 2016. Doi:10/1088/1757-899X/255/1/012016.
补充文件









