Исследование возможностей повышения точности механической обработки вафельного фона методами программной коррекции
- Авторы: Пась О.В.1, Серков Н.А.2
-
Учреждения:
- АО «НПО «Техномаш» имени С. А. Афанасьева»
- Институт машиноведения имени А. А. Благонравова РАН
- Выпуск: Том 23, № 2 (2022)
- Страницы: 321-336
- Раздел: Раздел 3. Технологические процессы и материалы
- Статья опубликована: 26.06.2022
- URL: https://journals.eco-vector.com/2712-8970/article/view/546137
- DOI: https://doi.org/10.31772/2712-8970-2022-23-2-321-336
- ID: 546137
Цитировать
Полный текст
Аннотация
Оболочки с вафельным фоном составляют основную долю сухой массы изделий ракетно-космической техники. Толщина остаточного полотна, а также ширина продольных и кольцевых ребер являются основными параметрами вафельного фона. Наиболее распространенная технология получения вафельного фона - механическая обработка обечаек на станках системы высокоточной обработки серии СВО, осуществляющих отслеживание и копирование задней стенки заготовки, что обеспечивает «постоянство» остаточного полотна независимо от погрешностей формы заготовки. При таком способе обработки действует ряд других факторов, приводящих к отклонениям по толщине остаточного полотна и ширине ребер, что приводит к увеличению дополнительных масс изделия, необходимости применения доводочных операций и увеличению числа возможных дефектов при фрезеровании. Таким образом, представляется крайне актуальной задача повышения точности механообработки вафельного фона, что позволит в перспективе увеличить производительность и повысить качество изготовления вафельных оболочек.
С этой целью в работе подробно рассмотрена технология зеркального фрезерования вафельного фона. Описаны и классифицированы факторы, приводящие к отклонениям по толщине остаточного полотна. Проанализировано и выявлено влияние отклонение оси шпинделя от нормалик поверхности на величину ошибки по толщине остаточного полотна. Выполнено математическое моделирование образования ошибки по толщине остаточного полотна из-за наличия зазора в системе слежения. Приведено развернутое описание различных методов повышения точности обработки по толщине остаточного полотна, и обосновано применение способа комбинированной программной коррекции на основе системы с самонастройкой.
Внедрение данного решения позволит повысить энергомассовые характеристики изделий ракетно-космической техники из-за снижения сухой массы конструкции за счет достижения большей точности обработки по толщине остаточного полотна и ребер, а также повысить качество и надежность изготавливаемых изделий за счет сокращения возможных дефектов.
Полный текст
Введение
Вафельные оболочки [1; 2] представляют собой тонкостенные обечайки цилиндрической, конической или сферической формы с сеткой подкрепляющих ребер. Вафельные оболочки являются основными несущими элементами корпусов изделий ракетно-космической техники (РКТ), в совокупности составляющими основную долю «сухой» массы изделия. Применение вафельных оболочек обеспечивает максимальные прочностные характеристики при минимальной массе конструкции [3–5].
Для достижения высоких массовых и прочностных характеристик изделия предъявляются повышенные требования по точности обработки остаточного полотна и ребер карманов вафельных оболочек [6].
Данные требования наряду с особенностями конструкций, имеющих вафельный фон и выраженных малой жесткостью при больших габаритных размерах заготовок, обуславливают применение специализированных методов и алгоритмов обработки [7], направленных на компенсацию ошибок формы заготовки, деформаций и других факторов, которые приводят к отклонениям фактической толщины остаточного полотна от заданной. Авторы [8] предлагают рассчитывать и корректировать ошибки фрезерования тонкостенных деталей с применением модели деформации инструмента и заготовки на основе метода конечных элементов. В [9] используется аналитическая модель сил резания и среда ANSYS для вычисления деформаций при фрезеровании нежестких деталей. В работе [10] представлена модель для вычисления ошибок формы, возникающих из-за деформации заготовки в процессе 5-координатного фрезерования лопаток двигателя. Модель может быть использована для генерирования скорректированной траектории в процессе обработки. Авторы [11] предлагают использовать лазерный датчик для измерения и построения модели фактической поверхности деформированной тонкостенной заготовки перед обработкой, которая используется для расчета корректоров и предыскажения траектории обработки детали. Статья [12] описывает технологию фрезерования вафельного фона обечайки с применением лазерного датчика, измеряющего координату противоположной стенки, для расчета и коррекции деформаций заготовки в режиме реального времени. В работе [13] с целью повышения точности обработки остаточного полотна авторы предлагают новую стратегию обработки тонкостенного изделия типа «днище», суть которой заключается в коррекции опорных точек управляющей программы с учетом фактической геометрии поверхности заготовки и деформаций в процессе резания. Фактическая геометрия поверхности вычисляется перед обработкой на основе данных измерений контактным щупом и ультразвуковым датчиком. Деформации в процессе резания вычисляются на основе предсказательной модели, параметры которой определяются по результатам измерений толщин полотна после предыдущего прохода. В работе [14] метод опорных векторов используется для классификации ошибок по толщине остаточного полотна на статические ошибки, зависящие от положения инструмента в рабочей зоне и динамические ошибки, меняющиеся со временем, предложены алгоритмы компенсации обоих типов ошибок. В работе [15] предлагается повысить точность обработки тонкостенных изделий с рядами карманов путем вычисления корректоров на основе модели, построенной на принципах машинного обучения.
Следует, однако, отметить, что на сегодняшний день зеркальное фрезерование [16; 17] является наиболее эффективной технологией механической обработки тонкостенных оболочек с точки зрения точности и производительности. При отечественном подходе один из основных способов производства вафельных оболочек – зеркальное фрезерование свернутой поверхности обечайки на станках типа СВО (система высокоточной обработки) [18].
Технология обработки вафельного фона на станках СВО обеспечивает компенсацию погрешностей установки и формы заготовки и увеличивает виброустойчивость системы СПИД (станок, приспособление, инструмент, деталь) за счет использования следящей опоры, выполняющей роль подвижного упора, и копировальной головки, которая отслеживает заднюю стенку заготовки.
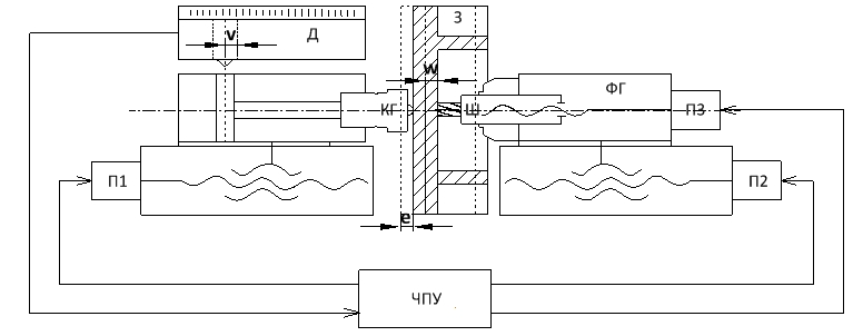
Рис. 1. Схема выполнения зеркального фрезерования вафельного фона
Fig. 1. Waffle grid mirror milling process scheme
На рис. 1 представлена схема выполнения зеркального фрезерования вафельного фона на станках типа СВО. В данном случае приводы П1 и П2 осуществляют синхронное движение по управляющей программе (УП). Датчик Д, встроенный в копировальную головку КГ, отслеживает перемещение штока пневмоцилиндра; сигнал V с датчика поступает в систему числового программного управления (ЧПУ), которая корректирует положение фрезерной головки ФГ со шпинделем Ш, задавая корректирующее воздействие W приводу осевого перемещения фрезерной головки П3 в зависимости от отклонения e внутренней поверхности заготовки З с противоположной стороны.
Несмотря на компенсацию погрешностей установки и формы заготовки при осуществлении обработки вафельной оболочки на станке СВО, воздействие ряда факторов в процессе выполнения зеркального фрезерования вафельного фона приводит к отклонениям по толщине остаточного полотна и ширине продольных и кольцевых ребер карманов. Как следствие, это приводит к увеличению дополнительных масс изделия и необходимости выполнения доводочных операций с применением энергозатратных и трудоемких электрофизических методов обработки [19]. Поэтому развитие методов повышения точности обработки остаточного полотна и ребер карманов является актуальным направлением исследований. В данной работе представлены результаты исследования возможностей повышения точности механической обработки вафельного фона методами программной коррекции.
В ходе проведения исследований были решены частные задачи:
- Рассмотрены основные факторы, вызывающие отклонения остаточного полотна, и степень этого влияния.
- Исследованы методы повышения точности обработки поверхности кармана (остаточного полотна) и дан анализ направлений повышения точности механической обработки, прежде всего, применительно к повышению точности обработки дна кармана.
- Предложено усовершенствовать существующую технологию обработки вафельного фона, применив комбинированную систему коррекции (самонастраивающуюся систему с коррекцией по возмущению).
Основным методом исследования в данной работе является цифровое моделирование в среде MATLAB & Simulink в сочетании с базой экспериментальных данных, полученных на реальном станке.
Факторы, влияющие на точность обработки по остаточному полотну
Группы факторов. При схеме обработки (рис. 1) можно выделить девять основных факторов (рис. 2), приводящих к отклонениям толщины остаточного полотна. Основными возмущениями при обработке изделия вафельного фона является:
В процессе опытной обработки фрезерованием вафельных обечаек установлено, что отклонения толщины ребер и остаточного полотна имеют функциональную составляющую, зависящую как от номера точки обработки внутри одной ячейки, так и от номера кармана внутри ряда и от номера ряда. Поэтому факторы, влияющие на отклонение толщин ребер и полотна от номинальных значений, предлагается разделить на две группы (рис.2):
I группа – факторы, влияющие на толщину в пределах одного кармана;
II группа – факторы, влияющие на толщину по ряду и по всему изделию [5].
Факторы I группы приводят к образованию различных по величине отклонений в зависимости от положения режущего инструмента внутри одного кармана. При этом действие данных факторов можно рассматривать как квазипостоянное для близко расположенных ячеек с одной и той же траекторией обработки (одинаковые «картины» отклонений).
В свою очередь, факторы II группы определяют изменение толщин в зависимости от положения (порядкового номера) ячейки в рабочем пространстве станка и не оказывают существенного влияния на разнотолщинность внутри одной ячейки.
Рис. 2. Факторы, вызывающие отклонения толщины остаточного полотна
Fig. 2. Factors which affect cell bottom thickness errors
Следует отметить, что независимо от физической природы отклонения (геометрические, силовые, температурные факторы), как правило, случайную составляющую уменьшают конструкторско-технологическими методами, а функциональную (систематическую) – убирают цифровой коррекцией [20].
Необходимо подчеркнуть, что окончательное значение толщины остаточного полотна определяется на чистовом проходе. При чистовом проходе обеспечивается заданная чистота поверхности и существенное уменьшение сил резания. При этом влияние случайной составляющей сил резания на толщину остаточного полотна существенно уменьшается.
Факторы, сильно влияющие на толщину остаточного полотна и мало изученные в настоящее время.
Такими факторами при чистовом фрезеровании кармана являются:
Влияние отклонения оси шпинделя от нормали к обрабатываемой поверхности на отклонение толщины остаточного полотна.
На рис. 3 приведена схема образования ошибки по толщине остаточного полотна из-за отклонения оси шпинделя от нормали к поверхности. Как видно на рисунке, положение инструмента корректируется в точке A0 на центральной оси инструмента по сигналу V с датчика слежения за контуром, который расположен соосно с фрезой.
В свою очередь, формообразование дна кармана осуществляется в точках A1 или А2 в зависимости от угла наклона ∠α линии поверхности задней стенки заготовки к торцу инструмента. Вследствие чего возникает ошибка E по толщине остаточного полотна. Если рассматривать участок поверхности задней стенки заготовки как прямую линию в окрестности точки A0, то данную ошибку можно выразить формулой
(1)
здесь Rфр – радиус фрезы; D – диаметр заготовки.
, (2)
здесь Vi – показания датчика слежения за контуром в i-й точке; Вi – показания датчика поворота стола в i-й точке.
Рис. 3. Схема образования ошибки по толщине остаточного полотна из-за отклонения оси шпинделя от нормали к поверхности
Fig. 3. Schematics of the generation of the cell bottom thickness error due to deviation of the spindle axis from the normal to the surface
Используя сигнал V с датчика слежения за контуром, полученный при предварительном обмере заготовки, разобьем его на участки и аппроксимируем сигнал по методу наименьших квадратов V = k * B + t на каждом из участков:
(3)
(4)
здесь Vi – показания с датчика слежения за контуром в i-й точке; Bi – показания датчика поворота стола в i-й точке; n – количество точек аппроксимирующей прямой.
Далее по формулам (1) и (2) рассчитываются величины ошибок на каждом из участков. На рис. 4 приведены кривые ошибок по толщине остаточного полотна: черная кривая – усредненные значения измеренных ошибок, серая кривая – рассчитанные ошибки в соответствии с (1) и (2).
Рис. 4. Кривые усредненных ошибок по толщине остаточного полотна для всего пояса карманов
Fig. 4. Curves of the mean values of the cell bottom thickness errors for the whole row of cells
Из рис. 4 видно, что расчетные отклонения хорошо коррелируют с измеренными отклонениями обработки пояса карманов.
Влияние погрешности копирования задней стенки кармана на отклонение толщины остаточного полотна.
Эффект влияния ошибки копирования задней стенки заготовки на толщину остаточного полотна проиллюстрирован на рис. 5. Здесь: 1 – серая сплошная линия – сигнал V с датчика слежения за контуром, записанный при вращении поворотного стола с заготовкой по координате B в прямом и обратном направлении, 2 – черная сплошная линия – сигнал, полученный «зеркальным отражением вокруг вертикальной оси» сигнала V, записанного при предварительном измерении задней стенки ячейки без выполнения реверса, т. е. «идеальный» сигнал с датчика копирования; 3 – черная штриховая линия – сигнал энкодера поворотного стола оси B; 4 – серая штриховая линия – сигнал энкодера оси Z (вертикальное перемещение суппорта). Как видно из рис. 5, наблюдается существенное различие между «идеальным» сигналом V – кривая 2 и сигналом V – кривая 1, записанным датчиком копирования при вращении поворотного стола с реверсом по координате B. Наблюдается характерная «полочка», именно в момент реверса [21].
Рис. 5. Сигналы с датчика копирования задней стенки при изменении направления движения
Fig.5. Signals from the opposite wall tracking sensor during the abrupt changes in the movement direction
Возможной причиной расхождения сигналов является наличие «упругого» зазора в системе копирования «копируемая поверхность – измерительный наконечник – преобразователь «перемещение – электрический сигнал» – привод слежения. Для проверки данного предположения была построена в Simulink модель копировальной системы вафельной обработки в соответствии со схемой, показанной на рис. 1.
Модель включает датчик слежения за контуром (блок V model на рис. 6) с зазором Backlash и модель привода по координате W (блок W model), отрабатывающей сигнал с датчика слежения. Для моделирования зазора использован стандартный блок Backlash, который обычно применяется для моделирования геометрического зазора [21]. В данной модели «идеальный» сигнал V формируется из массива данных, полученных предварительным обмером аналогично кривой 2 (рис. 5). Сигнал подается на вход модели системы слежения – блок V_model с блоком зазора Backlash и выводится на Scope1, где сравнивается с сигналом vmeas, измеренным во время чистовой обработки ячейки по траектории «зигзаг». После чего данный сигнал подается на вход модели привода, блок W_model; полученный на выходе сигнал используется для вычисления расчетной ошибки E_calculated как разницы между сигналом V, полученным предварительным обмером и фактическим сигналом W, на выходе системы с зазором. Расчетная ошибка вместе с измеренной ошибкой E_measured выводится на Scope2.
На рис. 7 приведены сигналы со Scope1 при моделировании прохода по одной ячейке. Здесь 1 – серая штриховая линия – фактический измеренный сигнал копирования V во время обработки, 2 – черная сплошная линия – рассчитанный «идеальный» сигнал с датчика слежения за контуром (рассчитывается на основе данных о кривизне кармана до обработки), 3 – серая сплошная линия – сигнал V, полученный моделированием («упругого» зазора) при обработке кармана по траектории «зигзаг».
Рис. 6. Модель копировальной системы вафельной обработки при наличии нелинейности типа «зазор» в измерительной цепи слежения за контуром задней стенки заготовки
Fig. 6. Model of the waffle grid mirror milling system in the presence of nonlinearityof “backlash” type in the measuring circuit of the opposite wall tracking system
Рис. 7. Сигналы, полученные на Scope1 при моделировании прохода по одной ячейке
Fig. 7. Signals received in the Scope1 during modeling of the pass through one cell
Характер всех трех кривых на участке ab и a1b1 идентичен, а на участке ba1 наблюдаются существенные отличия, а именно, характерная «полочка» – признак зазора.
На рис. 8 приведены сигналы со Scope2 при моделировании образования отклонения толщины остаточного полотна при проходе по одной ячейке. Здесь 1 – серая штриховая линия – полученный на модели привода сигнал W перемещения инструмента вдоль оси шпинделя во время обработки кармана по траектории «зигзаг», 2 – черная штриховая линия – рассчитанный «идеальный» сигнал с датчика слежения за контуром (рассчитывается на основе данных о кривизне кармана до обработки), 3 – черная сплошная линия – измеренная ошибка по толщине остаточного полотна, 4 – серая сплошная линия – рассчитанная ошибка по толщине остаточного полотна. Расчётная кривая 4 есть «разность» кривых 1 и 2 и, в целом, хорошо согласуются с кривой 3 за исключением участка ab (возможно, за счет неточности согласования точек отсчёта сигналов измерения и моделирования).
Рис. 8. Сигналы, полученные на Scope2 при моделировании прохода по одной ячейке
Fig. 8. Signals received in the Scope2 during modeling of the pass through one cell
Результаты моделирования показывают, что периодическая ошибка при резком изменении траектории (реверсе одной из управляемых координат) носит функциональный характер и может быть объяснена «упругим» зазором в системе копирования задней стенки заготовки. Следует отметить сложность компенсации данной ошибки методами коррекции по возмущению, особенно, для более сложных траекторий типа «спираль».
Полученные и представленные выше результаты моделирования влияния отдельных факторов на толщину остаточного полотна указывают на тот факт, что среди рассматриваемых факторов (рис. 2) не удается выделить 1–2 фактора, которые доминировали бы по степени влияния на интегральное отклонение толщины остаточного полотна, и это является основной предпосылкой для выбора наиболее подходящего метода повышения точности обработки по толщине остаточного полотна. Ниже укрупненно рассмотрены основные методы повышения точности механической обработки и обоснован выбор системы и алгоритма коррекции.
Методы повышения точности обработки по толщине остаточного полотна
В [22] рассмотрены основные направления повышения точности металлорежущих станков с ЧПУ, разделенные на две группы:
Как уже говорилось выше, применительно к чистовому фрезерованию вафельного фона перспективным представляется использование методов программной коррекции, так как они позволяют компенсировать наиболее существенные функциональные составляющие погрешности обработки остаточного полотна.
Различают следующие методы коррекции, используемые в процессе управления станком с ЧПУ:
При этом входными данными для методов коррекции могут служить результаты выполнения дополнительных контрольно-измерительных операций:
Наибольший эффект с точки зрения компенсации влияния большинства факторов может дать использование главного принципа управления – управления по отклонению в системе с отрицательной обратной связью, а именно, системы ультразвукового измерения (УЗИ) толщины в системе активного контроля с обратной связью по толщине остаточного полотна (рис. 9, а).
Рис. 9. Основные системы коррекции: а – по обратной связи; б – по возмущению
Fig. 9. Generalized schematics of the correction system: a – with feedback correction; b – with disturbance correction
Ультразвуковой датчик устанавливается так, что он измеряет толщину остаточного полотна обрабатываемой обечайки непосредственно в зоне резания. Информация об отклонениях размера поступает в систему ЧПУ, в результате чего в режиме реального времени корректируется траектория движения фрезы относительно обрабатываемой детали (рис. 9, а):
(5)
Здесь Yc(t) – текущее значение сигнала коррекции по обратной связи по толщине остаточного полотна для привода оси Y; Yref(t) – заданное текущее программное значение координаты Y; Tact(t) – текущее измеренное значение толщины остаточного полотна; Tref – заданное программное значение толщины остаточного полотна; Wper(s) – передаточная функция регулятора, вычисляющего корректирующее воздействие по координате Y на основе показаний датчика обратной связи по толщине остаточного полотна. Однако в настоящее время это решение не удается реализовать из-за большого запаздывания сигнала, поступающего в систему ЧПУ от системы УЗК (время запаздывания ≥ 442 мс) [23; 24].
В соответствии с теорией автоматического управления альтернативой принципу управления по отклонению является принцип управления по возмущению (рис. 9, б), который дает хорошие результаты в случаях, когда на управляемый объект действуют один – два сильнодействующих фактора и хорошо изучены законы влияния возмущения на управляемый процесс.
Данные с датчика слежения за контуром задней стенки заготовки V(t) в привязке к даннымс энкодеров осей B(t), Z(t) могут быть использованы в системе коррекции по возмущению (рис. 9, б) для расчета корректирующей поправки Kdist, исходя из изложенной выше схемы влияния отклонения оси шпинделя от нормали к поверхности. В таком случае текущее значение сигнала коррекции по возмущению для привода оси Y будет определяться выражением:
. (6)
здесь Yc – заданное перемещение по координате Y c учетом коррекции по возмущению; Yp – заданное перемещение по Y по нескорректированной УП; Kdist = f (B, Z, V, Rфр) – рассчитанная по (1), (2) корректирующая поправка для текущих значений координат (B, Z).
Отметим, что без существенной потери точности корректирующая поправка Kdist может быть вычислена заранее до выполнения чистового фрезерования. В этом случае используется массив значений [Bv, Zv, V], полученный при предварительном обмере задней стенки заготовки датчиком V по всему поясу карманов.
Данный массив [Bv, Zv, V] загружается в блок коррекции по возмущению, в результате вычисляется массив корректирующих поправок [Bv, Zv, K] для всех пар значений (Bv, Zv). Затем блок коррекции по возмущению вычисляет корректирующую поправку для опорных точек траектории [Bp Zp Yp…] путем интерполяции рассчитанных ранее корректоров.
Вне зависимости от того, осуществляется ли вычисление сигнала коррекции до или во время обработки, такой подход позволяет компенсировать влияние одного фактора из девяти, что является недостаточным для достижения инвариантности управляемой координаты от возмущений.
Поэтому предлагается усовершенствовать существующую технологию обработки вафельного фона, применив комбинированную систему коррекции (самонастраивающуюся систему плюс управление по возмущению).
Комбинированная система коррекции
На рис. 10 представлена блок-схема комбинированной системы коррекции, которая использует как коррекцию по возмущению, так и коррекцию по обратной связи.
В данной системе используются несколько потоков информации:
- результаты измерения толщины остаточного полотна системой УЗК после чистовой обработки i-го кармана в виде карты толщин [Bit Zit Tiact];
- результаты измерения задней стенки заготовки датчиком слежения за контуром V в виде массива [Bv Zv V];
- массив опорных точек траектории обработки [Bp Zp Yp…], рассчитанный в постпроцессоре на основе заданных в CAM-системе траектории движения инструмента и режимов резания с учетом кинематической модели станка.
Fig. 10. Block diagram of the combined correction system with self-tuning
Чистовая обработка первой ячейки разделяется на два прохода: получистовой c припуском b под чистовую обработку Y1p = Yp + b и чистовой по скорректированной УП Y1p = Y1c. После получистового прохода карта толщин [Bit Zit Tiact] и массив опорных точек траектории нескорректированной УП [Bp Zp Yp…] загружаются в блок самонастройки, где происходит первоначальная обработка сигнала толщины (сглаживание, фильтрация), интерполяция сигнала. В результате рассчитывается сигнал коррекции по обратной связи K1fb для всех опорных точек траектории УП:
. (7)
здесь T1pf – результаты измерения толщины остаточного полотна первой ячейки после получистового прохода при Yp = Yp + b; Tref – заданная толщина остаточного полотна; b – припуск под получистовую обработку.
Скорректированная управляющая программа перемещения по оси Y, которая отрабатывает сигнал коррекции при чистовой обработке, примет вид
. (8)
При чистовой обработке второй, …, i-й, i+1 ячейки применяется та же самая УП, что и для чистовой обработки первой ячейки
.
, (9)
здесь Yci– заданное в кадре перемещение по координате Y при чистовой обработке i-й ячейки c учетом коррекции по обратной связи; Yp – заданное в кадре перемещение по Y по нескорректированной УП; Kfbi– сигнал коррекции по обратной связи для i-й ячейки.
При этом влияние факторов II группы, рассмотренных ранее, будет приводить к увеличению ошибок Tiact при обработке последующих ячеек. Следовательно, необходимо периодически выполнять перерасчет (перенастройку системы) сигнала коррекции по обратной связи Kifb для обеспечения требуемой точности чистовой обработки. С этой целью во время чистовой обработки i-й ячейки производится обмер карты толщин [Bit Zit Tiact], результаты измерения толщин загружаются в блок самонастройки, где сигнал толщины Tiact оценивается на предмет принадлежности граничному диапазону (Tthmin… Tthmax). Если значение толщины остаточного полотна Tiact после обработки i-й ячейки выходит за сигнальные границы, сигнал коррекции для последующей ячейки Kfbi+1перерассчитывается подобно тому, как это осуществлялось для первой ячейки, т. е. выполняется получистовой проход с припуском b на i+1 ячейке, расчет корректоров Kfbi+1. Далее выполняется чистовая обработка i+1, i+2 и т. д. ячеек с рассчитанным корректором Kfbi+1. Сказанное выше можно описать соотношением:
, при max min , (10)
, при max min ,
здесь Ki+1fb – сигнал коррекции по обратной связи для i+1 ячейки; T iact – результаты измерения толщины остаточного полотна i-й ячейки после чистового прохода по программе Yic; T i+1pf – результаты измерения толщины остаточного полотна i+1 ячейки после получистового прохода по программе Yp = Yp + b; Tref – заданная толщина остаточного полотна; b – припуск под получистовую обработку; Tthmin, Tthmax – соответственно максимальное и минимальное сигнальное значение толщины остаточного полотна.
Увеличить интервал между операциями перенастройки системы можно компенсируя влияние части факторов II группы путем введения и расчета дополнительной коррекции по возмущению Kidist. Как описано выше, данный корректор Kidist можно рассчитать до чистовой обработки по формулам (1) и (2) на основе массива значений [Bv Zv V], полученного при предварительном обмере задней стенки заготовки, и массива опорных точек траектории обработки i-й ячейки [Bp Zp Yp…].
С учетом коррекции по возмущению, вычисляемой перед обработкой и коррекцией по обратной связи, которая рассчитывается при обработке, формула (6) для чистовой обработки i-й ячейки примет вид
, (11)
здесь Kidist –корректор по возмущению, рассчитанный по формулам (1) и (2).
Заключение
Можно сделать следующие выводы:
- проведено объединение факторов в две группы, приводящих к отклонениям по толщине остаточного полотна обечайки, по признаку зависимости в функции номера точки обработки внутри одной ячейки и в функции номера кармана внутри ряда и от номера ряда;
- исследовано влияние отклонения оси шпинделя от перпендикулярности к обрабатываемой поверхности на толщину остаточного полотна и разработана методика вычисления и внесения корректирующей поправки в УП;
- исследовано влияние погрешности копирования задней стенки кармана на отклонение толщины остаточного полотна и выявлен механизм («упругий» зазор) образования специфической формы (наличие «площадки») кривой отклонения остаточного полотна при реверсе поворотного стола для случая обработки кармана строчками. Результаты проведенного исследования могут быть использованы для модернизации (усовершенствования) механизма копирования с целью повышения точности обработки остаточного полотна;
- предложена комбинированная система коррекции, объединяющую самонастройку от кармана к карману с самонастройкой от прохода к проходу и управление по возмущению;
- разработана схема и алгоритм работы комбинированной системы коррекции с самонастройкой от кармана к карману как наиболее рациональной (число коррекций) с точки зрения уменьшения функциональной составляющей ошибки по толщине остаточного полотна;
- представленный в статье материал по исследованию возможностей повышения точности обработки остаточного полотна вафельных обечаек методами программной коррекции как одно целое дает возможность инженерам – проектировщикам специального оборудования сопоставлять возможности цифровой коррекции и конструкторско-технологических направлений улучшения технологического оборудования;
- для завершения на данном этапе проводимых исследований по точности обработки остаточного полотна необходимо опробовать предложенный алгоритм методом имитационного моделирования на базе имеющихся данных измерений отклонений обработанных обечаек на станке СВО.
Об авторах
Олег Викторович Пась
АО «НПО «Техномаш» имени С. А. Афанасьева»
Автор, ответственный за переписку.
Email: o.pa88@yandex.ru
начальник отделения автоматизации технологических процессов
Россия, 127018, Москва, 3-й проезд Марьиной Рощи, 40Николай Алексеевич Серков
Институт машиноведения имени А. А. Благонравова РАН
Email: serkov1943@mail.ru
доктор технических наук, ведущий научный сотрудник лаборатории вибротехнических систем
Россия, 101000, Москва, Малый Харитоньевский переулок д.4Список литературы
- Кац И. Л. К истории создания конструкции, метода расчёта и примеров реализации вафельных обечаек баков ракет [Электронный ресурс]. URL: https://listak.livejournal.com/ 2484.html (дата обращения: 22.12.2021).
- Ворожейкин В. A, Литвинчук А. Ю. Сквозная технология изготовления несущих корпусов изделий ракетно-космической техники // Решетневские чтения : материалы XXI Междунар. науч. конф. (8–11 ноября 2017, Красноярск) : в 2-х ч. / под общ. ред. Ю.Ю. Логинова ; Сиб. гос. аэрокосмич. ун-т. Красноярск, 2017. С. 481–482.
- Зайцев А. М. Разработка направлений повышения эффективности технологической подготовки производства деталей и узлов ракетно-космической техники: дис. … канд. техн. наук. М. : МГТУ имени Н. Э. Баумана, 2016. 166 с.
- Зайцев А. М., Шачнев С. Ю. Определение технологичности обечайки с вафельной конструкцией // РИТМ машиностроение. 2018. № 4. С. 42–43.
- Pas O., Serkov N. Developing an algorithm to control the accuracy of the milling of aerospace parts with cellular structure by using copying machine- tools with CNC of “SVO” type // IOP Conf. Series: Materials Science and Engineering. 2019. Vol. 489. P. 351–355.
- Пась О. В., Серков Н. А. Повышение точности обработки остаточного полотна вафельных оболочек методом самонастройки от прохода к проходу // XXXII Междунар. инновационная конф. молодых ученых и студентов по проблемам машиноведения : сб. тр. конф. 2021. С. 498–502.
- Del Sol I., Rivero A., López de Lacalle L.N., Gamez, A.J. Thin-Wall Machining of Light Alloys: A Review of Models and Industrial Approaches // Materials (Basel). 2019. Vol. 12. P. 2012.
- Liu S., Xiao-dong S., Xiao-bo G., Wang D. Simulation of the deformation caused by the machining cutting force on thin-walled deep cavity parts // The International Journal of Advanced Manufacturing Technology. 2017. Vol. 92. P. 3503–3517.
- Du Z., Zhang D., Hou H., Liang S.Y. Peripheral milling force induced error compensation using analytical force model and APDL deformation calculation // The International Journal of Advanced Manufacturing Technology. 2017. Vol. 88. P. 3405–3417.
- Li Z.-L., Tuysuz O., Zhu L.-M., Altintas Y. Surface form error prediction in five-axis flank milling of thin-walled parts // International Journal of Machine Tools and Manufacture. 2018. Vol. 128. P. 21–32.
- Bi Q., Huang N., Shaokun Z., Shuai C., Yuhan W. Adaptive machining for curved contour on deformed large skin based on on-machine measurement and isometric mapping // International Journal of Machine Tools and Manufacture. 2018. Vol. 136.
- Wang X., Li Z., Bi Q., Zhu L., Ding H.. An accelerated convergence approach for real-time deformation compensation in large thin-walled parts machining // International Journal of Machine Tools and Manufacture. 2019. Vol. 142. P. 98–106.
- Huang N., Yin C., Liang L., Hu J., Wu S. Error compensation for machining of large thin-walled part with sculptured surface based on on-machine measurement // The International Journal of Advanced Manufacturing Technology. 2018. Vol. 96. P. 4345–4352.
- Bi Q., Wang X., Wu Q., Zhu L., Ding H. Fv-SVM-Based Wall-Thickness Error Decomposition for Adaptive Machining of Large Skin Parts // IEEE Transactions on Industrial Informatics. 2019. Vol. 15. P. 2426–2434.
- Ge G., Du Z., Yang J. On-machine measurement-based compensation for machining of thin web parts // Procedia Manufacturing. 2020. Vol. 48. P. 844–851.
- Panczuk R., Foissac P.-Y. Process and device for machining of panels. US Patent No. 7682112B2, 2010.
- Авиационный консалтинОборудование и технология механической обработки методом зеркального фрезерования [Электронный ресурс]. URL: https://www.aviacons.ru/ru/postavka-importnogo-oborudovaniya/zerkalnoye-frezerovaniye/ (дата обращения: 22.12.2021).
- Писаренко А. А., Ковалев А. М. Механообрабатывающий центр модели «СВО-3500» для формирования вафельного фона на крупногабаритных корпусных конструкциях изделий ракетно-космической техники // Вестник «НПО «Техномаш». 2018. № 6. С. 86–90.
- Батрутдинов Р., Сысоев С. Технология изготовления вафельного фона в обечайках лета-тельных аппаратов // Актуальные проблемы авиации и космонавтики. 2011. № 7. С. 7–8.
- Серков Н. А. Основные направления повышения точности металлорежущих станков // Проблемы машиностроения и автоматизации. 2010. № 2. С. 26–35.
- Pas O. V., Serkov N. A. Influence of the gap and the friction on trajectory reproduction accuracy in a multiaxis machine with cnc // JVE International Ltd. Vibroengineering PROCEDIA. 2016. Vol. 8. P. 483–488.
- Серков Н. А. Точность многокоординатных машин с ЧПУ: Теоретические и экспериментальные основы. М. : ЛЕНАНД, 2015. 304 с.
- Zhang S., Bi Q., Ji Y., Wang Y. Real-Time Thickness Compensation in Mirror Milling Based on Modified Smith Predictor and Disturbance Observer // International Journal of Machine Tools and Manufacture. 2019. Vol. 144. P. 1–14.
- Mahmud A. Mechanical Pocket Milling of Thin Aluminum Panel with a Grasping and Machining End Effector. Universite De Montreal, 2015. 147 p.
Дополнительные файлы













