Search for broadband signals ground-based radio navigation system
- Autores: Vladimir V.M.1, Romanov A.P.2
-
Afiliações:
- Reshetnev Siberian State University of Science and Technology
- Siberian Federal University
- Edição: Volume 23, Nº 3 (2022)
- Páginas: 391-408
- Seção: Section 1. Computer Science, Computer Engineering and Management
- ##submission.datePublished##: 26.09.2022
- URL: https://journals.eco-vector.com/2712-8970/article/view/553337
- DOI: https://doi.org/10.31772/2712-8970-2022-23-3-391-408
- ID: 553337
Citar
Texto integral
Resumo
In the present paper, a method of temporary search for broadband of frequency manipulationwith minimal shift keying (MSK) signals of ground-based radio navigation systems (RNS) is considered. The method is based on a multi-alternative optimal signal detection (the signal may belong to one of the orthogonal signals) using the evaluation-correlation principle of processing (ECPP) under conditions of a priori uncertainty.
The problem of representing broadband MSK signal as a signal with double discrete frequency-phase modulation (FPM) was solved. The law of phase manipulation in the form of a binary sequence of elements bl of a length code Ltэ (in the “Sprut” RNS, L = 16383, tэ = 2,5, mcs is the duration of the signal element) is defined through the law of frequency manipulation in the form of a binary sequence of elements dl of a known length L code. The representation of the signal in the form FPM allows, during correlation processing, to replace the correlation integral on the interval [0, Ltэ] by L the sum of correlation integrals on the intervals [0, tэ] or by L the sum of element-by-element correlations.
The calculation of element-by-element correlations allows the use of a matrix apparatus for the ECPP of the analyzed signal. With the technical implementation of the “search” procedure, there is no need to form 2L pairs of reference quadrature signals with the length L of the modulating code, and instead of that a pair of element-by-element correlations is memorized and over time tэ, according to a code element dlk, cyclically shifted by k-1 elements, frequency manipulation and a code element bkl, cyclically shifted by k-1 elements, phase manipulation, block-by-block accumulation L of quadrature correlations is performed.
The use of upper-left and lower-right triangular matrices with binary elements bkl makes it possible to search for broadband MSK signal with additional phase manipulation of a discrete information message.
The structure of the optimal algorithm of parallel search for ECPP of the broadband MSK signal with the use of a matrix apparatus, which allows to implement the optimal algorithm “of search” during the duration Ltэ of the signal in real time.
Texto integral
Введение
В радиосистемах, где широкополосные сигналы (далее по тексту сигналы) служат для позиционирования и сопровождения движущихся объектов (радионавигация), временные измерения оказываются ключевой процедурой. В радионавигационных системах (РНС) посредством поиска и автосопровождения сигналов определяются моменты времени пребывания как элементов, так и самого принятого сигнала. В этом случае местный эталон времени подвижного объекта должен быть соответствующим образом синхронизирован с принятыми сигналами опорных станций (ОС).
Процесс синхронизации приёмной части бортовой станции (БС) состоит из двух этапов. На первом этапе осуществляется поиск и захват сигналов, передаваемых ОС; на втором этапе – слежение за сигналом, параметры которого (временная задержка, несущая частота, начальная фаза) могут случайным образом меняться во времени. Поиск сигнала осуществляется во времени, так как момент появления сигнала заранее неизвестен, и по частоте, которая может быть смещена как за счёт эффекта Доплера, так и за счёт нестабильности и в точке приёма точно неизвестна. Таким образом, связанные с синхронизацией действия приёмника сигналов состоят в предварительной подстройке собственного опорного сигнала под принятый сигнал и поддержании синхронизма между ними в течение всего последующего приёма сигнала. Для согласования местного опорного сигнала с принятым сигналом следует измерить временной сдвиг принятого сигнала относительно местного опорного сигнала и генератор местного приёмника корректируется по времени на измеренный временной сдвиг, и тем самым происходит поиск кода принятого сигнала. Отсюда видно, что одной из основных задач первичной обработки сигналов в РНС является поиск по времени запаздывания такого параметра сигнала, как задержка кода. Таким образом, основной задачей данного исследования является разработка алгоритма, позволяющего оптимальным образом обеспечить «поиск».
Методы поиска широкополосных сигналов
В современных широкополосных РНС для формирования широкополосных сигналов (ШПС) используется преимущественно фазовая манипуляция (ФМ) несущего колебания двоичной кодовой последовательностью максимальной длины (для примера) (M-последовательность длины m = Llog2 L , m - разрядность формирующего регистра). Решению проблемы поиска ШПС c фазовой манипуляцией уделяется серьёзное внимание многих исследователей. Проблеме поиска сигналов с ФМ посвящено много работ, из которых следует отметить [1–4]. Несмотря на принципиальную ясность вопросов измерения, а также основополагающие труды по оптимальным измерителям до сих пор многие вопросы поиска сигналов остаются открытыми. Сегодня решена задача построения устройства синхронизации с максимальным быстродействием, обеспечивающим поиск ФМ сигналов по задержке с большими и очень большими длинами кодовых последовательностей (L ⩾ 103….105). Известные алгоритмы [5] быстрого поиска дискретных ФМ сигналов позволяют значительно сократить время поиска за счёт сокращения числа вычислений (алгебраических сложений) с величины L2 до величины m = Llog2 посредством перемножения матрицы-столбца с L поэлементными корреляциями на матрицу ортогонального базиса Уолша – Адамара, представленную в факторизованном виде (произведение m слабозаполненных матриц). Указанные алгоритмы невозможно использовать для поиска сигналов с дополнительной ФМ передаваемым дискретным сообщением в форме двоичных символов {Dr}. В этом случае матрица-столбец может содержать две группы вычисленных поэлементных корреляций. Первая группа будет соответствовать окончанию фрагмента символа Dr, соответствующего дополнительной ФМ, то вторая группа будет соответствовать началу фрагмента символа Dr+1. Когда Dr+1 ≠ Dr, то группы поэлементных корреляций по знаку будут неравнозначны, что не допускает использование указанных алгоритмов.
Основной задачей при использовании ШПС в РНС является измерение времени запаздывания принятого сигнала. Точность измерения времени запаздывания определяется эффективной частотой спектра ШПС и отношением сигнал/шум [6]. Эффективная частота Δƒэ спектра ШПС определяется в первую очередь тактовой частотой FT =1/τэ , которая и определяет полосу частот Δƒ, соответствующую прохождению сигнала с заданным уровнем мощности. Так, при 90%-ном уровне мощности для сигнала с ФМ Δƒ ≃1,7FT ( Δƒэ ≃0,33FT ), а для сигнала с частотной манипуляцией при минимальном сдвиге (ЧММС) будет в 2,2 раза меньше [7]. Чтобы работать с сигналом ФМ в полосе частот сигнала ЧММС, необходимо уменьшить FT в 2,2 раза при этом эффективная частота спектра ФМ сигнала составит Δƒэ = 0,33FT / 2,2 , что на 27 % меньше эффективной частоты спектра для сигнала ЧММС.
Кроме того, при работе временной следящей системы при ФМ сигнале дисперсия флуктуационной ошибки слежения за временем возрастёт более чем 4,8 раза за счёт уменьшения крутизны дискриминационной характеристики ШПС ФМ сигнала относительно ЧММС [8].
Таким образом, в морских РНС средневолнового диапазона с ограниченным частотным ресурсом наиболее приемлемыми являются сигналы с ЧММС (или CPFSK в английской аббревиатуре) [9], обладающие, как выше было показано, высокой спектральной эффективностью. Вопросам поиска широкополосных сигналов с ЧММС посвящено существенно меньше публикаций [10; 11]. Реализация параллельного поиска ШПС при длине L > 104 модулирующего кода частотной манипуляции с минимальным сдвигом и с дополнительной ФМ передаваемым дискретным сообщением в форме двоичных символов {Dr} на сегодня в литературе отсутствует.
Формирование широкополосных сигналов с ЧММС
Структура алгоритма поиска широкополосного сигнала с ЧММС (далее по тексту – сигнала) основана на представлении элемента сигнала с частотной манипуляцией при непрерывной фазе [12] на интервале {tl} = [l τэ, (l +1)τэ] следующим выражением:
, (1)
где A - амплитуда; ωo центральная частота; l - очередной номер элемента сигнала на интервале [lτэ, (l+1) τэ]; dl - двоичный символ, в соответствии с которым совершается частотная манипуляция. Для сигнала с частотной манипуляцией при минимальном сдвиге mf = 2 Δƒτэ = 0,5 , где Δƒ = ( ƒв - ƒн) / 2 - девиация частоты; ƒн(в) = ƒo ± FT / 4 манипулируемые нижняя (верхняя) частоты; FT =1/ τэ - тактовая частота (частота манипуляции). Полагая dl ∈ {-1,+1} и выделив в аргументе cos(*) из (1) составляющие с частотами и фазовым углом, получаем
. (2)
Теперь приняв dl ∈ {0,1} и упростив слагаемое с фазовым углом можно переписать (2) в виде:
, (3)
где
. (4)
Так как {dl}- это последовательность двоичных элементов, то не трудно увидеть, что при любом l и любом коде двоичной последовательности {dl} алгебраическая сумма в (4) будет чётным числом и тогда значение фазы blπ / 2 будет кратным π . С учётом периодичности cos(*) , в этом случае можно сказать, что фазовый угол будет принимать значения 0 или π , что эквивалентно для bl ∈ {0,1} в (3). С учётом сказанного, теперь нетрудно убедиться, что можно исполь- зовать замену алгебраической суммы (4) на «сумму по модулю 2» к «сумме по модулю 2» элементов dj и dl . Тогда очередной двоичный элемент bl будет определяться рекуррентным выражением:
, (5)
где dl ∈ {0,1} и bl ∈ {0,1} очередные двоичные символы, соответствующие частотной и фазовой манипуляции l элемента сигнала. Из (5) следует, что двоичный символ b определяется последовательностью первых 1, 2, …., l двоичных символов d ∈ {d1, d2, …, dl}
(6)
Из (6) несложно определить рекуррентное правило для {bl} (приняв bo = 0):
(7)
Рис. 1. Фрагменты формирования широкополосного сигнала с ЧММС:
а – временная диаграмма шкалы времени ОС; б – временная диаграмма сигнала тактовой частоты; в – код {dl} манипуляции частоты; г – код {bl} манипуляции фазы; д – гармонический сигнал нижней частоты f1н (манипулирующий символ dl =1); е – гармонический сигнал верхней частоты f0в (манипулирующий символом dl = 0 ); ж – ШПС c ЧММС при дополнительной фазовой манипуляции информационными символами Dr-1, Dr и Dr+1
Fig. 1. Fragments of broadband signal formation with MSK: a – temporal diagram of the time scale of the fixed station; b – temporal diagram of the clock frequency signal; v – frequency manipulation code {dl} ; g – phase manipulation code {bl} ; d – the lower frequency f1н of the harmonic signal (manipulating symbol dl =1); e – the upper frequency f0в of the harmonic signal (manipulating symbol dl = 0 ); zh – broadband signal MSK signal with additional FM by information symbols Dr-1 , Dr и Dr+1
С учётом формирования элементов сигнала (3), ШПС при частотной манипуляции (например) посредством бинарной М - последовательности {dl} длины L [13] с дополнительной фазовой манипуляцией (ФМ) передаваемым дискретным сообщением Dr {0,1} можно записать в форме
, (8)
где rect(*) - импульс единичной амплитуды, длительностью τэ для l элемента сигнала:
. (9)
Согласно (7) двоичный код {bl}, посредством которого совершается фазовая манипуляция, соответствует модифицированной бинарной М-последовательности {dl} длины L.
На рис. 1. представлены фрагменты формирования на опорной станции семиэлементного (для примера) широкополосного сигнала с ЧММС.
Метод параллельного поиска по времени широкополосного сигнала с ЧММС
Применение квазикогерентных приёмников для обработки ШПС – ЧММС (далее по тексту – сигналов) требует осуществления ввода следящих устройств в синхронный режим с точностью, определяемой областью захвата устройств. Обычно область захвата меньше области неопределённости параметров сигнала (например, по частоте и задержке сигнала), что предполагает поиск сигнала в области неопределённости.
В морских навигационных системах интервалом неопределённости по частоте принимаемого сигнала при поиске можно пренебречь в связи с малым доплеровским сдвигом по частоте (скорость бортовых объектов составляет не более 100 кмч). Тогда точность определения задержки принимаемого сигнала при поиске должна определяться соответствующим интервалом корреляции сигнала, ограничивающим область захвата. При области неопределённости, равной длительности T = Lτэ сигнала, можно выбрать такой дискретный интервал задержки, который окажется не меньше области захвата сигнала по времени. Предполагается весь интервал неопределённости по задержке разбивать на дискретные интервалы, равные . Количество таких интервалов будет равно L = T /τэ и тогда интервал неопределённости по задержке может изменяться дискретно. При этом величину дискрета по времени удобно принять равным тем значениям сдвига по задержке, при которых достигается практически ортогональность анализируемого и опорного сигналов. Приняв модель дискретного изменения задержки, можно полагать, что на вход приёмного устройства приходит один из L квазиортогональных сигналов с задержкой, кратной τэ.
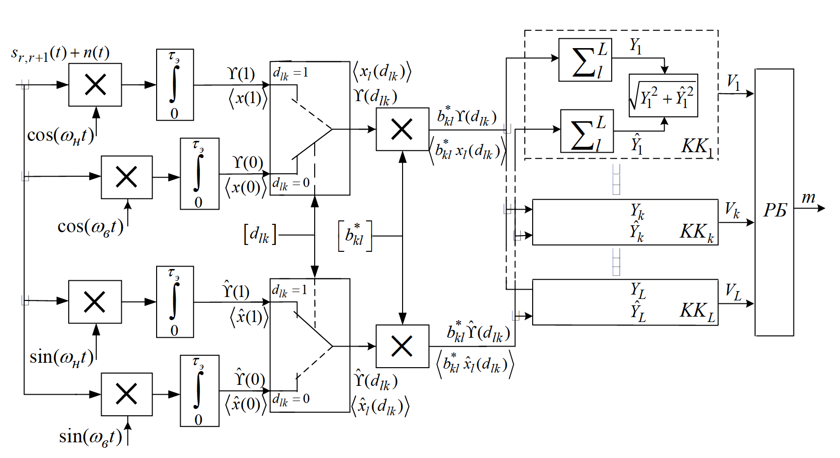
При принятой модели, задача поиска сводится к тому, чтобы выполнить обнаружение и распознать, какой именно из сигналов (каждый из которых различается циклическим сдвигом модулирующей кодовой последовательности {dkl}) действует, что позволяет устранить неопределённость по задержке, т. е. определить циклический сдвиг τk, принадлежащий анализируемому сигналу. Как известно [14], для оптимального распознавания L ортогональных сигналов необходимо использовать L-канальную схему, в которой осуществляется оптимальное L-ичное распознавание и для выбираемых сигналов выполняется процедура оптимального двоичного обнаружения. Структурная схема оптимального L-канального распознавания одного из L ортогональных сигналов приведена на рис. 2. Многоканальный приёмник содержит L квадратурных корреляторов (КК), каждый из которых включает в себя «×» – перемножитель сигналов; «∫» – интеграторы; «» – нелинейный преобразователь, вычисляющий значение модуля Vk корреляции комплексных огибающих принятой смеси сигнала sr,r+1(t) совместно с флуктуационной помехой n и опорного сигнала so[t,(k - 1)τэ]; «Блок выбора max Vm» – решающий блок. В квадратурном корреляторе с номером k вычисляются синфазная и квадратурная корреляции
Рис. 2. Оптимальный L-канальный корреляционный приёмник
Fig. 2. Optimal L-channel correlation receiver
и , (10)
где sr,r+1(t) - анализируемый сигнал, представляющий собой чаще всего последовательность элементов сигнала, принадлежащих оконечному фрагменту первого модулирующего информационного символа Dr и начальному фрагменту второго модулирующего информационного символа Dr+1 (рис. 3). Здесь анализируемый сигнал sr,r+1(t) относительно начального момента t1,1 времени будет представлять собой циклически сдвинутый влево на p - 1 элементов сигнал (8).
Рис. 3. Эпюры анализируемого и опорного сигналов
Fig. 3. Plots of the analyzed and reference signals
В этом случае выражение для принятого сигнала на интервале удобно записать следующим образом:
(11)
здесь φ(r,l) и φ(r+1,l) возможные фазовые запаздывания на частотах ƒн или ƒв для «сигналов» r и r+1.
Здесь so[t,(k - 1)τэ] и ŝo[t,(k - 1)τэ] квадратурные опорные сигналы единичной амплитуды с циклическими сдвигами влево на k - 1 двоичных символов модулирующей кодовой последовательности {dl}, действующие на входах квадратурных корреляторов (рис. 3), определяются выражениями:
(12)
Решающий блок выбирает из вычисленных модулей V1, V2, ….., Vk, ….VL модуль с максимальным значением – Vm : m = . Теперь для осуществления ввода следящих устройств (по времени или по фазе) в синхронный режим в качестве опорных сигналов будут выбраны ортогональные сигналы so[t,(m - 1)τэ] и ŝo[t,(m - 1)τэ] и с циклическими сдвигами влево на m - 1 двоичных символов модулирующих кодовых последовательностей {dl} и {bl}.
Параллельный «поиск» сигнала (8) производится посредством оптимального приёмника (рис. 1). Реализация оптимального приёмника (рис. 1) при числе L ≫ 1 сопряжена со значительными трудностями, связанными с формированием L пар квадратурных широкополосных сигналов с ЧММС (12) одновременно и техническим исполнением L квадратурных корреляторов.
Рассмотрим поэлементную обработку анализируемого сигнала (8). Согласно (10) и (12) можно совершить вычисления синфазной и квадратурной корреляций в КК с номером k по формулам
(13)
где двоичные элементы dlp (blp) и dlk (blk) соответствуют циклически сдвинутым влево на p - 1 и k - 1 двоичным символам модулирующих (по частоте и фазе) кодовых последовательностей. Корреляции Yk и Ŷk будем вычислять при идеальной (для упрощения анализа) тактовой синхронизации в соответствии с обрабатываемыми сигналами sr(t), как поясняется на рис. 3, и квадратурными опорными сигналами so[t,(k - 1)τэ] и ŝo[t,(k - 1)τэ]. Здесь импульсные функции в тактовые моменты совпадают, т. е. rectp[*] = rectk[*] = rect[*]. С учётом свойства аддитивности при интегрировании [15] произведения сумм (11) синхронных последовательностей импульсов rect[*] равной длительности, вычисления корреляций Yk и Ŷk можно записать через L сумм интегралов с интегрированием на интервалах {t} = [0, τэ]:
(14)
Используя разложения cos(α + β) = cos(α)cos(β) - sin(α)sin(β) и sin(α + β) = sin(α)cos(β) + +cos(α)sin(β), принимая Dr = 0, полагая, что при , и подставляя в (14) , корреляции Yk и Ŷk, вычисленные в КК с номером k, будут определяться следующими соотношениями:
(15)
Здесь и - нормальные случайные процессы [14], соответствующие определённому интегралу от произведения гармонического сигнала, единичной амплитуды и длительностью τэ, и случайной функции n(t) в форме белого шума со спектральной плотностью No.
В произведениях cos[ω(dpl )t + j]cos[ω(dkl )t] и cos[ω(dpl )t + j]sin[ω(dkl )t] из (15) частота ω(dkl ) может принимать одно из двух значений – ωн при dkl =1 или ωв при dkl = 0 . Кроме того, при неравенстве dkl ≠ dpl указанные произведения будут равны нулю, так как сигналы при частотах ωн и ωв будут ортогональными в усиленном смысле [16], а при равенстве dkl = dpl – иметь значения τэ cos(φ) / 2 и τэ sin(φ) / 2 . Пренебрегая членами с суммарной часто- той, указанные произведения приобретут следующий вид:
, (16)
и тогда синфазную и квадратурную корреляции Yk и Ŷk можно записать в следующей форме:
(17)
где
и , и – (18)
сигнальные и помеховые квадратурные поэлементные корреляции (ПК). Обозначив ϒ(dkl) = x(dkl) = ξkl и для (17), корреляции и модуль корреляций можно переписать
, и . (19)
Структура алгоритма (19) вычисления модуля корреляций поясняется (рис. 4). Посредством каждого из сумматоров «» с учётом знака производится накопление поэлементных корреляций и , а с накоплением L сумм производится формирование модулей Vk. Для упрощения примем n(t) = 0 и тогда, анализируя работу схемы (рис. 4) относительно накопления поэлементных корреляций согласно (17)–(19), можно сказать, что k -я компонента Yk вычисляется как сумма L произведений символов (принадлежащих циклически сдвинутому на k - 1 позиций модифицированному M -коду длины L) и поэлементных корреляций x(dkl), выбираемых из пары значений x(1) и x(0), которые формируются одновременно двумя парами поэлементных интеграторов «», соответствующих корреляциям очередного элемента анализируемого сигнала sr,r+1(t) и гармонических сигналов, длительностью τэ с частотами ɷн и ɷв. Здесь из каждой пары значений x(1) и x(0) посредством коммутаторов (рис. 4), управляемых l символом dkl ∈ {0,1}, производится выборка одного из значений поэлементных корреляций x(1) или x(0) по правилу
, . (20)
Рис. 4. Структура алгоритма поиска ШПС – ЧММС сигналов
Fig. 4. Structure of the broadband MSK signal search algorithm
Введя замену индексов в обозначениях dkl = dlk и x(dkl) = x(dlk) и обозначив b*kl как bkl, получим окончательные формулы для вычисления k-й синфазной и квадратурной корреляций Yk и Ŷk:
. (21)
Здесь xl(dlk) – очередная l поэлементная корреляция, сформированная на выходе коммутатора, управляемого очередным двоичным символом dlk, принадлежащим также циклически сдвинутому на k-1 позиций М- коду длины L.
Алгоритм поиска посредством матричного представления задачи распознавания бинарных сигналов
При рассмотрении формирования группы значений Y1, Y2, Yk,….YL синфазных корреляций (21), можно сказать, что группу из L значений синфазных корреляций можно представить как транспонированную матрицу-столбец Y = размером L × 1, при этом каждый из элементов матрицы соответствует сумме Y произведений бинарных элементов bkl k-й строки матрицы B и поэлементных корреляций xl(dlk) матрицы-столбца X. Здесь матрица B это квадратная матрица размером L × L, где каждая из k-х строк представляет собой
(22)
последовательность двоичных символов {bkl }, принадлежащих циклически сдвинутому на k - 1 позиций модифицированному М-коду длины L, сформированному по правилу (6)–(7) в соответствии с М-кодовой последовательностью {dl}. Для обеспечения вычислений с элементами матрицы B используют представление элементов bkl первой матрицы через элементы второй матрицы, которые можно выразить через номер l элемента k-й строки бинарной последовательности {}:
, (23)
Матрица-столбец X включает в себя L элементов, каждый из которых соответствует очередному номеру l вычисленного значения поэлементной корреляции xl(dlk ) по правилу (20):
;
. (24)
Здесь каждое l значение поэлементных корреляций xl(dlk ) определяется значением бита символа dlk. При номере l только l пара поэлементных корреляций (20), сформированных парой поэлементных интеграторов (рис. 4), участвует в формировании l слагаемого (21). Следует также сказать, что из l пары поэлементных корреляций выбирается то значение, которое формируется на выходе коммутатора (рис. 4) в соответствии со значением бита действующего символа dlk на управляющий вход коммутатора. При этом условии выбранное значение поэлементной корреляции с учётом знака bkl будет суммироваться в k-й синфазной (квадратурной) корреляции Yk (Ŷk) (20). Здесь выборка поэлементных корреляций производится через символы dlk, которые должны являться элементами матрицы:
. (25)
Элементы первой строки второй матрицы D соответствуют М-кодовой последовательности {dl}. Остальные строки представляют собой циклически сдвинутые на k -1 элементов кодовые последовательности {dlk}. Для обеспечения вычислений с элементами матрицы D используют представление элементов dlk первой матрицы через l элемент k-й строки бинарной последовательности {dlk} второй матрицы:
, (26)
Таким образом, вычисление группы значений Y1, Y2, Yk,….YL синфазных корреляций (21) можно представить как произведение матриц в развёрнутой форме
;
(27)
или в краткой форме
Y = B × X ; Ŷ = B × . (28)
Исполнение алгоритма (27)–(28) необходимо произвести в течение длительности сигнала Lτэ . При этом необходимо совершить L2 операций сложения. При L = 16383 и при τэ = 2,5 мкс (РНС «Спрут»), длительность процедуры одной операции сложения составит τэ / L ≥ 1,5*10–10 с, можно сказать, что операции сложения должны проводиться с частотой не менее 6,5 ГГц. Это слишком высокая рабочая частота для вычислителя. Чтобы понизить требования к рабочей частоте вычислителя предлагается произведение матриц в алгоритме (27)–(28) представить в виде произведения блочных матриц [17].
Блочные матрицы формируются посредством разделения матриц Y, B, X, D M - 1 горизонтальными, а матриц B, D N - 1 вертикальными линиями на M × N и M блоков соответственно. Тогда матричное произведение (27) можно выразить через произведение блочных матриц:
, , (29)
где
– (30)
m – блок-матрица синфазных и квадратурных корреляций; блок-матрица Bm,n будет состоять из n′ = L/ N столбцов и m′ = L / M строк с соответствующими bkl элементами первой матрицы (22):
(31)
где k′ и l′ индексы, обозначающие номера строк и столбцов в блок-матрице Bm,n. При этом элементы блок-матрицы Bm,n можно выразить через элементы bkl матрицы (23) в следующей форме bk,l = bk′+m′(m-1),l′+n′(n-1). Ниже показаны блок-матрица поэлементных корреляций с числом строк n′ = L/N и блок-матрица Dn,m с элементами соответствующих элементам dkl первой матрицы (25).
.(32)
Использование блочных матриц для выполнения алгоритма (27)(28) позволяет более рационально производить накопление квадратурных корреляций (29). Количество m′ строк в блочной матрицы Bm,n выбирается таким, чтобы за интервал τэ можно произвести по одному суммированию поэлементных корреляций для каждого из m′ адресов. Вычисление каждой суммы поэлементных корреляций выполняется за 3 действия (3 такта): выборка операнда (накопленной суммы поэлементных корреляций с учётом знака bkl) из блока памяти по k′ адресу, сложение с очередным значением поэлементной корреляции xl, запись сумы в блок памяти по тому же адресу. В вычислителе, выполненном на ПЛИС [18], за длительность τэ можно совершить τэƒT ≥ 1625 тактов (τэ= 2,5 мкс, ƒT≥ 650 МГц) или 529 операций суммирований с записью в «память», что будет соответствовать 529 накоплению корреляций или m′ = 529. Количество блок-строк в блок-матрицах (27)(28) корреляций составит M = [3L/τэ ƒT] = 31, и здесь каждой блок-строке будет соответствовать сумматор поэлементных корреляций xl(dlk) с учётом знака элементов blk блок-матрицы Bm,n.
Рис. 5. Диаграммы входных сигналов и элементов матриц B и X
Fig. 5. Diagrams of incoming signals and elements of matrices B and X
При поиске сигнала с дополнительной ФМ навигационным сообщением в двоичной форме Dr может возникнуть ситуация, при которой когерентное накопление станет невозможным. Это можно увидеть при рассмотрении рис. 5, где схематично совместно показаны диаграммы анализируемых сигналов sr±i(t) при дополнительной ФМ навигационным сообщением посредством двоичных символов Dr и в соответствии с ними элементы перемножаемых матриц B и X. На рис. 5. анализ сигнала производится на интервалах {T1} = [t1,t3] и {T2} = [t3,t5]. На интервале анализа T1 вычисляются поэлементные корреляции, соответствующие матрице-столбцу , изображённому слева, а на интервале анализа T2 вычисляются поэлементные корреляции, соответствующие матрице-столбцу , изображённому справа. Между матрицами-столбцами расположены матрицы В двоичных элементов bkl. Интервалу анализа T1 соответствует фрагмент окончания сигнала с номера элемента p по L элемент при модулирующем символе Dr-1 = 1 (для примера) и фрагмент начала сигнала с элемента 1 по p-1 элемент при модулирующем символе Dr = 0 (для примера). В этом случае, вычисленные поэлементные корреляции xT1,l(dl,k) для номеров p ÷ L будут определяться с учётом значения символа Dr-1 = 1 (18), а вычисленные поэлементные корреляции для номеров 1 ÷ p - 1 будут определяться с учётом значения символа для номеров будут определяться с учётом значения символа Dr-1 = 1 (18), а вычисленные поэлементные корреляции для номеров будут определяться с учётом значения символа Dr = 0 (18). Отсюда видно, что знаки у вычисленных групп поэлементных корреляций (для примера при L = 8 — это вычисленные первые 4 и вторые 4 поэлементные корреляции) будут противоположными. Если представить матрицу B как сумму левой верхней треугольной матрицы Bв и правой нижней треугольной матрицы Bн, то матрицу корреляций YT1, вычисленную на первом интервале, можно записать в краткой форме
(33)
или в развёрнутой форме
, (34)
где элементы матриц Bв и Bн определяются через (23) элементами матрицы B(22). Из (34) и рис. 5 следует, что первую группу поэлементных корреляций можно учесть в первом произведении матриц Bв и ХТ1 , а вторую группу поэлементных корреляций можно учесть во втором произведении матриц Bв и ХТ1.
Интервалу анализа T2 соответствует фрагмент окончания сигнала также с номера элемента p по L элемент теперь при модулирующем символе Dr = 1 (для примера) и фрагмент начала сигнала также с элемента 1 по p-1 элемент теперь при модулирующем символе Dr+1 = 0 (для примера). В этом случае, вычисленные поэлементные корреляции xT2.l (dl,k ) для номеров p ÷ L будут определяться с учётом значения символа Dr = 1 (18), а вычисленные поэлементные корреляции для номеров 1 ÷ p - 1 будут определяться с учётом значения символа Dr+1 = 1(18). Отсюда видно, что знаки у вычисленных вторых групп (третья и четвёртая) поэлементных корреляций (для примера при L = 8 — это вычисленные первые 4 и вторые 4 поэлементные корреляции) будут противоположными. Если представить матрицу B как сумму левой верхней треугольной матрицы Bв и правой нижней треугольной матрицы Bн, то матрицу корреляций YT2, вычисленную на втором интервале, можно записать в краткой форме
, (35)
или в развёрнутой форме
, (36)
где элементы матриц Bв и Bн определяются через (23) элементами матрицы B (22). Из (36) и рис. 5 следует, что третью группу поэлементных корреляций можно учесть в первом произведении матриц Bв и XT2, а четвёртую группу поэлементных корреляций можно учесть во втором произведении матриц Bв и XT2 .
Теперь, на основании (33)(36) можно вычислить корреляции, соответствующие интервалу {t}=[t2, t4] (рис. 5) анализа сигнала при полном действии модулирующего символа Dr
. (37)
Из (35) следует, анализ сигнала необходимо проводить на двух последовательных временных интервалах {ti} и {ti+1}. На первом временном интервале {ti} синфазные и квадратурные корреляции вычисляются согласно (33) и (34):
и , (38)
а на втором временном интервале {ti+1} синфазные и квадратурные корреляции вычисляются согласно (35) и (36):
Yti+1,в = Bв × Xti+1 и ti+1,в = Bв × ti+1. (39)
Итак, чтобы реализовать параллельный алгоритм поиска сигнала, инвариантный к дополнительной ФМ информационным сообщением, по вычисленным квадратурным корреляциям (38) и (39) могут быть получены требуемые синфазные и квадратурные корреляции
Y = Yti,н + Yti+1,в, Ŷ = Ŷti,н + Ŷti+1,в. (40)
Заключение
Таким образом, предложенное в данной статье представление ШПС – ЧММС как двухпозиционного, с двоичной частотно-фазовой манипуляцией, позволяет, посредством использования матричного аппарата в алгоритмах поиска, вычислять значения модулей корреляций комплексных огибающих принятой смеси сигнала совместно с флуктуационной помехой и опорного сигнала, что существенно упрощает реализацию алгоритма поиска для (16383).
Разработка алгоритма матричных вычислений составляющих модулей корреляций комплексных огибающих с использованием параллельно-последовательного во времени накопления, существенно упрощает вычисления модулей корреляций комплексных огибающих. При реализации необходимых вычислений на ПЛИС обеспечивается одновременное снижение аппаратурных ресурсов ПЛИС, что позволяет проводить поиск практически за время не более длительности сигнала и в реальном времени.
Использование левой верхней и правой нижней треугольных бинарных матриц даёт возможность проводить поиск ШПС – ЧММС при когерентной обработке и некогерентном накоплении сигналов с дополнительной фазовой манипуляцией информационным сообщением без потери помехоустойчивости.
Sobre autores
Vladimir Vladimir
Reshetnev Siberian State University of Science and Technology
Autor responsável pela correspondência
Email: sen@sibsau.ru
Cand. Sc., Professor of the APG Department
Rússia, 31, Krasnoyarskii rabochii prospekt, Krasnoyarsk, 660037Alexander Romanov
Siberian Federal University
Email: offic@sfu-krus.ru
Cand. Sc., Docent of the RES Department, Institute of IF and RE
Rússia, 79, Svobodniy Prospekt, Krasnoyarsk, 660041Bibliografia
- Tuzov G. I. Statisticheskaya teoriya priyoma slozhnykh signalov [Statistical theory of complex signal reception]. Moscow, Sovetskoe radio Publ., 1977, 400 p.
- Varakin L. E. Sistemy svyazi s shumopodobnymi signalami [Communication systems with noise-like signals]. Moscow, Radio i svyaz Publ., 1978, 304 p.
- Zhuravlyov V. I. Poisk i sinkhronizaciya v shirokopolosnykh sistemakh cvyazi [Search and synchronization in broadband communication systems]. Moscow, Radio i svyaz Publ., 1986, 241 p.
- Perov A. I. Osnovy postroeniya spytnikovykh radionavigacionnykh system [Fundamentals of building satellite radio navigation systems]. Moscow, Radiotechnika Publ., 2012, 240 p.
- Losev V. V., Brodskaya E. B., Korzhik V. I. Poisk i dekodirovanie slozhnych diskretnykh signalov [Search and decoding of complex discrete signals]. Moscow, Radio i svyaz Publ., 1988, 224 p.
- Ipatov V. P., Kazarinov Yu. M., Kolomenskiy Yu. A. Poisk, obnaruzhenie i izmerenie parametrov signalov w radionavigazionykh sistemakh [Search, detection and measurement of signal parameters in radio navigation systems]. Moscow, Sov. radio Publ., 1975, 296 p.
- Bondarenko V. N. Pomekhoustoychivost priyema spektralno-efektivnykh shumopodobnykh signalov [Noise immunity of receiving spectrally effective noise-like signals]. Krasnoyarsk, Sib. Feder. un-t Publ., 2015, 160 p.
- Bondarenko V. N. [Noise immunity of the noise-like signal time discriminator]. Radiotekhnika. 2009, No. 5, P. 26–33 (In Russ.).
- Makarov S. B., Zykin I. A. Peredacha diskretnykh soobshcheniy po radiokanalam s ogranichenoy polosoy propuskaniya [Transmission of discrete messages over radio channels with limited bandwidth]. Moscow, Radio i svyaz Publ., 1988, 304 p.
- Ipatov V. P. [Search for noise-like signals with minimal frequency manipulation]. Radiotekhnika. 1991, No. 6, P. 47–49 (In Russ.).
- Bondarenko V. N. [A quasi-optimal algorithm for finding a noise-like signal with minimal frequency manipulation]. Izvestiya vuzov Rossii. Radioelektronika. 2007, No. 4, P. 24–31 (In Russ.).
- Osborne W. P., Luntz M. B. Coherent and Noncoherent Detection of CPFSK. IEEE Trans. 1974. Vol. COM-22, No. 8, P. 1023–1036.
- Ipatov V. P. Shirokopolosnye sistemy i kodovoe razdelenie signalov [Broadband systems and code separation of signals]. Moscow, Tekhnosfera Publ., 2007, 487 p.
- Shumopodobnye signaly v sistemakh peredachi informazyi [Noise-like signals in information transmission systems]. Ed. V. B. Pestryakov. Moscow, Radio i svyaz Publ., 1982, 424 p.
- Bronshteyn I. N., Semendyaev K. A. Spravochnik po matematike dlya inzhenerov i uchashchikhsya vuzov [Handbook of Mathematics for engineers and university students. Moscow, Nauka Publ., 1986, 544 p.
- Fink L. M. Teoriya peredachi diskretnykh soobshcheniy [Theory of transmission of discrete messages]. Moscow, Sov. radio Publ., 1975, 727 p.
- Demidovich B. P. Osnovy vychislitelnoy matematiki [Fundamentals of Computational Mathematics]. Moscow, Fizmatgiz Publ., 1963, 660 p.
- Zynq – 7010, Key Featuresand Benefits.
Arquivos suplementares








