A method for increasing the adhesive strength of plasma electrolytic coatings on titanium alloys
- Authors: Savelyev D.O.1, Girn A.V.1, Mikheev A.E.1, Rudenko M.S.1, Chizhevskaya M.V.1
-
Affiliations:
- Reshetnev Siberian State University of Science and Technology
- Issue: Vol 26, No 3 (2025)
- Pages: 448-457
- Section: Section 3. Technological Processes and Materials
- Published: 30.09.2025
- URL: https://journals.eco-vector.com/2712-8970/article/view/692511
- DOI: https://doi.org/10.31772/2712-8970-2025-26-3-448-457
- ID: 692511
Cite item
Abstract
The aim of the work is to develop a method for forming an MAO coating on a titanium alloy, which helps to increase the adhesive strength of the coating with the substrate and to establish the effect of the processing mode on the thickness and roughness of the coating. A method for using ultrasonic vibrations (US) during the microarc oxidation (MAO) process is proposed and studied. The described method allows obtaining a multifunctional coating by the microarc oxidation method using ultrasonic vibrations on the OT-4 titanium alloy with increased adhesive strength to the base metal. And also a uniform thickness and roughness of the coating over the entire surface of the workpiece is achieved. The positive effect of US on the adhesive strength of the coating is confirmed. A mode for processing titanium alloys by the MAO method under US and a current pulse repetition frequency of 90 Hz is proposed, which helps to increase the adhesive strength of the MAO coating by more than 60 %.
Presumably, the mechanism of coating growth is that under the influence of ultrasound, hydrogen bubbles formed in the process break into smaller bubbles and intensively approach the surface of the substrate. As they grow, the bubbles burst under the influence of ultrasound and release a large amount of heat and energy, which accelerates the formation of the film. Subsequently, the cavitation effect of ultrasound decreases due to the coating and then the ultrasonic waves, due to reflection from the coating, form a standing wave at the surface, which leads to a stable distribution and compression of bubbles at the boundary of the solution and the coating. This contributes to the uniform distribution of microarcs and energy over the surface of the coating being formed. As a result, a coating of uniform thickness with less roughness and firmly bonded to the substrate material is formed.
Full Text
Introduction
Development of modern industrial and mechanical engineering sectors largely determines scientific and technological progress, the key challenge of which remains the development of new and the modification of existing structural materials. This is associated with the increasing demands placed on the reliability and physico-mechanical properties of product components. At the same time, the contemporary aerospace industry requires the implementation of advanced manufacturing and processing technologies that ensure the necessary material properties and guaranteed service life of components.
Titanium, as a structural material, is widely used in various industries due to its exceptional strength-to-weight ratio. However, its application is limited by several drawbacks, such as a high tendency toward brittleness and salt-induced corrosion, as well as high chemical reactivity with gases at elevated temperatures.
Enhancement of the operational performance of titanium-based products can be achieved by forming protective or functional coatings on their surfaces. One of the most promising methods for this purpose is the formation of oxide films on the surface of titanium alloys that are resistant to environmental influences. Of particular interest is the micro-arc oxidation (MAO) technique, which enables the formation of multifunctional ceramic-like coatings with unique properties. Such coatings can be employed to create durable thermal and electrical insulating layers, to protect surfaces from erosion in high-velocity gas flows and corrosion in aggressive environments, to improve wear resistance under friction, and to increase surface emissivity, among other applications [1–4].
Various methods exist for producing MAO coatings on titanium alloys; however, the presence of a natural oxide layer significantly reduces the adhesion strength between the coating and the substrate. Therefore, the development of a method for obtaining MAO coatings with high adhesion strength to titanium alloy substrates is currently an important and relevant research objective [1–3].
The aim of this study is to develop a methodology for forming MAO coatings on titanium alloys that enhances the adhesion strength between the coating and the substrate, as well as to determine the influence of processing parameters on coating thickness and surface roughness.
Theoretical Background of the Study
A number of studies have been devoted to the development of methods aimed at improving the physico-mechanical properties of MAO coatings on titanium. For instance, in [5], titanium VT1-0 samples were used as base materials for the deposition of calcium-phosphate coatings, with a portion of the samples subjected to preliminary ultrasonic treatment. Oxidation was carried out in a solution of 25 % H3PO4 + Са10(РО4)6ОН2, representing a suspension of hydroxyapatite powder. Comparative studies of coating adhesion using the scratch test method revealed improved adhesion and cohesion strength compared with coatings deposited on untreated titanium. The adhesion strength of the coating applied to the ultrasonically treated titanium was found to be six times higher than that of a similar coating on untreated titanium.
In [6], calcium-phosphate coatings were deposited onto titanium VT1-0 samples using the MAO technique on a MicroArc–3.0 unit, under the influence of ultrasonic treatment in the electrolyte. Three main coating regimes were selected: Mode 1 (control, MAO without external ultrasound); Mode 2 (MAO with pulsed external ultrasound at a power of 35 W and a frequency of 37 kHz); Mode 3 (MAO with continuous external ultrasound at a power of 100 W and a frequency of 35 kHz). The adhesion strength of the coatings to the metallic substrate was measured using the uniform pull-off (adhesive) test method. The results demonstrated that the application of an ultrasonic field during coating synthesis led to a decrease in adhesion strength from 23 MPa to 19 MPa.
With respect to adhesion strength, the works by Chinese researchers from the Shanghai Institute [7, 10–12] are noteworthy. They produced coatings in a silicate-fluoride electrolyte at a pulse frequency of 300 Hz with the application of ultrasonic vibrations (USV). Samples treated using the ultrasonic micro-arc oxidation (UMAO) method exhibited a significantly higher electrochemical potential, indicating that ultrasonic treatment notably reduced the corrosion susceptibility of the alloys, while also improving coating hydrophilicity and adhesion strength.
A domestic study by researchers from the Institute of Chemistry, Far Eastern Branch of the Russian Academy of Sciences (ICH FEB RAS) [8] describes the treatment of a magnesium alloy using the MAO method in a silicate-fluoride electrolyte at a pulse frequency of 300 Hz. The technical outcome of this work was the formation of a composite bioresorbable material – that is, a material gradually replaced by body tissue as it dissolves, producing non-toxic byproducts – consisting of magnesium and hydroxyapatite, with uniform distribution of the latter in the metal matrix. The material also demonstrated improved resistance to dissolution in physiological environments due to impregnation of the porous part of the PEO coating with polycaprolactam.
Thus, the aforementioned studies are primarily focused on the formation of bioactive composites with an underlayer on magnesium or titanium alloys, obtained by plasma-electrolytic methods employing high-frequency current pulses and/or the application of external ultrasonic vibrations. The MAO coatings discussed in these works are considered mainly for biomedical applications; however, insufficient attention has been paid to the adhesion strength of such coatings to titanium substrates
[5–13].
It is assumed that the influence of ultrasonic vibrations (USV) on the MAO process is associated with more intensive electrolyte renewal in the discharge zone and the effect of ultrasonic pressure on the vapor–gas bubble formed near the coating surface as a result of dielectric breakdown and micro-arc burning. This phenomenon leads to fragmentation (dispersion) of the vapor–gas bubble and, consequently, an increase in the density of micro-arc discharges per unit area of the treated surface
(Fig. 1). Moreover, under the influence of ultrasound of sufficient intensity, cavitation occurs in the liquid medium.
Рис. 1. Принципиальная схема влияния УЗК на формирование микродуговых разрядов: а – МДО без УЗК; b – МДО с применением УЗК. 1 – образец; 2 – электролизер; 3 – электролит; 4 – парогазовый пузырь; 5 – микродуговой разряд; 6 – ультразвуковые колебания; 7 – источник УЗК
Fig. 1. Schematic diagram of the influence of ultrasonic vibrations on the formation of microarc discharges: a – MAO without ultrasonic vibrations; b – MAO with ultrasonic vibrations). 1 – sample; 2 – electrolytic bath; 3 – electrolyte; 4 – steam-gas bubble; 5 – microarc discharge; 6 – ultrasonic vibrations; 7 – source of ultrasonic vibrations
Ultrasonic inertial cavitation refers to cavitation characterized by the formation of vapor–gas cavities in the liquid due to tension during the negative half-cycle of an acoustic wave. When the compression half-cycle follows, these cavities collapse violently, generating local heating and hydrodynamic perturbations in the form of micro-shock waves, cumulative jets, and microstreams of liquid [13–14].
Equipment and Methods
Titanium alloy OT-4 samples with dimensions of 60 × 30 × 1.5 mm were used as the objects of study. The composition and concentration of electrolyte components, the duration of the MAO process, and the parameters of the treatment regimes are presented in Table 1. The range of pulse repetition frequencies was determined by the breakdown voltage required for the initiation of micro-arc discharges [15].
Table 1. Parameters of the MAO Process for Titanium Alloy Treatment
MAO Parameters | Sample Series | ||
MAO | MAO with Ultrasonic Vibrations (USV) | ||
Current density, A/dm² | 26,7 | ||
Ratio of cathodic to anodic current components, IК:IА | 1 | ||
Pulse repetition frequency, Hz | 30–110 | ||
Pulse waveform | Sinusoidal | ||
Processing time, s | 600 | ||
Electrolyte temperature, °C | 20–30 | 20–50 | |
Electrolyte composition | NaH2PO4 2Н2O – 20 g/L; Na2SiO3 – 5 g/L; | ||
Studies were carried out to investigate the effect of ultrasonic vibrations on the micro-arc oxidation (MAO) process under varying pulse repetition frequencies. The influence of pulse frequency is primarily associated with the duration of individual micro-arc discharges and the number of discharges occurring within a given time interval.
Prior to treatment, all samples were degreased in acetone according to GOST 2768–84. The samples were mounted in the electrolytic bath parallel to its walls using a titanium holder with copper clamps. Oxidation was conducted in an anodic – cathodic mode.
To implement the plasma-electrolytic oxidation process with the application of ultrasonic vibrations, a custom-designed electrolytic bath based on an ultrasonic cleaning unit was developed. To protect the control elements and the power supply unit from the output voltage of the current source,
a 5 mm thick textolite plate was used as insulation. The anodic current lead was installed on textolite supports.
The microstructure of the treated samples was examined using a Neophot 32 metallographic microscope at a magnification of 160 times. Surface roughness was measured using a CONDTROL TR110 device in terms of Ra, in compliance with ISO and DIN standards.
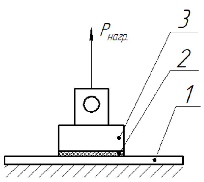
The standard governing the testing of electroplated coatings includes only qualitative methods based on differences in the physico-mechanical properties of the coating metal and the substrate. According to GOST 9.302–88, the inspection method is selected depending on the coating type, the properties of both the substrate and coating metals, and the type and purpose of the component. Since qualitative evaluation of adhesion strength is insufficient for a reliable comparison of processing methods, the adhesion strength was determined quantitatively using the tensile test (Method B) – an adhesive method employing VK-9 epoxy glue – in accordance with GOST 209–75. The adhesion strength was calculated as the ratio of the detachment force (up to 10 kN) required to separate the coated specimen from the glued counter-sample to the cross-sectional area (490.9 mm²) (Fig. 2).
Рис. 2. Общий вид схемы испытания образцов на адгезионную прочность МДО-покрытия: 1 – образец; 2 – клеевой шов; 3 – ответный образец
Fig. 2. General view of the scheme for testing samples for the adhesion strength of the MAO coating: 1 – sample; 2 – adhesive seam; 3 – counter sample
The present standard applies to rubber and adhesives and establishes methods for determining the bond strength between these materials and metal under tensile separation conditions.
The adhesive bond strength was measured using a Eurotest T-50 universal electromechanical testing machine equipped with computer control. All tests conducted on this machine were performed using the WinTEST32 software package installed on a personal computer.
Results and Discussion
Figure 3 presents the microstructure of MAO coatings obtained at different pulse repetition frequencies: (a) 40 Hz, (b) 50 Hz, and (c) 70 Hz.
Рис. 3. Микроструктура МДО-покрытия при частоте следования импульсов: а – 40 Гц; b – 50 Гц; c – 70 Гц
Fig. 3. Microstructure of MAO coating at pulse repetition frequency: a – 40 Hz; b – 50 Hz; c – 70 Hz
With increasing pulse repetition frequency, the pore size within the coating decreases, and the surface becomes more uniform. This effect is presumably associated with the reduction in pulse duration and, consequently, in the burning time of individual micro-arc discharges. At the same time, the total exposure of the surface to micro-arc discharges increases for a constant overall treatment time.
At frequencies below 40 Hz and above 70 Hz, the breakdown voltage did not reach the threshold required for the initiation of spark discharges.
Figure 4 shows the microstructure of the MAO coating obtained under the standard processing mode (a) and under the standard mode with the application of ultrasonic vibrations (b). The pore size within the coating decreases and becomes more uniform when ultrasonic vibrations are applied, resulting in a smoother and more homogeneous surface layer.
Рис. 4. Микроструктура МДО-покрытия: а – режим МДО при частоте следования импульсов тока 50 Гц; b – режим МДО при частоте следования импульсов тока 50 Гц и УЗК
Fig. 4. Microstructure of MAO coating: a – MAO mode at a current pulse repetition frequency of 50 Hz; b – MAO mode at a current pulse repetition frequency of 50 Hz and with ultrasonic vibrations
Figure 5 presents the dependence of the MAO coating thickness on the pulse repetition frequency, both with and without the application of ultrasonic vibrations during the coating formation process.
Рис. 5. График зависимости толщины МДО-покрытия от частоты следования импульсов тока
Fig. 5. Graph of the dependence of the MAO coating thickness on the current pulse repetition frequency
The maximum coating thickness reached 18 μm at a pulse repetition frequency of 60 Hz. Across almost the entire frequency range, processing without ultrasound resulted in greater coating thickness. In contrast, when ultrasonic vibrations were applied, the coating thickness remained nearly constant – averaging 11.5 μm – over the entire surface of the samples within the frequency range of 40–70 Hz. This observation supports the assumption regarding the cavitation effect induced by ultrasonic vibrations during processing.
Figure 6 shows the dependence of the MAO coating surface roughness on the pulse repetition frequency, both with and without the application of ultrasonic vibrations during coating formation.
Рис. 6. График зависимости шероховатости МДО-покрытия от частоты следования импульсов тока
Fig. 6. Graph of the dependence of the roughness of the MAO coating on the frequency of the current pulses
Figure 7 shows the dependence of the adhesion strength of the MAO coating on the pulse repetition frequency, both with and without the application of ultrasonic vibrations during the coating formation process. The maximum adhesion strength of the MAO coating without ultrasonic vibrations was observed at a pulse repetition frequency of 40 Hz, reaching 1.12 MPa. In contrast, for the MAO process with ultrasonic vibrations, two adhesion strength maxima were observed – at 40 Hz and 90 Hz – with a peak value of 1.85 MPa.
Рис. 7. График зависимости адгезионной прочности МДО-покрытия от частоты следования импульсов тока
Fig. 7. Graph of the dependence of the adhesion strength of the MAO coating on the frequency of the current pulses
Conclusion
In this study, we analyzed the influence of ultrasonic vibrations and high-frequency current on the structure, thickness, surface roughness, and adhesion strength of MAO coatings on titanium alloys.
We confirmed that ultrasonic vibrations positively affect the adhesion strength of the coating. We propose a processing regime for titanium alloys using the MAO method with ultrasonic vibrations at a pulse repetition frequency of 90 Hz, which increases the adhesion strength of the MAO coating by more than 60 %.
It is assumed that the coating growth mechanism under the influence of ultrasound is as follows: hydrogen bubbles formed during the process are fragmented into smaller ones and move intensively toward the substrate surface. As the bubbles grow, they collapse under the action of ultrasound, releasing a significant amount of heat and energy that accelerates the formation of the oxide film. Subsequently, the cavitation effect of ultrasound decreases due to the formation of the coating layer; as a result, ultrasonic waves are reflected from the coating surface, generating standing waves near the interface between the electrolyte and the coating. These standing waves promote uniform distribution and compression of bubbles at the coating boundary, ensuring an even distribution of micro-arc discharges and energy across the treated surface. As a result, the coating achieves uniform thickness, reduced surface roughness, and strong adhesion to the substrate material.
About the authors
Dobrynya Olegovich Savelyev
Reshetnev Siberian State University of Science and Technology
Author for correspondence.
Email: savelev.dobrynya@mail.ru
postgraduate student
Russian Federation, 31, Krasnoyarskii rabochii prospekt, Krasnoyarsk, 660037Alexey Vasilievich Girn
Reshetnev Siberian State University of Science and Technology
Email: girn007@gmail.com
Cand. Sc., Associate Professor, Associate Professor of the Department of Aircraft
Russian Federation, 31, Krasnoyarskii rabochii prospekt, Krasnoyarsk, 660037Anatoly Egorovich Mikheev
Reshetnev Siberian State University of Science and Technology
Email: michla@mail.ru
Dr. Sc., Professor
Russian Federation, 31, Krasnoyarskii rabochii prospekt, Krasnoyarsk, 660037Mikhail Sergeevich Rudenko
Reshetnev Siberian State University of Science and Technology
Email: rudenko_ms@sibsau.ru
ORCID iD: 0000-0002-1074-2548
Senior Lecturer of the Department of Aircraft
Russian Federation, 31, Krasnoyarskii rabochii prospekt, Krasnoyarsk, 660037Marina Valerievna Chizhevskaya
Reshetnev Siberian State University of Science and Technology
Email: chigevskaia@sibsau.ru
Cand. Sc., Head of the Department of Analytical Chemistry
Russian Federation, 31, Krasnoyarskii rabochii prospekt, Krasnoyarsk, 660037References
- Suminov I. V. Plazmenno-jelektroliticheskoe modificirovanie poverhnosti metallov i splavov [Plasma-electrolytic modification of the surface of metals and alloys]. Moscow, Tehnosfera Publ., 2011, 512 p.
- Gordienko P. S., Gnedenkov S. V. Mikrodugovoe oksidirovanie titana i ego splavov [Microarc oxidation of titanium and its alloys]. Vladivostok, Dal'nauka Publ., 1997, 185 p.
- Mikheev A. E., Girn A. V., Vakhteev E. V. et al. [The process of formation of the structure and composition of MAO coatings on aluminum alloys]. Vestnik SibGU. 2013, No. 2(48), P. 206–212 (In Russ.).
- Nechaev G. G. [A model of micro-discharges in the process of microarc oxidation]. Vestnik Saratovskogo gosudarstvennogo tehnicheskogo universiteta. 2013, No. 1 (69), P. 107–112 (In Russ.).
- Fedchishin O. V., Klimenov V. A., Trofimov V. V. [Formation and properties of calcium phosphate oxide coatings obtained by the MDO method on titanium Vt 1-0 treated with ultrasound]. Sibirskiy medicinskiy zhurnal. 2009, No. 8, P. 18–20 (In Russ.).
- Kazantseva E. A., Komarova E. G. [The effect of ultrasound during microarc oxidation on the formation of the structure of calcium phosphate coatings]. Perspektivnye materialy. 2018, No. 5, P. 45–46 (In Russ.).
- Shen D., Cai J., Li G. et al. Effect of ultrasonic on microstructure and growth characteristics of micro-arc oxidation ceramic coatings on 6061 aluminum alloy. Vacuum. 2014, No. 99, P. 143–148. doi: 10.1016/j.vacuum.2014.04.015.
- Podgorbunskiy A. B., Shichalin O. O., Imshinetskiy I. M., Mashtalyar D. V., Gnedenkov A. S., Sidorova M. V., Sinebryukhov S. L., Gnedenkov S. V. Sposob polucheniya biorezorbiruemogo materiala na osnove magniya i gidroksiapatita s zashchitnym mnogokomponentnym pokrytiem [A method for obtaining a bioresorbable material based on magnesium and hydroxyapatite with a protective multicomponent coating]. Patent RF, no. 2763138, 2021.
- Hmyl' A. A., Kushner L. K., Kuz'mar I. I. et al. [The effect of ultrasound on the properties of functional electroplating]. Priborostroenie. 2016, No. 8, P. 97–99 (In Russ.).
- Qu L., Li M., Liu M. et al. Microstructure and corrosion resistance of ultrasonic micro-arc oxidation biocoatings on magnesium alloy. Northeastern University. 2013, No. 3, P. 227–234. doi: 10.1007/s40145-013-0064-y.
- Yishun Tian, Di Mei, Zhipeng Liu et al. Effects of ultrasonic treatment and current pulse frequency on properties of micro-arc oxidation coating on Mg alloy LAZ931. Corrosion Communications. 2024, No. 102, P. 103–112. doi: 10.1016/j.jma.2013.12.003.
- Gao Y. H., Lv Y., Xie J. M. et al. Delaminated structure of Zn-doped TiO2 coatings induced by ultrasound-auxiliary micro-arc oxidation: the influence of ultrasonic power. Materials Today Communications. 2024, Vol. 41, P. 80–93. doi: 10.1016/j.mtcomm.2024.110814.
- Yulong Hu, Zhiqiao Wang, Jianyang Ai et al. Preparation of Coating on the Titanium Surface by Micro-Arc Oxidation to Improve Corrosion Resistance. Coatings. 2021, No. 11, P. 218–230. doi: 10.3390/coatings11020230.
- Golykh R. N., Khmelev B. N., Shalunov A. V. et al. Ul'trazvuk. Vozdeystvie na sistemy s nesushchey zhidkoy fazoy [Ultrasound. Effects on systems with a carrier liquid phase]. Biysk, Alt. gos. tekhn. un-t Publ., 2018, 235 p.
- Mikheev A. E., Savelyev D. O., Ravodina D. V., Girn A. V. [Application of optically black lightabsorbing coating on aluminum and titanium alloys]. Sibirskii aerokosmicheskii zhurnal, 2022, Vol. 23, No. 2, P. 305–314. doi: 10.31772/2712-8970-2022-23-2-305-314. (In Russ.).
Supplementary files

















