Modeling the activities of medical organizations in the evacuation direction
- Authors: Bolgarev D.V.1, Borisov D.N.1
-
Affiliations:
- S.M. Kirov Military Medical Academy of the Russian Defense Ministry
- Issue: Vol 40, No 1 (2021)
- Pages: 59-64
- Section: Original articles
- URL: https://journals.eco-vector.com/RMMArep/article/view/64484
- DOI: https://doi.org/10.17816/rmmar64484
- ID: 64484
Cite item
Full Text
Abstract
Increasingly, in various spheres of activity, specialists of management bodies use simulation tools to optimize the work of medical organizations of different levels and directions. It should be noted that in the available literature no information was found on the use of the described method for modeling the process of providing medical care simultaneously in several objects of the medical service with a description of their interaction. Simulation modeling makes it possible to assess the load both on individual stages and on the entire evacuation direction before the direct involvement of the forces and means of the medical service. The aim of the study was to create a system for analyzing and visualizing data used to optimize decision-making on the distribution of forces and means of the medical service in the evacuation direction using simulation modeling. We used literature data, schemes for deploying the stages of medical evacuation, timing of treatment and evacuation measures, the power and structure of the flows of the wounded and sick. Simulation modeling was carried out in the Anylogic software. The discrete-event model is built on the basis of the mathematical apparatus and calculation tasks that are used to assess the time indicators of the implementation of medical and evacuation measures. These include such parameters as the start time of medical care, the average waiting time for the provision of medical care to the wounded and sick in the queue, and other parameters. The simulation model makes it possible to display information about the load on individual units or stages, which makes it possible to quickly assess the total load on the direction and make a decision on the transfer of forces and means of the medical service to a more loaded section of the evacuation direction. The introduction of simulation modeling into the activities of the medical service of the Armed Forces of the Russian Federation will make it possible to efficiently control the quality of medical and evacuation measures in the entire evacuation direction (4 figures, 1 table, bibliography: 15 refs).
Full Text
ВВЕДЕНИЕ
При функционировании медицинских организаций создание достоверной и подробной модели с распределением ресурсов и кадров делает возможным заранее подготовиться к предстоящим нагрузкам. И поэтому основной целью моделирования является создание такой модели, результаты работы которой будут максимально приближены к реальным данным, получаемым при проведении практических мероприятий — различных видов медицинских манипуляций, учений и т. д. [1]. После этого, создавая модель потока пациентов различных категорий, целесообразно определить наиболее узкие места в работе военно-медицинских организаций, оптимальную загруженность специалистов и оптимизировать потоки пациентов с учетом сбалансированного распределения сил и средств медицинской службы.
Цель — создание системы анализа и визуализации данных, используемых для оптимизации принятия решения о распределении сил и средств медицинской службы на эвакуационном направлении с использованием имитационного моделирования.
МАТЕРИАЛЫ И МЕТОДЫ
Использовались данные литературы, схемы развертывания этапов медицинской эвакуации, хронометраж лечебно-эвакуационных мероприятий, мощность и структура потоков раненых и больных. Имитационное моделирование осуществлялось в программе Anylogic.
РЕЗУЛЬТАТЫ И ОБСУЖДЕНИЕ
Для формализации потоков раненых, больных и пораженных изучены структура и функциональное предназначение медицинских организаций, что позволило разделить эти потоки как в пределах одного этапа, так и на эвакуационном направлении в целом [2, 3].
Дискретно-событийная модель построена на базе математического аппарата и расчетных задач, которые используются для оценки временных показателей выполнения лечебно-эвакуационных мероприятий [4–6]. К ним относятся время начала оказания медицинской помощи, средняя длительность ожидания оказания помощи раненым и больным, находящимся в очереди, и другие показатели.
Временные параметры в модели задавались в виде треугольного распределения между минимальными, максимальным и наиболее часто встречающимися значениями. Данные были получены в результате анализа справочных материалов и в ходе проведения тактико-специальных учений в учебном центре Военно-медицинской академии.
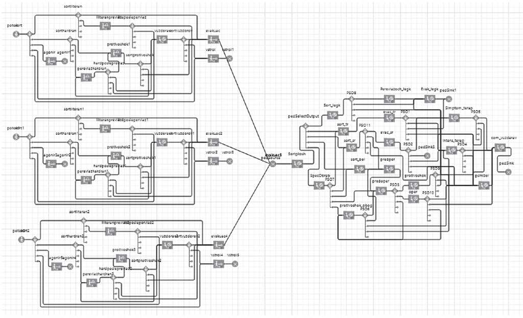
При создании структурно-логической схемы (рис. 1) движения раненых по эвакуационному направлению потребовалось разделение на блоки, представляющие собой отдельные медицинские организации [7–9]. Агентами служили конкретные пациенты или медицинские работники. Для работы модели требуются выход агента из одного блока и его вход в следующий. Каждый агент движется по собственному пути, который может завершаться выходом из конкретного блока или проходом всех этапов медицинской эвакуации и достижением конечной точки последнего блока [3, 10].
Рис. 1. Структурно-логическая схема имитационной модели
Входные потоки пациентов характеризовались мощностью и структурой, которые задавались при моделировании старшим медицинским командиром (начальником) в виде числовых значений (табл. 1).
Таблица 1. Вводные данные
Степень тяжести ранения | Медицинская рота бригады (поток 1) | Медицинская рота бригады (поток 2) | Медицинская рота бригады (поток 3) |
Легкораненые | 40 | 50 | 45 |
Раненые средней степени тяжести | 35 | 40 | 40 |
Тяжелораненые | 20 | 25 | 30 |
Характеристики потоков определялись видом планируемых боевых действий или рассмотрением вариантов их течения, возможностью корректирования вводных данных в ходе выполнения модели для достижения большей сходимости [1, 7]. Представленная модель может принимать различные вводные данные, определяющие интенсивность потоков раненых, а также распределение сил и средств медицинской службы, которые необходимы для обеспечения эффективного и сбалансированного проведения лечебно-диагностических мероприятий на различных этапах эвакуации.
Представленная имитационная модель дает возможность выводить информацию о нагрузке на отдельные этапы эвакуации (рис. 2), что позволяет оперативно оценить общую нагрузку на направление и принять высокоэффективное решение о переброске сил и средств медицинской службы в более нагруженный участок эвакуационного направления [11–13].
Рис. 2. Примеры выводимой статистической информации
Представленные выше диаграммы позволяют оценить статистические данные, получаемые в ходе выполнения модели, путем математического анализа нагрузки на подразделения этапов эвакуации. Полученные данные дают возможность медицинскому специалисту органа управления выбрать такой вариант распределения сил и средств медицинской службы, при котором показатели будут находиться в пределах так называемых «нормальных» значений [3, 13].
Дискретно событийное моделирование позволяет создать алгоритм, связывающий этапы эвакуации, и прогнозировать нагрузку и интенсивность потока через их взаимодействие. Появляется возможность оценить эффективность медицинского транспорта для перемещения раненых в развернутый отдельный медицинский отряд для дальнейшего оказания помощи (рис. 3). При построении маршрутов перемещения транспорта модель может учитывать особенности местности благодаря привязыванию моделируемых объектов к топографическим данным.
Рис. 3. Движение транспорта между этапами на карте местности
Происходит расчет оптимального пути движения от одного этапа к другому с учетом сведений о существующих маршрутах на данной местности и характеристик транспорта, вводимых при старте модели [9, 11].
Программа позволяет создать удобный интерфейс взаимодействия с моделью (рис. 4), на котором в реальном времени ее выполнения есть возможность менять исходные данные и корректировать тем самым работу всего эвакуационного направления, исключая «узкие места» при их выявлении.
Рис. 4. Интерфейс взаимодействия с моделью
Созданный интерфейс одновременно представляет визуальные данные о деятельности этапов эвакуации в режиме реального времени и дает возможность наблюдать порядок взаимодействия между ними. Информация о выбранных параметрах выводится в виде различных графиков и диаграмм. Стоить отметить, что тут же присутствует блок взаимодействия с моделируемой средой, с помощью которого можно изменять вводные данные непосредственно в ходе выполнения модели. Способность менять интенсивность играет важную роль в обеспечении «сходимости» моделируемой среды, так как в реалиях боевых действий нагрузка на этапы эвакуации и оказания помощи не будет равномерной. Начальник медицинской службы может динамически изменять количество транспорта, используемого для перемещения раненых с одного этапа на другой, тем самым определяя оптимальное количество техники для удовлетворения потребностей этапов [12, 14, 15].
Решающую роль в организации работы подразделений эвакуационного направления играют оперативность принятия решений и его эффективность. Используемое программное обеспечение оптимизирует процесс распределения сил и средств медицинской службы для исключения узких мест на этапах медицинской эвакуации.
ЗАКЛЮЧЕНИЕ
Построена динамически изменяемая модель, созданная на базе средств дискретно-событийного моделирования программы AnyLogic, которая позволяет спрогнозировать деятельность плеча эвакуации в условиях динамически изменяемого потока пациентов для повышения качества принимаемых решений путем расчета и прогнозирования вероятных нагрузок на различные этапы эвакуации раненых.
Внедрение имитационного моделирования в деятельность медицинской службы ВС РФ даст возможность оперативно управлять качеством проведения лечебно-эвакуационных мероприятий на всем эвакуационном направлении.
ДОПОЛНИТЕЛЬНАЯ ИНФОРМАЦИЯ
Источник финансирования. Финансирование данной работы не проводилось.
Конфликт интересов. Авторы декларируют отсутствие явных и потенциальных конфликтов интересов, связанных с публикацией настоящей статьи.
Этическая экспертиза. Проведение исследования одобрено локальным этическим комитетом ФГБВОУ ВО «Военно-медицинская академия имени С.М. Кирова» (протокол № 39 от 19 марта 2021 г.).
Вклад авторов. Все авторы внесли существенный вклад в проведение исследования и подготовку статьи, прочли и одобрили финальную версию перед публикацией.
About the authors
Dmitriy V. Bolgarev
S.M. Kirov Military Medical Academy of the Russian Defense Ministry
Author for correspondence.
Email: dima.bolgarev.99@mail.ru
SPIN-code: 6743-8475
cadet
Russian Federation, 6, Akademika Lebedeva str., Saint Peterburg, 194044Dmitriy N. Borisov
S.M. Kirov Military Medical Academy of the Russian Defense Ministry
Email: vmeda@yandex.ru
SPIN-code: 3100-5127
MD, PhD (Medicine), Associate Professor
Russian Federation, 6, Akademika Lebedeva str., Saint Peterburg, 194044References
- Altayev AA, comp. Simulation modeling in the GPSS language. Ulan-Ude: VSGTU Publishing House; 2016. (In Russ.)
- Matorin SI. Simulation modeling using a system-object approach. Moscow: Synergiya Publisher; 2015. (In Russ.)
- Boyev VD. Simulation of systems: textbook manual for applied bachelor’s degree. Moscow: Yurayt Publisher; 2017. (In Russ.)
- Buslenko VN. Automation of simulation modeling of complex systems. Buslenko NP, ed. Moscow: Nauka Publisher; 1977. (In Russ.)
- Bulygina OV, Emelyanov AA, Emelyanova NZ. Imitational modeling in economics and management: Textbook. Moscow: Infra-M Publisher; 2017. (In Russ.)
- Devyatkov VV, Vlasov SA, Devyatkov TV. Universal modeling environment for the development of simulation applications. Information technologies and computing systems. 2009;(2):5–12. (In Russ.)
- Belevitin AB, Shelepov AM, Savchenko IF. Modeling of the organization of medical support. Vestnik Rossiyskoy voyenno-meditsinskoy akadtmii. 2013;(1):172–177. (In Russ.)
- Aliev TI. Fundamentals of modeling discrete systems. Saint Petersburg: Saint Petersburg State University ITMO Publishing House; 2016. (In Russ.)
- Bolgarev DV. Possibilities of application of modeling of processes in the organization of medical and evacuation support. Izvestia of the Russian Military Medical Akademy. 2019;1(S1):56–58. (In Russ.)
- Pavlovsky YN, Belotelov NV, Brodsky YI. Simulation modeling: Textbook for students of higher educational institutions studying in the specialties of the direction of training “Applied Mathematics and Informatics”. Moscow: Akademiya Publisher; 2008. (In Russ.)
- Bakhvalov LA. Computer modeling: A long way to shining peaks. Computerra. 1997;217(40):26–36. (In Russ.)
- Fisun AY, Lemeshkin RN, Borisov DN, et al. Information and analytical support of medical evacuation support with the help of informatization tools of the medical service of the armed forces of the Russian Federation. Prioritetnyye napravleniya razvitiya vserossiyskoy sluzhby meditsiny katastrof v sovremennykh usloviyakh (Priority directions of development of the All-Russian service of disaster medicine in modern conditions). Materials of the All-Russian Scientific and Practical Conference. 2019. P: 72–73. (In Russ.)
- Andreev VV, Vittikh VA, Batishchev SV. Methods and means of creating open multi-agent systems to support decision-making processes. Izvestiya RAS. Theory and control systems. 2013;(1): 126–137. (In Russ.)
- Bolgarev DV, Sivashchenko PP, Volkova YY, Babin YM. Possibilities of simulation modeling of a field medical organization. Izvestia of the Russian Military Medical Akademy. 2020;2(S1):31–32. (In Russ.)
- Kushnirchuk II, Bolgarev DV, Noreyka DV. Modern information technologies as a tool for modeling the organization of mass medical care provision. Kooperatsiya nauki i obshchestva: problemy i perspektivy (Cooperation of science and society: problems and prospects). Collection of articles on the results of the international scientific and practical conference. 2020. Р: 11–13. (In Russ.)
Supplementary files







