Expedition studies of the Baltic sea ecosystem in the 34th and 36th cruises of the research vessel "Academic Nikolay Strakhov"
- Authors: Paka V.Т.1, Shchuka S.А.1, Ezhova Е.Е.1, Polunina J.J.1, Kondrashov А.А.1, Korzh А.О.1, Krechik V.А.1, Chechko А.V.1
-
Affiliations:
- Shirshov Institute of Oceanology, Russian Academy of Science
- Issue: Vol 59, No 4 (2019)
- Pages: 691-694
- Section: Информация
- URL: https://journals.eco-vector.com/0030-1574/article/view/16110
- DOI: https://doi.org/10.31857/S0030-1574594691-694
- ID: 16110
Cite item
Full Text
Abstract
In the 34th and 36th cruises of the r/v Akademik N. Strakhov, performed in the summer and autumn of 2017, the structure of the waters was studied on transects located along the route of inflow of saline North Sea waters into the Baltic Sea. Vertical profiling was performed with intervals between stations no more than 2 miles, in the free-fall mode, from the sea surface to the bottom. Reliable data on a thin structure at all depths, including a thin bottom layer, were obtained. In addition to the sections, new data were obtained on the bottom topography, as well as on the influence of advection of saline aerated waters on the composition, structure and distribution of biological communities in the Baltic Sea.
Full Text
Исследование изменчивости структуры вод Балтийского моря на разрезах, расположенных преимущественно по трассе прохождения затоков соленых североморских вод, в Южной и Центральной Балтике было выполнено в рейсах НИС «Академик Николай Страхов» в период 14.06–8.07.2017 г. (34-й рейс) и 02–21.10.2017 г. (36-й рейс) (рис. 1). Особенностью Балтики является перманентный скачок плотности (пикноклин), формирующийся на границе раздела распресненных и соленых вод, расположенной на глубине около 60 м, который непреодолим для осенне-зимней конвекции, вследствие чего обычный конвективный механизм аэрации глубинных вод не работает [2, 3]. Единственным источником аэрации глубинных вод являются эпизодические большие затоки насыщенных кислородом соленых и плотных вод Северного моря, они же определяют большую изменчивость характеристик экосистемы Балтийского моря [1]. В связи с этим решался комплекс задач: экспериментальное исследование процессов перемешивания вод; получение новых данных о рельефе дна и стратификации донных отложений; выявление особенностей распространения загрязняющих веществ затопленного химического оружия в связи с изменениями циркуляции и структуры вод; оценка влияния адвекции соленых аэрированных вод на состав, структуру и распределение биологических сообществ в Балтийском море. Большое внимание было уделено совершенствованию методов гидрофизических измерений, в т. ч. был построен прототип новой усовершенствованной системы зондирования на ходу судна.
Рис. 1. Схема перемещения судна и расположения разрезов в рейсах НИС «Академик Николай Страхов».
1 — 34-й рейс; 2 — 36-й рейс.
А — станции, выполненные в проливе Скагеррак, Б — разрезы в 34-м рейсе, В — разрезы в 36-м рейсе.
По результатам экспедиций были представлены измерения мезомасштабной структуры моря на трассе затоков североморских вод на протяженных разрезах, проходящих через впадины Южной Балтики и южную часть Восточно-Готландской впадины. Использовался стандартный мультипараметрический зонд Idronaut 316 с датчиками температуры, электропроводности, давления и кислорода, но с целью исключения влияния качки судна на отображение вертикальной стратификации все зондирования выполнялись в режиме свободного падения зонда от поверхности до дна; одновременно, благодаря выдержке зонда на дне, была снижена погрешность измерения концентрации кислорода инертным датчиком в тонком придонном слое — основного показателя развития стагнации во впадинах.
В ходе рейсов выполнены летняя и осенняя съемки структуры вод на разрезах с пространственным разрешением 2 морские мили. Получены данные о состоянии экосистемы после большого затока в декабре 2014 г., в частности о трансформации соленых/плотных вод на различных участках трассы. По нашей оценке, состояние глубинных вод в Борнхольмской и Гданьской впадинах в 2017 г. близко к стагнации. Кроме придонных вод во впадинах, исследованы процессы адвективного переноса соленых вод в промежуточных слоях, в частности в зоне перетока соленых вод через преграду в виде Слупского порога. Переток зависит от взаимного расположения галоклина на подходе к порогу и за порогом. При высоком расположении галоклина перед порогом и низком расположении за порогом соленые воды могут формировать на восточном склоне порога турбулентное гравитационное течение (ГТ). Чтобы обнаружить тонкослойное ГТ в зоне порога, с помощью микроструктурного зонда выполнялись разрезы поперек и вдоль гребня порога с интервалом между точками зондирования около 1 мили. Предпосылки для формирования ГТ имели место только в июле, и микроструктурные разрезы подтвердили положительный прогноз (рис. 2). В октябре таких условий не было, и отрицательный прогноз был также подтвержден.
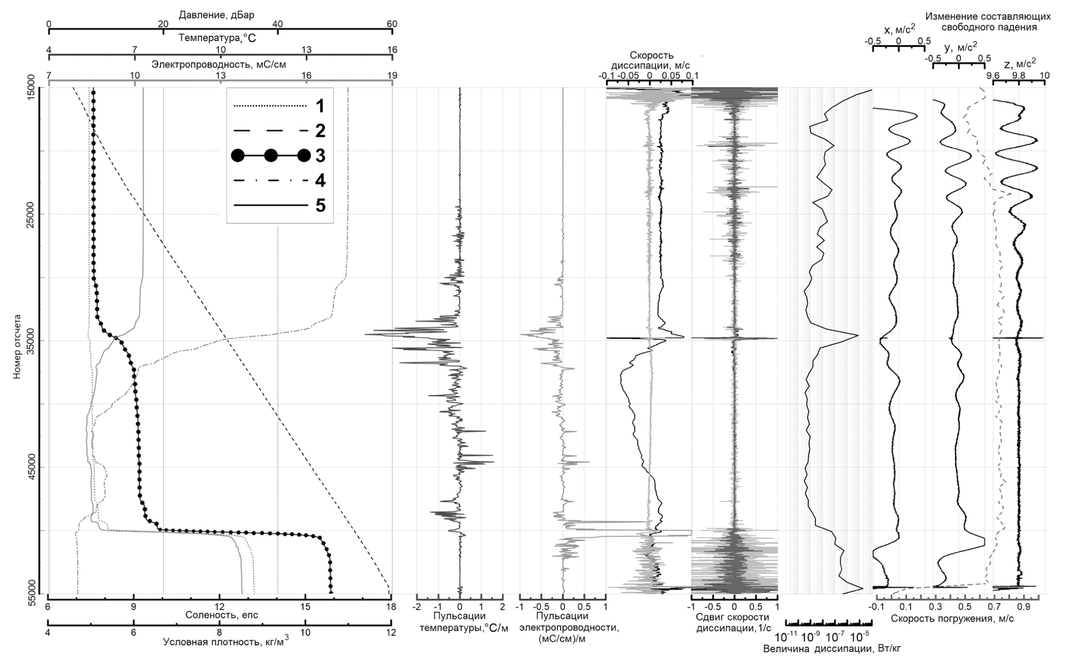
Рис. 2. Пример измерений микроструктурным зондом «Баклан» вертикальной структуры на станции АНС 34-202: соленость S (1), давление P (2), плотность σ (3), температура T (4), электропроводность C (5), dT — пульсации температуры, dC — пульсации электропроводности, Sh2, Sh3 — пульсации сдвига скорости, скорости диссипации ε; Gx. Gy, Gz — составляющие ускорения, Speed — скорости погружения зонда.
Получены сонарные изображения дна и новые данные о рельефе в различных районах Балтики. Подтверждено существование в Борнхольмской впадине района с глубиной 108 м, превышающей указанное в справочной литературе максимальное значение 104 м. Новая точка расположена не в центре впадины, а на южной периферии в координатах 55°00.068’ с. ш., 15°40.882’ в. д.
При помощи геоакустического профилирования изучена стратификация донных отложений. Пополнены массивы данных многолучевой батиметрической съемки, геоакустического профилирования и специальной съемки гидролокатором бокового обзора, как буксируемого, так и размещаемого на автономном аппарате для поиска потенциально опасных затопленных объектов.
Полученные данные о состоянии циркуляции и структуры вод будут сопоставлены с результатами предыдущих этапов специального мониторинга районов затопления химического оружия в Борнхольмском бассейне [4] и использованы для верификации моделей распространения загрязняющих примесей [7].
Собран материал для оценки состояния сообществ планктона и бентоса под влиянием адвекции соленых аэрированных вод; для анализа содержания цианотоксинов, связанных с цветениями фитопланктона и биогенных элементов в воде.
Анализ данных по состоянию грунтов и макрозообентосу выявил следующее. В Арконской и Готландской котловинах на большинстве глубоководных станций не отмечено присутствия сероводорода, а в Гданьском бассейне отмечены некоторые признаки стагнации, в т. ч. анаэробный режим, несмотря на то, что после последнего большого затока в декабре 2014 г. прошло сравнительно мало времени, и в ноябре 2015 г., январе-феврале 2016 г. были зарегистрированы умеренные затоки [5]. В макробентосе Арконского бассейна состав массовых видов на глубинах более 35 м полностью идентичен выявленному в 2001–2006 гг. [6], за исключением моллюска Arctica islandica — охраняемого вида, находящегося под угрозой исчезновения. Неуклонное падение биомассы A. islandica наблюдалось с 2001 г. [6], и воздействие большого и умеренных затоков 2014–2016 гг., очевидно, не позволило популяции восстановиться. В Борнхольмском бассейне летом 2017 г. найден достаточно разнообразный бентос, в отличие от 2001–2006 гг., когда он полностью отсутствовал или был представлен 1–2 видами. Напротив, в Гданьском бассейне летом 2017 г. макрофауна отсутствовала глубже 87 м, где в 2016 г. была отмечена, что означает — умеренные затоки не достигли дна Гданьской впадины.
Таким образом, в ходе экспедиции получены разнообразные материалы, позволяющие комплексно оценить состояние Южной и Центральной Балтики по гидрофизическим, геологическим и биологическим показателям.
Источник финансирования. Экспедиция проведена в рамках Госзаданий № 149-2014-0016, № 149-2014-0007, № 149-2016-0003, № 149-2016-0005, № 0149-2018-0012 и при финансовой поддержке внебюджетных средств АО ИО РАН.
About the authors
V. Т. Paka
Shirshov Institute of Oceanology, Russian Academy of Science
Author for correspondence.
Email: vpaka@mail.ru
Russian Federation, Moscow
S. А. Shchuka
Shirshov Institute of Oceanology, Russian Academy of Science
Email: vpaka@mail.ru
Russian Federation, Moscow
Е. Е. Ezhova
Shirshov Institute of Oceanology, Russian Academy of Science
Email: vpaka@mail.ru
Russian Federation, Moscow
Ju. Ju. Polunina
Shirshov Institute of Oceanology, Russian Academy of Science
Email: vpaka@mail.ru
Russian Federation, Moscow
А. А. Kondrashov
Shirshov Institute of Oceanology, Russian Academy of Science
Email: vpaka@mail.ru
Russian Federation, Moscow
А. О. Korzh
Shirshov Institute of Oceanology, Russian Academy of Science
Email: vpaka@mail.ru
Russian Federation, Moscow
V. А. Krechik
Shirshov Institute of Oceanology, Russian Academy of Science
Email: vpaka@mail.ru
Russian Federation, Moscow
А. V. Chechko
Shirshov Institute of Oceanology, Russian Academy of Science
Email: vpaka@mail.ru
Russian Federation, Moscow
References
- Matthäus W. The history of investigation of salt water inflows into the Baltic Sea — from the early beginning to recent results // Meereswiss. Ber. Warnemünde. 2006. №. 65. P. 1-73.
- Mayer M. et al. Ventilation of the Baltic Sea deep water: A brief review of present knowledge from observations and models // Oceanologia. 2006. № 48 (S). P. 133-164.
- Reissmann J. H. et al. Vertical mixing in the Baltic Sea and consequences for eutrophication — A review // Progress in Oceanography. 2009. V. 82. P. 47-80.
- Пака В. Т. Основные результаты международных проектов, связанных с исследованием проблемы затопленного на Балтике химического оружия // Ученые записки РГГМУ. 2017. Вып. 49. С. 145-151.
- Data of the automated measuring stations (MARNET). [Электронный ресурс] URL: https://www.io-warne muende.de/marnet-arkona-sea.html [дата обращения: 02.04.2018].
- Zettler M., Röhner M., Frankowski J. Long term changes of macrozoobenthos in the Arkona Basin (Baltic Sea) // Boreal Env. Res. 2006. V. 11. P. 247-260.
- Zhurbas, М. et al. Variability of bottom friction velocity along the inflow water pathway in the Baltic Sea // J. of Marine Systems. 2018. V. 184. P. 50-58.
Supplementary files




