Calculation of the required minimum of a motor oil level on cylinder-piston group moving surfaces of the automotive diesel
- Authors: Putintsev S.V.1, Anikin S.A.2, Demenkova S.P.1, Strelnikova S.S.3
-
Affiliations:
- Bauman Moscow State Technical University
- Military Academy of Space Defense n.a. G.K. Zhukov
- Mechanical Engineering Research Institute
- Issue: Vol 89, No 1 (2022)
- Pages: 53-65
- Section: Quality, reliability
- Submitted: 02.02.2022
- Accepted: 23.02.2022
- Published: 08.07.2022
- URL: https://journals.eco-vector.com/0321-4443/article/view/100063
- DOI: https://doi.org/10.17816/0321-4443-100063
- ID: 100063
Cite item
Full Text
Abstract
BACKGROUND: Theme of this article is actual because issues of the reliable and cost-effective opera-tion of augmented automotive piston engines are still not solved. An important aspect of solving the problem is rational oil supply of the cylinder-piston group.
AIMS: The purpose of this work is the required minimum motor oil level estimation for the hydrodynamic lubrication of the “cylinder-piston skirt” pair. There were set and solved the tasks of determining the volume of motor oil capable of filling: 1) cavities of the flat-topped surface of the cylinder; 2) a raised surface of the piston skirt and 3) the piston skirt clearance. The object of study is an automotive diesel.
METHODS: Three types of analytical determination of the total volume of the cavities of the rough surface and the piston skirt clearance were used as methods for estimation of a motor oil level.
RESULTS: It was found, that the estimation with the well known formula for oil volume (a method 1) gives the overevaluated result of oil level estimation, in comparison with methods 2 and 3, which taking into account the real geometry of cavities and roughness parameters. The advantage of method 3 was determened by criteria of generalization and of simplicity to apply. Using the method 3, the estimated volume of motor oil ensured the hydrodynamic lubrication mode of the “cylinder – piston skirt” pair of the object of study was obtained.
CONCLUSION: The analytical expressions obtained by method 3 can be recommended to optimize the piston engine lubrication systems for reducing the friction and wear losses as well as to minimize a risk of oil starvation and increased oil consumption through burning.
Full Text
ВВЕДЕНИЕ
Цилиндропоршневая группа (ЦПГ) быстроходных двигателей внутреннего сгорания (ДВС) является, как известно, доминирующим узлом формирования потерь располагаемой энергии на трение, конструкционных материалов – на изнашивание, а моторного масла – на угар [1−3 и др.]. В связи с той важной ролью, которую играет ЦПГ в обеспечении энергоэкономичности и надежности работы ДВС, создание рациональных условий маслоснабжения трущихся сопряжений этой группы является актуальной задачей проектирования современных силовых установок [4]. Под рациональными условиями маслоснабжения здесь следует понимать адресную, минимально достаточную по количеству и бесперебойную по характеру подачу смазочного материала к трущимся парам. Из числа основных трущихся сопряжений ЦПГ создание условий благоприятного гидродинамического режима смазки более всего необходимо для пары юбка поршня – цилиндр [5].
Если принять во внимание только аспект маслоснабжения как необходимого условия создания и поддержания гидродинамического режима смазки рассматриваемого сопряжения, то в понятие (или точнее – техническое требование) первого должно войти обеспечение минимально необходимого количества подаваемого тем или иным путем смазочного материала. В качестве минимально необходимого количества логичнее всего принять объем масла, достаточный для заполнения минимального зазора сопряжения, причем с учетом не только макро-, но и микротопографии трущихся поверхностей, а также активной зоны смазывания, в которой осуществляется формирование гидродинамической реакции в ответ на действие боковой силы поршня. Выполнением этого условия гарантируется отсутствие масляного голодания и проявление связанных с ним рисков натира и задира сопряженных деталей. Применение термина «минимально необходимое» обусловлено тем, что превышение этого количества масла именно в сопряжении цилиндр – юбка поршня нежелательно, поскольку, не участвуя в создании гидродинамической несущей способности, излишки смазочного материала неизбежно становятся объектами инерционного заброса (или насосного действия поршневых колец) в зону огневого пояса поршня, т. е. – необратимых потерь моторного масла, характеризуемых высоким расходом масла на угар.
Прогнозная оценка минимально необходимого количества моторного масла, подаваемого в зоны трения ЦПГ, важна для решения задач рационального проектирования, в частности, профилирования поршней, назначения финишной топографии (а значит, и технологии металлообработки) трущихся поверхностей цилиндров, выбора схем и оптимизации конструкции элементов струйного маслоснабжения деталей указанной выше группы, определения и уточнения производительности масляного насоса. Таким образом, получение научно обоснованной информации о минимально необходимом количестве смазочного материала в трущихся сопряжениях должно рассматриваться как важное звено рационального проектирования ресурсо- и энергосберегающих конструкций не только ДВС, но и любых современных силовых установок с системами смазки трущихся деталей.
ЦЕЛЬ, ЗАДАЧИ И ОБЪЕКТ ИССЛЕДОВАНИЯ
Цель данной работы состояла в расчетной оценке минимально необходимого объема жидкого смазочного материала для заполнения зазора сопряжения цилиндр – юбка поршня с учетом типичной микро- и макротопографии смазываемых поверхностей этих деталей.
Для достижения цели в работе были поставлены следующие задачи.
- Определение объема моторного масла, способного заполнить впадины шероховатой внутренней поверхности цилиндра, формируемой после финишной технологии плосковершинного хонингования (ПВХ).
- То же самое для поверхности юбки поршня, имеющей регулярный микрорельеф, полученный в результате чистовой токарной обработки.
- То же самое для минимального радиального зазора сопряжения цилиндр – юбка поршня в пределах зоны передачи юбкой поршня боковой силы цилиндру через заполняющее этот зазор масло.
Решение поставленных задач базировали на принятии ряда допущений:
- топография шероховатой поверхности цилиндра представлялась как многократное повторение линеаризованного единичного фрагмента профилограммы;
- рассматриваемые детали ЦПГ (цилиндр и поршень) считали осесимметричными телами вращения;
- силы поверхностного натяжения масла не учитывались;
- принимали, что масло при нахождении на шероховатой поверхности обладает абсолютной адгезией к последней;
- образующие поверхностей рассматриваемых деталей имеют заданную рабочим чертежом геометрию, т. е. свободны от любого вида деформаций;
- угловой перекос центральных осей цилиндра и поршня отсутствует;
- задачи решаются в изотермической и квазистатической постановках;
- форма шероховатости и номинальные площади тел вращения при переходе к их развертке остаются неизменными.
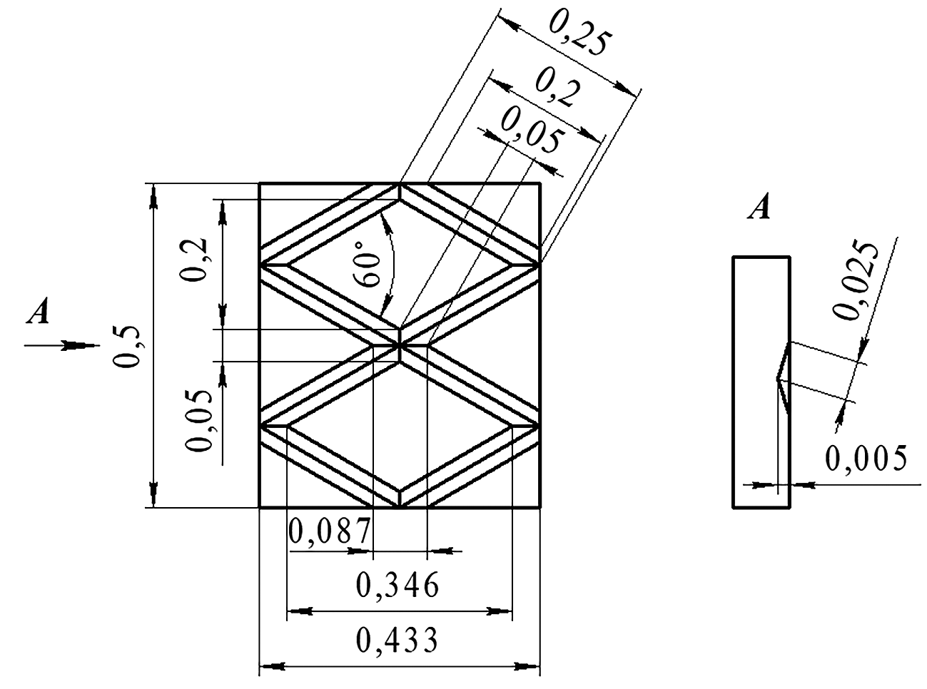
Перед выполнением расчетов объемов масла реальные профилограммы трущейся поверхности цилиндров и чертежная информация по микрорельефу юбок поршней обработаны согласно методике исследования [6], после чего представлены линейно аппроксимированными фрагментами топографии в едином масштабе увеличения изображений по вертикальной (высотной) и горизонтальной (шаговой) осям (рис. 1).
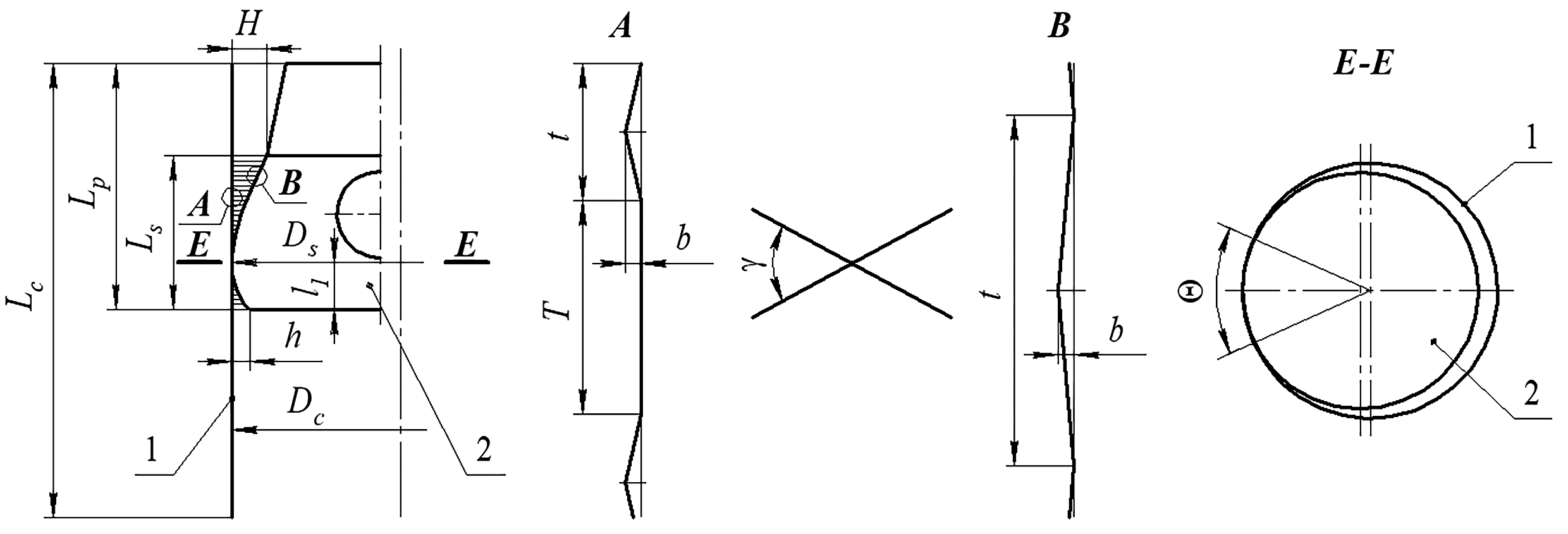
Рис. 1. Иллюстрация основных размеров деталей ЦПГ (а), участвующих в расчетах и учитывающих ПВХ-шероховатость цилиндра (b), регулярный микрорельеф юбки поршня (c), а также протяженность дуги окружности цилиндра, воспринимающей действие боковой силы поршня (d): 1 – цилиндр; 2 – поршень. / Fig. 1. Illustration of the main dimensions of the CPG parts (а) involved in the calculations and taking into account the roughness of the cylinder (b), the regular microrelief of the piston skirt (c), as well as the length of the arc of the cylinder circumference perceiving the action of the lateral force of the piston (d): 1 – cylinder; 2 – piston.
Показанные на рис. 1 значения высотно-шаговых параметров фрагментов шероховатых поверхностей цилиндра и юбки поршня относились к основному объекту исследования (далее по тексту дизель–прототип): быстроходному универсальному дизелю 1Ч 8,5/8,0 (ТМЗ-450Д), необходимые для расчетов параметры деталей ЦПГ которого представлены в таблице 1.
Таблица 1. Входные данные к расчетам / Table 1. Input data for calculations
№ | Наименование | Условное обозначение | Размерность | Значение |
1 | Внутренний диаметр цилиндра | Dc | мм | 85+0,03 |
2 | Длина (осевая) цилиндра | Lc | мм | 153 |
3 | Максимальный диаметр юбки поршня | Ds | мм | 85-0,06 |
4 | Длина (осевая) поршня | Lр | мм | 80 |
5 | Длина (осевая) юбки поршня | Ls | мм | 52 |
6 | Максимальная высота профиля юбки в нагретом состоянии | Н | мкм | 60 |
7 | Минимальная высота профиля юбки в нагретом состоянии | h | мкм | 15 |
8 | Расстояние от нижней кромки юбки поршня до точки максимальной выпуклости ее бочкообразного профиля в нагретом состоянии в плоскости качания шатуна | l1 | мм | 12 |
9 | Шероховатость внутренней поверхности цилиндра | Rz | мкм | 2 |
10 | Ширина впадины (канавки) единичного фрагмента: – ПВХ-шероховатой поверхности цилиндра, – микрорельефа юбки поршня | t | мкм | 50 300 |
11 | Ширина плоского участка (плато) единичного фрагмента ПВХ-шероховатой поверхности цилиндра | Т | мкм | 100 |
12 | Глубина впадины (канавки) единичного фрагмента: – ПВХ-шероховатой поверхности цилиндра, – микрорельефа юбки поршня | b | мкм | 5 13 |
13 | Угол скрещивания винтовых линий (канавок) – следов ПВХ на внутренней поверхности цилиндра | g | град. | 60 |
14 | Доля длины плоского участка Т в общей длине Т+ t единичного фрагмента ПВХ-шероховатости | % | 67 | |
15 | Угловая протяженность дуги окружности цилиндра, воспринимающей действие боковой силы поршня в плоскости качания шатуна | Θ | град. | 90 |
МЕТОДЫ РЕШЕНИЯ
В работе использовались три альтернативных метода или подхода к расчету объемов масла, заполняющего впадины шероховатых поверхностей трения деталей:
1) Применение известной формулы маслоемкости шероховатой поверхности, в которую (формулу) искомый объем масла входит составной частью по определению:
, (1)
где М – маслоемкость поверхности (итоговая размерность этой величины м); V – объем масла, заполняющий впадины шероховатой поверхности при заданном уровне (глубине впадины) профиля p; A – номинальная площадь шероховатой поверхности.
2) Пошаговый расчет общего объема линеаризованных канавок, представленных 3D-моделями шероховатой поверхности.
3) Получение и использование общих аналитических выражений, описывающих суммарный объем линейно аппроксимированных канавок единичного фрагмента шероховатого микрорельефа поверхности.
Применение трех различных подходов к решению одной и той же задачи имело целью повышение достоверности результатов расчета, а также оценку расхождения результатов расчета одних и тех же величин разными методами.
Примечание:
1) принадлежность результата расчета объемов масла к методам 1…3 отмечена соответствующим верхним индексом в круглых скобках при условном обозначении объема V;
2) принадлежность результата расчета объемов масла к цилиндру или к юбке поршня обозначена нижними индексами с или s, соответственно.
РЕЗУЛЬТАТЫ И ИХ ОБСУЖДЕНИЕ
1. Расчет объемов масла, заполняющего впадины шероховатой внутренней поверхности цилиндра, на основе применения формулы маслоемкости
Выражая из формулы (1) величину объема масла, заполняющего впадины шероховатой поверхности цилиндра, и раскрывая согласно работе [7] маслоемкость как произведение шероховатости профиля на долю заполняемости маслом впадин профиля, получаем формулу для расчета объема масла во впадинах шероховатости:
, (2)
где tp – процентное выражение относительной опорной длины профиля на глубине p.
При условии совершенного заполнения маслом впадин шероховатости, т. е. при tp=0%, расчет по формуле (2) дает оценку максимального объема, который при этом можно расценивать как минимально необходимый для устранения масляного голодания в смазываемом сопряжении цилиндра с юбкой поршня, но недостаточный для организации гидродинамического режима смазки в этом сопряжении.
В исследовании [8] предложена формула для оценки маслоемкости ПВХ-шероховатой поверхности цилиндра (обозначения величин изменены согласно принятым в данной статье – таблица 1):
,
подстановка которой в формулу (1) приводит к выражению для расчета объема масла во впадинах указанной поверхности:
. (3)
И, наконец, оценить значение искомого объема масла на стенке ПВХ-шероховатого цилиндра можно на основе формулы для расчета маслоемкости согласно международному стандарту ИСО 13565-2:1998 [9]:
, (4)
в которой значения параметров Rvk (шероховатость на участке впадин) и Mr2 (процентная доля материальной составляющей впадин) определяются из кривой опорной поверхности (кривой Аббота) шероховатой детали.
После очевидных преобразований с учетом выражения (4) формула для определения объема масла в применении к развертке ПВХ-шероховатого цилиндра приобретает вид
. (5)
Используя кривую Аббота, представленную как результат обработки профилограмм цилиндров дизеля-прототипа в исследовании [10], находим значения параметров Rvk и Mr2 равными, соответственно, 6 мкм и 20%.
Выполненные при прочих равных условиях (с использованием входных данных в таблице 1 сравнительные расчеты объемов масла, способного заполнить впадины ПВХ-шероховатого цилиндра дизеля-прототипа, показали существенное (до 2,3 раза) расхождение результатов, полученных по формулам (2), (3) и (5).
Объяснение этого расхождения состоит в том, что расчетное определение объемов масла во впадинах шероховатой поверхности цилиндра, базирующееся на определении маслоемкости, т. е. по формуле (1), не учитывает доминирующий рисунок (pattern) следов микрорезания на поверхности ПВХ-шероховатого цилиндра, его высотно-шаговые и угловые параметры, способные оказывать решающее влияние на объем масла, задерживаемый впадинами микрорельефа смазываемой поверхности.
С учетом высокого разброса результатов оценки объемов масла во впадинах шероховатости цилиндра по методу 1, в дальнейшем при сопоставлении методов 1…3 для расчетной оценки объема масла, заполняющего впадины ПВХ-шероховатого цилиндра, в отношении метода 1 будут использоваться результаты, полученные с помощью формулы (3), которая специально ориентирована на применение к ПВХ-топографии.
В отличие от метода 1 два представленных ниже подхода к расчету общего объема масла, заполняющего впадины ПВХ-шероховатой поверхности цилиндра, базируются на учете характерной топографии следов финишной металлообработки и предусматривают рассмотрение большего, нежели описанный выше подход, числа показателей шероховатости.
2. Расчет максимального объема масла во впадинах шероховатой внутренней поверхности цилиндра, представленной 3D-моделями линеаризованных канавок
При использовании этого метода предполагается выполнение двух последовательных шагов вычислений:
1) определение суммарного объема масла, заполняющего впадины (линеаризованные канавки с треугольной формой поперечного сечения) шероховатой поверхности на площади развертки цилиндра, которую занимает единичный повторяющийся фрагмент той или иной топографии этой поверхности;
2) подсчет итогового объема канавок на всей поверхности цилиндра как произведения суммарного объема канавок фрагмента на количество этих фрагментов. Поскольку в рамках этого метода предполагается совершенное заполнение канавок маслом, постольку все значения получаемых объемов соответствуют максимальному количеству смазочного материала во впадинах шероховатой поверхности.
Построение расчетной модели основывали на анализе графической и численной информации, полученной в результате обработки профилограмм (рис. 1 и таблица 1).
Из рис. 2, где представлены отображения двух смежных фрагментов ПВХ-шероховатости, можно видеть, что каждый фрагмент включает три характерных участка:
1) плоскость (или плато) в форме ромба;
2) пересечение двух канавок (далее по тексту – «узел»);
3) «чистая» канавка, заключенная между узлами (далее по тексту – «межузловая канавка»).
Рис. 2. 3D-модель ПВХ-шероховатости на развертке внутренней поверхности цилиндра (а) с участками «узел» (b) и «межузловая канавка» (c): X, Y, Z – координаты в направлении, соответственно, развертки, центральной оси и глубины стенки цилиндра. / Fig. 2. 3D model of roughness on the sweep of the inner surface of the cylinder (a) with the sections «node» (b) and «interstitial groove» (c): X, Y, Z – coordinates in the direction of the sweep, the central axis and the depth of the cylinder wall, respectively.
В рассматриваемом случае для определения объема масла, заполняющего впадины единичного фрагмента шероховатой поверхности, необходимо найти и просуммировать объемы четырех межузловых канавок и двух узлов.
Для получения численных значений искомых объемов использовали основанную на 3D-модели (рис. 2) и данных для ПВХ-шероховатого цилиндра в таблице 1 расчетную схему, представленную на рис. 3.
Рис. 3. Расчетная схема, на которой (для лучшего представления размеров) показаны два смежных единичных фрагмента ПВХ-шероховатости, для определения объемов масла во впадинах ПВХ-шероховатой внутренней поверхности цилиндра дизеля-прототипа по методу 2 (все линейные размеры здесь и далее на расчетных схемах даны в мм). / Fig. 3. The calculation scheme, which (for a better representation of the dimensions) shows two adjacent single fragments of roughness, for determining the oil volumes in the cavities of the rough inner surface of the prototype diesel cylinder according to the method 2: (all the linear dimensions here and further on the calculation schemes are given in mm).
Для определения объемов участков «узел» и «межузловая канавка» использовались общеизвестные формулы объемов пирамиды (с формой основания ромб) – нижний индекс 1
и треугольной призмы – нижний индекс 2
,
где А, h – площадь основания и высота фигуры, соответственно.
С учетом расчетной схемы на рис. 4 определение максимального объема масла во впадинах единичного фрагмента ПВХ-шероховатости может быть выполнено по формуле:
. (6)
Рис. 4. Расчетная схема для определения объемов масла во впадинах ПВХ-шероховатой внутренней поверхности цилиндра дизеля-прототипа по методу 3. / Fig. 4. Calculation scheme for determining oil volumes in the cavities of the rough inner surface of the cylinder according to the method 3.
Количество единичных фрагментов nф определяется как отношение номинальной площади развертки внутренней поверхности цилиндра Ас к площади единичного фрагмента Аф:
. (7)
Умножение полученного в результате вычислений по формуле (6) значения максимального объема масла в канавках единичного фрагмента на определенное по формуле (7) количество этих фрагментов, размещенных на площади внутренней поверхности цилиндра, дает в итоге искомое значение максимального объема масла, способного заполнить впадины смазываемой трущейся поверхности ПВХ-шероховатого цилиндра:
. (8)
3. Расчет на основе общих аналитических выражений, описывающих суммарный объем масла в линейно аппроксимированных канавках единичного фрагмента шероховатой поверхности цилиндра
В отличие от изложенного в п. 2 данный подход к расчету искомого объема впадин ПВХ-шероховатой поверхности цилиндра основан на общей формуле вида:
, (9)
в которой в качестве единичного фрагмента ПВХ-шероховатости в развертке цилиндра рассматривается ромб (участок плато), окруженный со всех сторон канавкой треугольного поперечного сечения половинной ширины (далее по тексту описываемой термином «полуканавка»), при этом из очевидных геометрических соображений полагается, что в осевом направлении цилиндра сумма лежащих на одной линии снятия профилограммы длин KF и FJ двух соседних участков плато всегда равна диагонали ромба d в указанном направлении (рис. 4), т. е.
,
где Т – половина диагонали ромба, параллельной центральной оси цилиндра, в направлении которой снимается профилограмма шероховатой поверхности (рис. 1,б).
Используя расчетную схему на рис. 4, площадь единичного фрагмента ПВХ-шероховатости определили выражением:
. (10)
Для нахождения аналитической зависимости, описывающей суммарный объем полуканавки, применили дополнительную расчетную схему, которая получена из рис. 4 путем продления сторон внутреннего ромба до пересечения со сторонами ромба внешнего (рис. 5).
Рис. 5. Дополнительная расчетная схема для определения объема полуканавки. / Fig. 5. Additional calculation scheme for determining the volume of the half-groove.
Из рис. 5 видно, что полуканавка на плоскости может быть представлена состоящей из восьми частей: четырех сторон длиной DС и четырех ромбов-узлов с большой диагональю AD.
Объем частей полуканавки по сторонам ромба выражается зависимостью, включающей произведение длины четырех участков на площадь поперечного сечения полуканавки и получившей после преобразований вид:
. (11)
Объем узлов, определяемый как объем четырех пирамид, имеющих основание в форме ромба SBUC (рис. 5) и высоту, равную глубине канавки b, в результате тригонометрических преобразований определился выражением
. (12)
После чего общий объем полуканавки, охватывающей ромбовидный участок – плато единичного фрагмента ПВХ-шероховатости, был описан как сумма объемов длин и узлов, т. е.
(13)
или после подстановки в правую часть (13) правых частей формул (11), (12) и соответствующих преобразований
. (14)
Подставляя правые части формул (10) и (14), а также площади развертки внутренней поверхности цилиндра в числитель и знаменатель формулы (9), получили общее выражение для определения максимального объема масла, заполняющего впадины ПВХ-шероховатого цилиндра
. (15)
4. Анализ и сопоставление результатов расчетного определения объемов масла тремя разными методами
Подставляя в правые части формул (3), (8) и (15) численные значения входных величин, получили значения искомых объемов масла во впадинах ПВХ-шероховатой поверхности цилиндров согласно трем различным методам.
Из анализа результатов, представленных в таблице 2, можно заключить, что:
- расчет максимального объема масла, заполняющего впадины ПВХ-шероховатой поверхности по методу 1 (на основе формулы маслоемкости) дает примерно на 15% завышающий результат по сравнению с аналитическими методами 2 и 3, учитывающими реальную геометрию впадины и большее число высотно-шаговых параметров единичного фрагмента шероховатости;
- расчет объемов масла по методу 2 и методу 3 приводит к весьма близким (относительное расхождение от 0,13 до 2,11% в сторону завышения по методу 2 по сравнению с методом 3) результатам, которые, принимая во внимание уровень и характер расхождения, можно признать идентичными;
- совпадение результатов по методам 2 и 3 указывает на их (методов) достаточную надежность при выполнении оценок объемов масла, заполняющего впадины шероховатых поверхностей цилиндров ДВС;
- практическое применение методов 2 и 3 показало, что последний, обладая бÓльшим обобщением аналитических выражений, позволяет не только выполнять расчеты, но и исследовать поведение функции объема, а также по сравнению с методом 2 не требует для своей реализации сложных расчетных схем и многошаговых вычислительных процедур.
Таблица 2. Сравнение полученных различными методами расчета объемов масла в углублениях шероховатости цилиндра / Table 2. Comparison between oil volumes in the cavities of the cylinder roughness obtained by different calculation methods
Технология финишной обработки цилиндра | Значение объема масла (мм3) на шероховатой поверхности цилиндра, полученное по методу 1…3 | Относительная разница (٪) значений объемов масла в сочетаниях пар сравниваемых методов | ||||
ПВХ | 1 | 2 | 3 | 1-2 | 1-3 | 2-3 |
44,92 | 38,13 | 38,08 | 15,12 | 15,23 | 0,13 | |
С учетом результатов этого анализа при дальнейшем выполнении расчетов использовали аналитический метод 3.
5. Расчет объемов масла, заполняющего зазор сопряжения юбка поршня – цилиндр с учетом профиля юбки и шероховатости поверхностей деталей сопряжения
Исходя из расчетной схемы на рис. 1, полагали, что к объемам впадин поверхности юбки поршня на макро- и микроуровнях (соответственно, для профиля гладкой поверхности юбки и ее микрорельефа) применимо правило аддитивности. В связи с этим при расчете объемов масла, заполняющего зазор указанного сопряжения, использовали, соответственно, два уровня приближения:
1) для гладких поверхностей деталей сопряжения цилиндр – юбка поршня;
2) для ПВХ-шероховатости цилиндра и микрорельефа юбки поршня.
Как следует из рис. 1, расчетную область объема масла, заполняющего зазор сопряжения цилиндр – юбка поршня, с целью получения оценки минимально достаточного объема масла, ограничивали по окружности (или в поперечном сечении сопряжения) дугой, соответствующей зоне передачи боковой силы поршня через несущий слой масла в зазоре, опирающейся на угол Θ=90° [11], т. е. составляющей четверть длины окружности цилиндра.
Численная оценка показала, что пренебрежение кривизной юбки поршня при определении объема масла во впадинах микрорельефа ее поверхности приводит к погрешности 0,3%. Такой незначительный уровень влияния кривизны продольной образующей юбки на объем масла во впадинах ее регулярно рельефной поверхности позволил упростить решение, считая указанные объемы независящими от формы профиля юбки поршня.
5.1. Расчет объема масла в зазоре сопряжения юбка поршня – цилиндр для гладких поверхностей сопряжения
Используя обозначения характерных размеров сопряжения юбка поршня – цилиндр на рис. 6, выразили площадь А заштрихованной криволинейной трапеции под параболой АВС как сумму площадей А1 и А2 , соответственно, под дугами АВ и ВС формулой, являющейся более общим вариантом известной формулы Симпсона (справедлива для случая l1= l2):
. (20)
Рис. 6. Расчетная схема к определению площади и объема масла в зазоре юбка поршня – цилиндр для общего случая произвольного положения поршня в цилиндре: 1 – цилиндр; 2 – юбка поршня. / Fig. 6. Calculation scheme for determining the area and volume of oil in the piston skirt clearance for the general case of an arbitrary position of the piston in the cylinder: 1 − cylinder; 2 – piston skirt.
Для получения формулы, выражающей объем масла в зазоре сопряжения юбка поршня – цилиндр, воспринимающем действие боковой силы поршня, площадь A, определяемую правой частью (20), умножали на четверть длины окружности цилиндра. В результате этих преобразований получили общее выражение вида:
. (21)
При использовании формулы (21) для оценки минимально необходимого объема масла, обеспечивающего не только заполнение зазора в сопряжении, но и существование в нем благоприятного гидродинамического режима смазки и трения, следует задавать минимально достаточное для исключения масляного голодания численное значение параметра z0, который представляет в формуле (21) минимальную толщину масляной пленки между юбкой поршня и цилиндром. В этом случае, исходя из определения понятия гидродинамического режима, целесообразно задавать параметр z0 , представляющий собой минимальный радиальный зазор в сопряжении цилиндр – юбка поршня, соизмеримым максимальной шероховатости поверхности любой из этих сопрягаемых деталей, т. е. считать z0 равным Rz.
5.2. Расчет поправок для объема масла в зазоре цилиндр – юбка поршня, учитывающих реальную топографию сопрягаемых поверхностей и ограничение зоны активного маслоснабжения указанного сопряжения
Поправка, учитывающая дополнительный объем масла во впадинах зазора ПВХ-шероховатой поверхности цилиндра, определяется формулой (15), которая применительно к условиям ограничения расчетной области четвертью окружности цилиндра принимает вид:
. (22)
Для вывода формулы, определяющей объем масла во впадинах регулярного микрорельефа на юбке поршня (рис. 1), применили расчетную схему, представленную на рис. 7, согласно которой (поскольку суммарная площадь поперечного сечения канавок А(y) не зависит от координаты х) справедливо:
. (23)
Рис. 7. Расчетная схема к определению площади и объема впадин (канавок) регулярного микрорельефа на поверхности юбки поршня. / Fig. 7. Calculation scheme for determining the area and volume of cavities (grooves) of regular microrelief on the piston skirt surface.
После умножения правой части выражения (23) на четверть диаметра цилиндра получили формулу для расчета объема масла на микрорельефе юбки поршня в пределах зоны передачи боковой силы
. (24)
5.3. Определение минимально необходимого объема масла в зазоре цилиндр – юбка поршня с учетом топографии поверхностей и ограничения зоны маслоснабжения указанного сопряжения
Итоговый объем масла Vmin, минимально необходимый для организации гидродинамического режима смазки в сопряжении с учетом профиля юбки поршня, топографии поверхностей сопрягаемых деталей и ограничения зоны маслоснабжения четвертью длины окружности цилиндра в зоне передачи боковой силы поршня определили для дизеля-прототипа как сумму объемов V0, Vc и Vs, численное значение которого после подстановки данных из таблицы 1 в формулы (21), (22) и (24) составило:
(25)
Полученное по формуле (25) оценочное значение объема следует рассматривать как минимально допустимое количество масла, подаваемого в нагруженную боковой силой поршня зону трения сопряжения цилиндр – юбка поршня в течение одного хода поршня в цилиндре за счет того или иного способа (способов) маслоснабжения дизеля – объекта исследования, на номинальном режиме его работы.
Исходя из постановки задачи, очевидно, что все приведенные в данной работе численные значения объема масла не учитывают потери смазочного материала на испарение, выгорание и инерционный выброс во время реальной работы ЦПГ ДВС. Согласно имеющимся экспериментальным результатам [12], суммарные невозвратимые потери моторного масла, определяемые показателем относительного расхода масла на угар, значение которого для нормально работающих ДВС не превышает обычно 0,2…0,5% к расходу топлива, могут быть рассмотрены как незначительные по сравнению с количеством подаваемого масла в зону ЦПГ. Однако в случае изучения нарушений работы КШМ или аварийных ситуаций учету потерь смазочного материала следует уделять самое пристальное внимание.
ЗАКЛЮЧЕНИЕ
Количественным сопоставлением результатов анализа установлено, что расчет на основе известной формулы маслоемкости дает примерно на 15% завышающий результат оценки объема масла, заполняющего впадины плосковершинной поверхности цилиндра, по сравнению с аналитическими методами, учитывающими реальную геометрию впадин и большее число высотно-шаговых параметров единичного фрагмента шероховатости. Аналитические выражения минимально необходимого для обеспечения гидродинамического режима работы сопряжения цилиндр – юбка поршня объема моторного масла, полученные в данном исследовании с учетом макро- и микротопографии смазываемых поверхностей деталей, а также зоны передачи боковой силы поршня, подтвердили свою достоверность, поэтому могут быть рекомендованы к использованию для оптимизации систем маслоснабжения ЦПГ ДВС с целью не только снижения потерь на трение и изнашивание, но и минимизации риска появления масляного голодания и повышенного расхода масла на угар.
ДОПОЛНИТЕЛЬНО
Вклад авторов. С.В. Путинцев – постановка цели и задач исследования, поиск публикаций по теме статьи, выполнение расчетов по методу, основанному на понятии маслоемкости, написание и редактирование текста рукописи; С.А. Аникин – составление расчетных схем и выполнение по ним расчетов с применением общих аналитических выражений; С.П. Деменкова – составление расчетных 3D-моделей линеаризованных канавок и выполнение по ним пошаговых расчетов; С.С. Стрельникова – редактирование графической части рукописи статьи, итоговая проверка результатов вычислений объемов масла, подготовка и обеспечение загрузки рукописи статьи на сайт Редакции. Все авторы подтверждают соответствие своего авторства международным критериям ICMJE (все авторы внесли существенный вклад в разработку концепции, проведение исследования и подготовку статьи).
Конфликт интересов. Авторы декларируют отсутствие явных и потенциальных конфликтов интересов, связанных с публикацией настоящей статьи.
Источник финансирования. Авторы заявляют об отсутствии внешнего финансирования при проведении исследования, поскольку для выполнения данной работы указанное финансирование не требовалось.
ADDITIONAL INFORMATION
Author contribution. S.V. Putintsev initiated the research; formulated the goals and problems, analysed the research topic publications, carried out the calculations based on the oil absorption method, wrote and edited the manuscript. S.A. Anikin designed the calculation algorithms and fulfilment the analysis. S.P. Demenkova developed the 3D calculation model for linearized grooves and carried out the step-by-step calculations. S.S. Strelnikova corrected the graphic part of a manuscript, contributed to the final verification of oil volume calculation results, preparation the manuscript for publication. All authors certify that they meet the ICMJE international criteria for authorship.
Competing interests. The authors declare no any transparent and potential conflict of interests in relation to this article publication.
Funding source. Authors state that this reasearch was not supported by any external sources of funding.
About the authors
Sergey V. Putintsev
Bauman Moscow State Technical University
Author for correspondence.
Email: putintsev50@yandex.ru
ORCID iD: 0000-0002-3793-7273
SPIN-code: 3124-0375
Doctor of Engineering Sciences, Professor
Russian Federation, 5, 2-nd Baumanskaya, Moscow, 105005Sergey A. Anikin
Military Academy of Space Defense n.a. G.K. Zhukov
Email: s.a.anikin@mail.ru
candidate of Engineering Sciences, Associate Professor
Russian Federation, TverSofia P. Demenkova
Bauman Moscow State Technical University
Email: at-demenkov0@mail.ru
ORCID iD: 0000-0002-0846-3910
SPIN-code: 6835-5323
Bachelor of Engineering and Technology
Russian Federation, 5, 2-nd Baumanskaya, Moscow, 105005Sofya S. Strelnikova
Mechanical Engineering Research Institute
Email: sofya.s.strelnikova@yandex.ru
ORCID iD: 0000-0003-4787-4605
SPIN-code: 6332-1272
Junior Researcher
Russian Federation, MoscowReferences
- Walch S, Hick H, Edtmayer J, et al. Multimethod concept for continuous wear-analysis of the piston group. SAE Technical Paper. 2018;(2018-01-0839). doi: 10.4271/2018-01-0839
- Tormos B, Martín J, Carreño R, Ramírez L. A general model to evaluate mechanical losses and auxiliary energy consumption in reciprocating internal combustion engines. Tribology International. 2018;123:161–179. doi: 10.1016/j.triboint.2018.03.007
- Wróblewski E, Finke S, Babiak M. Investigation of friction loss in internal combustion engine of experimental microgeometry piston bearing surface. Journal of KONES. 2017;24(2):307–313. doi: 10.5604/01.3001.0010.2951
- Meng Z, Ahling S, Tian T. Study of the Effects of Oil Supply and Piston Skirt Profile on Lubrication Performance in Power Cylinder Systems. SAE Technical Paper. 2019;(2019-01-2364). doi: 10.4271/2019-01-2364
- Li H, Liu H, Jiang S, Chang J. A study on the oil transport in piston skirt-cylinder liner under fully flooded conditions using improved SPH simulations. Engineering Analysis with Boundary Elements. 2019;109:176-186. doi: 10.1016/j.enganabound.2019.09.017
- Putintsev SV, Anikin SA, Ratnikov AS. Analitiko-raschetnoe sopostavlenie gladkoi i sherokhovatoi poverkhnostei treniya tsilindra porshnevogo dvigatelya s pozitsii gidrodinamiki i tribologii. Avtomobil’naya promyshlennost’. 2018;(7):13–17. (In Russ).
- Pashkevich VM, Afanevich VV. Computer modeling and analysis of surface lubricant capacitance. Vestnik Mogilevskogo gosudarstvennogo tekhnicheskogo universiteta. 2006;(1):198–204. (In Russ).
- Kuznetsov VР, Dmitrieva OV. Modelirovanie i issledovanie formirovaniya ploskovershinnogo mikrorel’efa poverkhnostei treniya so smazochnymi mikrokarmanami pri mnogotselevoi obrabotke detalei. Bulletin of Tomsk Polytechnic University. 2011; 319(2):35–40. (In Russ).
- Minakov AP, Yashchuk OV, Sokolov VN, Pavlovich VP. Analiticheskii obzor metodik opredeleniya masloemkosti poverkhnosti zerkala gil’zy dvigatelya vnutrennego sgoraniya. Vestnik mashinostroeniya. 1999;(10):14–16.
- Baranov VL, Dronov EA, Lavrukhin VN, Tret’yakov NV. Finish machining the inner surface of cylinder of explosion engine. Izvestiya Tul’skogo Gosudarstvennogo universiteta. Tekhnicheskie nauki. 2016;(12-2):15–21. (In Russ).
- Putintsev SV, Ageev AG. Rezul’taty modelirovaniya deformatsii yubki porshnya bystrokhodnogo dizelya ot deistviya gidrodinamicheskogo davleniya masla. Dvigatelestroenie. 2015; 261(3):18–21. (In Russ).
- Mitin IV, Nepogod’ev AV. Novyi metod izmereniya ispareniya masla pri ispytaniyakh DVS. Dvigatelestroenie. 1981;(8):45–47. (In Russ).
Supplementary files










