Study of the continuous mode of mixing feed components in a mixing plant
- Authors: Solonshchikov P.N.1
-
Affiliations:
- FGBOU VO Vyatskiy GATU
- Issue: Vol 88, No 4 (2021)
- Pages: 71-76
- Section: Articles
- Submitted: 08.11.2021
- Published: 15.08.2021
- URL: https://journals.eco-vector.com/0321-4443/article/view/87335
- DOI: https://doi.org/10.31992/0321-4443-2021-4-71-76
- ID: 87335
Cite item
Full Text
Abstract
The article discusses the problem of developing means that can increase the efficiency of mechanization of the process of preparing liquid feed in animal husbandry. Design bureaus, research and technological institutes for mechanization and electrification of agriculture have developed new progressive technologies, as well as kits, units, machines and apparatus for animal husbandry and fodder production. On the basis of this technique, complex mechanization of farms is being introduced and livestock complexes with industrial production technology are being created. But recently, the widespread use of domestic machines for the preparation of liquid feed mixtures has not been presented. Therefore, an experimental setup is proposed that combines three functions: a batcher, a pump and a mixer, which ultimately allows to obtain a mixture of good quality.
The article provides a program and research methodology for the installation. For this, a special stand has been developed, which makes it possible to determine the parameters of the mixture quality and the specific consumption of electrical energy. As a search for the optimal combination of factors for the optimization criteria: the degree of homogeneity and the specific consumption of electrical energy, plan 32 was chosen. Experimental studies have shown the range of supply of the installation at different speeds of rotation of the impeller shaft. Mixing studies have confirmed the effectiveness of the design of the plant and its components: dispenser, pump and mixer. With the help of experimental planning methods, the main factors influencing the mixing process are identified, and the optimal parameters of the mixture quality are determined. According to the studies carried out on the continuous introduction of components in an experimental installation for the preparation of liquid feed mixtures, we obtained that the optimal combinations of factors would be the water temperature t = 26...38 °C and the rotation frequency n = 1500...1650 min–1, while the degree of homogeneity reaches Θ = 94,6 % and unit costs of electric energy Eel = 0,198 kWh/t.u. st.un.
Full Text
Введение
В нашей стране развитию животноводства уделяется большое внимание. Большая часть основной продукции животноводства в предстоящие годы будет производиться на существующих фермах в условиях их коллективной аренды, а также в фермерских индивидуальных хозяйствах, что обеспечит интенсивное ведение отрасли.
Конструкторскими бюро, научно-исследовательскими и проектно-технологическими институтами механизации и электрификации сельского хозяйства разработаны новые прогрессивные технологии, а также комплекты, агрегаты, машины и аппараты для животноводства и кормопроизводства. На основе этой техники внедряется комплексная механизация ферм и создаются животноводческие комплексы с индустриальной технологией производства продукции.
Техническая оснащенность хозяйств влияет на производство животноводческой продукции через экономию живого труда при обслуживании животных, улучшение условий их содержания, повышение окупаемости кормов и т.д. Доля затрат овеществленного труда в стоимости валовой продукции животноводства повышается с применением средств механизации [1, 2].
В связи с переходом хозяйств на новые экономические отношения остро встала проблема комплексной механизации, так как экономический эффект на фермах может быть достигнут лишь при становлении их на механизированную основу с применением прогрессивных технологий ведения животноводства. Но при этом, для того чтобы восполнять поголовье животных, необходимо организовать правильное приготовление кормов и кормление молодняка, что в свою очередь позволит выполнить функцию замены взрослых животных.
Цель исследований
Изучение процесса приготовления жидких кормовых смесей на основе заменителя цельного молока с использованием экспериментальной установки при изменении настроечных параметров.
Материалы и методы
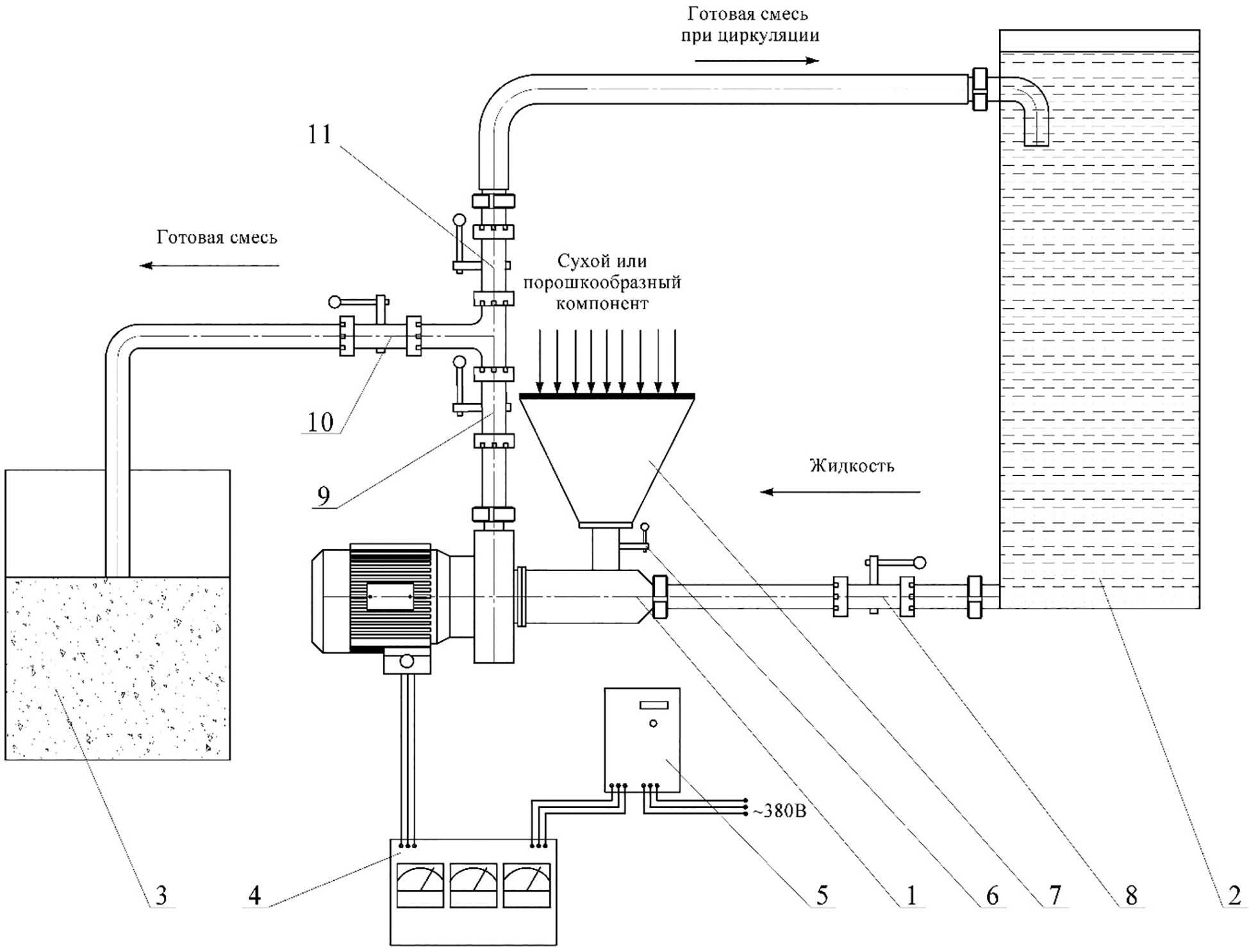
Экспериментальная установка для приготовления жидких кормовых смесей представляет собой многофункциональное техническое средство, способное выполнять 3 функции: дозирование материала (заменитель цельного молока), подачу жидкости (функция нагнетания) и приготовление смеси (функция смесителя) (рис. 1) [3–5].
Рис. 1. Схема экспериментальной установки для приготовления жидких кормовых смесей
Испытание установки проводили на специально созданном стенде (рис. 2), который позволяет отбирать пробы во время испытаний.
Рис. 2. Схема работы установки с открытым контуром: 1 – установка; 2 – бак с водой; 3 – бак с готовой смесью; 4 – мультиметр DMK-20; 5 – частотный преобразователь; 6 – клапан загрузки компонентов; 7 – загрузочная камера; 8, 9, 10, 11 – шаровые краны
По проточной схеме установка работает следующим образом. Перед началом работы кран 11 закрывают, а краны 9, 10 открывают. После запуска электродвигателя открывают кран 6 и засыпают в загрузочную камеру 7 сухие компоненты. Полученная смесь поступает в бак 3 [6].
Качество смеси, полученной при смешивании компонентов, определим с помощью степени однородности, который характеризует завершенность процесса в целом [7]:
(1)
где Фо – нормированная функция Лапласа.
Доля частиц контрольного компонента в смеси находится в заданных пределах ±Δ; при этом 0 < Θ < 1. Предельному случаю полного смешивания соответствует значение Θ = 1. Рецептура соотношения компонентов была принята исходя из зоотехнических требований, соответственно в интервале от 1:8…1:10, то есть на 8 л воды 1 кг заменителя молока, отклонение допустимое Δ = ±20 %. Таким образом, формулу (1) нужно преобразовать с учетом этих допущений так, что в знаменателе будет не число 0,9973, которое близко смешиванию компонентов в соотношении 1:1, а будет интервал от 0,125 до 0,1, что соответствует соотношению 1:8…1:10:
(2)
Для оценки качества работы смесительной установки используем один из показателей, такой как удельные энергозатраты, отнесенные к единице массы готового продукта, определяемый по формуле (кВт·ч/т):
(3)
где Р – мощность, потребляемая установкой, кВт; Qч – часовая производительность установки, м3/ч или т/ч.
Формула (3) является универсальной, но она не учитывает характер качества полученного продукта, поэтому лучше ввести такой показатель, как удельные энергозатраты электрической энергии, учитывающий степень однородности смеси, который определим по формуле (кВт·ч/т.ед.ст.одн.):
(4)
Мощность, расходуемая электродвигателем, который приводит в движение установку, определим по формуле [2, 5]:
(5)
где Uф – фазное напряжение сети, В; Iф – сила тока фазная, учитывая, что соединение «звезда», то Iф = Iл – линейная сила тока, А; сosφ – коэффициент мощности электродвигателя.
Результаты и обсуждение
Результаты исследования установки как насоса позволили получить следующие данные по производительности: при частоте вращения n = 3000 мин–1, производительность Qч = 16 м3/ч, n = 2250 мин–1 – Qч = 12 м3/ч, а при n = 1500 мин–1 – Qч = 8 м3/ч [8, 9].
Для оценки качества смешивания при непрерывном внесении компонентов, выделили 2 фактора, которые будут влиять на критерии оптимизации: степень однородности и удельные энергозатраты электрической энергии Ээл. Для этого составили план эксперимента 32 (табл. 1) [11]. Результаты эксперимента представлены в таблице 2.
Таблица 1
План эксперимента 32
Table 1. Plan of 32 experiment
Название факторов и единицы их измерения | Кодированное обозначение факторов | Уровни факторов | Интервал варьирования | ||
нижний –1 | средний 0 | верхний +1 | |||
Частота вращения рабочего колеса, n, мин–1 | х1 | 1500 | 2250 | 3000 | 500 |
Температура воды, t, °С | х2 | 20 | 30 | 40 | 10 |
Таблица 2
Результаты исследований по определению степени однородности и удельных энергозатрат электрической энергии
Table 2. Research results to determine the degree of homogeneity and specific energy consumption of electrical energy
Уровни варьирования | Факторы | Критерии оптимизации | ||
Частота вращения рабочего колеса, n, мин–1 | Температура воды, t, °С | Степень однородности, Θ, % | Удельные энергозатраты электрической энергии, Ээл, кВт·ч/т.ед.ст.одн. | |
х1 | х2 | у1 | у2 | |
Верхний +1 | 3000 | 40 | – | – |
Основной 0 | 2250 | 30 | – | – |
Нижний –1 | 1500 | 20 | – | – |
1 | –1 | –1 | 92,52 | 0,203 |
2 | 0 | –1 | 86,45 | 0,217 |
3 | +1 | –1 | 85,28 | 0,220 |
4 | –1 | 0 | 94,61 | 0,198 |
5 | 0 | 0 | 93,75 | 0,200 |
6 | +1 | 0 | 90,61 | 0,207 |
7 | –1 | +1 | 95,31 | 0,197 |
8 | 0 | +1 | 89,04 | 0,211 |
9 | +1 | +1 | 95,55 | 0,196 |
По результатам исследования получили следующие уравнения регрессии для степени однородности Θ (у1) и удельных энергозатрат электрической энергии Ээл (у2):
(6)
(7)
С помощью программных приложений Microsoft Office Excel 2007 и Statgraphiсs Plus 5.0, были произведены расчеты оценок коэффициентов регрессии; при этом была оценена их значимость, проверена адекватность полученных моделей, по которым строили двумерные сечения поверхностей откликов. Расчеты, проведенные по определению среднего значения отклика и расчетного значения критерия оптимизации, определяли в среде Microsoft Office Excel 2007. В уравнениях (6) и (7), наибольшее влияние на степень однородности смеси и удельные энергозатраты электрической энергии оказывает температура воды (b2 = 2,6 и b2 = –0,006).
Оценки коэффициентов регрессии считались значимыми с 95%-й доверительной вероятностью при величине P-Value [10, 11], приведенной в таблице дисперсионного анализа, не превышающей 0,05. Анализируя сечение (рис. 3, а), можно сделать вывод, что при температуре воды t = 26…38 °C и частоте вращения n = 1500…1650 мин–1 достигли максимального значения степени однородности Θ = 94,6 %. По двумерному сечению (рис. 3, б) видно, что наименьшие затраты электрической энергии достигаются при сочетании факторов t = 26…38 °C и частоте вращения n = 1500…1650 мин–1 и значение составляет Ээл = 0,198 кВт·ч/т.ед.ст.одн.
Рис. 3. Двумерные сечения поверхности отклика для степени однородности Θ, %, (а) и удельных энергозатрат электрической энергии Ээл, кВт·ч /т.ед.ст.одн., (б) в зависимости от частоты ращения рабочего колеса n, мин–1, и температуры воды t, °С
Полученные результаты показывают, что при увеличении температуры уменьшается начальная вязкость воды, что в дальнейшем способствует качественному смешиванию компонентов. При этом, если подача будет достаточно большой, то качество смеси будет ухудшаться и увеличивается потребление энергии.
Выводы
По проведенным исследованиям по непрерывному внесению компонентов в экспериментальной установке для приготовления жидких кормовых смесей, получили что оптимальными сочетаниями факторов будет температура воды t = 26…38 °C и частота вращения n = 1500…1650 мин–1, при этом степень однородности достигает Θ = 94,6 % и удельные затраты электрической энергии Ээл = 0,198 кВт·ч/т.ед.ст.одн.
About the authors
P. N. Solonshchikov
FGBOU VO Vyatskiy GATU
Author for correspondence.
Email: solon-pavel@yandex.ru
PhD in Engineering
Russian Federation, KirovReferences
- Bulatov S.YU. Razrabotka i sovershenstvovaniye tekhnologicheskikh liniy i tekhnicheskikh sredstv prigotovleniya kormov v usloviyakh malykh form khozyaystvovaniya: dis. … dokt. tekhn. nauk [Development and improvement of technological lines and technical means for the preparation of feed in the conditions of small-scale farming: Dissetration for Degree of DSc in Engineering]. Knyaginino, 2018. 412 p.
- Mokhnatkin V.G., Shulyat’yev V.N., Filinkov A.S. i dr. Overview of devices and installations for the preparation of full milk substitutes and analysis of their effectiveness. Uluchsheniye ekspluatatsionnykh pokazateley sel’skokhozyaystvennoy energetiki. Materialy V Mezhdunarodnoy nauchno-prakticheskoy konferentsii «Nauka – Tekhnologiya – ResursosberezheniYE», posvyashchеnnoy 60-letiyu inzhenernogo fakul’teta: Sbornik nauchnykh trudov [Improving the performance indicators of agricultural energy. Materials of the V International Scientific and Practical Conference “Science – Technology – Resource Saving”, dedicated to the 60th anniversary of the Faculty of Engineering: Collection of scientific papers]. Kirov: FGBOU VPO Vyatskaya GSKHA, 2012. Vyp. 13, pp. 101–105 (in Russ.).
- Patent No 146974 Rossiyskaya Federatsiya, MPK 29C9/00, A01J11/16, V01F7/02. Ustanovka dlya prigotovleniya smesey [Installation for the preparation of mixtures]: No 2014121853/10: zayavl: 29.05.2014: opubl. 20.10.2014 / V.G. Mokhnatkin, V.N. Shulyat’yev, A.S. Filinkov, P.N. Solonshchikov i dr.; zayavitel’ FGBOU VPO Vyatskaya GSKHA. 2 p.
- Mokhnatkin V.G., Filinkov A.S., Solonshchikov P.N. Multipurpose pumps for mixing intensification. Sel’skiy mekhanizator, 2013. No 8, pp. 25.
- Patent na poleznuyu model’ 104022 RF, MPK A23C11/00. Ustroystvo dlya prigotovleniya smesey [Mixing device] / V.G. Mokhnatkin, V.N. Shulyat’yev, A.S. Filinkov, i dr. No 2010152132/10; Zayavleno 20.12.2010. Byul. 2011. No 13.
- Mokhnatkin V.G., Shulyat’yev V.N., Filinkov A.S. i dr. Program and methodology for testing the device for introducing and mixing powder components with liquid. Uluchsheniye ekspluatatsionnykh pokazateley sel’skokhozyaystvennoy energetiki. Materialy V Mezhdunarodnoy nauchno-prakticheskoy konferentsii «Nauka – Tekhnologiya – ResursosberezheniYE», posvyashchеnnoy 60-letiyu inzhenernogo fakul’teta: Sbornik nauchnykh trudov [Improving the performance indicators of agricultural energy. Materials of the V International Scientific and Practical Conference “Science – Technology – Resource Saving”, dedicated to the 60th anniversary of the Faculty of Engineering: Collection of scientific papers]. Kirov: FGBOU VPO Vyatskaya GSKHA, 2012. Vyp. 13, pp. 96–100 (in Russ.).
- Aleshkin V.R. Statistical assessment of the quality of mixing feed. Sb. nauch. tr. Perm. s.-kh. in-t. Perm’, 1983, pp. 3−9 (in Russ.).
- Filinkov A.S., Solonshchikov P.N., Oblasov A.N. i dr. A device for mixing components with a liquid for the preparation of culture media. Vestnik Saratovskogo gosagrouniversiteta im. N.I. Vavilova. 2013. No 9, pp. 50−53 (in Russ.).
- Obolenskiy N.V., Bulatov S.YU., Svistunov A.I. Investigation of the process of mixing feed components. Vestnik nauchnykh konferentsiy. 2015. No 1–1 (1), pp. 111−117 (in Russ.).
- Andreyev V.L. Ispol’zovaniye statisticheskogo paketa Statgraphics Plus 5.1 dlya obrabotki rezul’tatov eksperimental’nykh issledovaniy [Using the statistical package Statgraphics Plus 5.1 for processing the results of experimental studies]: Metodicheskoye posobiye. Kirov: FGBOU VPO Vyatskaya GSKHA Publ., 2012. 32 p.
- Aleshkin V.R., Filinkov A.S. Osnovy nauchnykh issledovaniy: tetrad’ dlya laboratornykh rabot [Fundamentals of research: workbook for laborotary works]. Izd. 3-e pererabot. i dop. Kirov: Vyatskaya GSKHA Publ., 2010. 45 p.
Supplementary files






