Features of operation of ultra-small sewage water treatment plants of northern design with membrane technology
- Authors: Morozov S.A.1, Serpokrilov N.S.1
-
Affiliations:
- Don State Technical University
- Issue: Vol 12, No 2 (2022)
- Pages: 14-22
- Section: WATER SUPPLY, SEWERAGE, CONSTRUCTION SYSTEMS FOR PROTECTION OF WATER RESOURCES
- URL: https://journals.eco-vector.com/2542-0151/article/view/108744
- DOI: https://doi.org/10.17673/10.17673/Vestnik.2022.02.03
- ID: 108744
Cite item
Full Text
Abstract
The conditions of operation of ultra–small sewage treatment plants SWTP - 30 with membrane technology located at a warehouse production facility in the Arctic of Russia with coordinates 67.4973, 86.3261 are considered. The parameters of the SWTP operation are explained after the modernization to supplement the cleaning scheme with a secondary clarifier.
Full Text
За последние годы заметно увеличился спрос на очистные сооружения хозяйственно-бытовых сточных вод блочно-модульного исполнения, предназначенные для северных вахтовых поселков и производственных объектов с малой и сверхмалой производительностью. Потребность в сооружениях данного вида вызвана высокими требованиями природоохранных нормативов со стороны надзорно-контролирующих органов.
В современной литературе рассматриваются условия работы, а также специфика эксплуатации малых и сверхмалых канализационных очистных сооружений [1–4].
Хозяйственно-бытовые сточные воды от потребителей через систему самотечной канализации поступают на КНС, далее по напорному трубопроводу на канализационные очистные сооружения КОС-30 (табл. 1). Сооружения введены в работу в 2009 г.
КОС-30, имеющие блочно-модульную конструкцию северного исполнения, состоят из двух рядом составленных контейнеров высотой 2,9 м, длиной 12 м и шириной 2,4 м. В первом контейнере размещается блок предочистки, приемная емкость и резервуар-усреднитель, во втором – биореактор и основное водоочистное оборудование. Контейнеры оборудованы системами инженерного обеспечения – отопление, вентиляция, электрооборудование и автоматизация.
Для обеспечения нормативных требований к очищенной сточной воде в состав КОС-30 включены следующие блоки:
– блок предварительной механической очистки;
– блок усреднения расхода;
– блок биореактора;
– блок ультрафильтрационных мембран;
– блок дозирования реагентов химической промывки;
– блок обеззараживания очищенной воды;
– блок обезвоживания отработанного ила.
В основу КОС заложена современная технология биологической очистки хозяйственно-бытовых сточных вод с применением напорных мембранных ультрафильтрационных аппаратов.
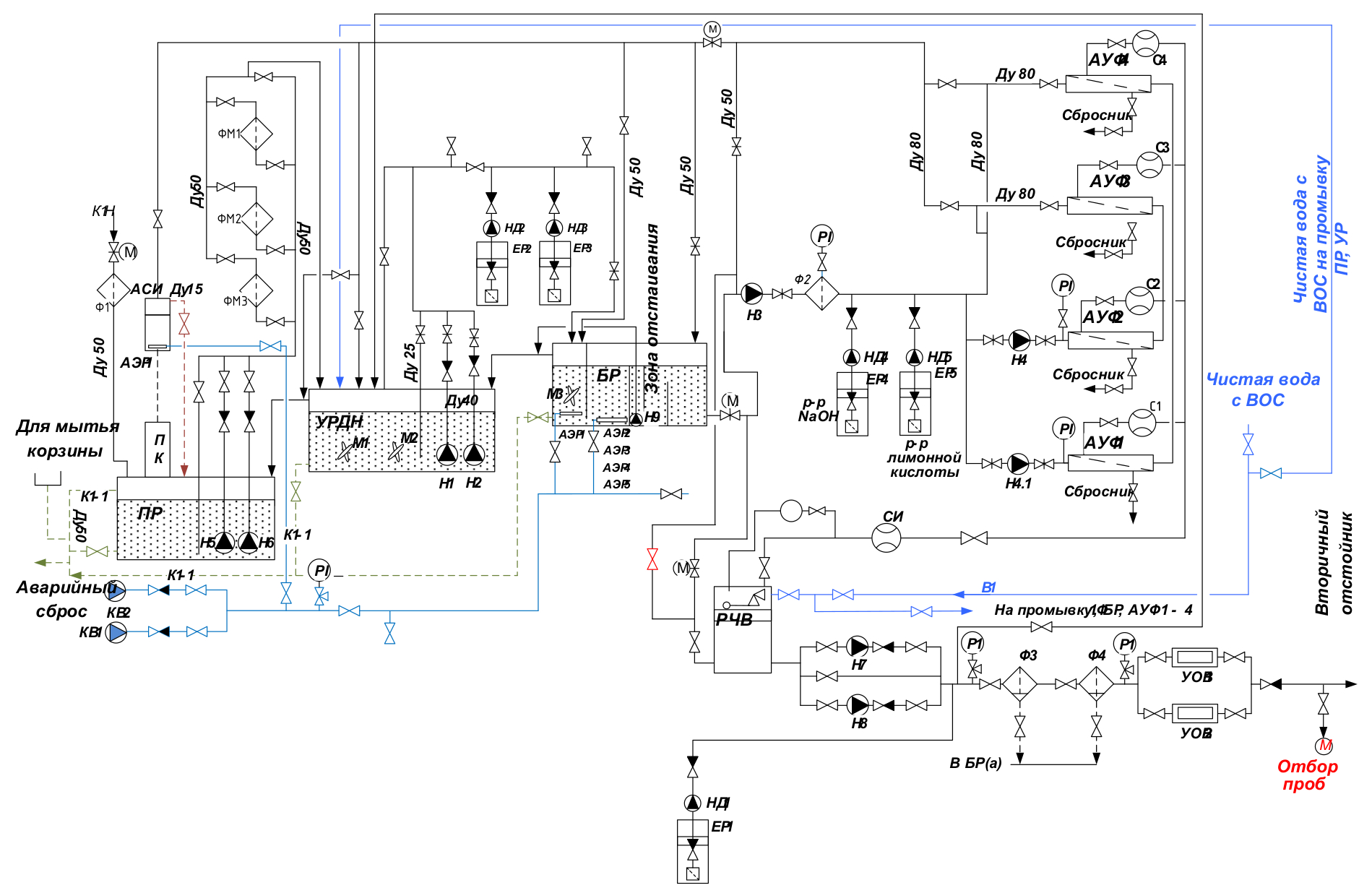
Поступающие на канализационные очистные сооружения исходные сточные воды проходят предварительную механическую очистку на щеточном фильтре, предназначенном для фильтрования поступающих сточных вод перед их подачей в систему биореактора (БР). Сточные воды, очищенные от механических включений крупнее 1 мм, самотеком поступают в приемный резервуар (ПР), откуда насосами перекачиваются в резервуар-усреднитель (УР), который также выполняет функцию денитрификатора, так как в него перекачивается ил из вторичного отстойника и концентрат со взвешенными веществами от аппаратов ультрафильтрационных (АУФ). Рабочий объем УР составляет 10 м3. Из УР насосами Н1, Н2 поступившие сточные воды, смешавшись с илом, подаются в первый, затем во второй отсек аэротенка БР. Отсеки аэротенка выполнены в форме прямоугольников общей площадью 4,83 м2, высотой 1,7 м, общим объемом 8,2 м3. В аэротенке БР происходит интенсивная аэрация сточных вод с помощью трубных мелкопузырчатых аэраторов, расположенных на днище резервуара. Источником сжатого воздуха являются компрессоры роторные лопастные. В режиме фильтрования иловая смесь из БР поступает во вторичный отстойник, разделенный на два отсека с нижним и верхним переливами. Первый отсек имеет объем 2,1 м3 (ШхДхГ=1,39х0,92х1,7 м), объем второго отсека (резервуар осветленной воды) – 2,0 м3 (ШхДхГ=1,39х1,0х1,5 м), пределы рабочего объема – 0,5–1,5 м3. В нижнем переливе первого отсека в зоне, предусмотренной для отстаивания активного ила, установлен насос Н9 для перекачивания ила в УР. Автоматизация насоса Н9 предусматривает периодическое удаление ила – одно включение на 30 с каждые 5–20 мин (в зависимости от режима). Далее надиловая вода через верхний перелив попадает во второй отсек вторичного отстойника и поступает на очистку в аппараты ультрафильтрационные АУФ2-АУФ3 (АУФ1-АУФ4), работающие под давлением. Подача осветленной воды на АУФ осуществляется с помощью питающего насоса Н3 и повышающих давление насосов Н4 и Н4.1, часть концентрата (осветленная вода со взвешенными веществами) возвращается обратно в линию перед насосами Н4, Н4.1 и на УАФ, вторая часть поступает во второй отсек вторичного отстойника и УР в пропорциях, зависящих от выбранного режима работы. АУФ установлены последовательно-параллельно: по два аппарата в блоке последовательно (АУФ1 и АУФ4, АУФ2 и АУФ3 соответственно) и два блока аппаратов параллельно.
Таблица 1
Производительность КОС-30
Показатель | Единица измерения | Величина |
Среднесуточная | м3/сут | 30 |
Среднечасовая | м3/ч | 1,25 |
Максимальное (пиковое) количество поступающих на установку сточных вод, не более | м3/ч | 5 |
Максимальная продолжительность пикового поступления сточных вод, не более | ч | 1 |
Для автоматической корректировки рН сточных вод на этапе биологической очистки и фильтрования используются насосы-дозаторы подачи раствора соды. При уменьшении объема иловой смеси в БР и прекращении (уменьшении) подачи сточных вод на установку автоматически закрывается электромагнитный клапан (КЭ) на линии пермеата и включается циркуляция внутренней поверхности трубчатых элементов ультрафильтрационных аппаратов водой из второго отсека вторичного отстойника. Электромагнитный клапан открывается автоматически при возобновлении подачи сточных вод на установку. Очищенная вода из АУФ поступает в резервуар чистой воды (РЧВ). Аппараты ультрафильтрационные производства компании Norit марки 33GR эксплуатируются в соответствии с требованиями завода-изготовителя, через каждые 12 часов осуществляется промывка рабочего мембранного блока и переход на резервный, химические промывки 10 %-м раствором NaOH и 10 %-м раствором лимонной кислоты выполняются еженедельно, каждая промывка по 3 часа.
Последний этап удаления взвешенных веществ осуществляется в напорных фильтрах с насыпной фильтрующей загрузкой – сорбент АС и активированный уголь. Далее очищенная вода проходит через установку ультрафиолетового обеззараживания воды УОВ1(УОВ2). Контроль показателей качества очищенной воды по температуре, водородному показателю и содержанию кислорода происходит при помощи датчиков.
Сброс очищенных хозяйственно-бытовых сточных вод из очистных сооружений осуществляется по трубопроводу Ду 50 мм в р. Енисей. Характеристики качества очистки сточных вод и норматив допустимого сброса веществ и микроорганизмов в водный объект показаны в табл. 2 и 3 соответственно.
За период работы очистных сооружений, в соответствии с проектом с 2009 по 2018 гг. и с 2018 г. по настоящее время, после проведенной модернизации наблюдались многочисленные нарушения в работе биологической и конечной очистки после мембран:
– наличие механических примесей в пробе ила из аэротенка;
– вспухание активного ила;
– обильное пенообразование;
– вынос ила из вторичного отстойника (с 2018 г.);
– некорректный режим работы насоса рецикла: вторичный отстойник – резервуар усреднитель – денитрификатор;
– частое забивание и порыв трубок мембран ультрафильтрационных аппаратов;
– ухудшение качества очистки вод по всем показателям: аммоний-ион, нитриты, нитраты, фосфаты (показатели, определяемые на объекте) и ХПК, БПКполн., АСПАВ, нефтепродукты, марганец, медь (показатели, определяемые в аккредитованной лаборатории) [5].
Данные нарушения в разное время происходили по следующим причинам: большие перепады гидравлической нагрузки и концентрации загрязняющих веществ поступающих сточных вод на КОС в течение суток, недостаточная очистка от механических примесей, в том числе высокое содержание волокнистых тряпичных материалов, сбой режима аэрации, залповые сбросы токсических веществ – жиры, масла пищевого происхождения, нефтепродукты, ПАВ; недостаточный контроль периодичности промывок водой и химических промывок ультрафильтрационных установок, недостаточный лабораторный контроль – наличие исследований на объекте на аммоний-ионы, нитриты, нитраты, фосфаты, взвешенные вещества, объем ила и отсутствие определения показателей ХПК, БПК, нефтепродукты, АСПАВ, минерализация, масса ила, зольность, микроскопирование (гидробиология). Одной из причин также является высокий температурный режим поступающих сточных вод 35–37 °С из-за греющих кабелей, которыми снабжены все резервуары и трубопроводы вне помещений, и низкая температура – менее 10 °С при залповых сбросах промывных или иных холодных вод. Анализы, проводимые на объекте, выполняются операторами КОС.
Рис. 1. Принципиальная гидравлическая схема ЛКОУ-К-30 до реконструкции 2018 г.
В соответствии с вышеизложенным за период работы КОС-30 опытным путем были выявлены узкие границы условий эксплуатации очистных сооружений в комплексе с данной конструкцией АУФ, требующих большого внимания со стороны обслуживающего персонала и материальных затрат на обслуживание.
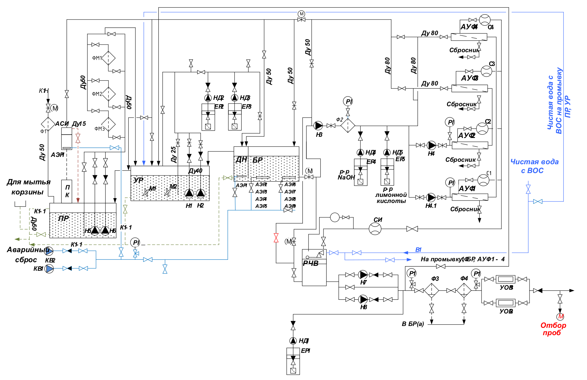
Рис. 2. Принципиальная гидравлическая схема после реконструкции
Режим работы сооружений в соответствии с проектом (рис. 1) не давал требуемого качества очистки сточных вод, вследствие чего в 2018 г. было принято решение осуществить модернизацию действующего оборудования очистных сооружений (рис. 2). Таким образом, при модернизации были выполнены следующие работы: насосы Н1, Н2 в УР были подключены к автоматическому включению и выключению по нижнему и верхнему уровням во втором отсеке вторичного отстойника; двумя установленными вертикальными перегородками с верхним и нижним переливами в аэробной зоне БР был выделен вторичный отстойник; из зоны вторичного отстойника аэраторы были удалены; на днище первого отсека вторичного отстойника установлен погружной насос Н9; установлено реле срабатывания по времени; смонтирован трубопровод возвратного ила из первого отсека вторичного отстойника от насоса Н9 и трубопровод возврата концентрата в УР от аппаратов ультрафильтрационных; насосы Н1, Н2, предназначенные для равномерной подачи сточных вод в БР, были подключены к автоматическому включению и выключению по нижнему и верхнему уровням во втором отсеке вторичного отстойника. Штатный денитрификатор объемом 3,2 м3 был снабжен аэраторами и стал выполнять функцию первого отсека аэротенка. Исходя из компоновки сооружений, пространственных ограничений БР вторичный отстойник был выполнен по аналогии с конструкцией горизонтальной и вертикальной плаcтиной илового приямка вместо наклонной.
Таблица 2
Показатели качества исходных и очищенных вод в соответствии с паспортом сооружений КОС-30
Показатель | Единица измерения | Исходные сточные воды, не более | Нормативные требования к очищенной сточной воде, не более |
Водородный показатель | рН | 6,5 – 8,5 | 6,5 – 8,5 |
Взвешенные вещества (ВВ) | мг/ дм3 | 150,0 | 0,25 |
БПКполн. | мгO2/ дм3 | 120,0 | 3,0 |
Фосфаты | мг/ дм3 | 11,0 | 0,2 |
Аммоний-ион | мг/ дм3 | 23,0 | 0,5 |
Примечание. Не представленные в таблице нормируемые показатели качества исходных сточных вод соответствуют требованиям «Перечня рыбохозяйственных нормативов предельно допустимых концентраций (ПДК), ориентировочно безопасных уровней воздействия (ОБУВ) вредных веществ для воды объектов, имеющих рыбохозяйственное значение»
Таблица 3
Утвержденный норматив допустимого сброса веществ и микроорганизмов в водный объект
Показатель | Единица измерения | Утвержденный норматив допустимого сброса веществ |
Взвешенные вещества (ВВ) | мг/ дм3 | 4,62 |
БПКполн. | мгО2/ дм3 | 3 |
Фосфаты | мг/ дм3 | 0,05 |
Аммоний-ион | мг/ дм3 | 0,4 |
Нитраты | мг/ дм3 | 40 |
Нитриты | мг/ дм3 | 0,08 |
Хлориды | мг/ дм3 | 292,6 |
АСПАВ | мг/ дм3 | 0,042 |
Нефтепродукты | мг/ дм3 | 0,05 |
Сухой остаток | мг/ дм3 | 833 |
ХПК | мгО/ дм3 | 30 |
Сульфаты | мг/ дм3 | 12,3 |
Железо | мг/ дм3 | 0,1 |
Марганец | мг/ дм3 | 0,01 |
Медь | мг/ дм3 | 0,001 |
В аэротенке биореактора были установлены две перегородки с нижним и верхним переливом для выделения зоны вторичного отстойника, в месте перелива в нижней части был установлен погружной насос для осуществления рецикла активного ила из вторичного отстойника в зону первого отсека аэротенка объемом 3,2 м3 и возможностью перенаправлять ил в УР-денитрификатор объемом 10 м3.
По состоянию на 16.03.2021 г. рециркуляция активного ила осуществлялась по двум схемам:
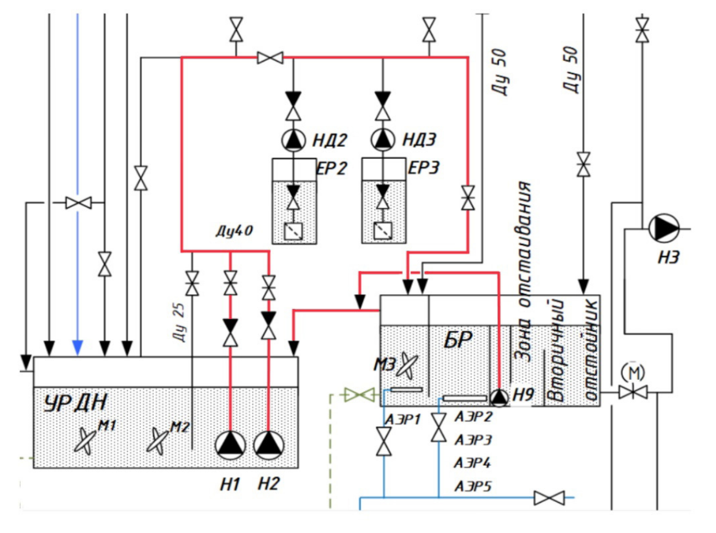
- Рецикл через первый отсек вторичного отстойника: первый отсек вторичного отстойника (зона отстаивания ила) → в УР-денитрификатор → первый отсек аэротенка → второй отсек аэротенка (БР) → первый отсек вторичного отстойника (рис. 3).
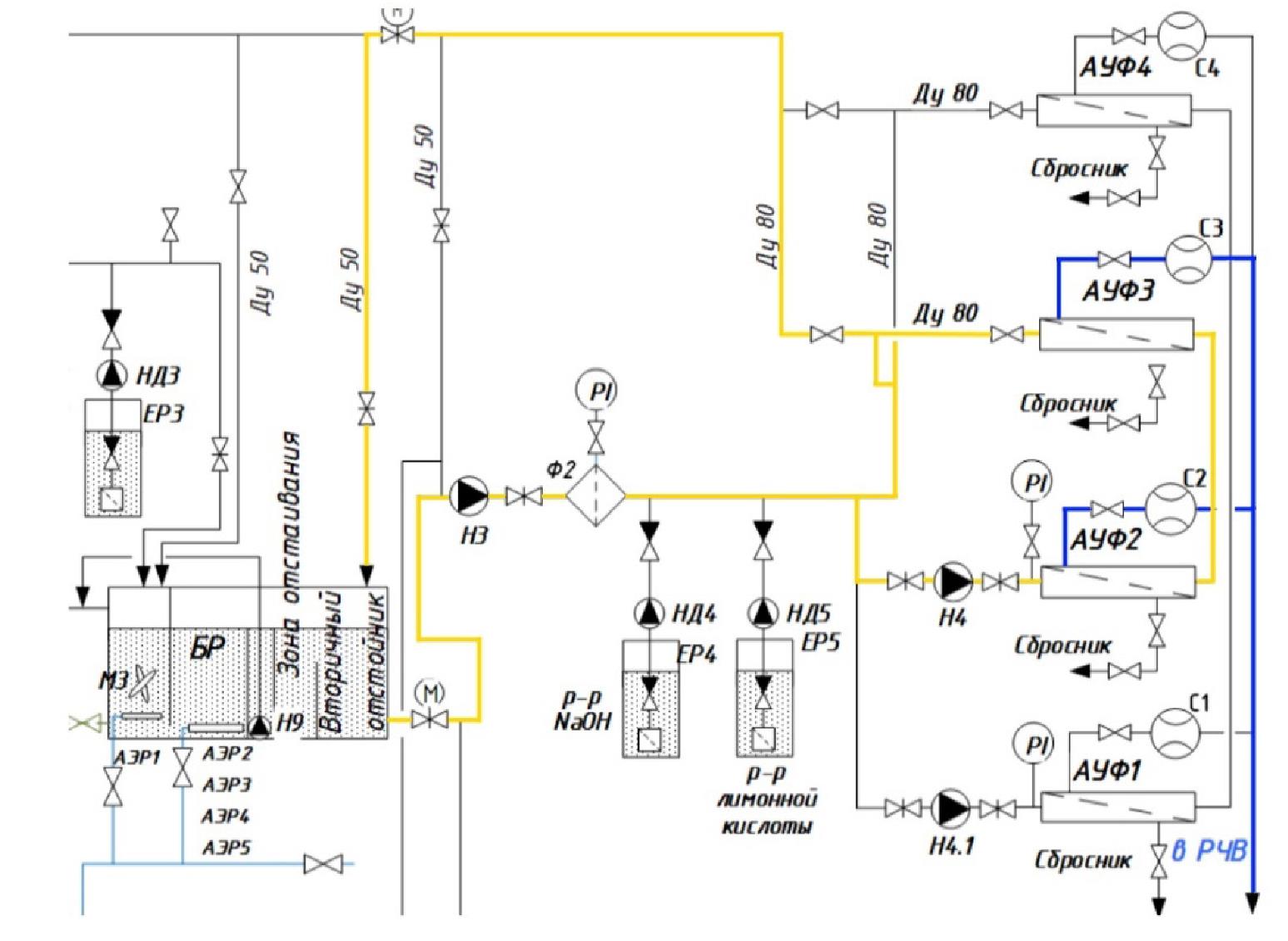
- Рецикл через второй отсек вторичного отстойника: надиловая вода из первого отсека вторичного отстойника → второй отсек вторичного отстойника→ Н3→ Н4 (Н4.1) → АУФ 1(4), 2(3) → концентрат со взвешенными веществами во второй отсек вторичного отстойника, пермеат (рис. 4).
Для действующей схемы выявлен ряд недостатков: длительное время пребывания ила в анаэробных условиях в УР-денитрификаторе, до десяти часов вместо допустимых трех [6]; некорректный режим работы погружного насоса рецикла активного ила, а также в случае сильного выноса активного ила из вторичного отстойника – более 30 мг/л; пагубным является возврат иловой смеси от АУФ, выполняющих функцию доочистки от выносимого активного ила и взвешенных веществ во второй отсек вторичного отстойника, не имеющий условий для поддержания жизни активного ила, а являющийся по сути накопителем циркулируемых загрязнений отмершего ила, которые периодически необходимо было отводить в начало цикла очистки.
В период 26.05.2021 г. проводились следующие корректировки технологического режима: весь рецикл активного ила из вторичного отстойника осуществляется в УР-денитрификатор, весь концентрат от АУФ направлен в УР-денитрификатор вместо второго отсека вторичного отстойника, с целью уменьшения времени пребывания иловой смеси в анаэробных условиях. В данном режиме также наблюдался залповый вынос активного ила из вторичного отстойника, уменьшение его объема и, как следствие, ухудшение качества очистки. После проведенной наладки технологического режима рецикл от АУФ был распределен: 80 % во второй отсек вторичного отстойника, 20 % в УР-денитрификатор, рабочий уровень в УР-денитрификаторе был определен на 5 м3 (среднее заполнение резервуара) [7].
Средний расход сточных вод на 16.03.2021 г. составлял 25 м3/сут (высокая плотность заселения общежития), на 26.05.2021 г. средний расход – 12 м3/сут (малое количество проживающих), 15.11.2021 г. средний расход – 12 м3/сут (малое количество проживающих). В процессе работы очистных сооружений в производственной лаборатории выполнялся контроль качества сточных вод, результаты представлены в табл. 4.
По результатам пусконаладочных работ был уточнен расчет аэротенка (по СП 31.13330.2012), параметры которого вошли в регламент по эффективной эксплуатации КОС-30:
Рис. 3. Схема рецикла через первый отсек вторичного отстойника
- ρ – удельная скорость окисления – 5,4 мг БПКполн. на 1 г беззольного вещества ила в 1 ч.
- Период аэрации tatv в аэротенках-вытеснителях – 1,59 ч.
- Lmix – БПКполн., с учетом разбавления рециркуляционным расходом – 61,5 мг/л.
Примечание. Режим вытеснения обеспечивается при отношении длины коридоров l к ширине b свыше 30. При l / b < 30 необходимо предусматривать секционирование коридоров с числом ячеек пять-шесть.
Рис. 4. Схема рецикла через второй отсек вторичного отстойника
- Степень рециркуляции активного ила – Ri = 1.
- Нагрузка на активный ил qi, мг БПКполн. на 1 г беззольного вещества ила в сутки – 630 мг (г / сут).
- Вместимость аэротенка Wat 1,59 м3 при расчетном расходе сточных вод – 0,5 м3/ч.
Таблица 4
Результаты исследований качества сточных вод
Показатель | Ед. изм. | 16.03.2021 | 26.05.2021 | 17.11.2021 | |||
Вход (неочищенные сточные воды) | Выход (очищенные сточные воды) | Вход (неочищенные сточные воды) | Выход (очищенные сточные воды) | Вход (неочищенные сточные воды) | Выход (очищенные сточные воды) | ||
Взвешенные вещества | мг/л | 277 | 5 | 238 | 4,8 | 251 | 4 |
Фосфаты | мг/л | 5,3 | 0,28* | 6 | 0,37* | 8,1 | 0,33* |
Аммоний-ион | мг/л | 28,5 | 1,25 | 22,7 | 0,35 | 20,2 | 0,29 |
Нитраты | мг/л | – | 1,1 | – | 3,6 | – | 5,4 |
Нитриты | мг/л | – | 0,3 | – | 0,2 | – | 0,06 |
* – показатели качества очистки сточных вод получены в условиях отсутствия дозирования коагулянта
На основании результатов опытно-промышленного пуска очистных сооружений скорректировано количество аппаратов и режимы их эксплуатации, что составило 75 % экономии эксплуатационных расходов, что позволило сформулировать следующие выводы.
- Специфика эксплуатации блочно-модульных очистных сооружений в условиях Севера подтверждает необходимость повышенного внимания со стороны инженерно-технического и обслуживающего персонала ввиду сложных климатических условий и переменного состава поступающих на очистку хозяйственно-бытовых сточных вод.
- Эксплуатация данных очистных сооружений показала неэффективность эксплуатации мембранных аппаратов.
- Произведенный расчет аэротенка не получил подтверждения на практике. Расчетный объем аэротенка – 1,5 м3 при фактическом – 8,2 м3.
- Опытным путем установлены рабочие характеристики активного ила: объем – 500 мл, масса – 4 г/л, иловый индекс – 125 мл/г, обеспечивающие наиболее эффективную очистку сточных вод при нестандартной схеме разделения активного ила и очищенной воды в цепи – вторичный отстойник – аппараты ультрафильтрационные.
- Установлена неудовлетворительная работа вторичного отстойника при расходе 25 м3/сут, близком к проектным. Эффективность работы очистных сооружений подтверждена только при расходе 12 м3/сут (30 % от проектной).
- Главной причиной отсутствия возможности соблюдения нормального технологического режима очистных сооружений по проектной схеме явилось закупоривание мембранных трубок диаметром 6 мм илом и мелкодисперсными волокнистыми материалами.
About the authors
Stepan A. Morozov
Don State Technical University
Author for correspondence.
Email: Stepan.Morozov@inbox.ru
Postgraduate Student of the Water Supply and Sanitation Chair
Russian Federation, 344000, Rostov-on-Don, Gagarin square, 1Nikolay S. Serpokrilov
Don State Technical University
Email: Stepan.Morozov@inbox.ru
Doctor of Engineering Science, Professor of the Water Supply and Sanitation Chair
Russian Federation, 344000, Rostov-on-Don, Gagarin square, 1References
- Vilson E.V., Serpokrylov N.S., Dolzhenko L.A. Sustainable operation of the sewage works in critical situations. Gradostroitel’stvo i arhitektura [Urban Construction and Architecture], 2018, vol. 8, no. 1, pp. 54–58. doi: 10.17673/Vestnik.2018.01.10. (in Russian)
- Serpokrylov N.S., Vilson E.V., Dolzhenko L.A., Saiyd M.A. Features of the start of biological wastewater treatment facilities in the modes of nitrification and denitrification. Gradostroitel’stvo i arhitektura [Urban Construction and Architecture], 2018, vol. 8, no. 3, pp. 55–61. doi: 10.17673/Vestnik.2018.03.12. (in Russian)
- Saiyd M.A., Serpokrylov N.S., Nelidin V.V. I of the biomass carrier type on the oxygen transfer rate of the modified submersible rotating biofilter. Gradostroitel’stvo i arhitektura [Urban Construction and Architecture], 2020, vol. 10, no. 4, pp. 60–68. doi: 10.17673/Vestnik.2020.04.8. (in Russian)
- Serebriakov D.V., Morozov V.V. Review of the design features of block-modular sewage treatment plants of low productivity. Voda i ekologiya: problemy resheniya [Water and Ecology: Problems of Solution], 2008, no. 1, pp. 20-25. (in Russian).
- Danilovich D.A., Epov A.N. Raschet i tehnologicheskoe proektirovanie sooruzheniy biologicheskoy ochistki gorodskih stochnih vod v aerotenkah s udaleniem azota i fosfora [Calculation and technological design of biological treatment facilities for urban wastewater in aerotanks with nitrogen and phosphorus removal]. Moscow, 2020. 225p.
- Harkina O.V. Terms of reference for the reconstruction of treatment facilities: how to avoid mistakes. Nailuchshie dostupnye tekhnologii [The best available technologies], 2021. (in Russian).
- Kulakov A.A. Management of the work of small sewage treatment plants in conditions of unstable load. Nailuchshie dostupnye tekhnologii [The best available technologies], 2020. (in Russian).
- Postanovlenie Glavnogo gosudarstvennogo sanitarnogo vracha RF ot 28 yanvarya 2021 g. № 2 «Ob utverzhdenii sanitarnyh pravil i norm SanPiN 1.2.3685-21» [SRaR 1.2.3685-21 "Hygiene standarts and requirements to ensure safety and (or) safety for human enviromentals factors"], 2021. (in Russian)
Supplementary files







