Уменьшение погрешностей местоопределений объектов радионавигационной системы
- Авторы: Мусонов В.М.1, Романов А.П.1
-
Учреждения:
- Сибирский государственный университет науки и технологий имени академика М. Ф. Решетнева
- Выпуск: Том 23, № 1 (2022)
- Страницы: 21-32
- Раздел: Раздел 1. Информатика, вычислительная техника и управление
- Статья опубликована: 25.03.2022
- URL: https://journals.eco-vector.com/2712-8970/article/view/532723
- DOI: https://doi.org/10.31772/2712-8970-2022-23-1-21-32
- ID: 532723
Цитировать
Полный текст
Аннотация
В представленной работе рассмотрен метод повышения точности местоопределения бортовой станции по сигналам радионавигационных систем наземного базирования. В радионавигационной системе на основе излучения сигнала ведущей опорной станцией производится приём сигналов ведомыми опорными станциями с определением моментов их прихода относительно собственных шкал времени. С другой стороны, на основе излучения сигналов ведомыми опорными станциями производится приём сигналов ведущей опорной станцией с определением моментов их прихода относительно собственной шкалы времени. Согласно измеренным моментам прихода излучённых сигналов, вычисляются временные поправки к шкалам времени ведомых опорных станций относительно ведущей опорной станции. Так как вычисление временной поправки производится за время не более 10 с, то исключаются случайные составляющие, обусловленные непостоянством скорости распространения поверхностной электромагнитной волны в следствие непостоянства параметров окружающей среды и параметров приповерхностного слоя участка распространения электромагнитной волны. При превышении вычисленного значения временной поправки длительности тактового интервала формируемого сигнала проводят коррекцию момента (с точностью до такта) формирования модулирующего кода сигнала, излучаемого ведомой опорной станцией, и коррекцию вычисленного значения временной поправки на величину скорректированных ранее длительностей тактов. Откорректированные значения временных поправок (предварительно закодированных) передаются каждой из ведомых опорных станций в составе их навигационных сигналов. Потребитель навигационной информации принимает сигналы, излучённые опорными станциями, через декодирование выделяет из сигналов опорных станций информацию о рассогласовании временных шкал и проводит измерения радионавигационных параметров с повышенной точностью, обусловленной компенсацией погрешности несинхронности сигналов излучения ведомых опорных станций радионавигационной системы.
Полный текст
Введение
Несмотря на значительные успехи, достигнутые в области координатно-временного обеспечения при помощи спутниковых радионавигационных систем (СРНС), радионавигационные системы (РНС) наземного базирования продолжают играть немаловажную роль в координатном обеспечении объектов авиации, наземных транспортных средств и объектов морского базирования.
В настоящее время к РНС наземного базирования предъявляются повышенные требования к точности и достоверности радионавигационных определений, кроме того, РНС должны позволять решать задачи наземной поддержки потребителей СРНС. Такая поддержка может быть реализована путем возложения на РНС функций передачи дифференциальных поправок к сигналам СРНС, что реализуется путем размещения в составе опорных станций (ОС) РНС контрольно-корректирующих станций (ККС) СРНС. При этом выбираемая структура сигналов РНС должна позволять передавать в составе навигационных сигналов блоки цифровой информации, несущие данные дифференциальной коррекции и служебные сообщения с заданной скоростью.
Уменьшение погрешности радионавигационных определений в РНС невозможно без решения другой проблемы – синхронизации шкал времени (ШВ) опорных станций, что обеспечивает задание единой системной шкалы времени (СШВ) радионавигационной системы.
Методы синхронизации опорных станций радионавигационных систем
Рассмотрим известные методы реализации системной шкалы времени в СРНС и РНС.
В СРНС ГЛОНАСС и GPS реализация СШВ осуществляется путем установки на борт каждого из навигационных космических аппаратов (НКА) высокоточных стандартов частоты и времени и определении параметров ухода шкалы времени НКА по результатам измерений, выполняемых станциями наземного комплекса управления (НКУ). Информация о значениях корректирующих коэффициентов полиномов, аппроксимирующих уход часов, закладывается на борт навигационных космических аппаратов СРНС с передающих станций НКУ по выделенному радиоканалу [1].
В РНС для реализации единой СШВ могут быть использованы следующие способы:
1) дифференциальный режим РНС, требующий наличия контрольного пункта (КП), находящегося в точке с известными заранее координатами. При этом результаты измерений КП используются для вычисления корректирующих поправок для каждой из опорных станций к СШВ. Полученные значения корректирующих поправок каждой из опорных станций к СШВ передаются по выделенному радиоканалу в эфир. Потребители РНС измеряют значения радионавигационных параметров и принимают сигналы КП, несущие информацию о поправках к шкалам времени ОС или к значениям радионавигационных параметров (РНП). Используя принятую корректирующую информацию, потребитель исправляет результаты собственных измерений, в результате чего устраняются погрешности, вызванные рассогласованием временных шкал ОС, а также коррелированные составляющие погрешностей на трассе распространения сигналов [2];
2) использование в составе ОС высокостабильных квантовых стандартов частоты и использование возимых стандартов частоты для периодических сличений шкал времени ОС и введения поправок в СШВ [3; 4];
3) калибровка РНС по методам взаимного контроля ОС и по измерениям на контрольной точке [2]. Первый способ реализуется путем определения значений корректирующих поправок на основе взаимного контроля сигналов ОС и ввода полученных поправок в сигналы каждой из ОС. Второй способ реализуется путем определения поправок к сигналам всех ОС РНС в контрольном пункте с известными координатами, после чего полученные при калибровке значения поправок вводятся в состав излучаемых сигналов ОС;
4) синхронизация РНС, основанная на использовании внешних источников, например, СРНС.
Недостатки существующих методов синхронизации радионавигационных систем
Существующие способы синхронизации сигналов навигационных пунктов РНС имеют следующие недостатки:
Наличие указанных недостатков явилось побудительным мотивом для разработки метода формирования единой системной шкалы времени и её коррекции посредством опорных станций наземной РНС, позволяющего в значительной степени снизить влияние указанных недостатков на точность измерения радионавигационных параметров.
Метод расчета расхождения шкал времени ОС
На рис. 1. представлена геометрическая структура РНС. Антенны передающих устройств опорных станций ОСА (является ведущей опорной станцией), ОСВ и ОСС (являются ведомыми опорными станциями), расположенных в пунктах A, B и C с известными с геодезической точностью координатами (xA yA), (xB xB) и (zC yC), излучают радионавигационные сигналы.
В пункте M находится бортовая станция (БС), местоположение (координаты xM yM) которой необходимо определить. С учётом известных моментов излучения сигналов опорными станциями (ОСА, ОСВ и ОСС) и измеренных временах распространения излучённых радионавигационных сигналов (первичная обработка радионавигационных сигналов [6]) при известных скоростях распространения электромагнитных волн вдоль трасс AM, BM и CM посредством аппаратуры (вторичная обработка радионавигационных сигналов [6]) бортовой станции определяются дальности dAM, dBM и dCM, трасс AM, BM и CM и по известным координатам пунктов A, B и C определяются координаты xM yM местоположения БС.
Рис. 1. Геометрическая структура наземной РНС
Fig. 1. Geometric structure of the ground-based RNS
В навигационной системе используются широкополосные сигналы с минимальной частотной манипуляцией [7] (далее по тексту сигналы), обеспечивающие сужения основной полосы частот спектра сигнала, уменьшение уровня боковых составляющих, а также исключение необходимости специального радиоканала для передачи необходимой информации посредством использования дополнительной кодовой фазовой манипуляции (ФМ). В этом случае наиболее эффективным способом разделения широкополосных сигналов, излучаемых опорными станциями, является кодовый метод разделения таких сигналов на приёмной стороне. Кодовый метод разделения сигналов предусматривает формирование и излучение сигналов, модулированных кодами псевдослучайных последовательностей (ПСП). Если на ОСА в качестве модулирующего кода выбрана ПСП [8], то на ОСВ (ОСС) в качестве модулирующих кодовых ПСП используются циклические сдвиги на nB (nC) двоичных символов одной и той же исходной кодовой ПСП, выбранной на ОСА. Если необходимо использовать три сигнала, то циклический сдвиг для каждой из ОС определяется как ni » (i - 1)L / j (здесь i - номер одной из j опорных станций; L = 2m - 1 - длина исходного М-кода ПСП, формируемого посредством m-разрядного регистра сдвига, охваченного обратной связью через схему ИСКЛЮЧАЮЩЕЕ-ИЛИ). Следует добавить, что при работе с кодовым разделением сигналов все ОС работают на одной частоте, а излучаемые сигналы ОС перекрываются во времени.
Каждая из ОС включает в себя передающее и приёмное устройства. Посредством передающего устройства производится формирование и излучение сигнала через излучающую антенну. Посредством приёмного устройства осуществляется приём и обработка сигналов, излучённых соседними ОС. Результатом первичной обработки принятого сигнала станет формирование момента приёма принятого сигнала с учётом задержки, связанной с групповой задержкой сигнала в высокочастотном тракте и задержкой, обусловленной следящими системами за задержкой кода и фазой радиосигнала [9]. В качестве приёмной антенны (с фазовыми центрами в точках A’, B’ и C’) опорной станции используется укороченная несимметричная вертикальная антенна, расположенная с разносом по вертикали на 1 м относительно вершины излучающей антенны (с фазовыми центрами в точках А, В и С), что создаёт развязку относительно излучающей антенны не менее 20 дБ [10].
Кроме того, дополнительная развязка обеспечивается за счёт использования кодового разделения излучаемого сигнала sA(t, di) (di модулирующий код ПСП) опорной станцией ОСА и принимаемого сигнала sB(t - τp, di n) (di n - модулирующий код di ПСП с n циклическим сдвигом) от опорной станции ОСВ. Величина задержки τp распространения ЭМВ на трассе АВ определяется скоростью υAB распространения поверхностной электромагнитной волны в свободном пространстве [11] и выбранным расстоянием rAB между опорными станциями. В данном случае, кодовое разделение предполагает вычисление значения взаимной корреляции сигналов sA(t, di ) и sB (t - τр, di n). Как выше было показано, второй сигнал отличается от первого модулирующим кодом, соответствующему циклическому сдвигу на n двоичных символов и тогда необходимо вычислить значение автокорреляции сигналов sA (t, di ) и sB (t - τр, di n) при их относительной задержке τ = τР + nτэ ( τэ - длительность символа в коде ПСП). Необходимо также учесть использование дополнительной кодовой ФМ на указанные сигналы. По формулам [12] для МЧМ-сигнала с модулирующим M-кодом ПСП длины L = 214 - 1 = 16383 и с дополнительной ФМ получен график модуля нормированной периодической (T = Lτэ - период) автокорреляционной функции (ПАКФ) от относительного числа задержки k ( k = [τ / τэ] - (целое число сдвигов на длительность символов ПСП). На рис. 2 представлен график сегмента (с целью получения высокого разрешения) модуля нормированной ПАКФ при ФМ на интервале [5308, 5476] числа сдвигов. Как видно из рис. 2, при задержке 5398τэ возможно минимальное значение – 1 /L ≃ 10-4. Если опорные станции удалены друг от друга на расстояние rAB = 300 км, то при этом задержка распространения сигнала составит τp ≃ 1 мс (используя скорость υAB ≃3·108 м/c, совершаем ошибку порядка 0,1 %) и при τэ = 2.5 · 10-6 с будет соответствовать задержке kз = rAB / (υABτэ) на 400 двоичных символов ПСП. Согласно рис. 2, чтобы обеспечить минимальное значение модуля нормированной ПАКФ (для k = 5398), необходимо использовать модулирующий код ПСП опорной станции ОСВ с циклическим сдвигом на nB = 4998 = 5398 – 400 символов. Можно сказать, что сигналы sA(t, di) и sB(t - τр, di n) в пункте их обработки (а также в точках, принадлежащих поверхности круга, радиусом τэυAB / 2 ≈ 350 м, с центром расположения приёмно-излучающей антенны) будут существенно разделены, что эквивалентно обеспечению дополнительной развязке антенн не более 42 дБ ≃ 10 lg(1/ L) .
Рис. 2. Фрагмент модуля нормированной ПАКФ для МЧМ сигналов с дополнительной ФМ
Fig. 2. Fragment of the normalized PACF module for MSK signals with additional FM
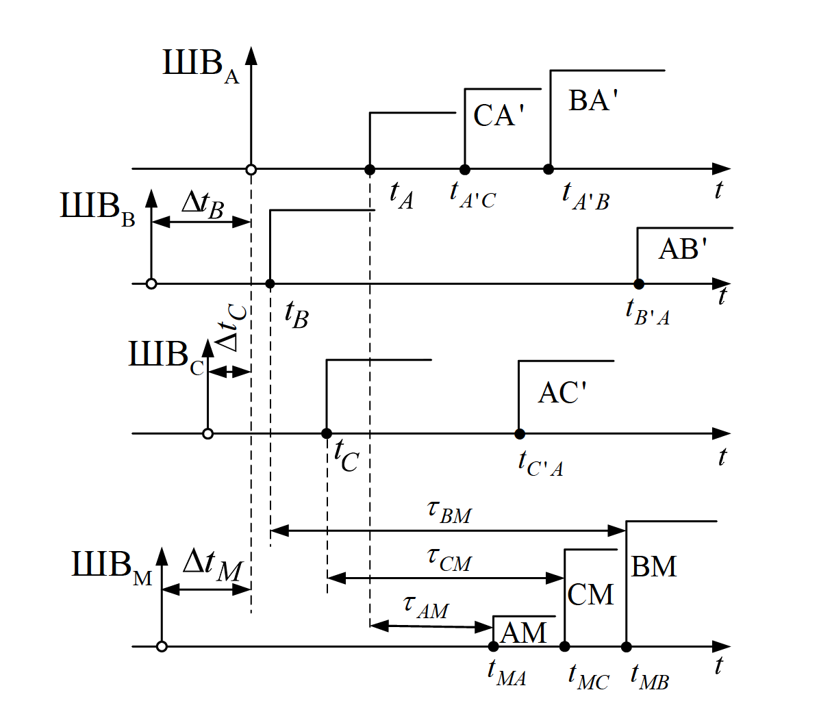
На рис. 3 изображены временные диаграммы, соответствующие моментам приёма и излучения сигналов РНС при действующих шкалах времени (ШВ*). Шкала времени каждой из ОС представляет собой непрерывную последовательность интервалов, равных длительности Lτэ сигнала, отсчитываемых от начала момента t = 0 времени. Шкалы времени, у которых на любом интервале длительности сигнала начальные фазы и комплексные огибающие сигналов совпадают с требуемой точностью, называются синхронными [2] и в течение измерения навигационных параметров необходимо поддерживать эту синхронность. В нашем случае в моменты времени tA, tB и tC опорные станции ОСА, ОСВ и ОСС излучают радиосигналы относительно собственных шкал времени (ШВА, ШВВ, ШВС) и моменты t* времени не равны нулю. Это обусловлено тем, что в инерционных цепях формирования высокочастотного сигнала возникает групповое запаздывание, что приводит к отставанию момента излучения «заданной» фазы модулирующего кода относительно момента его формирования в генераторе кода и, соответственно, к отличию действительного момента излучения относительно того, которое передаётся в навигационном сообщении [13]. В связи с идентичностью исполнения формирователей радиосигналов, это время для всех ОС одинаково, т. е. tA = tB = tC относительно собственных шкал времени (ШВА, ШВВ и ШВС).
Относительно шкалы времени ШВА опорной станции ОСА определяются моменты tA'B и tA'C времени прихода сигналов, излучённых опорными станциями ОСВ и ОСС в моменты времени tB и tC относительно собственных шкал времени ШВВ и ШВС [9]. Относительно шкалы времени ШВВ опорной станции ОСВ определяется момент времени tB'A прихода сигнала, излучённого опорной станцией ОСА в момент времени tA относительно собственной шкалы времени ШВА. Относительно шкалы времени ШВС опорной станции ОСС определяется момент времени tC'A прихода сигнала, излучённого опорной станцией ОСА в момент времени tA относительно собственной шкалы времени ШВА. Относительно шкалы времени ШВМ бортовой станции БС определяются моменты времени tMA, tMC и tMB прихода сигналов, излучённых опорными станциями ОСА, ОСС и ОСВ в моменты времени tA, tC и tB относительно собственных шкал времени ШВА, ШВС и ШВВ.
Рис. 3. Временные диаграммы приёма и передачи сигналов РНС
Fig. 3. Time diagrams of reception and transmission of RNS signals
Время τAB' распространения сигнала от пункта A к точке B' определяется как τAB′ = rAB′ / υAB′ (здесь rAB′ - географическое расстояние между опорными станциями ОСА и ОСВ, известное с геодезической точностью; υAB′ - скорость распространения электромагнитной волны (ЭМВ) на трассе AB'). В наземных РНС измерение навигационных параметров осуществляется посредством измерения задержки распространения поверхностной ЭМВ.
В этом случае скорость υAB′ распространения ЭМВ будет зависеть как от параметров окружающей среды (температуры, влажности, давления), так и параметров приповерхностного слоя участка распространения ЭМВ (диэлектрической и магнитной проницаемости, проводимости). Точно предсказать значения всех этих параметров в момент распространения поверхностной ЭМВ практически невозможно. Отсюда следует, что как бы точно мы не измеряли время τAB' [14], в нем всегда будет присутствовать случайная составляющая ΔτAB' , обусловленная непостоянством во времени параметров трассы распространения ЭМВ (при расчёте дальностей это приведёт к ошибке в связи с использованием расчётного значения скорости вместо фактически существующей скорости υAB′). В соответствии с этим, измеренную задержку распространения ЭМВ на трассе AB' можно представить в виде суммы точного значения задержки и ошибки ΔτAB' в форме .
С учётом выше сказанного для времени распространения сигнала на трассе BA' задержку на трассе BA' можно представить в виде суммы точного значения задержки и ошибки ΔτAB'
в форме .
По шкале времени ШВВ (рис. 3) относительно момента времени tB можно измерить псевдозадержку [9] распространения сигнала на трассе AB' как
(1)
где точное значение измеренной псевдозадержки согласно ШВВ. В измеренной псевдозадержке также будет присутствовать случайная составляющая ΔτAB' , обусловленная вышеуказанными причинами. На сегодня выделенный временной интервал [tB, tAB'] можно измерить с точностью до 0,05 нс [15].
На опорной станции ОСВ, при аппаратурной обработке сигнала, излученного с ОСА, погрешность вычисленного значения псевдозадержки при известном моменте tB будет определяться среднеквадратической ошибкой (СКО) στB слежения за временем в следящей системе ОСВ. В установившемся режиме СКО будет определяться [13], где q2 = 30 дБ – отношение сигнал/ шум в полосе Δƒc сигнала, действующего на входе приёмника ОСВ (ОСА разнесена в пространстве от ОСВ на 300 км и Δƒc = 1/ 0.78 ƒэ); ωэ = 2πƒэ эффективная (среднеквадратическая) ширина спектра комплексной огибающей ПС сигнала МЧМ (ƒэ = 0,19 ƒТ ≃ 76 кГц[12] при тактовой частоте ƒТ = 0,4 МГц). Отсюда СКО слежения за задержкой в следящей системе за временем составит не более 6,5 нс. Так как опорные станции статически устойчивые, то для k измеренных выделенных временных интервалов можно использовать плавающее усреднение. Измеритель временных интервалов [15] позволяет производить измерения с периодом не менее 1 мкс. В нашем случае используется сигнал, длительностью T = Lτэ ≃ 40 мс. При использовании k = 100 усреднений, СКО слежения за временем составит нс.
При приёме в точке A' в момент времени tA'B шкалы времени ШВА сигнала, излученного от пункта B в момент времени tB шкалы времени ШВВ, по шкале времени ШВА (рис. 3) можно определить псевдозадержку распространения сигнала на трассе BA' как
(2)
где точное значение измеренной псевдозадержки согласно ШВА. В этой измеренной псевдозадержке также будет присутствовать случайная составляющая ΔτBA' , обусловленная вышеуказанными причинами.
Здесь погрешность вычисления также будет определяться СКО слежения за временем в следящей системе ОСА и которая составит также не более 0,65 нс (в связи с идентичностью параметров следящей системы за временем на ОСА и для усреднений).
Расхождение ШВВ относительно ШВА составит
(3)
Здесь в ΔtB совместное воздействие случайных составляющих будет минимально, так как за время измерения (не более 0,1 с) псевдозадержек параметры трасс AB' и BA' распространения ЭМВ практически остаются неизменными. Тогда можно сказать, что расхождение шкал времени будет определяться равноточными значениями измеренных псевдозадержек. Погрешность вычисления ΔtB, определяемая погрешностью разности измеренных временных интервалов с равной СКО, составит нс.
Аналогичные вычисления псевдозадержек и можно получить для трасс AC' и CA' распространения ЭМВ (рис. 1) и тогда расхождение ШВС относительно ШВА составит
(4)
где усреднённая псевдозадержка распространения сигнала на трассе AC', измеренная относительно шкалы времени ШВС; усреднённая псевдозадержка распространения сигнала на трассе CA', измеренная относительно шкалы времени ШВА (рис. 3).
Погрешность вычисления , определяемая разностью измеренных временных интервалов с равной СКО, составит также нс (в связи с идентичностью параметров следящей системы за временем на ОСС с ОСА).
Согласно рис. 3, ШВА «отстаёт» от ШВВ и ШВС и расхождение шкал времени ΔtB и ΔtC имеет положительный знак, при «опережении» шкалы времени ШВА расхождение шкал времени Δt* будет иметь отрицательный знак. Если для вычисленного значения расхождения шкалы времени будет выполняться условие |Δt*| < τэ, то посредством кодирования значения Δt* и дополнительной фазовой манипуляции производится передача кодированной информации (о поправке к ШВ*) бортовой станции. Если для вычисленного значения расхождения шкалы времени будет выполняться условие |Δt*| ≥ kτэ (здесь k - целое число), то сначала производится коррекция моментов формирования модулирующего кода ПСП. В этом случае, при Δt* < 0 производится циклический сдвиг модулирующего кода ПСП на k циклов «влево», при Δt* > 0 производится циклический сдвиг модулирующего кода ПСП на k циклов «вправо». После этого, посредством кодирования разности |Δt*| ≥ kτэ (знак разности соответствует знаку Δt*) и дополнительной фазовой манипуляции, производится передача кодированной информации (об откорректированной поправке к ШВ*) бортовой станции. В общем, передача информации (о поправках к ШВ*) бортовой станции может быть осуществлена в виде резервных сообщений стандарта передачи дифференциальных поправок RTCM SC-104 [16].
Что касается системной шкалы времени ШВМ, то здесь также необходимо проводить коррекцию вычисленного значения ΔtM (как будет показано ниже) расхождения ШВМ (рис. 3) только в случае, если для вычисленного значения расхождения шкалы времени ΔtM будет выполняться условие |Δt*| ≥ kτэ(здесь k - целое число). Здесь производится коррекция моментов формирования модулирующего кода ПСП для опорных сигналов систем слежения за фазой и временем на БС. В этом случае при ΔtM < 0 производится циклический сдвиг модулирующего кода ПСП на k циклов «влево», при ΔtM > 0 производится циклический сдвиг модулирующего кода ПСП на k - циклов «вправо».
Для поддержания допустимой погрешности синхронизации требуется периодическое проведение коррекции ШВ. Определим допустимый интервал времени между двумя последовательными во времени коррекциями ШВ. Пусть с момента времени, когда синхронизация временных шкал опорных станций осуществлена идеально (расхождение шкал времени отсутствует), задающими генераторами опорных станций в течение времени Δt порождается совместный частотный сдвиг Δƒ опорных частот ƒ (здесь ƒ - номинальные значения частот) задающих генераторов опорных станций. Сообразно с этим частотный сдвиг Δƒ приведёт к ошибке Δr измерения дальности, которая будет обусловлена ошибкой измерения времени Δτ = Δr / c (c - с корость распространения ЭМВ [14]). Тогда частотный сдвиг Δƒ можно представить как доплеровский сдвиг по частоте Δƒ = ΔƒДОП = ƒν / с, обусловленный скоростью v = Δr / Δt изменения ошибки Δr измерения дальности. Таким образом, можно сказать, что за время Δtнаблюдения частотный сдвиг Δƒ порождает расхождение Δτ шкал времени, и записать Δƒ = ƒΔτ / Δt. Таким образом, допустимый межкоррекционный интервал для расхождения Δτ шкал времени будет определяться выражением
(5)
Допустимая погрешность синхронизации ШВ (Δτ = 0,92 нс) обуславливает погрешность измерения расстояния Δd < 0,3 м. При использовании на опорных станциях рубидиевых стандартов частоты FE5650A с относительной нестабильностью частоты Δƒ/ ƒ = 10-12, значение требуемого периода Δt коррекции ШВ составит (0.92 ⋅ 10-9 / 10-12 = 0,2 ⋅ 103 c) не более 15 мин. Этого времени достаточно, чтобы обеспечить передачу информации о поправках к ШВ бортовой станции с минимальной вероятностью ошибок (не более 1 · 10–5), что обеспечит допустимую погрешность синхронизации шкал времени навигационной системы.
Алгоритм вычисления координат БС
Координаты расположения БС (рис. 1, пункт М) можно определить путем решения системы трех уравнений для квазидальностей, отличающихся от геометрических дальностей (dAM, dBM и dCM, рис. 1) на величину, пропорциональную расхождению шкал времени (ΔtB и ΔtC) и системной шкалы времени (ΔtM, рис. 3) при скоростях (vAM, vBM и vCM) распространения сигналов, которые могут быть определены по метеопараметрам [14], соответствующим трассам (AM, BM и CM) распространения сигналов, в форме
(6)
где τAM = tMA - tA - псевдозадержка распространения сигнала на трассе AM, измеренная по шкале времени ШВМ;
τCM = tMB - tB псевдозадержка распространения сигнала на трассе ВМ, измеренная по шкале времени ШВМ;
τCM = tMC - tC псевдозадержка распространения сигнала на трассе СМ, измеренная по шкале времени ШВМ;
ΔtM - расхождение системной шкалы времени ШВМ относительно шкалы времени ШВА опорной станции ОСА – искомое значение.
Приведенная система уравнений (6) содержит три уравнения с тремя неизвестными xM , yM , ΔtM и может быть разрешена на практике, например, при помощи итерационного метода Ньютона [1]. Точность полученного решения будет определяться погрешностью измеренных значений псевдозадержек ( τAM , τBM и τCM ). Погрешность измеренных значений псевдозадержек будет определяться СКО слежения за временем принимаемых сигналов в приёмнике бортовой станции. СКО слежения за временем в когерентной системе слежения за временем определяется по формуле [17] στ =1/ (2πƒc q) ≃ 8 нс (на предельной дальности 600 км относительно опорной станции отношение Сигнал/Шум в полосе информационного символа составляет q2 = 10 дБ и центральная частота ПС сигнала с МЧМ ƒc = 2 МГц). С учётом СКО синхронизации ШВ (<1 нс), максимальная СКО σM измерения псевдозадержки t*M составит не более 10 нс. Это позволяет реализовать измерение РНП (дальности при удалении БС от опорной станции на 600 км) временным методом в автономной наземной РНС с точностью не хуже 3 м.
Заключение
Таким образом, предложенный в данной статье метод измерения местоопределения бортовой станции при известной несинхронности излучений сигналов опорных станций позволяет решать задачу определения местоположения бортовой станции без необходимости задания единой системной шкалы времени РНС. При этом путем приема цифровой информации от каждой из ведомых опорных станций, несущих наряду со служебной информацией информацию о поправках к шкалам времени тех же опорных станций, аппаратурой бортовой станции производится компенсация погрешностей, обусловленных несинхронностью излучения сигналов опорных станций РНС. Предложенный метод уменьшения погрешности определения координат бортовой станции и повышения метрологических характеристик РНС в целом могут найти применение в современных наземных РНС с широкополосными сигналами.
Об авторах
Владимир Михайлович Мусонов
Сибирский государственный университет науки и технологий имени академика М. Ф. Решетнева
Автор, ответственный за переписку.
Email: sen@sibsau.ru
кандидат технических наук, профессор кафедры ПНК
Руанда, 660037, Красноярск, проспект имени газеты «Красноярский рабочий», 31Александр Петрович Романов
Сибирский государственный университет науки и технологий имени академика М. Ф. Решетнева
Email: offic@sfu-krus.ru
кандидат технических наук, доцент кафедры РЭС, институт ИФ и РЭ
Россия, 660037, Красноярск, проспект имени газеты «Красноярский рабочий», 31Список литературы
- Сетевые спутниковые радионавигационные системы / В. С. Шебшаевич, П. П. Дмитриев, Н. В. Иванцевич и др. / под ред. В. С. Шебшаевича. 2-е изд., перераб. и доп. М. : Радио и связь, 1993. 408 с.
- Радионавигационные системы сверхдлинноволнового диапазона / С. Б. Болошин и др. М. : Радио и связь, 1985. 263 c.
- Nard G. Geoloc: Spread spectrum concept applied in new accurate medium-long range radiopositioning system. Sercel, France, 1984.
- Syledis network design. Sercel, France, 1985.
- Демьянов В. В. Особенности функционирования спутниковых РНС в неблагоприятных гелио-географических условиях. Иркутск : ИрГУИС, 2010. 212 с.
- Информационные технологии в радиотехнических системах / В. А. Васин, И. Б. Власов, Ю. М. Егоров и др. / под ред. И. Б. Фёдорова. М. : Изд-во МГТУ им. Н. Э. Баумана, 2004. 768 с.
- Методы модуляции и приёма цифровых частотно-манипулированых сигналов с непрерывной фазой / В. Б. Крохин, В. Ю. Беляев, А. В. Гореликов и др. // Зарубеж. Радиоэлектроника. 1982. № 4. С. 58–72.
- Ипатов В. П. Широкополосные системы и кодовое разделение сигналов. М. : Техносфера, 2007. 487 с.
- Цифровые радиоприёмные системы / М. И. Жодзишский, Р. Б. Мазепа и др. М. : Радио и связь, 1990. 208 с.
- Лавров А. Взаимное влияние линейных вибраторных антенн. М. : Связь, 1975. 130 с.
- Кинкулькин И. Е., Рубцов В. Д., Фабрик М. А. Фазовый метод определения координат. М. : Сов. Радио, 1979. 280 с.
- Simon M. K. The autocorrelation function and power spectrum of PCM/FM with random binary modulating waveforms // IEEE Trans. 1976. Vol. COM-24, No. 10. P. 1576–1584.
- Перов А. И. Основы построения спутниковых радионавигационных систем. М. : Радиотехника, 2012. 240 с.
- Агафонников А. М. Фазовые радиогеодезические системы для морских исследований.
- М. : Наука, 1979. 164 с.
- TDC – GP2 Universal 2 Channel Time – to – Digital Converter.
- RTCM Recommended Standards For Differential GNSS (Global Navigation Satellite Systems) Service. Future Version 2.2. Future successor to RTCM recommended standards for differential NAVSTAR GPS Service Version 2.1 // RTCM Special Committee. 1996. No. 104.
- Радиотехнические системы / Ю. П. Гришин, В. П. Ипатов, Ю. М. Казаринов и др. / под ред. Ю. М. Казаринов. М. : Высш. шк., 1990. 496 с.






