Prospects for the development of charger-discharge devices of spacecraft power supply systems
- 作者: Krasnobaev Y.V.1
-
隶属关系:
- Siberian Federal University
- 期: 卷 25, 编号 1 (2024)
- 页面: 115-125
- 栏目: Section 2. Aviation and Space Technology
- ##submission.datePublished##: 29.07.2024
- URL: https://journals.eco-vector.com/2712-8970/article/view/634625
- DOI: https://doi.org/10.31772/2712-8970-2024-25-1-115-125
- ID: 634625
如何引用文章
详细
Power supply system (PSS) is designed to ensure uninterrupted autonomous power supply of on-board equipment in all modes and at all stages during the active life of spacecraft. Lots of PSS makes up a significant proportion of the mass spacecraft and improvement of specific energy characteristics PSS this leads to a synergistic effect when the mass and energy consumption resources available for the payload are simultaneously increased, which increases efficiency of spacecraft generally.
The article considers the evolution of structural and circuit solutions for PSS spacecraft, its energy-converting equipment and the effect of these changes on energy-mass characteristics PSS. It is shown that a significant effect on energy and mass characteristics PSS provide structural and circuit design solutions for charger and discharge devices of energy-converting equipment and the choice of voltage value accumulator batteries (AB).
The development of the element base, the creation of programmable digital devices capable of functioning under the influence of space factors and the emergence of new circuit design and management solutions for pulse converters that have occurred in the last decade opens up new opportunities for improvement of the PSS of spacecraft.
In the article as a charger and discharge device PSS reviewed pulse voltage converter (PVC) with a new modulation strategy, with the ability to reverse the flow of energy and the ability to work in a step-up mode with high efficiency. Its application as a single charger-discharge device (CDD) allows for a significant improvement in performance CDD and PSS in general, such as efficiency, energy mass, reliability and a number of others.
Ability PVC to reverse the flow of energy and the possibility of working in a step-up mode opens up the possibility to abandon the use of AB with a voltage lower than the voltage at the main output PSS and switch to using AB with an average discharge voltage close to the voltage at the main output PSS. Such a structural and circuit design solution CDD and AB will allow you to increase efficiency of CDD up to 99 % and additionally improve energy and mass characteristics PSS.
全文:
Introduction
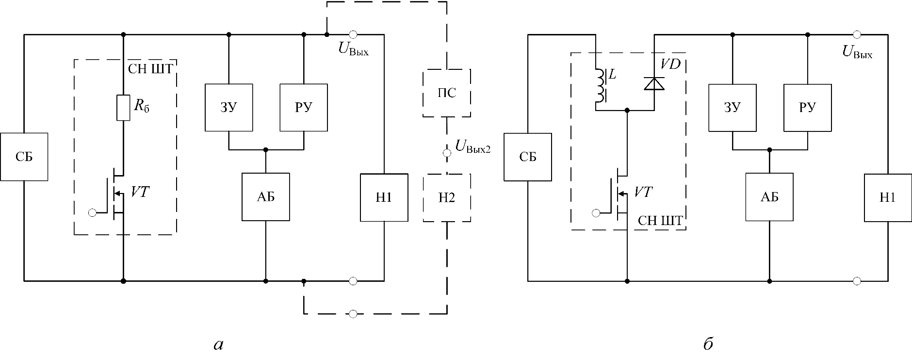
Spacecraft power supply systems (PSS) are designed to generate electrical power, store it, and supply electrical power of specified quality to target consumers and spacecraft service systems during the entire active life cycle (ALC) [1]. In modern spacecraft PSS, electric power generation is carried out by solar batteries (SB), and its storage - by rechargeable batteries (RB). In addition to SBs and RBs, the PSS includes energy conversion equipment (ECE), which, as a rule, consists of three devices - stabilizing (SD), discharging (DD) and charging (CD). Each of these devices is, in fact, a pulse voltage converter (PVC) or a set of parallel connected PVCs. Energy transfer from the SB and the RB to the PSS output and formation of the specified quality of electrical energy are provided by the SD and the DD, respectively, and the charging device performs the function of charging of the RB [2; 3]. When applying the shunt control principle in the SD, its memory, providing an RB charge, can also be used to stabilize the voltage at the PSS output [3]. The type of the device, which at the current moment of time provides stabilization of the PSS output voltage, depends on the ratio of the power generated by the SB and the power consumed by the load, as well as on the degree of charging of the RB.
The first spacecraft - the first Earth satellite - used a chemical current source as an energy source. The necessity to increase the active life cycle (ALC) of spacecraft required the inclusion of solar and rechargeable batteries in their PSS. In the power supply system SB and RB were combined according to the structural scheme shown in Fig. 1.
The composition of such a PSS, in addition to the SB and RB, includes a power supply control unit (PSCU) and a power switch (PS). In this PSS, its operation mode is controlled by the PSCU and is reduced to switching on and off the PS, switching the SB to the RB, and the load (H1). In essence, PSPU excludes overcharging of the RB and ensures timely start of its charging. The advantage of such a PSS is its simplicity, and the disadvantages are low quality of voltage Uutput at the PPS output, a large number of charge-discharge cycles of the RB, reducing its service life and, as a consequence,
the ALС of aircraft. In addition, in such a PSS there is underutilization of the SB energy due to the fact that the voltage on the SB, determined by the voltage on the RB, varies in a wide range during the process of charging the RB and does not correspond to the voltage at the point of maximum power of the SB [2; 3].
The need to eliminate the above-mentioned disadvantages led to the creation in the 70's of the last century of energy-converting equipment, which includes VS (voltage stabilizer), CD and DD, made on the basis of PVС, providing voltage stabilization at the output of the PSS [2; 3]. Various structural schemes for combining the VS, CD and DD into a single system – ECE [2-4], but the most widely used are the PSS structural schemes shown in Figs. 2 and 3. The PSS shown in Fig. 2 utilizes a VS based on a series-type PVC (SVS).
Рис. 1. Структурная схема СЭП с БКИП
Fig. 1. Structure diagram of PSS with PSCU
Рис. 2. Структурная схема СЭП с СН ПТ
Fig. 2. Structure diagram of PSS with SVS
In the PSS shown in Fig. 3, a and b, the VS is based on a shunt-type power voltage controller (V SS(T)). In the PSS shown in Fig. 3, a, a VSS(T) with a ballast resistor Rb is used, which is periodically connected in parallel with the PSS output by means of transistor VT, stabilizing the voltage at the PSS output. In the PSS shown in Fig. 3, b, a VSS(T) made according to the so-called S3R scheme. In this VSS(T), transistor VT periodically short-circuits the SB, disconnecting it from the PSS output and thus stabilizing the voltage at the PSS output. In the PSS shown in Fig. 3, b, a VSS(T) is used, made according to the so-called S3R scheme. The choke L is used to limit the rate of rise and amplitude of current through the transistor VT associated with the discharge of the parasitic capacitance of the SB. At large values of the inductance of the choke L, the VSS (T) can perform an additional function of providing the maximum power extraction from the SB, i.e. it can work as an extreme regulator of the SB power.
In modern spacecraft PSS the use of several solar and recharging batteries with a corresponding increase in the number of VSs, CDs and DDs is widely used to increase their power, operation reliability, and ALS. At the same time, the structural solution of such PSS is close to PSS, shown in Figs. 2 and 3, b, and differs only by increasing the number of SBs, RBs, VSs, CDs and DDs connected to the PSS output in the same way. The capacity and reliability of VSs, CDs and DDs and in modern PSS are increased due to the parallel connection of pulse voltage converters [3; 6].
Рис. 3. Структурные схемы СЭП с СН ШТ: а – с балластным резистором; б – схема S3R
Fig. 3. Structural diagrams of PSS with STVS: а – with ballast resistor; b – scheme S3R
For almost half a century, spacecraft PSS and their ECE have changed significantly. This happened due to the successful solution of scientific and engineering tasks to improve the circuitry of ECE devices, the emergence of more advanced element base, the development and introduction of new types of solar and recharging batteries. Basically, these changes resulted in a significant increase in the voltage at the output of PSS and the voltage on PSS batteries. Thus, in high-power PPS, the typical value of the PPS output voltage is 100 V, and the maximum RB voltage is in the range of 92-96 V. The voltage on the SB has increased accordingly. This allowed to reduce the currents in the cable network and PSS devices, thus increasing the efficiency of devices and their energy-mass characteristics [3; 6]. Structural schemes of PSS with series and shunt stabilizers, having their advantages and disadvantages, continue to compete and find their areas of preferred application [7].
Setting the task
The article focuses on the stages of the development of the circuitry of charging and discharging devices, which are inextricably connected with changes in voltage levels at the RB and the output of the PSS. Then, based on the identified development trend and taking into account the development of the PVC element base and circuitry, steps are justified to further improvement of the charging and discharging devices of the PSS RB and the rational choice of the RB voltage.
Stages in the development of power supply systems
In the 70's of the last century there was a transition from PSS with PSPU, where the output voltage corresponded to the RB voltage and was unstable, to PSS with stabilized output voltage, with PSPU, where the output voltage corresponded to the RB voltage and was unstable, to PSS with stabilized output voltage. In the first such PSS, the average discharge voltage on the RB was 27 V, i.e. it corresponded to the average discharge voltage on the RB in the PSS with PSPU. Such an approach was applied in the PSS with automatic and stabilization blocks and stabilization units 17MO14 and 17MO26 [2], in which VS, CD and DD were included according to the structural scheme shown in Fig. 2. The output voltage in such PSS was stabilized at the level of 27 V, but at the same time the maximum voltage on the RB was 43 V, and the minimum voltage was 24 V. Such a voltage ratio required the designers to implement the CD and DD in the form of series-connected pulse converters of step-down and step-up types. As a consequence, such CDs and DDs had efficiency at the level of 0.85 and low power-mass characteristics [2].
It was possible to increase the efficiency and improve the energy-mass characteristics of the CD and DD by matching the voltages at the output of the PSS and the RB so that the maximum voltage at the battery was less than the voltage at the output of the PSS, equal to 27 V. This approach was applied in the PSS with the complex of automation and stabilization 92G6 [2], in which the CD was made according to the scheme of the pulse converter of the step-down type, and the DD - according to the scheme of the pulse converter of the step-up type. This allowed to increase the efficiency of the CD and DD to the level of 0.92 and to improve their power-mass characteristics [2]. The output voltage in such PSS stabilized at 27 V, but at the same time the maximum voltage on the RB was 43 V, and the minimum was 24 V. Such a ratio of voltages required the developers to perform CD and DD in the form of sequentially connected pulse converters of step-down and step-up types. As a result, such CD and DD had an efficiency of 0.85 and low energy-mass characteristics [2].
In order to further increase the efficiency of power conversion in the mid-80s of the last century, the voltage on the RB was increased so that the minimum voltage on it exceeded the voltage at the PSS output. This made it possible to apply a step-down-type DD and a step-up-type CD. At the same time, due to the increase in the RB voltage it was possible to reduce the currents in the power circuits of pulse converters and increase their efficiency. Thus, in the 17M122 automation and stabilization complexes, the efficiency of the CD and the DD reached the level of 0.92 [2].
The next step was made in the late 90s of the 20th century when creating the PSS for the SESAT satellite. In this communication satellite, for the first time in domestic practice, the PSS had two outputs with stabilized voltage. The first main output with voltage Uoutput equal to 40 V was connected to the satellite target load - repeaters, and to the second output with voltage Uoutput 2 equal to 27 V - low-power service systems. The structural scheme of the PSS was close to the scheme shown in Fig. 3, а. The differences consisted in the fact that it included a second RB and corresponding to it CD and DD, and their power circuits were formed by the parallel inclusion of several PVCs. In addition, the second PSS output, with a low voltage level Uoutput 2 was obtained by connecting to the first output of the step-down voltage stabilizer (SDVS), shown in Fig. 3, a with dashed line. The maximum RB voltage was chosen to be less than 40 V, which required the use of a step-down type СD and a step-up DD type. Taking into account the fact that the CD and DD perform their functions at different time intervals, the developers of the ECE of SESAT spacecraft used the same chokes, which allowed to reduce the mass of the CD and DD and, in fact, turn them into a single charge-discharge unit (CDU). Reducing the mass of the charge-discharge unit and increasing the voltage at the main output of the PSS, which allowed to increase the efficiency of the devices, led to a significant increase in the energy efficiency of the PSS of SESAT spacecraft [8].
The tendency to increase the voltage at the output of powerful spacecraft PSS and to use a second low-voltage output in PSS to supply low-power service loads has continued in the 21st century. Thus, both in domestic spacecraft and in foreign-made spacecraft, the voltage at the main output of the PSS is stabilized at the level of 100 V. A typical example is the PSS of "Glonass-K2" spacecraft of domestic production, and foreign manufacturers have such PSS of Space Bus 3000 and Space Bus 4000 space platforms [3; 9]. At the same time, these PSSs use a well-established concept of selecting the maximum battery voltage at a level lower than the voltage at the main output of the PSS. As a rule, the maximum charging voltage ranges from 92 to 97 V.
Prospects for the development of charging and discharging devices circuit design
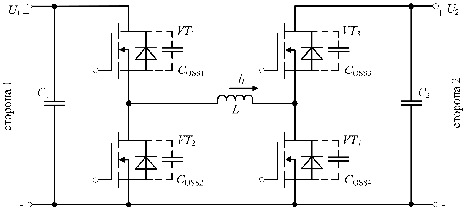
The development of schematic solutions of PVС, laws of control of their power transistors and application of new element base in PVC opens new opportunities for designers of EСE systems of spacecraft power supply. In the first decade of the 21st century there appeared publications, in which a new mode of control of power transistors is considered, called by the authors a new modulation strategy [10; 11]. The scheme of the power circuit of this PVC is shown in Fig. 4. Such a PVC is able to provide energy transfer both from the input (side 1) to the output (side 2) and back, i.e., to reverse the energy flow. In addition, it has the ability to both step down and step up the voltage while transferring the energy in either direction.
Рис. 4. Схема силовой цепи повышающе-понижающего ИПН с возможностью реверса потока энергии
Fig. 4. Power circuit diagram of a step-up step-down PVС with power flow reversal capability
The power circuit of this PVC has a minimum number of elements and a symmetrical topology, which makes it possible to reverse the energy flow, i.e. allows the PVC to be used as a single charger. Since the processes of charging and discharging of the RB are separated in time, the power circuit of the PVC, shown in Fig. 4, can alternately perform the functions of charging and discharging of the RВ, while ensuring the stabilization of the voltage at the output of the PSS and the required modes of charging the RB. In addition, this PVC has a high efficiency, which in a number of operating modes exceeds the level of 0.99. High values of efficiency are explained by the fact that in the PVC there are no dynamic energy losses on the transistors of the circuit due to their switching "at zero voltage". The strategy of such switching of transistors, proposed in [10; 11], allows combining the advantages of PVC with pulse-width modulation (PWM) and resonant converters. At the interval of switching transistors, the control device of PVC forms a special controlled pause, which "starts" the oscillatory process in the LC-loop, formed by the inductance of the choke L and parasitic capacitance Сoss power transistors, which allows switching transistors without dynamic losses in the "soft switching" mode [10-13]. Fig. 5 shows the nomograms of the efficiency of the PVC for two switching modes of its transistors [10]. Figure 5 shows the nomograms of the efficiency of the PVC for two switching modes of its transistors [10]. The nomograms in Fig. 5, a were obtained by switching PVC transistors with the formation of a commonly used pause called "dead time", and in Fig. 5, b – using a new modulation strategy proposed in [10; 11]. The coordinate axes of the nomograms show the ratios of the current values of the voltages at the input U1 (side 1) or output U2 (side 2) to the maximum value of the voltage on the Umax side. Comparison of the nomograms shows a significant gain in efficiency for the PVC with the new modulation strategy. Since the PVCs considered in [10; 11] were intended for use in hybrid cars, the nomograms shown in Fig. 5 were obtained for the modes characteristic for the RB of these objects, namely, the maximum values of Umax voltage of 400 V and transmitted power of 50 kw. In order to verify the possibility of achieving high efficiency in the PVC with a lower level of converted voltage, a physical mockup of the PVC with the maximum Umax voltage of 100 V was made. Tests of the mockup at voltages U1 = 50 V and U2 = 75 V showed the efficiency equal to 0.98, which corresponds to the nomogram shown in Fig. 5, б.
Рис. 5. Номограммы КПД ИПН при разных способах коммутации ключей: а – с использованием «мертвого времени» при коммутации; б – с новой стратегией модуляции
Fig. 5. Nomograms of PVS efficiency at different methods of key switching: а – using “dead time” during switching; b – with a new modulation strategy
The additional expected benefits that can be achieved by using this PVC as a charging and discharging device (CDD) of the spacecraft power supply system may include:
– high energy-mass characteristics of the CDD, since the possibility of reversing the energy flow makes it possible to exclude from the ECE one of the devices, the CD or DD, and the power circuit of the PVC contains a small number of elements;
– high indices of reliability and low level of generated electromagnetic interference, because switching of transistors is carried out in the “soft switching” mode.
In addition to the obvious advantages of using the considered PVC as a CDD, it should be noted that there may be certain difficulties in the practical realization of such a technical solution. The new modulation strategy, which provides the PVC with excellent efficiency and the possibility of reversing the energy flow, is associated with the need to form three controlled switching moments of power transistors during the conversion period and adjustable pauses in the vicinity of the switching moment. Provision of such a complex control of the PVC is possible only with the use of digital devices - microcontrollers, digital signal processors or programmable logic integrated circuits. Works on implementation of such digital devices in the ECE of spacecraft power supply systems are already actively carried out [6; 14].
Before realizing the control law for the power transistors of the PVC, it was necessary to synthesize the control law itself. For this purpose, we used a technique based on an adequate transition from a system with PWM to a system with pulse amplitude modulation (PAM), synthesis of the control law of the PVC using a well-developed theory of systems with PAM and a reverse transition to a system with PWM [15; 16], previously tested in the synthesis of the control law for the ECE devices of the SESAT communication satellite. The synthesized control law for the PVC operating in the DD mode was verified using its computer model and a physical layout with microcontroller control [17]. The time diagrams illustrating the transients in the PVC, obtained by computer modeling are shown in Fig. 6. The frequency of conversion in PVC is chosen equal to 50 kHz, the capacitance of the output filter capacitor is equal to 500 µF, and its internal active resistance is equal to 0.006 Ohm. The voltage at the RB (side 1) is assumed to be 65 V, and at the output of the PVC (side 2) is assumed to be 100 V. The time diagrams (from top to bottom) show: voltage Uoutput at the output of the PVC; current iL of the PVC choke; current iН of the load.
Рис. 6. Временные диаграммы, иллюстрирующие переходные процессы в ИПН
Fig. 6. Time diagrams illustrating PVC transients
It follows from the analysis of time diagrams that the new steady-state mode occurs after 100 µs and there is no static voltage stabilization error.
The control law for a PVC operating in the CD mode was synthesized and verified [18]. The problems of parallel operation of several PVCs are also successfully solved. The obtained solutions are at the stage of patenting.
Another important property that the considered PVC possesses is its ability to operate in voltage step-up and step-down modes. Consequently, in the PSS with a CD, when its voltage can be both higher and lower than the voltage, was previously used in the 17MO14 and 17MO26 automation and stabilization units and resulted in low efficiency and energy-mass characteristics of spacecraft ECE due to the double energy conversion both in the CD and in the DD [2; 3]. However, when applying the considered PVC as a CDD, the opposite result should be expected, namely, an increase in efficiency up to a value close to 0.99. This follows from the nomogram shown in Fig. 5, b, because at the voltage on the RB about 100 V the efficiency of the PVC will be determined by the graph located in the upper right corner of the nomogram.
Conclusion
The conducted analysis of the evolutionary path of battery parameters and topologies of charging and discharging devices of power supply systems has revealed the existence of an established approach to the selection of the battery voltage below the output voltage level of the power supply system.
The achievements made in recent years in terms of new circuitry and management solutions for pulse converters, the emergence of digital devices - microcontrollers, digital signal processors or programmable logic integrated circuits, capable of functioning under the influence of factors of outer space, opens up prospects for the application of pulse voltage converter with a new modulation strategy. This pulse converter makes it possible to provide a significant improvement in the characteristics of the charging and discharging device of the power supply system, such as efficiency, power mass, reliability and a number of other characteristics provided by the digital control device.
The refusal to use accumulator batteries with voltage lower than the voltage at the output of the power supply system and transition to accumulator batteries with average discharge voltage close to the output voltage of the PSS, i.e. increased by 25-30% of the achieved level, will additionally raise the efficiency of energy conversion by means of the proposed pulse converter to values close to 99% and additionally improve the energy-mass characteristics of power supply systems.
作者简介
Yuri Krasnobaev
Siberian Federal University
编辑信件的主要联系方式.
Email: uvkras@mail.ru
Dr. Sc., Professor of the Department of Automatics, Automatic Control and Engineering
俄罗斯联邦, Krasnoyarsk参考
- Mukund R. Patel Spacecraft power systems. Florida: CRC Press, 2005. 691 p.
- Soustin B. P., Ivanchura V. I., Chernyshev A. I., Islyaev Sh. N. Sistemy elektropitaniya kosmicheskikh apparatov [Power supply systems of spacecrafts]. Novosibirsk, Nauka Publ., 1994, 318 p. (In Russ.).
- Kozlov R. V. Optimizatsiya energomassovykh kharakteristik sistemy elektropitaniya geostatsionarnogo kosmicheskogo apparata. Dis. Kand. [Optimization of energy and mass characteristics of the power supply system of a geostationary spacecraft. Dis. Cand.]. Tomsk, 2021, 183 p.
- Krasnobaev Yu. V., Kudryashov V. S., Chubar A. V. [Comparative analysis of the topologies of spacecraft power supply systems]. Informatika i sistemy upravleniya : sb. nauch. tr. [Computer science and management systems. Interuniversity collection of scientific works]. Krasnoyarsk, GU NII IPU Publ., 2002, Iss. 8, P. 34–41 (In Russ.).
- Bouhours G., Asplanato R. Power Subsystem for 20 kW Telecommunication Satellites. Proceedings of the Fifth European Space Power Conference (ESPC). Tarragona, Spain, 21–25 September 1998. Organised by European Space Agency.
- Kabirov V. A. Energopreobrazuyushchiy kompleks s rezervirovannoy tsifrovoy sistemoy upravleniya dlya vysokovol'tnykh sistem elektropitaniya kosmicheskikh apparatov. Dis. Kand. [An energy-converting complex with a redundant digital control system for high-voltage power supply systems of spacecraft. Dis. Cand.]. Tomsk, 2023, 209 p.
- Polyakov S. A. [The choice of the operating mode of solar batteries of power supply systems of spacecraft]. Elektronnye i elektromekhanicheskie sistemy i ustroystva : tez. dokl. 27 NTK. [Electronic and electromechanical systems and devices. Abstract. report 27 NTK]. Tomsk, FSUE NPC Polyus Publ., 2006, P. 8–11 (In Russ.).
- Yudintsev A. G. [Energy–transforming complexes for ground–based testing and confirmation of the predicted reliability of spacecraft power supply systems]. Doklady TUSUR. 2019, Vol. 22, No. 3, P. 95–102 (In Russ.).
- Garrigos A., Carrasco J. A., Blanes J. M., Sanchis-Kilders. A power conditioning unit for high power GEO satellites based on the sequential switching shunt series regulator. MELECON. 2006. IEEE Mediterranean Electrotechnical Conference. Malaga, Spain, 2006. P. 1186–1189. doi: 10.1109/MELCON.2006.1653313.
- Waffler S., Kolar J. W. A novel low-loss modulation strategy for high-power bidirectional buck + boost converters. IEEE Transactions on Power Electronics. 2009, Vol. 24, No. 6, P. 1589–1599.
- Waffler S., Kolar J. W. Efficiency Optimization of an Automotive Multi-Phase Bi-directional DC-DC Converter. Wuhan (China): Proceedings of the 6th IEEE International Power Electronics and Motion Control Conference. 2009, P. 566–572.
- Krasnobaev Yu. V., Zakharov V. V., Karnaukhov M. A. [Analysis of electromagnetic processes in AC-DC converters with possibility of reverse flow of energy and increased efficiency]. Vestnik SibGAU. 2014, Vol. 455, No. 3, P. 100–107 (In Russ.).
- Krasnobaev Yu. V., Nepomnyashchiy O. V., Sazonov I. E., Yablonskiy A. P., Khaidukova V. N. [Application of the reversible step-up and stepdown pulse converter as a charging and dis charging devise in an autonomous system power sipplay]. Radio engineering. 2023, Vol. 87, No. 8, P. 155–161 (In Russ.).
- Lopatin A. A., Druzhinin A. A., Asochakov A. S., Puchkov A. V. [Determination of the digital controller’s characteristics of the switched-mode power converters]. Siberian Journal of Science and Technology. 2020, Vol. 21, No. 3, P. 409–416. doi: 10.31772/2587-6066-2020-21-3-409-416.
- Krasnobaev Yu. V. [Methodology of synthesis of laws and structures of converter control devices]. Izv. vuzov. Priborostroenie. 2004, Vol. 47, No. 4, P. 39–48 (In Russ.).
- Krasnobaev Yu. V. [Development of the synthesis method for high-speed pulse voltage stabilizers]. Izv. vuzov. Priborostroenie. 2004, Vol. 54, No. 11, P. 61–68 (In Russ.).
- Nepomnyashchiy O. V., Krasnobaev Yu. V., Yablonskiy A. P., Sazonov I. E. Sposob upravleniya impul’snym stabilizatorom napryazheniya [Method for controlling a switching voltage regulator]. Patent RF, no. 2021118448, 2022.
- Krasnobaev Yu. V., Nepomnyashchiy O. V., Sazonov I. E., Yablonskiy A. P. Sposob upravleniya zariydnim uztroistvom s impul’snym printspom deistviya [Method for controlling a charger devices with pulsed operating principle]. Patent RF, no. 2813604 C1 MPC H02J 7/34, 2024.
补充文件









