Ultrastructural features of the brain of patients with cognitive impairment in Alzheimer’s disease and vascular dementia
- Authors: Onishchenko L.S.1, Emelin A.Y.1, Zueva O.V.2, Dyskin D.E.1
-
Affiliations:
- Military Medical Academy
- City Polyclinic N 106
- Issue: Vol 43, No 4 (2024)
- Pages: 393-399
- Section: Original articles
- URL: https://journals.eco-vector.com/RMMArep/article/view/636479
- DOI: https://doi.org/10.17816/rmmar636479
- ID: 636479
Cite item
Full Text
Abstract
BACKGROUND: Nowadays, due to the increase in life expectancy, the problem of cognitive disorders, quite often found in elderly people and being a formidable syndrome of a number of neurodegenerative diseases, is extremely relevant. According to epidemiological data, the most common causes of cognitive dysfunction are Alzheimer’s disease and cerebrovascular diseases, accounting for about 90% of all cases.
AIM: to investigate the morphological features underlying the development of cognitive disorders in Alzheimer’s disease and cerebrovascular pathology.
MATERIALS AND METHODS: According to our developed and patented method of preparation of sectional material for electron microscopy а detailed study of the brain of elderly patients with Alzheimer’s disease and cerebrovascular pathology was carried out using electron microscopy on autopsy material.
RESULTS: Electron microscopy of the brains of patients with Alzheimer’s disease often reveals large extracellular reticulate-fiber structures closely adjacent to myelin fibers, which are part of a fibrous plaque. In vascular dementia, irregularly shaped hyperchromic masses with heterogeneous contents are found in the neuropil, which may represent future so-called “diffuse” plaques. In Alzheimer’s disease, fragments of future “diffuse” plaques are also observed in the cytoplasm of some cortical oligodendrocytes. In all deceased with Alzheimer’s disease, synaptic changes were found in the form of roughly granular disintegration of the entire synaptocomplex, i.e., synaptic vesicles, mitochondria, and the synaptic cleft proper.
CONCLUSION: This study provides an opportunity to take a new look at some questions of etiology and pathogenesis of such a disease as cognitive disorders, which is not easy to diagnose and treat.
Full Text
АКТУАЛЬНОСТЬ
Среди разнообразных и многочисленных неврологических синдромов, формирующихся в результате органических и функциональных повреждений структур головного мозга различной этиологии, важнейшую роль играют нарушения высших мозговых функций, что крайне негативно влияет на качество жизни пациентов и членов их семей.
Патоморфологическое исследование при болезни Альцгеймера (БА) выявляет следующие макроскопические признаки: кортикальная атрофия с преимущественным поражением медиобазальных отделов височных долей, включая энторинальную кору и структуры гиппокампальной формации, а также ассоциативной коры височных и теменных долей. При микроскопическом исследовании для подтверждения патологии альцгеймеровского типа необходимо выявление типичных нейропатологических маркеров заболевания, к которым относятся амилоидные (сенильные) бляшки, преимущественно экстрацеллюлярной локализации, и нейрофибриллярные клубки (НФК). Состав сенильных бляшек представлен в основном скоплением фибрилл бета-амилоида (А-бета42/40), а также отложением микроглобулина, убиквитина и некоторых других белков. НФК располагаются в нейропиле и представлены парными спиральными нитями филаментов, образованных гиперфосфорилированным тау-белком. Амилоидные бляшки являются маркером патологического амилоидоза, а НФК являются маркером нейродегенеративного процесса, коррелируя с тяжестью нейрональной потери и выраженностью когнитивного дефицита при БА [1].
В основе развития сосудистой деменции лежат органические структурные изменения ткани головного мозга, включающие инфаркты (точнее, постинфарктные кисты), как правило, множественные, а также распространенное ишемическое повреждение подкоркового белого и серого вещества (субкортикальная лейкоэнцефалопатия) [2–6]. Микроскопическая оценка изменений белого вещества, формирующихся в результате хронической гипоперфузии и гипоксии подкорковых структур зон конечного кровоснабжения, позволяет выявить разнообразный спектр повреждений: очаги коагулопатического полного и неполного некроза (лакуны), разрежения нейропиля, спонгиоз, частичная демиелинизация, гибель аксонов, глиоз и расширение периваскулярных пространств (криблюры) [2, 7–11].
Однако оценка патоморфологических изменений с помощью электронной микроскопии в литературе представлена недостаточно. Ранее нами было показано образование в головном мозге пациентов с БА так называемых «нейронов деменции», не обнаруживаемых при других нейродегенеративных заболеваниях [1, 2, 11]. С целью определения особенностей ультраструктурных изменений, происходящих в головном мозге пациентов с БА и сосудистой деменции, нами было предпринято детальное электронно-микроскопическое исследование различных структур головного мозга в рамках выполнения диссертационного исследования [2].
МАТЕРИАЛЫ И МЕТОДЫ
Для исследования были взяты макропрепараты головного мозга 4 пациентов с БА и 3 — с сосудистой деменцией. Материал для электронной микроскопии был взят на аутопсии и приготовлен по методике подготовки секционного материала для электронной микроскопии, предложенной в Военно-медицинской академии и успешно применявшейся нами в последние годы [13]. Ультратонкие срезы головного мозга изготавливали при помощи ультратома III фирмы LKB (Швеция) и изучали в электронных микроскопах JEM-100CХ (Япония), LEO-910 (Германия).
РЕЗУЛЬТАТЫ
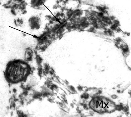
При электронной микроскопии препаратов головного мозга умерших пациентов с диагнозом БА наиболее часто выявлялись экстрацеллюлярные крупные образования, характеризующиеся сетчато-волокнистым строением и располагающиеся в непосредственной близости от миелиновых волокон (рис. 1). Мы полагаем, что такие структуры являются частью волокнистой амилоидной бляшки [2].
Рис. 1. Волокнистые бляшки (стрелки) в теменной коре головного мозга при деменции альцгеймеровского типа. МВ — миелиновые волокна. Ув. а ×10 000, б ×12 500
Fig. 1. Fiber plaques (arrows) in the parietal cortex of the brain in dementia of the Alzheimer’s type. MB — myelinated fibers. Magn. a ×10,000, b ×12,500
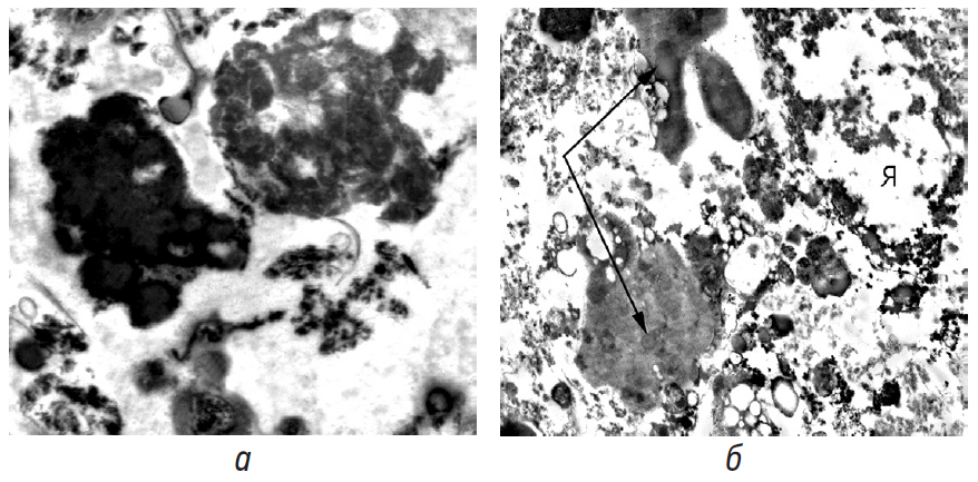
Электронная микроскопия препаратов мозга умерших пациентов с прижизненно установленной сосудистой деменцией выявила гиперхромные образования неправильной формы с гетерогенным содержимым, локализованные в нейропиле, которые могут представлять собой начальные стадии формирования так называемых «диффузных» бляшек. Кроме того, фрагменты будущих «диффузных» бляшек при БА обнаруживались в цитоплазме некоторых олигодендроцитов коры головного мозга (рис. 2) [2].
Рис. 2. а — формирование «диффузной» бляшки в нейропиле при сосудистой деменции. Ув. ×20 000; б — деменция альцгеймеровского типа. Фрагменты незрелой «диффузной» бляшки в цитоплазме олигодендроцита (стрелки). Я — ядро олигодендроцита. Ув. ×6300
Fig. 2. a — formation of a “diffuse” plaque in the neuropil in vascular dementsia. Magn. ×20,000; b — dementsia of the Alzheimer’s type. Fragments of immature “diffuse” plaque in the cytoplasm of oligodendrocyte (arrows). Я — nucleus of the oligodendrocyte. Magn. ×6300
Интересной находкой при альцгеймеровской патологии явилось обнаружение необычных, «пальцевидных» структур в цитоплазме некоторых очень крупных нейронов, которые, вероятно, были измененными канальцами гранулярной эндоплазматической сети. Мы полагаем, что вышеописанные цитоплазматические структуры формируются вследствие дисбаланса внутриклеточного метаболизма (в частности, белкового синтеза), что может в дальнейшем привести к образованию типичной «диффузной» бляшки (рис. 3) [2].
Рис. 3. Гиперхромный нейрон при деменции альцгеймеровского типа. В цитоплазме нейрона — «пальцевидные» образования из канальцев гранулярной эндоплазматической сети (стрелки). Ув. ×6600
Fig. 3. Hyperchromic neuron in dementia of the Alzheimer’s type. In the cytoplasm of the neuron are “finger-like” formations from the tubules of the granular endoplasmic reticulum (arrows). Magn. ×6600
В связи с тем, что еще одним типичным признаком патологии альцгеймеровского типа является синаптическая дисфункция, нами были исследованы синапсы и установлено, что в изученном материале у всех умерших с БА практически всегда обнаруживались ультраструктурные изменения. В пресинаптической части синаптического аппарата митохондрии либо отсутствовали вовсе, либо их структура была нарушена; часто были разрушены митохондриальные матрикс и кристы, при этом сами митохондрии становились почти прозрачными (рис. 4). Обнаруживались различные изменения синаптических везикул: с одной стороны, они были слипшимися, с другой — разрушенными и нередко располагались на расстоянии от синаптической щели. Непосредственно зона синаптического контакта характеризовалась повышенной плотностью, особенно в постсинаптической части, при этом терминали, прилежавшие к этой зоне контакта, нередко были прозрачными. Кроме того, в некоторых синаптических терминалях наблюдались картины грубогранулярного распада всего синаптического комплекса, т. е. синаптических везикул, митохондрий и собственно синаптической щели [2].
Рис. 4. Многополюсный синапс при деменции альцгеймеровского типа. Мх — митохондрия, стрелки — зоны синаптических контактов. Ув. ×25 000
Fig. 4. Multipolar synapse in dementia of the Alzheimer’s type. Mx —mitochondrion, arrows — synaptic contact zones. Magn. ×25,000
ОБСУЖДЕНИЕ
По результатам нашего исследования, у умерших с БА были обнаружены классические маркеры этого заболевания в виде амилоидных (сенильных) бляшек и патологии синапсов [5]. По мнению многих исследователей, отложение нерастворимых форм амилоида играет основную инициирующую роль в патогенезе БА, приводя к последующей гибели нейронов, находящихся рядом с сенильными бляшками, за счет как прямого токсического действия, так и включения ряда опосредованных механизмов [14].
В нашей работе скопления амилоида обнаруживались как в экстрацеллюлярном пространстве, так и внутриклеточно, причем не только в нейронах, но и в олигодендроцитах. Отложения амилоида были представлены не только сформировавшимися сенильными бляшками, но и диффузными скоплениями амилоидных нитей [2]. Это представляется особенно важным, так как, согласно современным данным, именно олигомерные формы амилоидного белка обладают наибольшим токсическим влиянием на нейроны, приводя их к гибели [15]. Наличие включений амилоидного белка в глиальных клетках (олигодендроцитах) является очень интересной находкой и в определенной степени может рассматриваться как один их механизмов, отражающих повреждение белого вещества при БА, что может влиять на элиминацию патологических веществ, включая амилоид.
Важным результатом исследования явилось обнаружение подобных БА изменений амилоидного обмена при сосудистой деменции. Это хорошо согласуется с концепцией «смешанной сосудисто-нейродегенеративной патологии» [16, 17].
Смешанная деменция патоморфологически характеризуется накоплением амилоида как в мозговой ткани, так и в сосудистой стенке, накоплением гиперфосфорилированного и общего тау-белка, нейровоспалительными реакциями, синаптической и клеточной гибелью [1]. На аутопсийном материале показано, что у 70–90 % больных с прижизненно диагностированной БА выявляются скопления β-амилоида в медии и адвентиции артерий, что приводит к нарушению целостности сосудистой стенки в сосудах и способствует церебральной гипоперфузии, гипоксии, тем самым поддерживая порочный круг нейродегенерации. Внутрисосудистое накопление амилоида лежит в основе церебральной амилоидной ангиопатии, которая клинически в первую очередь проявляется геморрагическим повреждением мозга, однако в настоящее время все больше исследователей склоняются к тому, что она может быть также и причиной ишемии с последующим развитием когнитивных нарушений.
Таким образом, цепь патологических изменений, приводящих к возникновению амилоидных бляшек и нейрофибриллярных клубков при БА и подключению дополнительных звеньев патогенеза, может быть обусловлена прогрессирующей ишемией головного мозга. Наличие признаков нейродегенеративного и сосудистого процессов — это не просто параллельные состояния, проявляющиеся суммацией их клинического эффекта, а патологический синергизм за счет взаимного влияния на уровне промежуточных звеньев патогенеза. При цереброваскулярной патологии и БА формируется порочный круг, основными звеньями которого являются снижение реактивности сосудов микроциркуляторного русла, ишемия, нейрогенное воспаление, нарушение клиренса и накопление β-амилоида [1, 2, 18, 19].
ЗАКЛЮЧЕНИЕ
Таким образом, в результате электронно-микроскопического исследования были установлены типичные признаки БА в виде амилоидных отложений и нарушения структуры синапсов, приводящих к патологии синаптической передачи. Полученные данные позволяют уточнить основные причины развития когнитивных нарушений и дают возможность по-новому взглянуть на некоторые вопросы этиологии и патогенеза таких непростых для диагностики и лечения состояний, как БА и сосудистая деменция.
ДОПОЛНИТЕЛЬНАЯ ИНФОРМАЦИЯ
Вклад авторов. Все авторы внесли существенный вклад в проведение исследования и подготовку статьи, прочли и одобрили финальную версию перед публикацией. Личный вклад каждого автора: Л.С. Онищенко — сбор и обработка материала, анализ и интерпретация данных, подготовка рукописи; А.Ю. Емелин — сбор материала, анализ полученных данных, подготовка рукописи; О.В. Зуева — обработка материала; Д.Е. Дыскин — участие в подготовке рукописи.
Конфликт интересов. Авторы заявляют об отсутствии конфликта интересов.
Этическая экспертиза. Проведенное исследование одобрено локальным этическим комитетом ФГБВОУ ВО Военно-медицинской академии им. С.М. Кирова.
ADDITIONAL INFO
Authors’ contribution. All authors made a substantial contribution to the conception of the study, acquisition, analysis, interpretation of data for the work, drafting and revising the article, final approval of the version to be published and agree to be accountable for all aspects of the study. Personal contribution of each author: L.S. Onishchenko — collection and processing of material, analysis and interpretation of data, preparation of the manuscript; A.Yu. Emelin — collection of material, analysis of the obtained data, preparation of the manuscript; O.V. Zueva — processing of material; D.E. Dyskin — participation in preparation of the manuscript.
Funding source. The authors declare that they have no competing interests.
Ethical expertise. The conducted study was approved by the local ethics committee of the S.M. Kirov Military Medical Academy.
About the authors
Lyudmila S. Onishchenko
Military Medical Academy
Email: ludonis1947@yandex.ru
ORCID iD: 0000-0003-3562-1029
SPIN-code: 4985-7683
ResearcherId: I-7566-2016
Cand. Sci. (Biology)
Russian Federation, Saint PetersburgAndrey Yu. Emelin
Military Medical Academy
Email: emelinand@rambler.ru
ORCID iD: 0000-0001-5801-1480
SPIN-code: 9650-1368
Scopus Author ID: 35773115100
ResearcherId: 1-8241-2016
MD, Dr. Sci. (Medicine), Professor
Russian Federation, Saint PetersburgOlga V. Zueva
City Polyclinic N 106
Email: vmeda-nio@mil.ru
MD
Russian Federation, Saint PetersburgDmitriy E. Dyskin
Military Medical Academy
Author for correspondence.
Email: drabovsk@mail.ru
ORCID iD: 0000-0002-2855-2953
SPIN-code: 6662-9481
Scopus Author ID: 6602481680
ResearcherId: J-3336-2016
MD, Dr. Sci. (Medicine), Associate Professor
Russian Federation, Saint PetersburgReferences
- Emelin AYu, Lobzin VYu, Vorobyov SV. Cognitive impairment: a guide for physicians. Moscow; 2019. 416 р. (In Russ.)
- Emelin AYu. Kognitivnye narusheniya pri tserebrovaskulyarnoi bolezni (patogenez, klinika, differentsialnaya diagnostika) [dissertation]. Saint Petersburg; 2010. Available from: https://www.dissercat.com/content/kognitivnye-narusheniya-pri-tserebrovaskulyarnoi-bolezni-patogenez-klinika-differentsialnaya-diagnostika yaysclid=m2f6vuqu5a535301348 (In Russ.)
- Gorelick P, Scuteri A, Black S, Decarli C. Vascular Contributions to Cognitive Impairment and Dementia: A Statement for Healthcare Professionals From the American Heart Association/American Stroke Association. Stroke. 2011;42(9):2672–2713. doi: 10.1161/STR.0b013e3182299496
- Jellinger KA. Pathology and pathogenesis of vascular cognitive impairment — a critical update. Front Aging Neurosci 2013;5:17. doi: 10.3389/fnagi.2013.00017
- Barbay M, Taillia H, Nédélec-Ciceri C, et al. GRECOG–VASC Study Group. Prevalence of Poststroke Neurocognitive Disorders Using National Institute of Neurological Disorders and Stroke–Canadian Stroke Network, VASCOG Criteria (Vascular Behavioral and Cognitive Disorders), and Optimized Criteria of Cognitive Deficit. Stroke. 2018;49(5):1141–1147. doi: 10.1161/STROKEAHA.117.018889
- Gearing M, Mirra SS, Hedreen J, et al. The consortium to establish a registry for Alzheimer’s disease (CERAD). Part X. Neuropathology confirmation of the clinical diagnosis of Alzheimer’s disease. Neurology. 1995;45(3 Pt 1):461–466. doi: 10.1212/wnl.45.3.461
- Esiri MM, Wilcock GK, Morris JH. Neuropathological assessment of the lesions of significance in vascular dementia. J Neurol Neurosurg Psychiatry. 1997;63(6):749–753. doi: 10.1136/jnnp.63.6.749
- Gold G, Bouras C, Canuto A, et al. Clinicopathological validation study of four sets of clinical criteria for vascular dementia. Amer J Psychiatry. 2002;159(1):82–87. doi: 10.1176/appi.ajp.159.1.82
- Charidimou A, Pantoni L, Love S. The concept of sporadic cerebral small vessel disease: a road map on key definitions and current concepts. Int J Stroke. 2016;11(1):6–18. doi: 10.1177/1747493015607485
- Iadecola C. The pathobiology of vascular dementia // Neuron. 2013;80(4):844–866. doi: 10.1016/j.neuron.2013.10.008
- McAleese K, Alafuzoff I, Charidimou A, et al. Post-mortem assessment in vascular dementia: advances and aspirations. BMC Medicine. 2016; 14:129. doi: 10.1186/s12916-016-0676-5
- Gaikova ON, Trofimova TN, Onishchenko LS, et al. Morphological specificities of brain cortex neurons in Alzheimer’s type dementia and vascular dementia. Bulletin of the Russian Military Medical Academy. 2012;(3(39)):193–200. (In Russ.) EDN: PKBRIN
- Patent RUS N2790929 C1 / 28.02.2023. MPK G01N33/48, G01N1/28. Onishchenko LS, Gnevyshev EN, Zhivolupov SA et al. Method for preparing sectional material for electron microscopic study of the nervous system. EDN: BAMQBA. Available from: https://yandex.ru/patents/doc/RU2790929C1_20230228?ysclid=m2f8jujhsp272284920 (In Russ.) EDN: BAMQBA
- Nagy Z. The last neuronal division: a unifying hypothesis for the pathogenesis of Alzheimer’s disease. J Cell Mol Med. 2005;9(3): 531–541. doi: 10.1111/j.1582-4934.2005.tb 00485.x
- Walsh DM, Klyubin I, Fadeeva JV, et al. Amyloid–β oligomers: their production, toxicity and therapeutic inhibition. Biochem Soc Trans. 2002;30(4):552–557. doi: 10.1042/bst0300552x
- Korczyn AD. Mixed dementia the most common cause of dementia. Ann N Y Acad Sci. 2002;977:129–134. doi: 10.1111/j.1749-6632.2002.tb04807.x
- Sadowski M, Pankiewicz J, Scholtzova H, et al. Links between the pathology of Alzheimer’s disease and vascular dementia. Neurochem Res. 2004; 29(6):1257–1266. doi: 10.1023/b: nere.0000023612.66691.e6
- Jellinger KA, Mitter-Ferstl E. The impact of cerebrovascular lesions in Alzheimer disease — a comparative autopsy study. J Neurol. 2003; 250(9):1050–1055. doi: 10.1007/s00415-003-0142-0
- Kalaria RN. Small vessel disease and Alzheimer’s dementia: pathological considerations. Cerebrovasc Dis. 2002;13 Suppl 2:48–52. doi: 10.1159/000049150
Supplementary files






