Experimental studies of charge of non-superconductive magnetic energy storage
- Authors: Nikitin V.V.1, Sereda G.E.1, Sereda E.G.1, Sereda A.G.1
-
Affiliations:
- Petersburg State Transport University of Emperor Alexander I
- Issue: Vol 2, No 1 (2016)
- Pages: 126-135
- Section: Original papers
- URL: https://journals.eco-vector.com/transsyst/article/view/7588
- DOI: https://doi.org/10.17816/transsyst201621126-135
- ID: 7588
Cite item
Full Text
Abstract
One of the urgent tasks of railway transport development connected with the problem of power saving according to “The strategic directions of scientific and technical development of OAO RZD for the period of up to 2015” is a wide use of power-intensive energy storages in the main technological processes of power consumption and energy generation.
Owing to the progress in the field of manufacturing high temperature superconductors of the second generation, the use of superconducting magnetic energy storages (SMES) is the most promising.
A feature of induction coils, which are inductive energy storage as receivers and sources, according to the laws of commutation is inability to change current quickly through induction. This makes difficult to connect superconducting magnet directly to energy sources and receivers of traditional performance. This means that SMES require special charging circuits.
The most viable is to charge coil via intermediate capacitor (capacitance storage (CS)). In this case, coil charge will be on phased basis, taking character of pulse pump of energy. The advantages of this modification are that energy source released from handling large, slowly varying currents, resulting in possibility to flexibly adjust magnitude and duration of coil charge depending on the required charging mode.
To verify that the scheme of charging inductive energy storage via intermediate capacitor non-superconductive magnetic energy storage which, unlike superconductive has a finite resistance, has been used.
The authors confirmed working capacity of charging scheme for inductive energy storage via intermediate capacitor on phased basis.
It is noted that maximum current value during charge of CS increases with capacitance value of the intermediate storage and with decreasing series included with CS inductance.
Full Text
Введение
Особенностью катушек индуктивности, которые и являются индуктивными накопителями энергии (ИН), как приемников, так и источников, согласно законам коммутации, является невозможность мгновенно изменить ток через индуктивность. Это обстоятельство затрудняет непосредственное подключение сверхпроводящих магнитов к источникам и приемникам энергии традиционного исполнения. Необходимы специальные схемы включения [1-13].
Наиболее целесообразным, представляется вариант заряда катушки индуктивности через промежуточный конденсатор (емкостной накопитель (ЕН)) [1, 2]. В этом случае заряд катушки будет проходить поэтапно, принимая характер импульсной накачки энергии. Преимущества такого варианта состоят в том, что источники энергии освобождается от работы с большими, медленно меняющимися токами, в результате чего появляется возможность гибко регулировать величину и длительность заряда катушки в зависимости от требуемых режимов заряда.
Для проверки работоспособности схемы заряда индуктивного накопителя через промежуточный емкостной накопитель был использован несверхпроводниковый индуктивный накопитель энергии который в отличии от сверхпроводникового (СПИН) обладает конечным активным сопротивлением.
Особенностью работы схемы с индуктивным накопителем (ИН) в отличии от схемы со СПИН является значительные потери энергии накопленной в ИН на активном сопротивлении, в момент дозаряда промежуточного ЕН. Наличие потерь приводит к тому, что в процессе заряда ИН наступает такой установившейся режим, при котором энергия, полученная от промежуточного ЕН при одном цикле разряда, будет равна энергии рассеивающейся на активном сопротивлении ИН за время одного цикла заряда промежуточного ЕН. Вследствие этого заряд ИН будет происходить до значения среднего тока, обусловленного балансом энергии отдаваемой от промежуточного ЕН и энергии рассеиваемой на активном сопротивлении ИН.
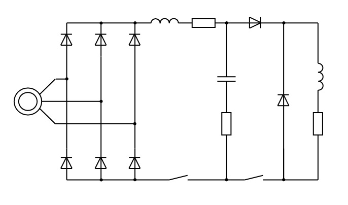
Принципиальная схема экспериментальной установки представлена на рис.1.
Рис.1. Принципиальная схема зарядного преобразователя
Эксперимент
Экспериментальная установка состоит из: трехфазного синхронного генератора СГ ПНТ-45, трехфазного неуправляемого выпрямителя, собранного на диодах VD1–VD6 типа ВЧ2-160-10, токоограничивающего реактора (индуктивностью LТР и активным сопротивлением RТР), промежуточного емкостного накопителя ЕН (емкостью СЕН и активным сопротивлением RЕН), индуктивного накопителя (индуктивностью LИН и активным сопротивлением RИН), диода VD7, не допускающего разряд индуктивного накопителя на промежуточный ЕН, диода VD8, обеспечивающего контур протекания тока ИН при заряде промежуточного ЕН и полупроводниковых ключей К1 и К2, условно представленных на рисунке замыкающими контактами.
Преобразователь давал возможность изменения индуктивности токоограничивающего реактора LТР в пределах 0,1 – 0,4 Гн, за счет изменения положения сердечника, и емкости промежуточного емкостного накопителя CЕН в пределах 100 – 800 мкФ, путем параллельного включения конденсаторов. Полупроводниковые ключи К1 и К2 были изготовлены на основе биполярных транзисторов BU508. Управление ключами осуществлялось от персонального компьютера через COM порт при помощи программы, написанной в среде Turbo Pascal. Ключи К1 и К2 были расположены в точке схемы с низким потенциалом для уменьшения вероятности выхода из строя полупроводниковых приборов по причине пробоя из-за возникающих перенапряжений при коммутации.
Методика проведения экспериментального исследования предусматривала:
- Определение параметров индуктивного накопителя.
- Определение величины начального броска тока при заряде промежуточного емкостного накопителя в зависимости от: индуктивности токоограничивающего реактора и от емкости промежуточного емкостного накопителя, при неизменном напряжении на выходе трехфазного выпрямителя.
- Осциллографирование кривых токов и напряжений на промежуточном емкостном накопителе и индуктивном накопителе при заряде индуктивного накопителя.
Параметры индуктивного и емкостного накопителей определялись измерительным мостом переменного тока. Для снятия зависимости начального броска тока при заряде промежуточного накопителя от основных параметров преобразователя и осциллографирования кривых применялся комплект виртуальных компьютерных измерительных приборов NI ELVIS.
В результате экспериментальных исследований получены:
– осциллограммы токов и напряжений на промежуточном емкостном накопителе и индуктивном накопителе при заряде индуктивного накопителя до установившегося режима (рис. 2, 3);
Рис.2. Ток и напряжение на промежуточном ЕН
Рис.3. Ток и напряжение на ИН
– зависимости начального броска тока при заряде промежуточного ЕН от величины индуктивности токоограничивающего реактора и емкости промежуточного ЕН, при неизменном напряжении на выходе трехфазного выпрямителя (рис. 4, 5).
Рис.4. Зависимость начального броска тока при заряде промежуточного ЕН от индуктивности токоограничивающего реактора
Рис.5. Зависимость начального броска тока при заряде промежуточного ЕН от его емкости
Выводы
- В работе экспериментально подтверждена работоспособность схемы поэтапного заряда индуктивного накопителя через промежуточный емкостной накопитель.
- Отмечено, что максимальное значение тока при заряде ЕН возрастает с увеличением величины емкости промежуточного накопителя, а также, с уменьшением величины последовательно включенной с ЕН индуктивности.
About the authors
Victor V. Nikitin
Petersburg State Transport University of Emperor Alexander I
Author for correspondence.
Email: victor-nikitin@nm.ru
Ph.D., Associate Professor, Head of the Department "Electromechanical complexes and systems"
Russian FederationGennady E. Sereda
Petersburg State Transport University of Emperor Alexander I
Email: gennady.sereda@mail.ru
Ph.D., associate professor of the department "Electromechanical complexes and systems"
Russian FederationEugene G. Sereda
Petersburg State Transport University of Emperor Alexander I
Email: g-pereda@mail.ru
Ph.D., associate professor of the department "Electromechanical complexes and systems"
Russian FederationAlexander G. Sereda
Petersburg State Transport University of Emperor Alexander I
Email: g-pereda@mail.ru
engineer of the department "Electromechanical complexes and systems"
Russian FederationReferences
- Никитин В. В. Принципы использования сверхпроводникового индуктивного накопителя энергии для повышения экономичности силовой установки автономного транспортного средства / В. В. Никитин, Е. Г. Середа, Б. А. Трифонов // Известия высших учебных заведений. Проблемы энергетики. - № 1 - 2, 2010 - С. 62 - 70.
- Антонов Ю. Ф., Зайцев А. А. Магнитолевитационная транспортная технология / Под ред. В. А. Гапановича. - М.: ФИЗМАТЛИТ, 2014. - 476 с.
- Бут Д. А. Накопители энергии: Учебное пособие для вузов / Д. А. Бут, Б. Л. Алиевский, С. Р. Мизюрин, П. В. Васюкевич: Под ред. Д. А. Бута. - М.: Энергоатомиздат, 1991. - 400 с.
- Хожаинов А. И., Никитин В. В. Автономная тяговая электрическая передача со сверхпроводниковыми электрическими машинами и индуктивным накопителем энергии // M.: Электричество, 1996 - № 10. - С. 30-37.
- Хожаинов А. И. Способ применения сверхпроводникового накопителя энергии (СПИН) для повышения экономичности грузовых газотурбовозов / А. И. Хожаинов, В. В. Никитин, Г. Е. Середа // Транспорт Российской Федерации, 2007 - №7 - С.29-31.
- Середа Е. Г. Анализ схемы заряда сверхпроводникового индуктивного накопителя энергии через промежуточный емкостный накопитель // Известия Петербургского университета путей сообщения, 2009 - №2 - С.60 - 70.
- Glukhikh V. Feasibility of SMES Devices Basing on the Developed Technology of Superconducting Magnets for Tokamak Fusion Reactors / V. Glukhikh, O. Filatov, V. Belyakov // IEEE Transactions on Аpplied Superconductivity. - 2000. - Vol.10. - No1. pp. 771-776.
- Development of 1 MJ conduction-cooled LTS pulse coil for UPS-SMES / Mito Toshiyuki, Kawagoe Akifumi, Chikaraishi Hirotaka, Maekawa Ryuji, Hemmi Tsutomu, Okumura Kagao, Abe Ryo, Baba Tomosumi, Ogawa Hideki, Yokota Mitsuhiro, Morita Yoshitaka, Yamauchi Kenji, Iwakuma Masataka, Kuge Atsuko, Nakamura Akira, Sumiyoshi Fumio // Applied Superconductivity Conference, Seattle, Wash, Aug.27-Sept.1, 2006. Pt2. / IEEE Trans. Appl. Supercond 2007 17, N2 2, Pt. 2, P.1973-1976.
- Design of a 1 MJ/0,5 MVA HTS magnet for SMES / Dai Shaotao, Xiao Liye, Wang Zikai, Zhang Jingye, Zhang Dong, Hui Dong, Song Naihao, Zhang Fengyuan, Gao Zhiyuan, Wang Yinshun, Lin Liangqzhen // Applied Superconductivity Conference, Seattle, Wash, Aug. 27-Sept. 1, 2006. Pt 2. / IEEE Trans. Appl. Supercond -2007, №2, pt.2, P.1977-1980.
- Fabrication and test of a 1 MJ HTS magnet for SMES / Xiao Liye, Wang Zikai, Dai Shaotao, Zhang Jinye, Zhang Dong, Gao Zhiyuan, Song Naihao, Zhang Fengyuan, Xu Xi, Lin Liangzhen // 20 International Conference on Magnet Technology, Philadelphia, Ра, Aug. 27-31, 2007. / IEEE Trans. Appl. Supercond. - 2008, № 2, P.770-773.
- Conceptual design of HTS magnet for a 5 MJ class SMES / Park Myungjin, Kwak Sangyeop, Kim Wooseok, Lee Jikwang, Han Jinho, Choi Kyeongdal, Jung Hyunkyo, Bae Joonhan, Kim Seokho, Sim Kiduk, Kim Haejong, Seong Kichul, Hanh Songyop // 20 international Conference on Magmet Technology, Philadelphia, Pa. Aug. 27-31. / Applied Superconductivity. - 2008, № 2, P.750-753.
- Using a superconducting magnetic energy storage coil to improve efficiency of a gas turbine powered high speed rail locomotive / Johnson Brian K., Law Joseph D., Saw Gerald P. // IEEE Trans. Appl. Supercond - 2001. Vol. 11, № 1, P. 1900-1903.
- Стрепетов В. М. Комбинированная система левитации и тяги на переменном токе. Основные результаты // Магнитолевитационные транспортные системы и технологии: труды 1-й междунар. научн. конф., СПб, 29-31 октября 2013. - СПб: ПГУПС, 2014. - С. 391-395.
Supplementary files








