Mathematical model of the hybrid system of magnetic levitation energy production equipment autonomous power 97 supply systems
- Authors: Vavilov V.E.1
-
Affiliations:
- Ufa State Aviation Technical University
- Issue: Vol 2, No 3 (2016)
- Pages: 97-108
- Section: Original papers
- URL: https://journals.eco-vector.com/transsyst/article/view/7636
- DOI: https://doi.org/10.17816/transsyst20162397-108
- ID: 7636
Cite item
Full Text
Abstract
Introduction. Typically, when developing mathematical models magnetocavitation systems (magnetic bearings, electrostatic bearings, hybrid magnetic bearings (GMP, etc.) is considered just the very bearing as a separate, isolated Electromechanical system. This approach allows us to accurately explore the process magnetocavitation systems, but practically does not allow to evaluate the processes occurring in the system of magnetic bearing–object position. To solve this problem, the author proposes a different approach to the analysis of the processes in magnetocavitation systems in General and GPC in particular considering the magnetic bearing–object position, as a single complex.
Goal. The work aimed the creation of a generalized analytical model of high-speed, AMPE with coercivity permanent magnet (VPM) on an elastic bearing supports, taking into account the mutual influence of processes in AMPA and bearing supports. This task is new and relevant and is essential to modern engineering. To solve this problem this paper developed a generalized mathematical model of the rotor system on a hybrid magnetic suspension. Evaluate the impact of hybrid magnetic bearings on the overall behavior of the rotor system. Performed analysis of processes in Electromechanical energy converters and mechanical processes occurring in the rotary system.
Method and methodology. The research methodology is based on the joint solution of Maxwell equations and equations describing the mechanical processes of a rotor system with five degrees of freedom.
Conclusion. The generalized mathematical model of high-speed, AMPE with VPM on a non-contact bearing supports and conducted her research. Based on research of the developed mathematical model, the authors developed an original control algorithm for the rotor position in a hybrid magnetic bearings, which allows for the design of high-speed, AMPE with VPM to abandon the position sensors of the rotor. In addition, on the basis of the results of calculations, a method was developed for diagnostics of eccentricity of rotor are high-speed, AMPE with VPM, as well as new methods of calculation of high-speed, AMPE with VPM, past experimental verification.
Full Text
Введение
Развитие авиакосмической и машиностроительной отрасли, робототехники и автономной энергетики ставит перед мировым электромашиностроением задачи по созданию высокооборотных электромеханических преобразователей энергии с высококоэрцитивными постоянными магнитами (ЭМПЭ с ВПМ) мощностью от 10 до 700 кВт, с частотами вращения ротора до 200 000 об/мин и сверхвысокооборотных ЭМПЭ мощностью до 1 кВт и частотами вращения до 1 000 000 об/мин [1, 2].
Применение данных ЭМПЭ с ВПМ является одним из перспективных направлений, которое позволяет значительно расширить функциональные возможности объектов, в которых они установлены, а также минимизировать массогабаритные показатели этих объектов и повысить их вырабатываемую мощность. Поэтому различными производственными компаниями и корпорациями ведутся исследования, разработки и производство подобных ЭМПЭ [3–9].
Так компанией Calnetix разрабатываются высокооборотные ЭМПЭ с ВПМ мощностью от 3 до 700 кВт для авиационной промышленности, кораблестроения, нефтяной и газовой промышленности. В ЭМПЭ с ВПМ компанией Calnetix для минимизации потерь на трение, обусловленных высокой частотой вращения ротора ЭМПЭ используются магнитные подшипник.
Компанией Capstone Turbine Corporation серийно выпускается несколько типоразмеров микротурбинных установок в которых используются высокооборотные ЭМПЭ с ВПМ (частоты вращения от 60000 до 96000 об/мин, мощности от 35 до 1200 кВт). Для минимизации потерь на трение в ЭМПЭ с ВПМ компании Capstone используются аэродинамические подшипниковые опоры.
NASA (Glenn Research Center, Cleveland, Ohio) работает над созданием высокооборотного ЭМПЭ с ВПМ для малых космических аппаратов. Мощность данного ЭМПЭ будет составлять 7 кВт, частота вращения ротора 50000 об/мин. Для снижения потерь на трение применяются электромагнитные подшипник и магнитные подшипник на постоянных магнитах [3].
Аналогичные работы ведутся ABB, ETH Zurich, Cryostar Group, E+A Elektromaschinen und Antriebe AG и другими компаниями [3–7].
Из анализа промышленно производимых высокобортных ЭМПЭ с ВПМ [3-7], большинство данных ЭМПЭ, с целью повышения их эффективности и минимизации потерь выполняются на бесконтактных подшипниковых опорах (БПО, аэродинамических или магнитных подшипниковых опорах) или упругих подшипниковых опорах (например гидродинамических подшипниках).
Использование БПО приводит к значительному усложнению конструктивной схем высокооборотного ЭМПЭ с ВПМ, а также к усложнению процесса его проектирования, так при это требуется учет не только электромеханических, электромагнитных и тепловых процессов в ЭМПЭ, но и процессов в БПО, а также их взаимовлияния. Поэтому для обеспечения точности процесса проектирования высокооборотных ЭМПЭ на БПО требуется, помимо прочего, создание новых математических инструментов для их разработки, которые позволили бы учесть взаимовлияния БПО и ЭМПЭ с ВПМ в процессе эксплуатации.
Постановка задач исследования
В работе [9] представлена математическая модель ЭМПЭ с ВПМ, а также разработана ее программная реализация в Matlab Simulink. В данной модели рассмотрены только электромагнитные процессы в высокооборотных ЭМПЭ. В [10] произведен многодисциплинарный анализ тепловых и механических процессов в высокооборотных ЭМПЭ с помощью программного комплекса Ansys. В [11] также с помощью программного комплекса Ansys решена задача многодисциплинарных исследований сверхвысокооборотных ЭМПЭ. В [12] разработана математическая модель для беспазовых ЭМПЭ в которой учитываются только электромагнитные процессы в высокооборотных ЭМПЭ. В [13] решается многодисциплинарная задача оценки теплового состояния высокооборотных ЭМПЭ. В [14] приведены совместные исследования тепловых и электромагнитных процессов в ЭМПЭ. В [15] разработана математическая модель магнитных подшипников, но при этом не рассматривается их влияние на высокооборотный ЭМПЭ. Таким образом, математических моделей и междисциплинарных исследований высокооборотных отдельно ЭМПЭ с ВПМ и отдельно БПО в литературе представлено значительное множество, а многодисциплинарных исследований системы высокооборотный ЭМПЭ – бесконтактные подшипниковые опоры, с учетом их взаимовлияний в литературе не представлено. Хотя данная задача является весьма актуальной, как для фундаментальной науки (на ее основе может сформулирована обобщенная целевая функция для оптимизации высокооборотных ЭМПЭ с ВПМ), так и для прикладных задач (решение данной задачи позволит значительно повысить точность проектирования высокооборотных ЭМПЭ с ВПМ, по результатам решения данной задачи могут быть сформулированы новые алгоритмы управления положением ротора высокооборотных ЭМПЭ с ВПМ).
Поэтому данная работа направленна создание обобщенной аналитической модели высокооборотных ЭМПЭ с ВПМ на упругих подшипниковых опорах, учитывающей взаимовлияние процессов в ЭМПЭ и БПО. Данная задача, как видно из представленного обзора, является новой и актуальной и имеет важное значение для современного энергомашиностроения. При аналитическое решение данной задачи будет иметь общий, масштабный характер, в отличи от решения данной задачи методами компьютерного моделирования (Femm, Ansys).
Обобщенная математическая модель высокооборотного ЭМПЭ на упругих подшипниковых опорах
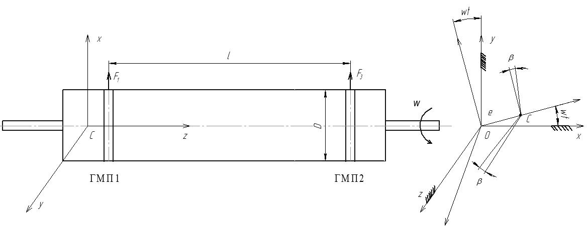
При разработке обобщенной математической модели, описывающей высокооборотные ЭМПЭ на БПО, рассматривается жесткий, недеформируемый ротор на упругих подшипниковых опорах (в качестве упругих подшипниковых опор могут выступать активные магнитные подшипники, газовые подшипники, гибридные магнитные подшипник), при этом ротор массой mр установлен на двух опорах (рисунок 1). Статическая неуравновешенность массы ротора характеризуется эксцентриситетом e, динамическая – угловым параметром .
В качестве ЭМПЭ при разработке математической модели рассматривается неявнополюсная ЭМПЭ с ВПМ, рисунок 1 Для упрощения математических преобразований используются следующие допущения:
- – магнитная проницаемость окружающей среды и воздушного зазора равна магнитной проницаемости вакуума;
- – величина немагнитного зазора намного меньше радиуса его кривизны, кривизна;
- – обмотка статора представляется в виде тонкого электропроводящего слоя, распределенного по диаметру расточки магнитопровода статора;;
- – плотность индуцированных токов по толщине тонкого медного слоя постоянна;
- – теплопроводность активных элементов ЭМПЭ постоянна по всем координатным осям (активные элементы ЭМПЭ изотропны);
- – аксиальная составляющая напряженности магнитного поля в торцевых поверхностях ротора равна 0, то есть рассматривается ЭМПЭ бесконечной длины;
- – температура в воздушном зазоре считается известной.
При решении поставленной задачи ищется совместное решение нескольких систем уравнений:
– системы уравнений, описывающих электромагнитные процессы в высокооборотном ЭМПЭ (системой уравнений Максвелла для медленно движущихся сред):
, (1)
, (2)
, (3)
, (4)
, (5)
, (6)
(7)
где – вектор магнитной индукции результирующего магнитного поля; – вектор напряженности электрического и магнитного полей; – вектор скорости движения ротора; – электрическая проводимость обмотки статора; – вектор плотности индуцированных токов; – вектор плотности сторонних токов;
Рис. 1. Обобщенная конструктивная схема ЭМПЭ на ГМП
– математической модели, описывающей механическое движение ротора:
, (8)
, (9)
, (10)
, (11)
где – – силы реакции опор; –– внешние силы, определяющие характер движения ротора;
; ;; ; – эксцентриситет ротора; mв– масса вала с ротором; lв – длина вала ротора; – частота вращения ротора; – экваториальный момент инерции вала; – осевой момент инерции вала; , , – изменение массы ротора; – гироскопический коэффициент; – радиальные смещения вала в упругой подшипниковой опоре; – осевая координата первого и второго БПО; – вторые производные от перемещений по времени.
Для общего анализа физических процессов в ЭМПЭ с ВПМ разрабатываемая математическая модель должна учитывать зависимость параметров магнитного поля в рабочем зазоре ЭМПЭ от температуры.
Учитывая, что магнитная индукция в воздушном зазоре ЭМПЭ пропорциональна остаточной индукции ВПМ, то зависимость магнитного поля ЭМПЭ с ВПМ от температуры может быть описана в виде:
,
где – действующие значения остаточной индукции и коэрцитивной силы ВПМ соответственно; – температура ВПМ; kBr– температурный коэффициент остаточной индукции ВПМ.
Данное выражение может быть представлено в следующем виде:
,
Разделив обе части выражения на :
,
Из системы уравнений Максвелла следует, что
.
При анализе электромагнитных процессов предполагается, что результирующее магнитное поле определяется суммой двух магнитных полей (поля ротора и поля индуцируемого в обмотке статора):
, (12)
. (13)
Тогда система уравнений Максвелла может быть переписана в виде:
, (14)
, (15)
, (16)
, (17)
, (18)
, (19)
, (20)
Из выражения (15) видно, что если (ротор неподвижен), но при этом (то есть температура ЭМПЭ изменяется во времени), то ЭМПЭ с ВПМ может генерировать электрическую энергию, мощность которой определяется скоростью изменения температурного потока и свойствами ВПМ. Очевидно, что скорость изменения температуры ВПМ много меньше скорости вращения высокооборотных ЭМПЭ. Но в тоже время доказанное свойство ЭМПЭ с ВПМ может быть использовано при создании различных типов датчиков и микротермоэлектрических генераторов.
Данный вывод является одним из свойств ЭМПЭ с ВПМ, которое нехарактерно для других типов электрических машин.
Решая систему уравнений (1)–(11) относительно напряженности вторичного поля, имеем следующее:
. (21)
При решении уравнения (21) обычно принимается, что ротор ЭМПЭ обладает одной степенью свободы, и скорость ротора не зависит от координат. При рассмотрении ЭМПЭ на упругих подшипниковых опорах ротор обладает 5 степенями свободы, в связи с чем, данное допущение при решении для ЭМПЭ на упругих подшипниковых опорах будет не верным.
Представим в виде:
, (22)
, (23)
где – оператор Гамильтона.
Так как :
, (24)
. (25)
. (26)
Из векторного анализа известно, что:
, (27)
. (28)
При проектировании ЭМПЭ с упругими опорами более целесообразно оперировать переменными в декартовой системе координат. Это обусловлено тем, что практически все системы управления БПО построены именно на использовании декартовой системы координат.
Тогда с учетом выражений (27), (28) можно записать следующее:
. (29)
Допускается, что в направлении оси z ротор жестко закреплен:
. (30)
Совокупность представленных выражений является обобщенным математическим описанием высокооборотного ЭМПЭ с ВПМ на БПО.
Заключение
Таким образом, разработана обобщенная математическая модель высокооборотного ЭМПЭ с ВПМ на бесконтактных подшипниковых опорах и проведены ее исследования. На основе исследований разработанной математической модели, авторами был разработан оригинальный алгоритм управления положением ротора в гибридных магнитных подшипниках который позволяет при проектировании высокооборотных ЭМПЭ с ВПМ отказаться от датчиков положения ротора. Кроме этого, на основе результатов расчетов была разработан способ диагностики эксцентриситета ротор высокооборотных ЭМПЭ с ВПМ, а также новые методы расчета высокооборотных ЭМПЭ с ВПМ, прошедшие экспериментальную верификацию.
Работа выполнена при поддержки Российского Фонда Фундаментальных Исследований (проект 16-38-60001).
About the authors
Viacheslav E. Vavilov
Ufa State Aviation Technical University
Author for correspondence.
Email: s2_88@mail.ru
Russian Federation
References
- Hendershot J. & Miller T. Design of brushless permanent-magnet motors // Oxford University Press, 1996.
- Borisavljev A. Limits, Modeling and Design of High-Speed Permanent Magnet Machines // Printed by Wormann Print Service. - Zutphen, the Netherlands, 2011. - P. 209.
- Nagorny A. S., Jansen R. H. & Kankam D. M., Experimental performance evaluation of a highspeed permanent magnet synchronous motor and drive for a flywheel application at different frequencies, in Proceedings // Electrical Machines-ICEM, 2006. - pp. 1-8.
- Binder A. & Schneider T. Permanent magnet synchronous generators for regenerative energy conversion - a survey // Power Electronics and Applications, 2005. - pp. 110-115.
- Malmquist A. Mikrogasturbinen als Wegbereiter der dezentralen Wärme- und Stromversorgung // ABB Technik.- 3/2000. - p.22-30.
- Nagorny A., Dravid N., Jansen R. & Kenny B. Design Aspects of a High Speed Permanent Magnet Synchronous Motor/Generator for Flywheel Applications // NASA/TM-2005-213651, 2005. - pp.1-7.
- Bailey C., Saban D. & Guedes-Pinto P. Design of High-Speed Direct-Connected Permanent-Magnet Motors and Generators for the Petrochemical Industry // IEEE Transactions on Industry Applications, 2009. - vol. 45. № 3. -pp. 1159-1165.
- Isomura K., Murayama M., Teramoto S., Hikichi K., Endo Y., Togo S. & T anaka S. Experimental Verification of the Feasibility of a 100W Class Microscale Gas Turbine at an Impeller Diameter of 10 mm, J. // Micromech. Microeng, 2006. - no. 16. - pp. 254-261.
- Kulkarni S. S. & Thosar A. G. Mathematical Modeling and Simulation of Permanent Magnet Synchronous Machine // International Journal of Electronics and Electrical Engineering. - vol. 1. - №. 2. - pp. 66-71.
- Kolondzovski Z., Arkkio A., Larjola J. & Sallinen P. Power limits of high-speed permanent-magnet electrical machines for compressor applications. Report Series on Electromechanics // Report 76, Aalto University School of Science and Technology, Espoo 2010. - 21 p.
- Li W., Zhang Х. & Cheng S. Thermal Optimization for a HSPMG Used for Distributed Generation Systems // IEEE Transactions on Industrial Electronics, 2013. - vol. 60. - no. 2. - pp. 474-482.
- Pierre-Daniel Pfister Very High Speed Slotless Permanent Magnet Motors: Analytical Modeling, Optimization, Design and Torque Measurement Methods // IEEE Transactions on industrial electronics. - vol. 57. - no. 1. - pp. 45-49.
- Tüysüz A., Steichen M., Zwyssig C. & Kolar J. W. Advanced cooling concepts for ultra-high-speed machines // Power Electronics and ECCE Asia (ICPE-ECCE Asia), pp. 2194-2202.
- Vong P. & Rodger D. Coupled electromagnetic-thermal modeling of electrical machines // IEEE Trans. on Magn. - vol. 39. - no 3. - pp. 1614-1617.
- Shen J. & Fabien B. Optimal control of a flywheel energy storage system with a radial flux Hybrid Magnetic Bearing // Journal of the Franklin Institute-Engineering and Applied Mathematics, 2002. - vol. 339. - no 2. - pp. 189-210.
Supplementary files




