Extrafocal osteosynthesis using anchor-pin device for the treatment of united fractures and pseudoarthroses of humerus
- 作者: Afaunov A.A.1, Afaunov A.I.1
-
隶属关系:
- Kuban State Medical Academy
- 期: 卷 6, 编号 4 (1999)
- 页面: 9-13
- 栏目: Original study articles
- ##submission.dateSubmitted##: 19.03.2022
- ##submission.dateAccepted##: 19.03.2022
- ##submission.datePublished##: 15.11.1999
- URL: https://journals.eco-vector.com/0869-8678/article/view/105118
- DOI: https://doi.org/10.17816/vto105118
- ID: 105118
如何引用文章
全文:
详细
Extrafocal Osteosynthesis using monolateral anchorpin device is suggested for the treatment of patients with ununited fractures and pseudoarthroses of the humerus. The main transosseous element of the device are the anchor bunches of two or three pins the tips of which perforate the soft tissues and the underlying cortical layer of the bone fragments from only one side. Intraosteally the pins form the angle of 60° - 100°. Fiveor sixmillimeter rods could serve as the repositioning elements. The outer construction of the device is presented by pin-holders of three types, threading bars of different length, external reposition unit, rectangular strips and the arms for the mounting of repositioning rods. The device is compact and possesses high potentialities for reposition. The device provides reliable osteosynthesis and thus enables the early postoperative loading of the extremity. The method was used for the treatment of 24 patients with ununited fractures and 36 patients with pseudoarthrosis of the humerus. Longterm results (one year after operation) are studied in 17 and 26 patients, respectively. In ununited fractures good results are obtained in 82.3% and satisfactory in 17.7% of cases, in pseudoarthrosis - in 80.8% and 19.2%, respectively.
全文:
Переломы плечевой кости являются одним из наиболее частых повреждений скелета. Несмотря на широкое внедрение в практическую травматологию и ортопедию новых высокотехнологичных методов остеосинтеза, результаты их лечения оказываются неудовлетворительными у 3,3-45% больных, что во многом связано с возрастанием количества тяжелых открытых и огнестрельных повреждений, политравм. Среди всех несращений переломов плечевой кости до 27% составляют ложные суставы. Оптимальным, а в ряде случаев единственно возможным методом лечения несросшихся переломов и ложных суставов плечевой кости является чрескостный остеосинтез. Из достаточно большого арсенала конструкций для внеочагового остеосинтеза наиболее приемлемыми для остеосинтеза плеча ввиду особенностей топографии плечевого сегмента нам представляются аппараты с монолатеральной компоновкой внешних элементов по наружной или передненаружной поверхности.
На кафедре травматологии, ортопедии и ВПХ Кубанской медицинской академии разработан, экспериментально-технически обоснован и реализован в клинической практике монолатеральный внешний фиксатор на основе чрескостного несквозного анкерно-спицевого захвата костных отломков пучками спиц с внутрикостным разведением введенных концов [1]. Предложенный аппарат, применяемый для остеосинтеза длинных костей верхних и нижних конечностей и таза, позволяет решать задачи репозиционного и фиксационного плана как во время операции, так и в процессе последующего стационарного и амбулаторного лечения.
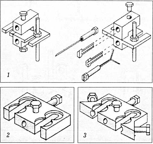
Базовыми чрескостными элементами аппарата являются анкерные пучки из двух или трех спиц (последовательность формирования пучка схематически представлена на рис. 1, а—е). Заостренные концы спиц, формирующих пучок, перфорируют мягкие ткани и подлежащий кортикальный слой лишь с одной стороны, внедряясь в противоположную кортикальную стенку.
Рис. 1. Последовательность формирования анкерного пучка спиц (а—е); фиксация анкерных пучков в спицедержателе (ж); съемная планка с кронштейном для фиксации чрескостных стержней (з).
Методика формирования анкерных пучков предусматривает создание внутрикостного разведения спиц под углом 60-100°. В качестве репонирующих элементов могут использоваться 5- или 6-миллиметровые винто- несущие чрескостные стержни, анкерные пучки и спицы с упорными площадками. Варианты компоновки аппарата реализуются спицедержателями трех моделей (рис. 2), выносным репонирующим узлом, закрепляемым на съемной дугообразной планке в пределах сектора 90° (рис. 3, б), съемными прямоугольными планками с кронштейнами для крепления репонирующих стержней (рис. 1, з).
Соединением двух, трех или четырех спицедержателей на двух резьбовых штангах аппарат монтируется в единую конструкцию. Смена и взаимозаменяемость его элементов обеспечиваются стандартными размерами узлов и деталей. Аппарат дает возможность закрыто устранять продольные, поперечные и угловые смещения фрагментов плечевой кости при повреждениях на различных уровнях.
Использование в качестве базовых фиксирующих чрескостных элементов упругих анкерных пучков спиц позволяет добиваться устранения угловых деформаций плечевой кости в пределах диафиза без введения в компоновку аппарата шарнирных элементов, что существенно упрощает монтаж внешней конструкции и облегчает репозиционные манипуляции.
Для остеосинтеза плечевой кости предложено четыре варианта компоновки аппарата. Стандартная монолатеральная компоновка (рис. 3, а) применяется при переломах диа
физа с использованием репонирующих стержней или спиц. Компоновка с выносным репонирующим узлом, закрепляемым в любом нужном месте, может использоваться для устранения сложных смещений (рис. 3, б). Конструктивные особенности аппарата позволяют вводить в его компоновку дуговую опору с натянутыми в ней сквозными спицами, что может потребоваться при лечении переломов хирургической шейки для увеличения жесткости фиксации короткого проксимального фрагмента (рис. 3, в). При надмыщелковых переломах аппарат может быть дополнен подсистемой для временной фиксации плечелоктевого сустава (рис. 3, г). Ротация предплечья при этом не блокируется.
Рис. 2. Модели (1, 2 и 3-я) спицедержателей анкерноспицевого аппарата.
Все компоновки были подвергнуты стендовым экспериментально-техническим исследованиям на жесткость остеосинтеза. Показатели жесткости по отношению к продольно-дистракционным усилиям исследованы в диапазоне нагрузок от 0 до 350 Н. Устойчивость аппарата к изгибающим нагрузкам изучалась в пяти вариантах пространственной ориентации вектора дислоцирующего усилия в диапазоне нагрузок от 0 до 31 Н ∙ м. Диапазон ротационных нагрузок составлял от 0 до 15 Н ∙ м. Эксперименты, проводившиеся в специализированной лаборатории кафедры сопротивления материалов Кубанского технологического университета, подтвердили достаточную надежность предложенного метода фиксации плеча и возможность ранних функционально-восстановительных нагрузок на травмированную верхнюю конечность [2].
За период с 1992 по 1997 г. в клинике кафедры проведено лечение 24 пациентов с несросшимися переломами и 36 больных с ложными суставами плечевой кости в возрасте от 17 до 60 лет. У 11 из них в анамнезе был открытый, а у 8 — огнестрельный перелом плеча. У 6 больных на момент госпитализации имелся посттравматический остеомиелит плечевой кости в стадии ремиссии. Фиксированные деформации плеча отмечались у 21 пациента. Из 36 больных с ложными суставами у 4 был гиперпластический, а у 8 — гипо- или апластический «болтающийся» псевдоартроз. У всех больных имелись гипотрофия мышц поврежденной конечности и контрактуры плечевого и локтевого суставов различной степени тяжести. 31 пациенту до поступления в клинику приводились операции, в том числе 5 — после неудачной попытки консервативного лечения. 9 больных до поступления в
Краевую больницу перенесли по одной операции, 12 пациентов были оперированы дважды, 6 — три раза и 4 больных — четыре раза.
Всем больным был произведен внеочаговый остеосинтез плечевой кости анкерно-спицевым аппаратом. У 4 пациентов в дополнение к этому выполнены остеопериостальная декортикация и открытая адаптация концов костных фрагментов. Еще у 4 больных с гипопластическим псевдоартрозом одновременно с чрескостным остеосинтезом произведена костная аллопластика.
Рис. 3. Варианты компоновки анкерно-спицевого аппарата. а — для остеосинтеза диафиза плечевой кости; б — компоновка с выносным репонирующим узлом; в — для остеосинтеза хирургической шейки плеча; г — для остеосинтеза надмыщелковых переломов.
Во всех случаях достигнуто устранение смещений и восстановлена анатомическая ось плечевого сегмента. У 10 больных окончательная репозиция произведена одномоментно на операционном столе. У 50 пациентов репозиция осуществлялась постепенно в течение 10-15 дней после операции. При этом 17 больным потребовалось проведение дополнительных репонирующих спиц или стержней в раннем послеоперационном периоде.
Варианты монолатерального расположения аппарата на наружной или передненаружной поверхности плеча расширили выбор возможных направлений для проведения погружных чрескостных элементов, увеличили репозиционные возможности, снизили травматичность операции и вероятность интраоперационных осложнений. Кроме того, это значительно облегчало проведение перевязок, благоприятно сказывалось на функциональных возможностях травмированной конечности на этапе амбулаторного реабилитационного лечения. Малые габариты и удобное расположение внешней конструкции позволяли больным беспрепятственно пользоваться обычной одеждой и способствовали улучшению психоэмоционального фона в процессе лечения.
Все больные после выписки из стационара лечились амбулаторно под наблюдением травматолога или хирурга по месту жительства в районах Краснодарского края. В связи со сложностью организации регулярных контрольных осмотров в клинике продолжительность фиксации во всех случаях превышала срок, необходимый для сращения, не менее чем на 2-4 нед. При лечении несросшихся переломов плеча длительность фиксации в аппарате составляла 10-18 нед, при ложных суставов - 16- 28 нед и достигала 30 нед при лечении псевдоартрозов огнестрельного происхождения.
У всех больных достигнута консолидация отломков плечевой кости. Раннее функциональное лечение позволило во всех случаях получить хорошие и удовлетворительные результаты.
Эффективность предложенного метода лечения была изучена нами в соответствии с требованиями статистики по схеме оценки исходов переломов, разработанной Э.Р. Маттисом [4]. Ближайшие анатомо-функциональные результаты лечения оценивались через 2-3 нед после демонтажа аппарата и рентгенологического контроля. В группе больных с несросшимися переломами средняя оценка ближайших результатов по 100-балльной шкале составила 91,7±6,4 балла, в группе больных с ложными суставами — 89,4±6,9 балла.
Отдаленные результаты (через 1 год после демонтажа аппарата) изучены у 17 больных, лечившихся по поводу несросшихся переломов, и у 26 пациентов, лечившихся по поводу ложных суставов плечевой кости, что составило 71,7% от первоначальной группы больных. При несросшихся переломах хорошие отдаленные результаты отмечены в 82,3%, удовлетворительные — в 17,7% случаев, при ложных суставах — соответственно в 80,8 и 19,2% случаев. Удовлетворительные отдаленные результаты у наших пациентов в основном были связаны с наличием стойких контрактур в плечевом и локтевом суставах, сформировавшихся до начала лечения в клинике.
В качестве примера приводим следующее наблюдение.
Больной М.,33 лет, поступил в клинику с диагнозом: ложный сустав нижней трети левой плечевой кости, варусная деформация левого плеча, контрактуры левого плечевого и локтевого суставов (рис. 4, а). Отмечаются резкое ограничение объема активных и пассивных движений в левом локтевом суставе (сгибание 80°, разгибание 120°), ограничение отведения в плечевом суставе до 65°, варусная деформация в нижней трети плеча до 40°, гипотрофия мышц левой верхней конечности и надплечья.
Больному произведен внеочаговый остеосинтез левой плечевой кости анкерно-спицевым аппаратом (рис. 4, б, в). Начата дистракция. Репозиция осуществлялась спицами с упорными площадками, закрепленными в спицедержателях 3-й модели. В раннем послеоперационном периоде начато реабилитационное лечение, направленное на восстановление функции левого локтевого и плечевого суставов. Восстановление анатомической оси достигнуто через 15 дней после операции (рис. 4, г). Фиксация в аппарате продолжалась 23 нед. За это время достигнуты сращение плечевой кости (рис. 4, д) и практически полная амплитуда движений в смежных суставах.
Рис. 4. Больной М. с ложным суставом в нижней трети диафиза левой плечевой кости. а — рентгенограммы при поступлении; б — рентгенограммы после проведения внеочагового остеосинтеза анкерно-спицевым аппаратом; в — внешний вид левой верхней конечности в раннем реабилитационном периоде; г — рентгенограммы после устранения угловой деформации; д — рентгенограммы после демонтажа аппарата: сращение плечевой кости.
Осложнения при лечении несросшихся переломов и ложных суставов плечевой кости методом внеочагового анкерно-спицевого остеосинтеза отмечены у 5 (8,3%) больных. В двух случаях это было воспаление мягких тканей в области спицевых перфораций, в одном случае — перелом репонирующего стержня. У одной больной произошла дислокация пучка спиц с нарушением фиксации проксимального отдела плечевой кости. У одного пациента имела место интраоперационная травматизация n. radialis с последующим временным парезом соответствующей группы мышц. Все эти осложнения были устранены и не повлияли на конечный результат лечения.
Наш опыт позволяет сделать вывод, что внеочаговый анкерно-спицевой остеосинтез является малотравматичным и высокоэффективным методом лечения несросшихся переломов и ложных суставов плечевой кости [3]. Предлагаемая методика достаточно проста. Она успешно используется в Краснодаре, в 6 травматологических отделениях лечебных учреждений Краснодарского края и может быть освоена широким кругом травматологов городских и районных больниц.
作者简介
A. Afaunov
Kuban State Medical Academy
编辑信件的主要联系方式.
Email: info@eco-vector.com
俄罗斯联邦, Krasnodar
A. Afaunov
Kuban State Medical Academy
Email: info@eco-vector.com
俄罗斯联邦, Krasnodar
参考
- А.С. 1526671 СССР. Аппарат для остеосинтеза /Афаунов А.И., Афаунов А.А. //Открытия, изобретения. — 1989. — N 45.
- Афаунов А.А., Афаунов А.И. //Кубанский науч. мед. вестник. — 1998. — N 7—9. — С. 27-32.
- Афаунов А.А. Монолатеральный внеочаговый анкерно-спицевой остеосинтез при лечении переломов и ложных суставов плечевой кости. — Автореф. дис.... канд. мед. наук. — М., 1999.
- Маттис Э.Р. Карта изучения исходов переломов: Инструкция. — М., 1986.
补充文件






