Определение направления и величины ротационного смещения костных отломков при чрез- и надмыщелковых переломах плечевой кости с помощью модели перелома (экспериментальное исследование)
- Авторы: Чижик-Полейко A.H.1
-
Учреждения:
- Воронежская государственная медицинская академия им. Н.Н. Бурденко
- Выпуск: Том 3, № 2 (1996)
- Страницы: 42-45
- Раздел: Статьи
- Статья получена: 27.03.2021
- Статья одобрена: 27.03.2021
- Статья опубликована: 15.06.1996
- URL: https://journals.eco-vector.com/0869-8678/article/view/64257
- DOI: https://doi.org/10.17816/vto64257
- ID: 64257
Цитировать
Полный текст
Аннотация
С помощью модели чрез- и надмыщелкового перелома плечевой кости, которой были заданы все встречающиеся у детей смещения проксимального отломка — ротационные, по ширине кнутри, кнаружи, кпереди, установлены критерии оценки направления ротационного смещения. Составлена таблица для определения величины угла ротации проксимального отломка плечевой кости.
Полный текст
Традиционным способом определения направления и величины смещения костных отломков при переломах конечности является визуальный анализ обзорных рентгенограмм поврежденного сегмента в переднезадней и боковой проекциях [1, 2]. Иногда их сравнивают с рентгенограммами интактной конечности. Но этот метод, как правило, не позволяет определять направление и величину ротационного смещения.
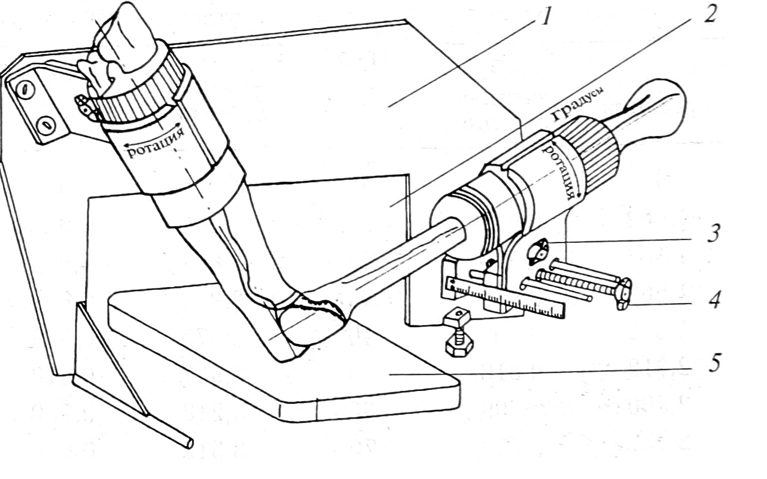
Чтобы восполнить этот пробел, в клинике детской хирургии в 1986—1990 гг. проведено экспериментальное рентгенологическое исследование на основе модели чрезмыщелкового перелома плечевой кости (а. с. № 1574218 от 30.01.87 и № 1578734 от 26.05.88). На кронштейне смоделированы механизмы фиксации плечевой кости и костей предплечья, имеются приспособления для получения линейных, угловых и ротационных смещений костных отломков (рис. 1). Кронштейн представляет собой вертикальную пластину 1 с опорами. Все элементы конструкции расположены по одну сторону пластины, в которой есть вырез 2 для кассеты с пленкой 5.
Проведено моделирование всех возможных видов и величин смещений отломков при чрез- и надмыщелковых переломах плечевой кости с последующей рентгенографией каждого варианта. Учитывая анатомические особенности локтевого сустава, можно допустить, что в момент нарушения целости мыщелка плечевой кости капсульно-связочный аппарат сустава и мышцы-антагонисты предплечья (сгибатели—разгибатели, супинатор—пронатор), сокращаясь, как бы фиксируют дистальный отломок, приближая его к суставным поверхностям костей предплечья и исключая тем самым значительные смещения. Действительно, на рентгенограммах больных с чрез- и надмыщелковыми переломами плечевой кости видны смещения в основном проксимального отломка в результате воздействия на него сокращающихся плечевой и плечелучевой мышц и внутренних ротаторов плеча. Поэтому в модели перелома (см. рис. 1) дистальный отломок жестко фиксирован, а проксимальному с помощью регулировочных винтов 3 и 4 заданы следующие виды смещений: чисто ротационные кнаружи и кнутри от 0 до 90° через каждые 10° и сочетания их с различными линейными смещениями (кнаружи, кнутри, кпереди). С учетом роста ребенка в модели использованы кости трех размеров, соответствующих их средним размерам в возрасте 5, 10 и 15 лет.
Рис. 1. Модель чрезмыщелкового перелома плечевой кости.
Всего получено 516 рентгенограмм модели чрезмыщелкового перелома плечевой кости. Их можно назвать эталонными, поскольку заранее были известны направление и величина смещений отломков. Пр л визуальном анализе этих рентгенограмм мы обратили внимание на определенные, постоянно повторяющиеся и легко «читаемые» взаимоотношения проксимального и дистального отломков при ротационном смещении как кнутри, так и кнаружи и назвали их рентгенологическими критериями направления ротации проксимального отломка.
Определяя направление ротации проксимального отломка, проще ориентироваться на расположение его внутреннего края, более пологого, чем наружный, и заканчивающегося острым «клювом» (рис. 2). При ротации отломка кнутри «клюв» на рентгенограмме в боковой проекции обращен кзади, и чем больше угол ротации, тем дальше уходит кзади внутренний край, а более отвесный наружный поворачивается кпереди (см. рис. 2, а). Если проксимальный отломок ротирован кнаружи, то на рентгенограмме в боковой проекции «клюв» обращен кпереди и его тень приближается к головке лучевой кости или даже наслаивается на нее (см. рис. 2, б). На рентгенограммах в переднезадней проекции также есть признаки, по которым можно узнать направление ротации проксимального отломка. Например, при ротации кнутри «клюв» поворачивается кзади, а линейный размер проксимального отломка постепенно уменьшается до 1/2 поперечника кости (см. рис. 2, в). Даже при небольших углах ротации «клюв» располагается над дистальным отломком, а не наслаивается на него. В случаях ротации кнаружи «клюв» поворачивается кпереди, причем тень его совпадает с тенью внутренней части дистального отломка (см. рис. 2, г). Ротационные смещения от 30 до 90° создают впечатление вколоченного перелома. Следует отметить, что видимое на рентгенограмме смещение по ширине во фронтальной плоскости является ложным — в действительности это проекция на горизонтальную плоскость ротированного проксимального отломка (см. рис. 2 в, г).
Рис. 2-4
Рис. 2. Скиаграммы модели чрезмыщелкового перелома плечевой кости: ротационные смещения проксимального отломка (а, в — кнутри, б, г — кнаружи).
Рис 3. Скиаграмма чрезмыщелкового перелома плечевой кости у ребенка 3 лет: ротационное смещение проксимального отломка кнаружи.
Рис. 4. Скиаграмма модели чрезмыщелкового перелома отломка кнаружи на 20°.
При выборе метода лечения чрез- и надмыщелкового перелома плечевой кости необходимо знать не только направление, но и величину ротационного смещения отломков. Для практического врача важно, чтобы методика определения угла ротации была простой, быстро выполнимой и объективной. Учитывая это, мы составили таблицу, в которой определенному углу ротации соответствует относительная величина, полученная в результате деления линейных размеров поперечника ротированных костных отломков. Например, на модели перелома смещаем проксимальный отломок на 10° кнаружи и проводим рентгенографию модели в двух стандартных проекциях. На рентгенограммах измеряем длины прямых отрезков, соединяющих крайние точки по линии излома проксимального и дистального отломков, в обеих проекциях (в миллиметрах). Так, при угле ротации 10° кнаружи на рентгенограмме в переднезадней проекции частное от деления средних длин поперечников ротированного проксимального и неподвижного дистального отломков равно 0,982, а в боковой проекции — 1,562.
Определение угла ротации костных отломков при чрез- и надмыщелковых переломах плечевой кости
Из таблицы видно, что с увеличением угла ротации относительная величина ее в боковой проекции повышается от 1 до 3,375 при смещении кнутри и от 1 до 3,562 при смещении кнаружи, а в переднезадней — снижается соответственно от 1 до 0,363 и от 1 до 0,454. При уточнении зависимости относительной величины ротации проксимального отломка от угла ротации у детей разного возраста оказалось, что при одном и том же угле ротации проксимального отломка модели ее относительная величина изменяется соответственно размерам кости. Однако, как показал статистический анализ, это отклонение невелико — значения относительных величин соответствуют определенному углу ротации ±5°, что для практической работы не имеет значения.
Приведем пример определения направления и величины ротационного смещения проксимального отломка плечевой кости при чрезмыщелковом переломе у ребенка 3 лет (рис. 3). На основании того, что на рентгенограмме в переднезадней проекции «клюв» наслаивается на внутреннюю часть дистального отломка, а отвесный наружный край обращен кзади, можно сделать вывод о наличии ротации проксимального отломка кнаружи. Относительная величина ротации в переднезадней проекции — 0,890, в боковой — 1,888. По таблице устанавливаем, что угол наружной ротации равен 20±5°. Для сравнения на рис. 4 приведена скиаграмма «эталонной» рентгенограммы с аналогичными направлением и величиной ротации проксимального отломка плечевой кости. Сходство скиаграмм на рис. 3 и 4 позволяет считать разработанную методику приемлемой для использования в травматологии и рентгенологии.
Об авторах
A. H. Чижик-Полейко
Воронежская государственная медицинская академия им. Н.Н. Бурденко
Автор, ответственный за переписку.
Email: info@eco-vector.com
Россия, Воронеж
Список литературы
- Лагунова И.Г. Рентгеноанатомия скелета. — М., 1981.
- Панов Н.А., Москачева К.А., Гинголъд А.З. Руководство по детской рентгенологии. — М., 1965.
Дополнительные файлы





