New technology for manufacturing inductors of linear induction motors for magnetic-levitation transport
- 作者: Solomin V.A.1, Solomin A.V.1, Trubitsina N.A.1, Zamchina L.L.1, Chekhova A.A.1
-
隶属关系:
- Rostov State Transport University
- 期: Vol. 4, Issue 3, Suppl. 1 (2018)
- 页面: 351-364
- 栏目: Original papers
- URL: https://journals.eco-vector.com/transsyst/article/view/10761
- DOI: https://doi.org/10.17816/transsyst201843s1351-364
- ID: 10761
如何引用文章
详细
Abstract. Background: Significant economic growth in many countries of the world can contribute to an increase in the speed of movement of modern and fundamentally new vehicles. This will increase the turnover of goods during the transportation of goods, revive international trade, increase the comfort of passengers and reduce their travel time.
Aim: The solution of this problem is the development and wide application of high-speed magnetic-levitation transport (HSMLT) with linear traction engines. It is promising to use linear induction motors (LIM) for the HSMLT drive, which can have various design versions. Linear induction motors come with a longitudinal, transverse and longitudinal-transverse closure of the magnetic flux. LIM inductors can be installed on both high-speed transport crews and in the HSMLT track structure, as it was done in the People’s Republic of China, where express trains on magnetic suspension connect Shanghai with the airport and reliably operate for more than 10 years. The main elements of the inductor of a linear induction motor are a magnetic core (ferromagnetic core) a multiphase (usually three-phase) winding. With the development of high-speed magnetic-levitation transport, the issues of improving the manufacturing technology of various HSMLT devices, including the methods for producing inductors of linear induction motors, will become increasingly relevant. Traditionally, LIM inductors are assembled from pre-manufactured individual parts.
Methods: An integral technology for manufacturing inductors of linear induction motors for high-speed magnetic-levitation transport is proposed and considered by the method of spraying materials onto a substrate through replaceable stencils. The new technology eliminates the alternate manufacture of individual assemblies and parts and their subsequent assembly to obtain a finished product. A method for determining the size of stencils for manufacturing one of the inductor variants of a linear induction motor is proposed as an example.
Conclusion: Integral manufacturing technology is promising for the creation of high-speed magnetic-levitation transport.
全文:
INTRODUCTION
In the seventies and eighties of the last century, in many countries of the world, including in the Soviet Union, scientists and engineers were engaged in the development of high-speed magnetic-levitation transport. Numerous scientific researches and experimental design developments in the field of magnetic-levitation and linear traction drive of high-speed transport have been carried out, many technical solutions, protected by patents for inventions, have been created, experimental polygons have been constructed for carrying out experiments. These studies for various reasons were either minimized or significantly reduced.
At the beginning of the two thousand years, the development of the world economy required the creation of radically new high-speed vehicles for the organization of freight and passenger transportation. Great interest arose for the high-speed MLT after the successful implementation of the development of scientists and engineers from the FRG in the People’s Republic of China. This was the first successfully implemented commercial project: a high-speed magnetic-levitation train provided fast and comfortable travel of air passengers between Shanghai and the airport. All this contributed to the beginning of a new stage in the creation, research and development of high-speed magnetic-levitation transport at a new, higher level. Work has been intensified in the field of MLT and in the Russian Federation, as evidenced by the modern publications of PSTU staff (St. Petersburg), presented in serious publications [1–7]. OJSC «Russian Railways» is interested in new developments [8–11]. Periodically, at the enlarged meetings of the scientific and technical council OJSC «Russian Railways» issues are considered on the development of new modes of transport.
One of the most important elements in high-speed MLT systems is a linear induction motor, that converts electricity directly into the translational movement of the transport crew, therefore, the issues of improving the technology for manufacturing inductors of traction LIM are important and urgent.
AIM
Analysis of literature sources on the technology of electrical machines showed that there is no special literature on the technology of manufacturing linear electric motors. Although in the Russian Federation linear motors are not produced in large series, a number of specialized enterprises organized their production.
The development of high-speed magnetic-levitation transport, as well as flexible production systems, robotics, advanced types of in-plant transport, automation systems and simple (in kinematics) electric drives will facilitate the production of an increasing number of electric linear machines. At the same time, the production of linear motors in small series at different plants leads to the fact that everywhere one develops its own technologies based on the traditional methods of manufacturing electric machines, including the sequential manufacture of individual elements of the structure and their subsequent assembly into a finished product, which reduces labor productivity and increases the cost products.
For stamping the inductor plates of a linear motor, special matrices are made. When manufacturing a small batch of linear motors, the magnetic cores are made by milling the grooves for laying the winding.
Windings of inductors of linear electric machines are carried out by traditional technologies, including winding and laying of sections, as well as impregnation and drying.
The assembly of electric machines is the final technological process, in which the nodes and individual parts are combined into a finished product. The energy and operational parameters of the electric machine largely depend on this technological process: efficiency, power factor, reliability and durability.
The inventions in the field of improving the technology of electric machine building are relatively small, if we bear in mind technical solutions that are fundamentally different from traditional ones. A number of inventions are devoted to non-waste technologies for making cores of electric machines, containing twisted yokes and corrugated tooth zones. Many developments on the manufacture of magnetic cores from ferromagnetic powders of cermets-based. This method is also suitable for the production of cores of linear electric machines.
All this indicates that there are practically no new, high technologies in the production of electric machines, including linear ones. We have proposed a new, integral technology for manufacturing inductors of traction linear induction motors.
FUNDAMENTALS OF A NEW TECHNOLOGY FOR MANUFACTURING INDUCTORS LIM
In the production of electrical machines to this day, technologies that make extensive use of manual labor prevail. New technologies for manufacturing inductors of linear induction motors allow to reduce the number of stages of manufacturing the machine and significantly reduce the share of human participation in the technological process, and in some cases – fully automate the production of inductors of linear motors.
The technology is based on the methods known in the art for the manufacture of parts by methods of powder metallurgy and the deposition of materials [12, 13]. This technology can be used to manufacture inductors, chokes, transformers and other electrical devices.
One of the promising technological methods related to high technology is the deposition of materials [12, 13]. This method is increasingly used in various fields of technology. The method of sputtering of materials is used in the production of condenser tapes, for the production of anticorrosion coatings, for the restoration and hardening of worn parts, for the application of case insulation of coils of electrical apparatuses and for the making of slot insulation of some electric machines.
The technology of sputtering materials is divided into three main types:
- Gas-flame or gas-thermal spraying, which uses the heat, generated by the combustion of a mixture of combustible gas with oxygen. Depending on the state of the sprayed material, it can be of three types: wire, rod and powder.
- Gas-plasma spraying, based on the use of heat released during the combustion of electric dust. In this method, the gas is heated to the temperature at which the dissociation process takes place. The temperature of this process is determined by the type of gas and pressure.
- Vacuum deposition is widely used in space technology and electronics. With this type of spraying, electron guns are used.
The new technology excludes the preliminary manufacture of individual elements of the inductor structure and their subsequent assembly into the finished product [14, 15]. The inductor is proposed to be manufactured by alternately spraying a ferromagnetic material (the core of a magnetic core), an insulating material (applying slot, interturn and intercoil insulation) and an electrically conductive material (winding) to the substrate. As a result, immediately obtained product – inductor LIM, ready for use on MLT. In other words, the new technology, combining, summing up the individual stages of inductor production of a linear induction motor, is integral.
The process for manufacturing the inductor core of a linear induction motor (LIM) is shown in Fig. 1. The core can be completely sprayed with a gas-flame or gas-plasma method, or a tooth layer is applied to the pre-prepared yoke (laminated or solid) through the stencil.
A yoke 2 and a tooth layer 3 are deposited on the substrate 1, prepared for deposition. For the spraying of the teeth, a stencil 4, having apertures 5, through which ferromagnetic material 6 is sprayed through the desired places with the help of a burner 7 which is movable in the direction of the arrows A and B, is used. The stencil 4 is fixed relative to the substrate and yoke by means of guides 8 passing through the stencil holes 9. In Fig. 1 for reasons of clarity, the stencil is shown elevated above the core, in fact, the stencil lies on the core, closing the slots of the inductor with its jumpers.
Рис. 1. Процесс изготовления сердечника индуктора ЛАД
In Fig. 2, a sprayed solid yoke 2 is shown on the substrate 1. This is the simplest method for manufacturing a magnetic inductor system of a linear motor, but this manufacturing method will result in significant core losses during machine operation. The structure of the core, similar to the laminated from individual electrical steel plates, can be obtained using another stencil, with which the core is not sprayed on top, as shown in Fig. 1, but on the side. In this case, the ferromagnetic and insulating material is applied alternately in layers, and as a result, a core 1 is obtained (Fig. 3), in which the ferromagnetic zones 2 are separated by layers of insulation 3, in which can be used as alumina. We would like to draw your attention to the fact that the thickness of the film of the insulating material can be equal to the fractions of the micron, and consequently, the core filling factor of steel can reach 99% and even higher values, which is completely unattainable with the use of traditional technologies for manufacturing magnetic core of electric machines.
Рис. 2. Сплошное ярмо, изготовленное методом напыления
Рис. 3. Ярмо, изготовленное методом напыления, у которого слои ферромагнетика чередуются с прослойками изоляции
One of the stages of the new technology is the production of the first coil layer. For this purpose, use the stencil (mask) shown in Fig. 4. The stencil 1 comprises apertures 2 that repeat the shape of the first coil winding layer, through which a layer of electrically conductive material, usually copper or aluminum, is sprayed. The jumpers, in the form of flags, cover the teeth of the core and do not allow the coil to become short-circuited. To increase the electrical conductivity of the coil, the deposited conductive layer is subjected to the flame-burning operation of the burner. The stencil is suitable for the manufacture of only one first layer of coil windings of the inductor winding. It should be noted that the stencil for spraying the windings should be made of a material whose melting point exceeds the melting point of the electrically conductive material. But this is necessary if the technological process involves the operation of melting the sprayed layers of electrically conductive material.
Рис. 4. Трафарет для изготовления первого слоя витков катушек обмотки индуктора линейного асинхронного двигателя
DETERMINATION THE SIZES OF STENCILS FOR MANUFACTURING OF INDUCTOR LIM
Let’s consider an example of calculation of the sizes of stencils for manufacturing of inductor LIM with a winding consisting of the concentrated coils.
To produce a series of similar inductors of linear induction motors, it is necessary in advance to produce a set of stencils for spraying the core and winding the machine. The set includes a substrate (base), on which the yoke of the inductor is applied. Depending on the method of applying the material, a substrate is prepared. Its surface is cleaned and roughened for gas-flame and plasma yoke sputtering, or the surface of the substrate is polished by vacuum deposition of materials.
To determine the sizes of the stencils, the length and width of the inductor of the linear machine, the number and dimensions of the inductor teeth, the number and dimensions of the coils of the winding, the number of turns in each coil should be specified.
When calculating the stencils, the following conventions are adopted:
Lu – length of inductor;
bu– width of inductor;
Lmp– length of stencil;
2р – number of poles of inductor of linear motor;
τ – pole division;
bz – width of inductor tooth;
lz – length of tooth;
bk – turn width of coil of winding of inductor;
δ – insulation thickness of coil turns;
bmp – width of stencil;
А – width of inter-turn connection;
n – turn number (by coil height);
W1 – longitudinal dimension, showing the distance from the left inner corner of the turn to the beginning of the inter-turn connection;
W2 – longitudinal dimension, showing the distance from the right inner corner of the turn to the beginning of the inter-turn connection;
bn – distance between inner sides of two turns of adjacent coils;
b1, b2, b3 – distance between the protrusions of the stencils for the deposition of insulation;
с – height of the base of the stencil for applying insulation.
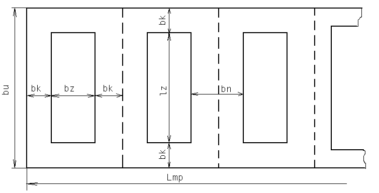
In Fig 5 shows a stencil for applying a tooth layer of the inductor core. To determine the width of the winding coil, the values are given: bu, bz, lz, , and the dimensions of this stencil are determined by the size and number of teeth of the inductor, and also by the width of the latter.
Рис. 5. Трафарет для напыления зубцового слоя сердечника индуктора линейного асинхронного двигателя
Width of coil of winding without allowance for thickness of inter-coil insulation:
(1)
Distance between inner sides of two turns of adjacent coils:
(2)
Length of inductor of linear electric motor:
(3)
The stencil for the production of the «n-th» turn layer is shown in Fig. 6
Рис. 6. Трафарет для напыления «n-го» виткового слоя катушек обмотки индуктора ЛАД
Width of turn:
(4)
Length of stencil, m:
(5)
Distance from the left inner corner of the turn to the beginning of the inter-turn connection:
(6)
Distance from the right inner corner of the turn to the beginning of the inter-turn connection:
(7)
A stencil for applying an insulation layer on the turns of the winding, that closes the interturn connection, is shown in Fig. 7.
Рис 7. Трафарет для нанесения слоя изоляции на витки обмотки
Longitudinal dimensions:
(8)
(9)
(10)
Thus, the dimensions of the stencils for manufacturing inductors of linear induction motors are determined on the basis of calculation data and design documentation.
CONCLUSIONS
- The new integral technology for manufacturing inductors of linear induction motors by the method of deposition of materials is high and will allow to increase the quality of traction LIM for magnetic-levitation transport.
- Manufacture of traction LIM inductors by the method of deposition of materials will allow to automate the process of production of linear machines for such promising modes of transport as high-speed magnetic-levitation, including vacuum.
- The proposed technology can be used in the production of transformers and electric motors.
ACKNOWLEDGEMENTS
This work was supported by the RFBR-RZD grant No. 17-20-04236 “Magnetic cooling of promising transport and energy systems”.
作者简介
Vladimir Solomin
Rostov State Transport University
编辑信件的主要联系方式.
Email: ema@rgups.ru
ORCID iD: 0000-0002-0638-1436
SPIN 代码: 6785-9031
Doctor of Technological sciences, Professor
俄罗斯联邦, 2, Rostovskogo Strelkovogo Polka Narodnogo Opolcheniya sq., Rostov-on-Don, 344038Andrei Solomin
Rostov State Transport University
Email: vag@kaf.rgups.ru
ORCID iD: 0000-0002-2549-4663
SPIN 代码: 7805-9636
Candidate of Technological sciences, Associate Professor
俄罗斯联邦, 2, Rostovskogo Strelkovogo Polka Narodnogo Opolcheniya sq., Rostov-on-Don, 344038Nadezda Trubitsina
Rostov State Transport University
Email: ma@rgups.ru
ORCID iD: 0000-0001-6640-8306
SPIN 代码: 4192-0487
Candidate of Technological sciences, Associate Professor
俄罗斯联邦, 2, Rostovskogo Strelkovogo Polka Narodnogo Opolcheniya sq., Rostov-on-Don, 344038Larisa Zamchina
Rostov State Transport University
Email: ema@rgups.ru
ORCID iD: 0000-0001-5374-9443
SPIN 代码: 8703-1347
Candidate of Technological sciences, Associate Professor
俄罗斯联邦, 2, Rostovskogo Strelkovogo Polka Narodnogo Opolcheniya sq., Rostov-on-Don, 344038Anastasia Chekhova
Rostov State Transport University
Email: ema@rgups.ru
ORCID iD: 0000-0002-3410-3687
SPIN 代码: 8201-7660
Graduate
俄罗斯联邦, 2, Rostovskogo StrelkCandidate of Technological sciences, Associate Professorovogo Polka Narodnogo Opolcheniya sq., Rostov-on-Don, 344038参考
- Антонов Ю.Ф., Зайцев А.А. Магнитолевитационная транспортная технология. – М.: Физматлит; 2014. – 476 с. [Antonov YuF, Zaitsev AA. Magnitolevitatsionnaya transportnaya tekhnologiya. Moscow: Fizmatlit; 2014. 476 p. (In Russ.)].
- Зайцев А.А., Талашкин Г.Н., Соколова Я.В. Транспорт на магнитном подвесе. – СПб: ПГУПС; 2010. – 160 с. [Zaitsev AA, Talashin GN, Sokolova YaV. Transport na magnitnom podvese. St. Peterburg: PGUPS; 2010. 160 p. (In Russ.)].
- Антонов Ю.Ф., Зайцев А.А. Магнитолевитационный транспорт: научные проблемы и технические решения. – М.: Физматлит; 2015. – 612 с. [Antonov YuF, Zaitsev AA. Magnitolevitatsionnyy transport: nauchnyye problem i tekhnicheskiye resheniya. Moscow: Fizmatlit; 2015. 612 p. (In Russ.)].
- Зайцев А.А., Морозова Е.Н., Талашкин Г.Н. и др. Магнитолевитационный транспорт в единой транспортной системе страны. – СПб: «НП-ПРИНТ», 2015. – 140 с. [Zaitsev AA, Morozova EN, Talashin GN., et al. Magnitolevitatsionnyy transport v edinoi transportnoi sisteme strany. St. Peterburg: «NP-PRINT»; 2015. 140 p. (In Russ.)].
- Зайцев А.А. О современной стадии развития магнитолевитационного транспорта // Железнодорожный транспорт. – 2016. – № 12. – С. 62–65. [Zaitsev AA. O sovremennoy stadii razvitiya magnitolevitatsionnogo transporta. Zheleznodorozhnyy transport. 2016;(12):62-65. (In Russ.)].
- Зайцев А.А. Магнитолевитационные системы и технологии // Железнодорожный транспорт. – 2014. – № 5. – С. 69–73. [Zaitsev AA. Magnitolevitatsionnye sistemy i technologii. Zheleznodorozhnyy transport. 2014;(5):69-73. (In Russ.)].
- Антонов Ю.Ф., Зайцев А.А., Морозова Е.И. Исследование магнитодинамической левитации и электродинамического торможения грузовой транспортной платформы // Известия ПГУПС. – 2014. – Т. 4. – № 41. – С. 5–15. [Antonov YuF, Zaitsev AA, Morozova EI. Issledovanie magnitodinamicheskoi levitatsii i electrodinamichescogo tormozenia gruzovoi transportnoi platformy. Izvestia PGUPS. 2014;4(41):5-15. (In Russ.)].
- Лапидус Б.М., Лапидус Л.В. Железнодорожный транспорт: философия будущего. – М.: Прометей, 2015. – 232 с. [Lapidus BM, Lapidus LV. Zeleznodoroznyi transport: filosofia buduchego. Moscow: Prometei; 2015. 232 p. (In Russ.)].
- Зайцев А.А. Грузовая транспортная платформа на магнитолевитационной основе: опыт создания // Транспортные системы и технологии. – 2015. – Т. 2. – № 2. – С. 5-15. [Zaitsev AA. Cargo-Carrying Transport Platform Based on Magnetic Levitation: Experience of creation Transportation Systems and Technology. 2015;2(2):5-15. (In Russ.)] doi: 10.17816/transsyst2015125-15
- Антонов Ю.Ф. Узел левитации как обращенная асинхронная машина с короткозамкнутым ротором // Труды 2-й Международной научной конференции МТСТ’14. – Киров, 2014. – С. 256–267. [Antonov YuF. Levitation node as a reversed induction machine with a squirrel-cage rotor. Trydy 2 Mezdunarodnoi naychnoi konferenzii MTST’14. (Conference proceedings) Kirov; 2014. P. 256-267. (In Russ.)].
- Зайцев А.А. Технология «Магтрансити» в проекте «Санкт-Петербургский Маглев» // Известия ПГУПС. – 2013. – № 4. – С. 5–17. [Zaitsev AA. Technology “Magtranscity” in the project “St. Petersburg Maglev”. Izvestia PGUPS. 2013;(4):5-17. (In Russ.)].
- Хасуй А. Техника напыления: пер. с япон. – М.: Машиностроение, 1975. – 239 с. [Hasyi A. Technika napylenia: per. s iapon. Moscow: Machinostroenie; 1975. 288 p. (In Russ.)].
- Хасуй А., Моригаки О. Наплавка и напыление: пер. с япон. – Москва: Издательство Машиностроение, 1985. – 239 с. [Hasyi A., Morigaki O. Naplavka i napylenie: per. s iapon. Moscow: Machinostroenie; 1985. 239 p. (In Russ.)].
- Авторское свидетельство СССР на изобретение № 1814153/ 07.05.92. Бюл. № 17. Сапон С.Н., Соломин В.А. Способ изготовления индуктора линейного электродвигателя. Режим доступа: http://patents.su/6-1814153-sposob-izgotovleniya-induktora-linejjnogo-ehlektrodvigatelya.html. Дата обращения: 23.08.2017. [Author’s certificate of the for an invention № 1814153/ 07.05.92. Byul. № 17. Sapon SN, Solomin VA. Sposob izgotovlenia induktora lineinogo elektrodvigatelia. Available from: http://patents.su/6-1814153-sposob-izgotovleniya-induktora-linejjnogo-ehlektrodvigatelya.html (In Russ.) Accessed August 23, 2017].
- Патент РФ на изобретение № 2014712/ 15.06.94. Бюл. № 11. Соломин В.А., Попов А.Д., Сапон С.Н. Способ изготовления индуктора линейного электродвигателя. Режим доступа: http://bankpatentov.ru/node/576344. Дата обращения: 28.08.2017. [Pat. RUS № 2014712/ 15.06.94. Byul. № 11. Solomin VА., Popov AD., Sapon SN. Sposob izgotovlenia induktora lineinogo elektrodvigatelia. Available from: http://bankpatentov.ru/node/576344 (In Russ.) Accessed August 23, 2017].
补充文件










